A CMOS Integrator-Based Clock-Free Time-to-Digital Converter for Home-Monitoring LiDAR Sensors
Abstract
1. Introduction
2. Integrator-Based TDC
2.1. Conventional TDCs
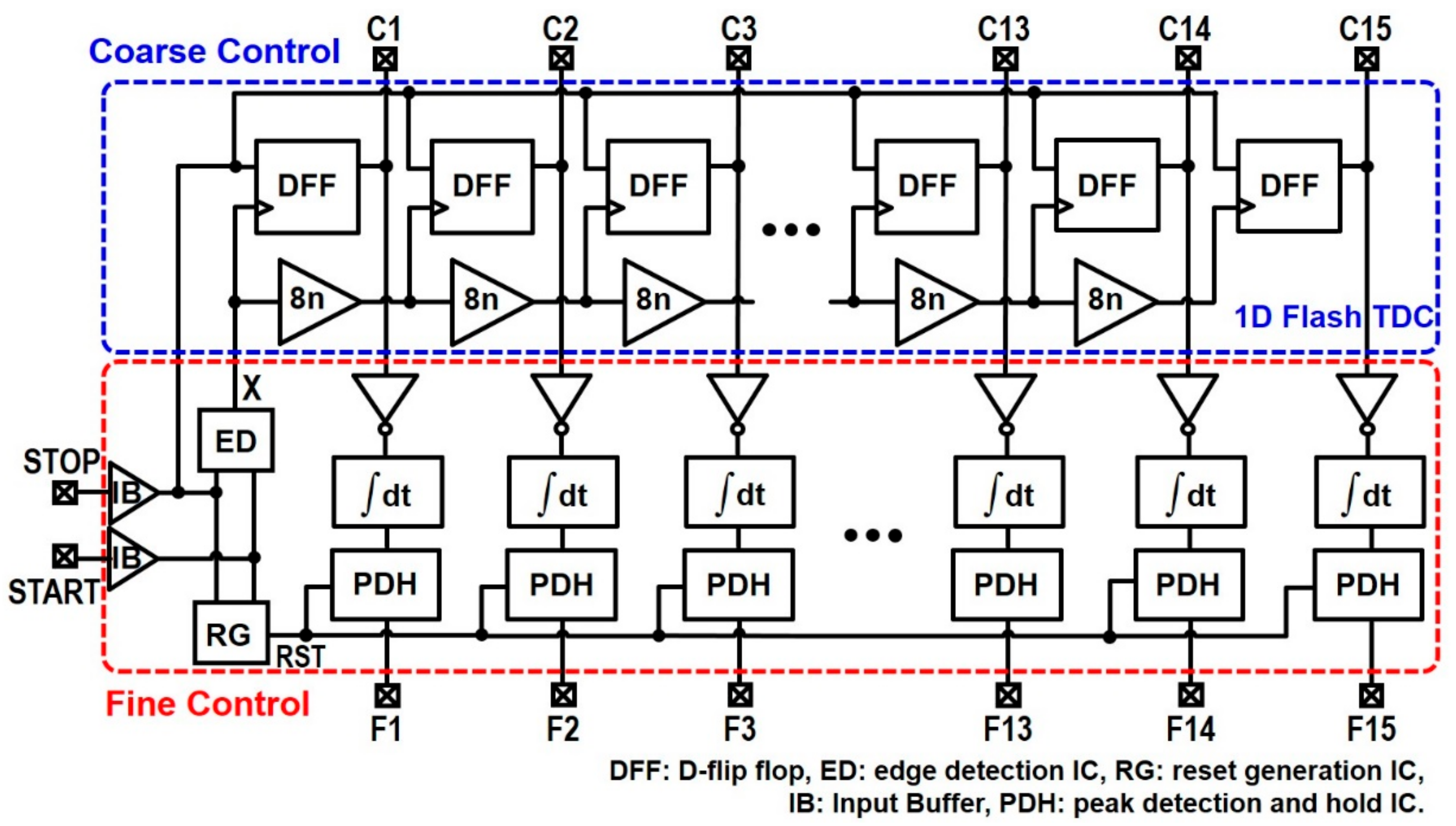
2.2. Proposed I-TDC
2.2.1. Flash TDC
2.2.2. Integrator Charging Circuit
2.2.3. PDH Circuit
3. Operation and Simulation Results
3.1. Operation Modes
3.2. Simulation Results
4. Discussion
4.1. Chip Implementation
4.2. Measured Results
5. Conclusions
Author Contributions
Funding
Acknowledgments
Conflicts of Interest
References
- Kurtti, S.; Nissinen, J.; Kostamovaara, J. A Wide Dynamic Range CMOS Laser Radar receiver with a Time-Domain Walk Error Compensation Scheme. IEEE Trans. Circuits Syst. Regul. I 2017, 64, 550–561. [Google Scholar] [CrossRef]
- Yoon, D.; Joo, J.-E.; Park, S.M. Mirrored Current-Conveyor Transimpedance Amplifier for Home Monitoring LiDAR Sensors. IEEE Sens. J. 2021, 21, 5589–5597. [Google Scholar] [CrossRef]
- He, Z.; Lu, D.; Yang, Y.; Gao, M. An Elderly Care System Based on Multiple Information Fusion. J. Healthc. Eng. 2018, 2018, 4098237. [Google Scholar] [CrossRef] [PubMed]
- Zheng, H.; Ma, R.; Liu, M.; Zhu, Z. A Linear Dynamic Range Receiver with Timing Discrimination for Pulsed TOF Imaging LADAR Application. IEEE Trans. Instrum. Meas. 2018, 67, 2684–2691. [Google Scholar] [CrossRef]
- Kurtti, S.; Kostamovaara, J. An Integrated Laser Radar Receiver Channel Utilizing a Time-Domain Walk Error Compensation Scheme. IEEE Trans. Instrum. Meas. 2011, 60, 146–157. [Google Scholar] [CrossRef]
- Kurtti, S.; Janson, J.; Kostamovaara, J. A CMOS Receiver-TDC Chip Set for Accurate Pulsed TOF Laser Ranging. IEEE Trans. Instrum. Meas. 2020, 69, 2208–2217. [Google Scholar] [CrossRef]
- Zheng, H.; Ma, R.; Liu, M.; Zhu, Z. A Linear-Array Receiver Analog Front-End Circuit for Rotating Scanner LiDAR Application. IEEE Sens. J. 2019, 19, 5053–5061. [Google Scholar] [CrossRef]
- Nissinen, J.; Nissinen, I.; Kostamovaara, J. Integrated Receiver Including Both Receiver Channel and TDC for a Pulsed Time-of-Flight Laser Rangefinder With cm-Level Accuracy. IEEE J. Solid State Circuits 2009, 44, 1486–1497. [Google Scholar] [CrossRef]
- Cho, H.-S.; Kim, C.-H.; Lee, S.-G. A High-Sensitivity and Low-Walk Error LADAR Receiver for Military Application. IEEE Trans. Circuits Syst. Regul. I 2014, 61, 3007–3015. [Google Scholar] [CrossRef]
- Jansson, J.P.; Mäntyniemi, A.; Kostamovaara, J. A CMOS Time-to-Digital Converter with Better Than 10ps Single-Shop Precision. IEEE J. Solid State Circuits 2006, 41, 1286–1296. [Google Scholar] [CrossRef]
- Wang, T.; Rogers JW, M.; Mitric, K. Analysis and Correction of Noise Injection Due to Parallel-Output-Misalignment(POM) Effects in Ring-Type Time-to-Digital Converters(TDCs). IEEE J. Solid State Circuits 2019, 54, 2513–2522. [Google Scholar] [CrossRef]
- Dudek, P.; Szczepanski, S.; Hatfield, J.V. A High-Resolution CMOS Time-to-Digital Converter Utilizing a Vernier Delay Line. IEEE J. Solid State Circuits 2000, 35, 1626–1635. [Google Scholar] [CrossRef]
- Soni, Z.; Patel, A.; Panda, D.K.; Sarbadhikari, A.B. Comparative Study of Delay Line Based Time to Digital Converter Using FPGA. Int. Res. J. Eng. Technol. 2017, 04, 1169–1175. [Google Scholar]
- Park, Y.; Wentzloff, D.D. A Cyclic Vernier TDC for ADPLLs Synthesized from a Standard Cell Library. IEEE Trans. Circuits Syst. I Reg. Pap. 2011, 58, 1511–1517. [Google Scholar] [CrossRef]
- Straayer, M.Z.; Perrott, M.H. An efficient high-resolution 11-bit noise-shaping multipath gated ring oscillator TDC. In Proceedings of the IEEE Symposium on VLSI Circuits, Honolulu, HI, USA, 18–20 June 2008; pp. 82–83. [Google Scholar]
- Kim, K.; Kim, Y.; Yu, W.; Cho, S. A 7 bit, 3.75 ps Resolution Two-Step Time-to-Digital Converter in 65 nm CMOS Using Pulse-Train Time Amplifier. IEEE J. Solid State Circuits 2013, 48, 1009–1017. [Google Scholar] [CrossRef]
- Wu, B.; Zhu, S.; Zhou, Y.; Chiu, Y. A 9-bit 215 MS/s Folding-Flash Time-to-Digital Converter Based on Redundant Remainder Number System in 45-nm CMOS. IEEE J. Solid State Circuits 2018, 53, 839–849. [Google Scholar] [CrossRef]
- Geronimo, G.D.; O’Connor, P.; Kandasamy, A. Analog CMOS peak detect and hold circuits. Part 1. Analysis of the classical configuration. Nuclear Instrum. Methods Phys. Res. Sect. A Accel. Spectrometers Detect. Assoc. Equip. 2002, 484, 533–543. [Google Scholar] [CrossRef]
- Rezvanyvardom, M.; Nejad, T.G.; Farshidi, E. A 5-bit time to digital converter using time to voltage conversion and integrating techniques for agricultural products analysis by Raman Spectroscopy. Inform. Proc. Agric. 2014, 1, 124–130. [Google Scholar] [CrossRef][Green Version]
- Nguyen, V.N.; Duong, D.N.; Chuang, Y.; Lee, J.-W. A Cyclic Vernier Two-Step TDC for High Input Range Time-of-Flight Sensor Using Startup Time Correction Technique. Sensors 2018, 18, 3948. [Google Scholar] [CrossRef]
- He, Y.; Joo, J.-E.; Park, S.M. A 3-dimensional Modified Vernier Time-to-digital Converter for LiDAR Sensors. J. Semicond. Tech. Sci. 2020, 20, 543–551. [Google Scholar] [CrossRef]
- Kim, Y.; Kim, T.W. An 11b 7ps Resolution Two-Step Time-to-Digital Converter with 3-D Vernier Space. IEEE Trans. Circuits Syst. I Reg. Pap. 2014, 61, 2326–2336. [Google Scholar] [CrossRef]
- Seo, H.; Yoon, H.; Kim, D.; Kim, J.; Kim, S.-J.; Chun, J.-H.; Choi, J. AA 36-channel SPAD-integrated scanning LiDAR sensor with multi-event histogramming TDC and embedded interference filter. In Proceedings of the Symposium on VLSI Circuits, Honolulu, HI, USA, 16–19 June 2020; pp. 1–2. [Google Scholar]
- Liu, M.; Liu, H.; Li, X.; Zhu, Z. A 60-m Range 6.16-mW Laser Power Linear-Mode LiDAR System with Multiplex ADC/TDC in 65-nm CMOS. IEEE Trans. Circuits Syst. I Reg. Pap. 2020, 67, 753–764. [Google Scholar] [CrossRef]







| TDCs | Resolution | Conversion Rate | Max. Detection Range | Disadvantages |
|---|---|---|---|---|
| Flash | coarse | high | small | vulnerable to PVT variations and large chip area |
| Vernier | fine | low | moderate | large chip area and long dead time |
| Cyclic Vernier | fine | very low | large | severe switching noise, high dynamic power consumption, and large latency |
| GRO | fine | low | large | fast clock required and severe quantization error |
| TA | fine | high | large | high power consumption and large gain required with extra calibration |
| Proposed I-TDC | fine | high | large | sensitive to PVT variations |
| Parameters | [20] | [21] | [22] | [23] | [24] | This Work |
|---|---|---|---|---|---|---|
| CMOS (nm) | 180 | 130 | 130 | 110 | 65 | 180 |
| Configuration | Cyclic Vernier | 3D | 3D | GRO | ADC × TDC | Two-step |
| Supply voltage (V) | 1.8 | 1.2 | 1.5 | 1.5 | 1.2 | 1.2 |
| Resolution (bit) | 9.88 | 8 | 11 | 11 | 15 | 9 |
| LSB (ps) | 377 | 625 | 6.98 | 156.25 | 6.25 | 500 |
| Conversion rate (MS/s) | 0.67 | 50 | 25 | 100 | 500 | 4,000 |
| Detection range | 0.57 cm~53.2 m | 18.8 cm~28.8 m | 2.1 mm~4.3 m | 2.34 cm~48 m | 1.83 mm~60 m * | 7.5 cm~33.6 m |
| Power dissipation (mW) | 0.65 | 2.9 | 0.33 | 180 | 5.2 | 1.6 |
| FoM (pJ/conv.-step) | 1.030 | 0.227 | 0.064 | 0.879 | 0.0003 | 0.0008 |
| Core area (mm2) | 0.028 | 0.33 | 0.28 | 29.75 | 0.06 | 0.20 |
Publisher’s Note: MDPI stays neutral with regard to jurisdictional claims in published maps and institutional affiliations. |
© 2022 by the authors. Licensee MDPI, Basel, Switzerland. This article is an open access article distributed under the terms and conditions of the Creative Commons Attribution (CC BY) license (https://creativecommons.org/licenses/by/4.0/).
Share and Cite
He, Y.; Park, S.M. A CMOS Integrator-Based Clock-Free Time-to-Digital Converter for Home-Monitoring LiDAR Sensors. Sensors 2022, 22, 554. https://doi.org/10.3390/s22020554
He Y, Park SM. A CMOS Integrator-Based Clock-Free Time-to-Digital Converter for Home-Monitoring LiDAR Sensors. Sensors. 2022; 22(2):554. https://doi.org/10.3390/s22020554
Chicago/Turabian StyleHe, Ying, and Sung Min Park. 2022. "A CMOS Integrator-Based Clock-Free Time-to-Digital Converter for Home-Monitoring LiDAR Sensors" Sensors 22, no. 2: 554. https://doi.org/10.3390/s22020554
APA StyleHe, Y., & Park, S. M. (2022). A CMOS Integrator-Based Clock-Free Time-to-Digital Converter for Home-Monitoring LiDAR Sensors. Sensors, 22(2), 554. https://doi.org/10.3390/s22020554
