Device for Identifying the UV Emission Spectrum
Abstract
:1. Introduction
2. System Description
2.1. System Overview
2.2. Hardware
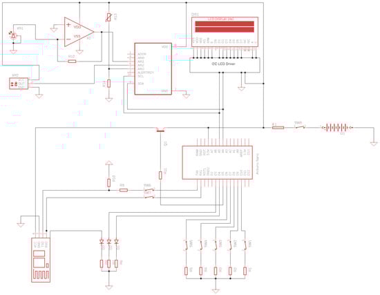
2.2.1. UV Spectrum Detection Device
2.2.2. The Calibrator Device
2.3. Software
2.3.1. Firmware
- -
- The first function, void measure (vm), is called at equal time intervals of 200 ms and ensures the performance of the UV measurements and ambient temperature by reading the measurement data from the UV and ambient temperature sensors. The measured data are compared with the data from the EEPROM memory to decide the subdomain (UV-A, UV-B, UV-C) of radiation of the UV spectrum.
- -
- The second function, called void button (vm), is called at equal time intervals of 300 ms and follows the commands of the control buttons, based on which it navigates in the program menu (MENU). Each menu screen has a code, based on which the set task is executed.
- -
- The third function, called void display (vm), is called at equal intervals of 200 ms and rewrites (REWRITE) the LCD 2 × 16, deleting and rewriting all the information for display, as well as ensuring the coupling or decoupling of the green LED to indicate the possibility of taking measurements (OK).
- -
- The fourth function, called void data fetch (vd), is called at equal intervals of 2 s and sends the measurement data through the serial communication port (Rx/Tx) by the comma separation method (comma-separated values), with a semicolon at the end of a series of data (e.g., 278, 3, 25, 31 indicates that the UV wavelength was measured at 278 nm in the UV-A subdomain (no. 3 means subdomain A, according to the coding), the measured ambient temperature value was 25 °C, the sensor type code used was 31 (no. 31 means the UV-A sensor type was SD008-2151-112), and the semicolon (;) at the end means the end of the measurement).
2.3.2. PC Program
3. Measurements, Results, and Discussion
- -
- At 355 nm and an irradiance of around 9.5 mW/0.076 mm2 on sensor IC1, we measured 6600 raw data;
- -
- By exposing sensor IC1 to UV LED 4 with a central wavelength of emission of 365 nm and a half-width spectrum of 10 nm, we measured 4500 raw data;
- -
- With the above two measurements (monochromator and UV LED 4) on IC1, we could estimate a real irradiance of around 6.5 mW, which reaches this sensor. This means that only 20% of a radiant flux of 30 mW/0.076 mm2 reaches the sensors’ surface. Thus, even using a very small distance between the UV LEDs and the sensors, significant radiant power is lost because of the large angle of emission of the UV LEDs;
- -
- -
- The measurements obtained with the low-power emission LEDs (1, 2, 3, 5, 6, and 7) prove that the sensors do not react to such low UV emissions.
4. Conclusions
- Universal input: 240–380 nm of one domain of measurement;
- High precision input: UV-A/B/C, 200–400 nm, with three subdomains of measurement. Subdomains of measurement include UV-A: 315–400 nm; UV-B: 280–315 nm; UV-C: 200–280 nm;
- Measure interval: 200 ms;
- Adequate time of measurement: 1.16 ms;
- Display of arithmetical average of 50 measurements;
- LCD 2 × 16 dotted-shape matrix display with 2 × 16 characters (numbers or letters), with a refresh rate of 200 ms;
- Measurement send time to PC: 2 s;
- Measured data transmission: USB cable/Bluetooth;
- Standalone measuring device with a 9 V battery power supply (type 6F22);
- Dimensions: 103 mm × 60 mm × 173 mm;
- Weight: 392 g (without battery), 428 g (with battery);
- High-precision probes D1 (UV-A), D2 (UV-B), D3 (UV-C), diameter: 27 mm, length: 64 mm, cable: 950 mm, weight: 40 g (with cables and connectors);
- Probe UV of large band UV (IC1), diameter: 31 mm, length: 63 mm, cable: 950 mm, weight: 49 g (with cables and connectors);
- Calibrator: 45 mm × 30 mm × 279 mm, weight: 277 g (without battery), 313 g (with battery);
- Operating temperature: +5–+40 °C/0–45 °C;
- Operating humidity: 80% to 20 °C;
- Operating atmospheric pressure: 800–1060 mbar.
Author Contributions
Funding
Acknowledgments
Conflicts of Interest
References
- Sauceda-Gálvez, J.N.; Martinez-Garcia, M.; Hernández-Herrero, M.M. Short Wave Ultraviolet Light (UV-C) Effectiveness in the Inactivation of Bacterial Spores Inoculated in Turbid Suspensions and in Cloudy Apple Juice. Beverages 2021, 7, 11. [Google Scholar] [CrossRef]
- Calle, A.; Fernandez, M.; Montoya, B.; Schmidt, M. UV-C LED Irradiation Reduces Salmonella on Chicken and Food Contact Surfaces. Foods 2021, 10, 1459. [Google Scholar] [CrossRef] [PubMed]
- Szolga, L.A.; Cilean, T.R. Nitrates and Nitrites Detection System in the Drinking Water Using UV Absorption. In Proceedings of the International Conference on e-Health and Bioengineering, Online, 29–30 October 2020. [Google Scholar]
- Hong, J.; Otaki, M. Studies on Liposome-encapsulated-chemical Actinometer in UV-disinfection by Low-Pressure UV Lamp: Bio-chemical Actinometer in UV-Disinfection. In Proceedings of the 2012 International Conference on Biomedical Engineering and Biotechnology, Macau, China, 28–30 May 2012; pp. 1704–1707. [Google Scholar] [CrossRef]
- Hu, H.; Shi, P. Research of Drinking Water Disinfection Technology. In Proceedings of the 2010 International Conference on E-Product E-Service and E-Entertainment, Henan, China, 7–9 November 2010; pp. 1–3. [Google Scholar] [CrossRef]
- Vairamohan, B.; Hunter, G.; Arzbaecher, C.; Ehrhard, R.; Goodrich, J.A.; Hall, J. Innovative UV-C LED Disinfection Systems for drinking water Treatment. In Proceedings of the 2021 IEEE Conference on Technologies for Sustainability (SusTech), Virtual, 22–24 April 2021; pp. 1–5. [Google Scholar] [CrossRef]
- Soldatkin, V.; Yuldashova, L.; Shardina, A.; Shkarupo, A.; Mikhalchenko, T. Device for Water Disinfection by Ultraviolet Radiation. In Proceedings of the 2020 7th International Congress on Energy Fluxes and Radiation Effects (EFRE), Tomsk, Russia, 14–26 September 2020; pp. 870–873. [Google Scholar] [CrossRef]
- Cao, Y.; Chen, W.; Li, M.; Xu, B.; Fan, J.; Zhang, G. Simulation-Based Design of Deep Ultraviolet LED Array Module Used in Virus Disinfection. In Proceedings of the 2020 21st International Conference on Electronic Packaging Technology (ICEPT), Guangzhou, China, 12–15 August 2020; pp. 1–4. [Google Scholar] [CrossRef]
- Sonawane, G.S.; Dudhe, P.; Upadhyay, A.; Patil, Y.; Mane, P. IoT Based UV Disinfection Machine. In Proceedings of the 2021 International Conference on Intelligent Technologies (CONIT), Karnataka, India, 25–27 June 2021; pp. 1–7. [Google Scholar] [CrossRef]
- Nicolau, T.; Filho, N.G.; Zille, A. Ultraviolet-C as a Viable Reprocessing Method for Disposable Masks and Filtering Facepiece Respirators. Sensors 2021, 13, 801. [Google Scholar] [CrossRef] [PubMed]
- Ghedini, E.; Pizzolato, M.; Longo, L.; Menegazzo, F.; Zanardo, D.; Signoretto, M. Which Are the Main Surface Disinfection Approaches at the Time of SARS-CoV-2? Front. Chem. Eng. 2021, 2, 589202. [Google Scholar] [CrossRef]
- Stowe, R.W. Ultraviolet Detection System Using UV Detector Tube with d-c Biased Nonsymmetrical Electrode Configuration. U.S. Patent US3493753A, 11 November 1967. [Google Scholar]
- Harpster, J.W. Ultraviolet Sensor and Exposure Instrument. U.S. Patent US4065672A, 17 May 1976. [Google Scholar]
- Strutz, E. Device for Measuring the Dose of Ultraviolet Radiation in the Erythema-Effective Range. U.S. Patent US3917948A, 18 September 1973. [Google Scholar]
- May, J.T. Ultraviolet Intensity Meter. U.S. Patent US5382799A, 14 December 1993. [Google Scholar]
- Nakamura, K.; Ito, Y. Ultraviolet Sensor. U.S. Patent US20080217611A1, 24 November 2005. [Google Scholar]
- Makela, J.; Kolehmainen, T.; Tokkonen, T.; Ojala, K. UV Radiation Meter Using Visible Light Sensors. U.S. Patent US20070108389A1, 15 November 2005. [Google Scholar]
- Tsubata, K.; Sakai, S.; Noguchi, E.; Ihashi, T.; Kazuo, N.; Sugai, Y. Ultraviolet Ray Measuring Apparatus and Electronic Wristwatch Equipped with Ultraviolet Ray Measuring Function. U.S. Patent US8586938B2, 15 March 2010. [Google Scholar]
- Yingprayoon, K.; Tanachutiwat, S. Simple Spectrometer for Education Using Microcontroller. In Proceedings of the 2020 17th International Conference on Electrical Engineering/Electronics, Computer, Telecommunications, and Information Technology (ECTI-CON), Phuket, Thailand, 24–27 June 2020; pp. 592–594. [Google Scholar] [CrossRef]
- Poh, J.-J.; Wu, W.-L.; Goh, N.W.-J.; Tan, S.M.-X.; Gan, S.K.-E. Spectrophotometer on-the-go: The Development of a 2-in-1 UV–Vis Portable Arduino-Based Spectrophotometer. Sens. Actuators A Phys. 2021, 325, 112698. [Google Scholar] [CrossRef]
- Dhawangale, A.; Bharadwaj, R.; Mukherji, S.; Kundu, T. UV photodiode based portable fiber-optic biosensor. In Proceedings of the International Conference on Systems in Medicine and Biology, Kharagpur, India, 16–18 December 2010. [Google Scholar]
- Lönnqvist, E.; Cullié, M.; Bermejo, M.; Tootsi, M.; Smits, S.; Duarte, A.; Malheiro, B.; Ribeiro, C.; Ferreira, F.; Silva, M.F.; et al. Wearable UV Meter–An EPS@ISEP 2017 Project. In Teaching and Learning in a Digital World. ICL 2017. Advances in Intelligent Systems and Computing; Auer, M., Guralnick, D., Simonics, I., Eds.; Springer: Cham, Switzerland, 2018; Volume 715. [Google Scholar] [CrossRef]
- Gugliermetti, L. Real-time UV erythemal personal exposure monitoring in outdoor workplaces. In Proceedings of the IEEE International Conference on Environment and Electrical Engineering, Genova, Italy, 10–14 June 2019. [Google Scholar]
- Hamamatsu Inc. UV Power meterC9536/H9535 SERIES. 2021. Available online: https://www.hamamatsu.com/resources/pdf/etd/C9536_H9535_TPT1017E.pdf (accessed on 10 June 2021).
- Ching-Hua, C.; Jia-Jun, Z.; Chang-Han, W.; Yu-Chia, C. Constant Optical Power Operation of an Ultraviolet LED Controlled by a Smartphone. Sensors 2021, 21, 4707. [Google Scholar] [CrossRef]
- Hsu, T.C.; Teng, Y.T.; Yeh, Y.W.; Fan, X.; Chu, K.H.; Lin, S.H.; Yeh, K.K.; Lee, P.T.; Lin, Y.; Chen, Z.; et al. Perspectives on UVC LED: Its Progress and Application. Photonics 2021, 8, 196. [Google Scholar] [CrossRef]
- Chen, C.-H.; Zhang, J.-I.; Wang, C.-H. Output Power Monitoring of Ultraviolet Light-Emitting Diode via Sapphire Substrate. Photonics 2020, 7, 63. [Google Scholar] [CrossRef]
- Nagasawa, Y.; Hirano, A. A Review of AlGaN-Based Deep-Ultraviolet Light-Emitting Diodes on Sapphire. Appl. Sci. 2018, 8, 1264. [Google Scholar] [CrossRef] [Green Version]
- Dutz, S.; Wojahn, S.; Gräfe, C. Influence of Sterilization and Preservation Procedures on the Integrity of Serum Protein-Coated Magnetic Nanoparticles. Nanomaterials 2017, 7, 453. [Google Scholar] [CrossRef] [PubMed] [Green Version]
- Amza, C.G.; Zapciu, A.; Baciu, F. Aging of 3D Printed Polymers under Sterilizing UV-C Radiation. Polymers 2021, 13, 4467. [Google Scholar] [CrossRef] [PubMed]
- Şala, D.E.; Dalveren, Y.; Kara, A. Design and Optimization of Piezoelectric-Powered Portable UV-LED Water Disinfection System. Appl. Sci. 2021, 11, 3007. [Google Scholar] [CrossRef]
- 6257 Xenon Arc Lamp. Available online: newport.com (accessed on 20 May 2021).














| Photodetector | Purpose | Reference | UV Spectrum (nm) | Peak Wavelength for Responsivity (nm) | Responsivity (A/W) |
|---|---|---|---|---|---|
| SD008-2151-112 | UV-A | D1 | 220–370 | 350 | 0.18 |
| SD008-2161-112 | UV-B | D2 | 240–320 | 300 | 0.1 |
| SD008-2171-112 | UV-C | D3 | 220–280 | 270 | 0.06 |
| GUVA-S12SD | General UV | IC1 | 240–370 | 360 | 0.14 |
| # | UV LED | Peak Wavelength, λp (nm) | Radiant Flux (mW) | IF Current (mA) | Spectrum Half-Width, Δλ (nm) | Radiant Angle 2 θ1/2 (deg) |
|---|---|---|---|---|---|---|
| 1 | CUD7QF1A | 275 | 2 | 20 | 11 | 125 |
| 2 | PB2D-UCLA-KB | 309 | 3.3 | 20 | 12 | 120 |
| 3 | ATS2012UV365 | 365 | 13 | 20 | 10 | 150 |
| 4 | LTPL-C034UVH365 | 365 | 720 | 500 | 10 | 130 |
| 5 | VLMU1610-365-135 | 367 | 23 | 20 | 8 | 130 |
| 6 | VAOL-5GUV8T4 | 385 | * | 20 | 40 | 30 |
| 7 | UV5TZ-395-30 | 395 | 40 | 15 | 35 | 30 |
| LED # | 1 | 2 | 3 | 4 | 5 | 6 | 7 |
|---|---|---|---|---|---|---|---|
| Resistance (Ω) | 68 | 68 | 68 | 4.5 | 68 | 68 | 68 |
| Current (mA) | 18 | 18 | 18 | 277 | 18 | 18 | 18 |
| LED # | 1 | 2 | 3 | 4 | 5 | 6 | 7 |
|---|---|---|---|---|---|---|---|
| Irradiance (mW) | 0.15 | 0.25 | 0.99 | 30 | 1.75 | 0 | 3 |
Publisher’s Note: MDPI stays neutral with regard to jurisdictional claims in published maps and institutional affiliations. |
© 2022 by the authors. Licensee MDPI, Basel, Switzerland. This article is an open access article distributed under the terms and conditions of the Creative Commons Attribution (CC BY) license (https://creativecommons.org/licenses/by/4.0/).
Share and Cite
Kovács, R.J.; Kovács, J.-Z.; Szolga, L.A. Device for Identifying the UV Emission Spectrum. Sensors 2022, 22, 4852. https://doi.org/10.3390/s22134852
Kovács RJ, Kovács J-Z, Szolga LA. Device for Identifying the UV Emission Spectrum. Sensors. 2022; 22(13):4852. https://doi.org/10.3390/s22134852
Chicago/Turabian StyleKovács, Robert Jenő, Jenő-Zoltán Kovács, and Lorant Andras Szolga. 2022. "Device for Identifying the UV Emission Spectrum" Sensors 22, no. 13: 4852. https://doi.org/10.3390/s22134852
APA StyleKovács, R. J., Kovács, J.-Z., & Szolga, L. A. (2022). Device for Identifying the UV Emission Spectrum. Sensors, 22(13), 4852. https://doi.org/10.3390/s22134852
