Enhancing Wire-Rope Damage Signals Based on a Radial Magnetic Concentrator Bridge Circuit
Abstract
:1. Introduction
2. Magnetic Field Modeling and Analysis
3. Mathematical Model and Simulation Model
4. Design of Wire-Rope Detector
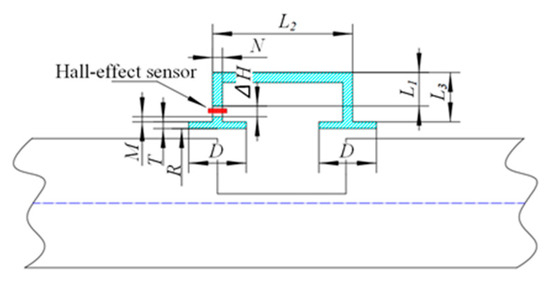
4.1. Circuit Design of Sensor
4.2. Mounting of FPC Boards
5. Experiments
5.1. Experimental Setting
- Wire rope and the axis of the flawed detector overlap.We selected 7 × 6 × 19 FS wire ropes prefabricated with external damage with a fixed number of broken wire roots, a starting value of the length of the broken wire of 3 mm, and regular production damage with a length gain of 2 mm. The detailed parameters for the damage to the prefabricated wire rope are shown in Figure 18. To reduce the influence of adjacent damage, it is recommended that the axial distance between the prefabricated damage (300 mm) is greater than the length of the flaw detector (270 mm). Figure 19 shows the experiment associated with the installation of the magnetic concentrator in which the implementation of the long- and the short-neck magnetic concentrator is shown. The sensor with the concentrator removed is used to detect damage (conventional detection method). Figure 20 clearly illustrates the detector composition for the conventional detection method. The FPC board was wound in the gap of the three-dimensional printed liner, and the end of the FPC board was welded with an external circuit quick plug to realize the power input and the output of the signal outside the detector.
- Axis deviation of wire rope and flaw detector.The tilt experiment was performed using the magnetic concentrator method and the conventional detection method, where the magnetic concentrator method used the structure in Figure 19 and the conventional detection method was the device in Figure 20. This part of the experiment was conducted on the non-destructive testing platform of the wire rope. By lifting the wheel shaft of the experimental platform, the inclination angle of the wire rope relative to the flaw detector was adjusted. As shown in Figure 21, the red-dotted line shows the horizontal position of the bearing seat, the yellow-dotted line shows the horizontal position of the wheel shaft, the blue-dotted line shows the adjustment height of the wheel shaft, the double-dotted yellow line shows the horizontal position of the wire rope, and the rough yellow solid line shows the inclined angle of the wire rope after adjustment. A closed-loop wire rope wound on the detection platform was selected, and the damage with 19 broken wires and 10 mm broken wires were produced at an interval of 30 mm. Taking the running direction V of the wire rope as the positive direction of the X-axis, the wire rope was set to deflect by an angle θ in the positive direction of the X-axis. On the detection platform, the vertical position of the wheel disc was changed by adjusting the wheel shaft ∆G, so as to realize the change of the wire-rope inclination. In this case, θ was in the range of 0.5–3.0°, and the change angle increment was 0.5°.
5.2. Data Analysis
6. Conclusions
- To solve the influence of wire-rope inclination on damage magnetic field leakage, this study proposed a radial magnetic concentration method of the wire rope based on the magnetic circuit law. To construct a radial magnetic concentrator bridge, a magnetic circuit was established inside the flaw detector, and a sensor based on radial magnetic concentration was designed. The research contents of this study mainly include:
- The analysis of installation methods of Hall-effect sensors in typical MFL detection arrangements, and the comparison of the characteristics of different installation methods. According to the damage detection method and principle of radial installation, the radial detection was selected as the best strategy for the construction of magnetic concentrator bridges;
- The inclined vibration type of the wire rope in the flawed detector case was clarified, and the two-dimensional magnetic dipole model was established at the damage point to determine the basic variation law of MFL;
- The establishment of a radial magnetic concentrator bridge, an analysis of the effect of magnetic concentrator size and air-gap distance on the leakage field, and the selection of a suitable structure size to make the efficiency optimal;
- The horizontal and tilt detection experiments of wire rope based on a radial magnetic concentrator bridge were designed. The horizontal experiment adopted seven types of wire-rope damage assessments and the tilt experiment adopted a single type of damage. The control variable method of different tilt angles was used for evaluation;
- Compared with the experimental results of the two groups, it was shown that the radial magnetic concentrator can be used to obtain more disrupted line signals. From the horizontal experimental results, the peak value of the radial magnetic concentrator for different lengths of damage increased by 46%, and the waveform area increased by 145%. The magnetic concentrator had an efficient magnetic effect on the axial length change in the horizontal test experiment. According to the tilt test results, the peak value of the radial magnetic concentrator can be increased by 130% and the waveform area can be increased by 177%. In the tilt test, the magnetic concentrator not only polymerized the leakage magnetic field of the damage but also stabilized the leakage magnetic field of the damage.
Author Contributions
Funding
Acknowledgments
Conflicts of Interest
References
- Kim, J.-W.; Park, S. Magnetic Flux Leakage Sensing and Artificial Neural Network Pattern Recognition-Based Automated Damage Detection and Quantification for Wire Rope Non-Destructive Evaluation. Sensors 2018, 18, 109. [Google Scholar] [CrossRef] [Green Version]
- Ravan, M.; Amineh, R.K.; Koziel, S.; Nikolova, N.K.; Reilly, J.P. Sizing of 3-D Arbitrary Defects Using Magnetic Flux Leakage Measurements. IEEE Trans. Magn. 2010, 46, 1024–1033. [Google Scholar] [CrossRef]
- Park, S.; Kim, J.W.; Lee, C.; Lee, J.J. Magnetic Flux Leakage Sensing-Based Steel Cable NDE Technique. Shock. Vib. 2014, 2014, 929341. [Google Scholar] [CrossRef] [Green Version]
- Kim, H.M.; Heo, C.G.; Cho, S.H.; Park, G.S. Determination Scheme for Accurate Defect Depth in Underground Pipeline Inspection by Using Magnetic Flux Leakage Sensors. IEEE Trans. Magn. 2018, 54, 1–5. [Google Scholar] [CrossRef]
- Sanchis, R.; Cardona, S.; Martinez, J. Determination of the Vertical Vibration of a Ballasted Railway Track to Be Used in the Experimental Detection of Wheel Flats in Metropolitan Railways. J. Vib. Acoust. Trans. ASME 2019, 141, 16. [Google Scholar] [CrossRef]
- Pan, S.M.; Zhang, D.L.; Zhang, E.C. Analysis of the Eccentric Problem of Wire Rope Magnetic Flux Leakage Testing. In Proceedings of the IEEE 3rd Information Technology, Networking, Electronic and Automation Control Conference (ITNEC), Chengdu, China, 15–17 March 2019; pp. 1597–1601. [Google Scholar]
- Kaczmarczyk, S.; Ostachowicz, W. Transient vibration phenomena in deep mine hoisting cables. Part 1: Mathematical model. J. Sound Vibr. 2003, 262, 219–244. [Google Scholar] [CrossRef]
- Hua, G.; Wang, H.Y.; Chen, F.J.; Lu, Y.H.; Xu, Z.; Tian, J.; Zhou, B.B. Improving SNR of MFL Signal in Flaw Detection of Coal Mine Wire Ropes. In Proceedings of the 2nd International Congress on Image and Signal Processing, Tianjin, China, 17–19 October 2009; pp. 4674–4679. [Google Scholar]
- Zhang, Y.Q.; Jing, L.Y.; Xu, W.X.; Zhan, W.X.; Tan, J.W. A Sensor for Broken Wire Detection of Steel Wire Ropes Based on the Magnetic Concentrating Principle. Sensors 2019, 19, 14. [Google Scholar] [CrossRef] [PubMed] [Green Version]
- Chang, Y.; Jiao, J.P.; Li, G.H.; Liu, X.C.; He, C.F.; Wu, B. Effects of excitation system on the performance of magnetic-flux-leakage-type non-destructive testing. Sens. Actuators A Phys. 2017, 268, 201–212. [Google Scholar] [CrossRef]
- Liu, S.W.; Sun, Y.H.; Ma, W.J.; Xie, F.; Jiang, X.Y.; He, L.S.; Kang, Y.H. A New Signal Processing Method Based on Notch Filtering and Wavelet Denoising in Wire Rope Inspection. J. Nondestruct. Eval. 2019, 38, 14. [Google Scholar] [CrossRef]
- Zhao, M.; Zhang, D.; Zhou, Z. The research on quantitative inspection technology to wire rope defect based on Hall sensor array. Nondestruct. Test. 2012, 34, 57–60. [Google Scholar]
- Wu, B.; Wang, Y.J.; Liu, X.C.; He, C.F. A novel TMR-based MFL sensor for steel wire rope inspection using the orthogonal test method. Smart Mater. Struct. 2015, 24, 12. [Google Scholar] [CrossRef]
- Gu, Y.; Zhang, D.L.; Zhang, X.F.; Zhou, Z.C. A Modified Full Bridge Converter with Magnetic Integration Technique. In Proceedings of the 46th Annual Conference of the IEEE-Industrial-Electronics-Society (IECON), Singapore, 19–21 October 2020; pp. 1171–1174. [Google Scholar]
- Wang, H.Y.; Tian, J.; Li, X.W.; Lv, X. Inspection of Mine Wire Rope Using Magnetic Aggregation Bridge Based on Magnetic Resistance Sensor Array. IEEE Trans. Instrum. Meas. 2020, 69, 7437–7448. [Google Scholar] [CrossRef]
- Yan, X.L.; Zhang, D.L.; Wang, H.P. Increasing Detection Resolution of Wire Rope Metallic Cross-Sectional Area Damage Based on Magnetic Aggregation Structure. IEEE Trans. Instrum. Meas. 2020, 69, 4487–4495. [Google Scholar] [CrossRef]
- Zhang, D.L.; Zhang, E.C.; Pan, S.M.; Yan, X.L.; Gao, W. Fast Quantitative Method to Detect the Cross-Sectional Loss of Wire Rope Defects. IEEE Trans. Instrum. Meas. 2021, 70, 11. [Google Scholar] [CrossRef]
- Tian, J.; Zhao, C.Y.; Wang, W.; Sun, G.G. Detection Technology of Mine Wire Rope Based on Radial Magnetic Vector with Flexible Printed Circuit. IEEE Trans. Instrum. Meas. 2021, 70, 10. [Google Scholar] [CrossRef]
- Wu, J.B.; Sun, Y.H.; Kang, Y.H.; Yang, Y. Theoretical Analyses of MFL Signal Affected by Discontinuity Orientation and Sensor-Scanning Direction. IEEE Trans. Magn. 2015, 51, 7. [Google Scholar] [CrossRef]
- Zhao, Y.; Baharuddin, M.H.; Smartt, C.; Zhao, X.; Yan, L.P.; Liu, C.J.; Thomas, D.W.P. Measurement of Near-Field Electromagnetic Emissions and Characterization Based on Equivalent Dipole Model in Time-Domain. IEEE Trans. Electromagn. Compat. 2020, 62, 1237–1246. [Google Scholar] [CrossRef]
- Dutta, S.M.; Ghorbel, F.H.; Stanley, R.K. Dipole Modeling of Magnetic Flux Leakage. IEEE Trans. Magn. 2009, 45, 1959–1965. [Google Scholar] [CrossRef]
- Hosseingholizadeh, S.; Filleter, T.; Sinclair, A.N. Evaluation of a Magnetic Dipole Model in a DC Magnetic Flux Leakage System. IEEE Trans. Magn. 2019, 55, 7. [Google Scholar] [CrossRef]
- Wu, D.H.; Liu, Z.T.; Wang, X.H.; Su, L.X. Mechanism analysis of influence of surface-breaking orientation on magnetic leakage field distribution. Acta Phys. Sin. 2017, 66, 11. [Google Scholar] [CrossRef]























| Broken Distance | 15 mm | 13 mm | 11 mm | 9 mm | 7 mm | 5 mm | 3 mm | |
|---|---|---|---|---|---|---|---|---|
| Orthodox Method | Peak (mV) | 335 | 273 | 246 | 263 | 177 | 140 | 168 |
| Valley (mV) | −327 | −304 | −366 | −185 | −224 | −159 | −55 | |
| Peak-to-peak (mV) | 662 | 577 | 612 | 448 | 401 | 299 | 223 | |
| Peak-area (mV * ms) | 8690 | 1389 | 1307 | 4095 | 1853 | 2059 | 1679 | |
| Valley-area (mV * ms) | −9569 | −5404 | −4167 | −2707 | −2611 | −1810 | −914 | |
| Waveform (mV * ms) | 18,259 | 6793 | 5474 | 6802 | 4464 | 3869 | 2593 | |
| Magnetic Concentrator | Peak (mV) | 532 | 450 | 446 | 318 | 178 | 193 | 163 |
| Valley (mV) | −609 | −612 | −408 | −304 | −345 | −213 | −109 | |
| Peak-to-peak (mV) | 1141 | 1062 | 854 | 622 | 523 | 406 | 272 | |
| Peak-area (mV * ms) | 15,772 | 14,668 | 13,731 | 3166 | 429 | 1029 | 2762 | |
| Valley-area (mV * ms) | −25,916 | −27,009 | −6820 | −5373 | −3357 | −1875 | −2795 | |
| Waveform (mV * ms) | 41,688 | 41,677 | 20,551 | 8539 | 3786 | 2904 | 5557 |
| Bevel Angle | 0.5° | 1.0° | 1.5° | 2.0° | 2.5° | 3.0° | |
|---|---|---|---|---|---|---|---|
| Orthodox Method | Peak (mV) | 358 | 205 | 332 | 232 | 248 | 192 |
| Valley (mV) | −317 | −431 | −264 | −316 | −216 | −276 | |
| Peak-to-peak (mV) | 675 | 636 | 596 | 548 | 464 | 468 | |
| Peak-area (mV * ms) | 1442 | 1415 | 2068 | 1010 | 930 | 990 | |
| Valley-area (mV * ms) | −1511 | −1500 | −1274 | −1397 | −1590 | −996 | |
| Waveform (mV * ms) | 2953 | 2915 | 3342 | 2407 | 2520 | 1986 | |
| Magnetic Concentrator | Peak (mV) | 607 | 648 | 614 | 658 | 577 | 633 |
| Valley (mV) | −707 | −644 | −695 | −629 | −700 | −567 | |
| Peak-to-peak (mV) | 1314 | 1292 | 1309 | 1287 | 1277 | 1200 | |
| Peak-area (mV * ms) | 3025 | 4075 | 3055 | 5777 | 3227 | 4374 | |
| Valley-area (mV * ms) | −4186 | −2548 | −4338 | −2874 | −3140 | −2728 | |
| Waveform (mV * ms) | 7211 | 6623 | 7393 | 8651 | 6367 | 7102 |
| Predictable Pattern | Average Value | Proportion | SNR of Conventional Method/dB | SNR of Magnetic Concentration Method/dB |
|---|---|---|---|---|
| Level detection of wire rope | Peak-to-peak (mV) | 46.14% | 14.60 | 21.89 |
| Waveform (mV * ms) | 145.28% | |||
| Tilt detection of wire rope | Peak-to-peak (mV) | 130.65% | 17.40 | 25.12 |
| Waveform (mV * ms) | 177.05% |
Publisher’s Note: MDPI stays neutral with regard to jurisdictional claims in published maps and institutional affiliations. |
© 2022 by the authors. Licensee MDPI, Basel, Switzerland. This article is an open access article distributed under the terms and conditions of the Creative Commons Attribution (CC BY) license (https://creativecommons.org/licenses/by/4.0/).
Share and Cite
Tian, J.; Wang, W.; Wang, H.; Bai, Q.; Zhou, Z.; Li, P. Enhancing Wire-Rope Damage Signals Based on a Radial Magnetic Concentrator Bridge Circuit. Sensors 2022, 22, 3654. https://doi.org/10.3390/s22103654
Tian J, Wang W, Wang H, Bai Q, Zhou Z, Li P. Enhancing Wire-Rope Damage Signals Based on a Radial Magnetic Concentrator Bridge Circuit. Sensors. 2022; 22(10):3654. https://doi.org/10.3390/s22103654
Chicago/Turabian StyleTian, Jie, Wei Wang, Hongyao Wang, Qiang Bai, Zeyang Zhou, and Pengbo Li. 2022. "Enhancing Wire-Rope Damage Signals Based on a Radial Magnetic Concentrator Bridge Circuit" Sensors 22, no. 10: 3654. https://doi.org/10.3390/s22103654
APA StyleTian, J., Wang, W., Wang, H., Bai, Q., Zhou, Z., & Li, P. (2022). Enhancing Wire-Rope Damage Signals Based on a Radial Magnetic Concentrator Bridge Circuit. Sensors, 22(10), 3654. https://doi.org/10.3390/s22103654

