Low Complexity System on Chip Design to Acquire Signals from MOS Gas Sensor Applications
Abstract
:1. Introduction
2. Specifications, Materials and Test
2.1. Input Signal
2.2. Board DE1-SoC from Terasic
2.3. Test
2.3.1. Initial Test Using Simulink
2.3.2. Final Test
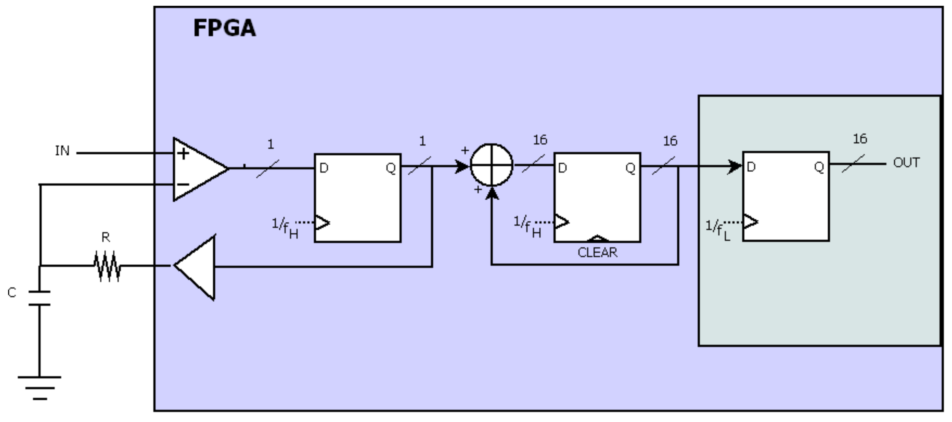
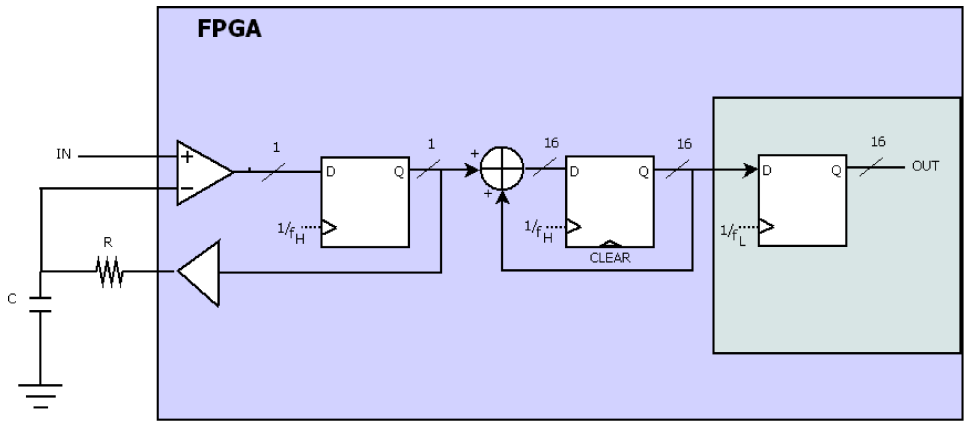
3. Implementation
3.1. ADC
3.1.1. Filter RC
3.1.2. LVDS
3.1.3. 1-bit DAC
3.1.4. Input/Output Intel FPGA Intellectual Property
3.2. Application to Visualize the Captured Signal
3.2.1. Configuration of Board DE1-SoC to Use SoC
- A Pre-loader or secondary U-boot loading program generated with bsp-editor tool. The U-boot loads three files from the first FAT partition of the SD.
- The Device Tree Blob or device tree, which tells the Kernel the hardware that is connected. Some details need to be input manually by editing the tcl files and removing duplicates from the dts file before generating the dtb file.
- The Raw Binary File or bit stream to configure the FPGA system. This file is generated by the convert programming files tool (Quartus).
- Linux kernel or system kernel downloaded from ©Terasic.
- Linux Root File system or file system and folders to mount the Linux. Fortunately, the ©Terasic website offers an image of the SD with a system of examples that can be used as a starting point.
- FPGA Clock Signal from a board of 50 MHz.
- Clock signal from a pll component (fH).
- ADC component designed in this paper.
- Additional input component to connect the ADC component with the bus.
- HPS component, interrupt capturer component and VGA controller component, which can all be obtained from the example given by ©Terasic.
3.2.2. Program Design
4. Results
4.1. Simulation Results
4.2. Implementation Results
4.2.1. Gain and Offset
4.2.2. Effective Number of Bits (ENOB and SFDR)
4.2.3. Transfer Function
4.2.4. Frequency Sweep
5. Discussion
6. Conclusions
Author Contributions
Funding
Data Availability Statement
Conflicts of Interest
References
- Sanaeifar, A.; Mohtasebi, S.S.; Ghasemi-Varnamkhasti, M.; Ahmadi, H. Application of MOS based electronic nose for the prediction of banana quality properties. Meas. J. Int. Meas. Confed. 2016, 82, 105–114. [Google Scholar] [CrossRef]
- Singh, H.; Bhaskerraj, V.; Kumar, J.; Mittal, U.; Mishra, M.D.; Nimal, F.; Cupane, A.T.; De, M.; Qi, I.; Feng, P. Food Industry Production. IEEE Sens. J. 2016, 16, 1–5. [Google Scholar]
- Schiffman, S.S.; Wyrick, D.W.; Nagle, H.T. Effectiveness of an electronic nose for monitoring bacterial and fungal growth. In Proceedings of the 7th International Symposium on Olfaction and Electronic Noses, Brighton, UK, 20–24 July 2000; pp. 1–8. [Google Scholar]
- Meixner, H.; Lampe, U. Metal oxide sensors. Sens. Actuators B Chem. 1996, 33, 198–202. [Google Scholar] [CrossRef]
- Watson, J.; Yates, R.A. Solid-State Gas Sensor. Electron. Eng. 1985, 5, 47–57. [Google Scholar]
- Batzill, M.; Diebold, U. The surface and materials science of tin oxide. Prog. Surf. Sci. 2005, 79, 47–154. [Google Scholar] [CrossRef]
- Filipiak, W.; Mochalski, P.; Filipiak, A.; Ager, C.; Cumeras, R.; EDavis, C.; Agapiou, A.; Unterkofler, K.; Troppmair, J. A Compendium of Volatile Organic Compounds (VOCs) Released By Human Cell Lines. Curr. Med. Chem. 2016, 23, 2112–2131. [Google Scholar] [CrossRef] [PubMed] [Green Version]
- Wilson, A.D. Application of Electronic-Nose Technologies and VOC-Biomarkers for the Noninvasive Early Diagnosis of Gastrointestinal Diseases. Sensors 2018, 18, 2613. [Google Scholar] [CrossRef] [PubMed] [Green Version]
- Vernia, F.; Valvano, M.; Fabiani, S.; Stefanelli, G.; Longo, S.; Viscido, A.; Latella, G. Are Volatile Organic Compounds Accurate Markers in the Assessment of Colorectal Cancer and Inflammatory Bowel Diseases? A Review. Cancers 2021, 13, 2361. [Google Scholar] [CrossRef] [PubMed]
- Nagle, H.T.; Schiffman, S.S.; Gutierrez-Osuna, R. How and why of electronic noses. IEEE Spectr. 1998, 35, 22–31. [Google Scholar] [CrossRef]
- Yan, J.; Guo, X.; Duan, S.; Jia, P.; Wang, L.; Peng, C.; Zhang, S. Electronic Nose Feature Extraction Methods: A Review. Sensors 2015, 15, 27804–27831. [Google Scholar] [CrossRef] [PubMed]
- Wilson, A.D. Advances in electronic-nose technologies for the detection of volatile biomarker metabolites in the human breath. Metabolites 2015, 5, 140–163. [Google Scholar] [CrossRef] [PubMed]
- Rusinek, R.; Gancarz, M.; Nawrocka, A. Application of an electronic nose with novel method for generation of smellprints for testing the suitability for consumption of wheat bread during 4-day storage. Lwt 2019, 117, 108665. [Google Scholar] [CrossRef]
- Fine, G.F.; Cavanagh, L.M.; Afonja, A.; Binions, R. Metal Oxide Semi-Conductor Gas Sensors in Environmental Monitoring. Sensors 2010, 10, 5469–5502. [Google Scholar] [CrossRef] [PubMed] [Green Version]
- Yang, D.; Gopal, R.A.; Lkhagvaa, T.; Choi, D. Metal-oxide gas sensors for exhaled-breath analysis: A review. Meas. Sci. Technol. 2021, 32, 102004. [Google Scholar] [CrossRef]
- Scott, S.M.; James, D.; Ali, Z. Data analysis for electronic nose systems. Microchim. Acta 2006, 156, 183–207. [Google Scholar] [CrossRef]
- Markom, M.; Shakaff, A.M.; Adom, A.; Ahmad, M.; Hidayat, W.; Abdullah, A.; Fikri, N.A. Intelligent electronic nose system for basal stem rot disease detection. Comput. Electron. Agric. 2009, 66, 140–146. [Google Scholar] [CrossRef]
- Lozano, J.; Santos, J.; Horrillo, M. Classification of white wine aromas with an electronic nose. Talanta 2005, 67, 610–616. [Google Scholar] [CrossRef] [PubMed]
- Lattice Semiconductor. Leveraging FPGA and CPLD Digital Logic to Implement Analog-to-Digital Converters. In A Lattice Semiconductor White Paper February. 2010. Available online: https://www.embedded.com/leveraging-fpga-and-cpld-digital-logic-to-implement-analog-to-digital-converters/ (accessed on 26 September 2021).
- Sousa, F.; Mauer, V.; Duarte, N.; Jasinski, R.P.; Pedroni, V.A. Taking advantage of LVDS input buffers to implement sigma-delta A/D converters in FPGAS. In Proceedings of the 2004 IEEE International Symposium on Circuits and Systems (IEEE Cat. No. 04CH37512), Vancouver, BC, Canada, 23–26 May 2004; Volume 1, pp. 3–6. [Google Scholar]
- Terasic. DE1-SoC. 2019. Available online: https://www.terasic.com.tw/cgi-bin/page/archive.pl?Language=English&CategoryNo=205&No=836 (accessed on 10 February 2021).
- Cupane, M. Application of MOOSY32 eNose to Assess the Effects of Some Post Harvest Treatments on the Quality of ‘Salustiana’ Orange Juice. J. Biosens. Bioelectron. 2015, 6, 4–7. [Google Scholar]





















| FPGA Device |
|---|
| Cyclone V SoC 5CSEMA5F31C6 Device Dual-core ARM Cortex-A9 (HPS) 85 k Programmable Logic Elements 4450kbits embedded memory 6 Fractional PLLs 2 Hard Memory Controllers Fclk max 50 MHz |
| f | fL | N (Bits) | fH (Hz) | R (Ω) | C (F) | ENOB (Bits) |
|---|---|---|---|---|---|---|
| 35.5 mHz | 100 Hz | 16 | 6,553,600 | 10.61 × 103 | 150 × 10−9 | 14.75 |
| Type and Bits | Resources (Device) | 4-Input LUTs | Application | |
|---|---|---|---|---|
| [19] | 8-bit SAR | 135 LUTs (Lattice XP2-17) | 135 | Low frequency |
| [19] | 10-bit sigma delta | 1000 LUTs (Lattice XP2-17) + 2 sysDSP blocks | 1000 | High frequency |
| [20] | 12-bit sigma delta | 700 LE (Stratix EP1S25) | 700 | High frequency |
| Our proposal | 11-bit sigma delta | 172 ALMs (Cyclone V) | 344 | Low frequency |
Publisher’s Note: MDPI stays neutral with regard to jurisdictional claims in published maps and institutional affiliations. |
© 2021 by the authors. Licensee MDPI, Basel, Switzerland. This article is an open access article distributed under the terms and conditions of the Creative Commons Attribution (CC BY) license (https://creativecommons.org/licenses/by/4.0/).
Share and Cite
Talens, J.B.; Pelegri-Sebastia, J.; Canet, M.J. Low Complexity System on Chip Design to Acquire Signals from MOS Gas Sensor Applications. Sensors 2021, 21, 6552. https://doi.org/10.3390/s21196552
Talens JB, Pelegri-Sebastia J, Canet MJ. Low Complexity System on Chip Design to Acquire Signals from MOS Gas Sensor Applications. Sensors. 2021; 21(19):6552. https://doi.org/10.3390/s21196552
Chicago/Turabian StyleTalens, Juan B., Jose Pelegri-Sebastia, and Maria Jose Canet. 2021. "Low Complexity System on Chip Design to Acquire Signals from MOS Gas Sensor Applications" Sensors 21, no. 19: 6552. https://doi.org/10.3390/s21196552
APA StyleTalens, J. B., Pelegri-Sebastia, J., & Canet, M. J. (2021). Low Complexity System on Chip Design to Acquire Signals from MOS Gas Sensor Applications. Sensors, 21(19), 6552. https://doi.org/10.3390/s21196552

