A Novel Dentary Bone Conduction Device Equipped with Laser Communication in DSP
Abstract
1. Introduction
Our Contribution
2. Materials and Methods
2.1. Laser Audio Transmitter and Receiver
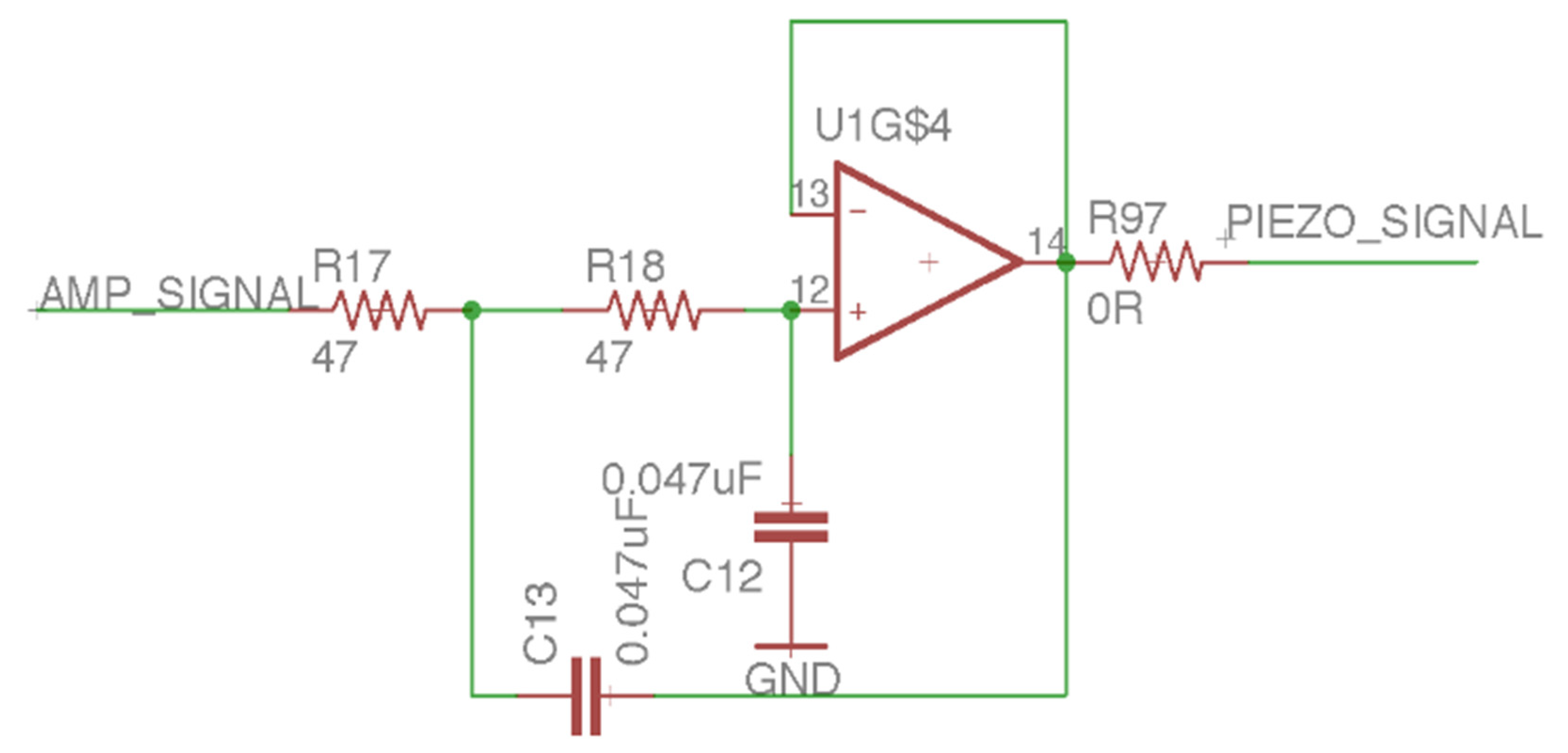
2.2. Analog Front End
2.2.1. Analog to Digital Converter (ADC)
2.2.2. Digital-to-Analog Converter (DAC)
3. DSP Algorithm Design
4. Result and Analysis
Result Analysis
5. Conclusions and Future Work
Author Contributions
Funding
Institutional Review Board Statement
Informed Consent Statement
Data Availability Statement
Conflicts of Interest
References
- Toyoshima, M.; Takayama, Y. Space-based laser communication systems and future trends. In Proceedings of the Quantum Electronics and Laser Science Conference, San Jose, CA, USA, 6–11 May 2012. [Google Scholar]
- Anthony, A.A.; Basavaiah, J.; Patil, C.M. An Approach to End-to-End Audio Transmission Using Laser Communication. Wirel. Pers. Commun. 2021, 118, 1439–1451. [Google Scholar] [CrossRef]
- Padayattil, G.M.; Poly, D.; Paulson, P.K.; Thomas, M.; Joseph, J. Highly efficient free space laser communication. Int. J. Adv. Res. Electr. Electron. Instrum. Eng. 2015, 4, 2037–2044. [Google Scholar]
- Caplan, D.O. Laser communication transmitter and receiver design. J. Opt. Fiber Commun. Rep. 2007, 4, 225–362. [Google Scholar] [CrossRef]
- Mudry, A.; Tjellström, A. Historical background of bone conduction hearing devices and bone conduction hearing aids. In Implantable Bone Conduction Hearing Aids; Karger Publishers: Basel, Switzerland, 2011; Volume 71, pp. 1–9. [Google Scholar]
- Bento, R.F.; Kiesewetter, A.; Ikari, L.S.; Brito, R. Bone-anchored hearing aid (BAHA): Indications, functional results, and comparison with reconstructive surgery of the ear. Int. Arch. Otorhinolaryngol. 2012, 16, 400–405. [Google Scholar]
- Sprinzl, G.M.; Wolf-Magele, A. The Bonebridge Bone Conduction Hearing Implant: Indication criteria, surgery and a systematic review of the literature. Clin. Otolaryngol. 2016, 41, 131–143. [Google Scholar] [CrossRef] [PubMed]
- Reinfeldt, S.; Håkansson, B.; Taghavi, H.; Eeg-Olofsson, M. New developments in bone-conduction hearing implants: A review. Med. Devices Evid. Res. 2015, 8, 79–93. [Google Scholar] [CrossRef]
- Murray, M.; Popelka, G.R.; Miller, R. Efficacy and safety of an in-the-mouth bone conduction device for single-sided deafness. Otol. Neurotol. 2011, 32, 437–443. [Google Scholar] [CrossRef]
- Stenfelt, S.; Goode, R.L. Transmission properties of bone conducted sound: Measurements in cadaver heads. J. Acoust. Soc. Am. 2005, 118, 2373–2391. [Google Scholar] [CrossRef] [PubMed]
- Dobrev, I.; Sim, J.H.; Stenfelt, S.; Ihrle, S.; Gerig, R.; Pfiffner, F.; Röösli, C. Sound wave propagation on the human skull surface with bone conduction stimulation. Hear. Res. 2017, 355, 1–13. [Google Scholar] [CrossRef] [PubMed]
- Perng, J.W.; Hsieh, T.L. An electromagnetic lock actuated by a mobile phone equipped with a self-made laser pointer. Electronics 2019, 8, 1524. [Google Scholar] [CrossRef]
- Chordekar, S.; Kriksunov, L.; Kishon-Rabin, L.; Adelman, C.; Sohmer, H. Mutual cancellation between tones presented by air conduction, by bone conduction and by non-osseous (soft tissue) bone conduction. Hear. Res. 2012, 283, 180–184. [Google Scholar] [CrossRef] [PubMed]
- Verma, R.K.; Mishra, M. Recent Development of Bone-Conductive Microphone in DSP. Int. J. Sci. Res. Manag. 2014, 2, 1469–1477. [Google Scholar]
- Srinivas, V.; Agarwal, R.; Shinde, S.; Kulkarni, N.S. Transmission of audio, DTMF and serial data using laser. Int. Res. J. Eng. Technol. 2017, 4, 3361–3364. [Google Scholar]
- Kim, S.C.; Lim, S.C. Transferring data from smartwatch to smartphone through mechanical wave propagation. Sensors 2019, 15, 21394. [Google Scholar] [CrossRef] [PubMed]
- Diodes Incorporated. PAM8403 Datasheet. 2021. Available online: https://www.mouser.com/datasheet/2/115/PAM8403-247318.pdf (accessed on 10 February 2021).
- White, R.M. Surface elastic-wave propagation and amplification. IEEE Trans. Electron Devices 1967, 14, 181–189. [Google Scholar] [CrossRef]
- STMicroelectronics. STM32F4-Discovery Kit User Manuals. 2021. Available online: https://www.st.com/resource/en/user_manual/dm00039084-discovery-kit-with-stm32f407vg-mcu-stmicroelectronics.pdf (accessed on 4 February 2021).
- STMicroelectronics. ADC Accuracy in STM32 Microcontrollers. 2021. Available online: https://www.st.com/resource/en/application_note/cd00211314-how-to-get-the-best-adc-accuracy-in-stm32-microcontrollers-stmicroelectronics.pdf (accessed on 4 February 2021).
- STMicroelectronics. DAC Performance of STM32 Microcontrollers. 2021. Available online: https://www.st.com/resource/en/application_note/dm00129215-extending-the-dac-performance-of-stm32-microcontrollers-stmicroelectronics.pdf (accessed on 4 February 2021).
- Zahoor, S.; Naseem, S. Design and implementation of an efficient FIR digital filter. Cogent Eng. 2017, 4, 1323373. [Google Scholar] [CrossRef]
- Traunmüller, H.; Eriksson, A. The Frequency Range of the Voice Fundamental in the Speech of Male and Female Adults. 1995; Unpublished manuscript. [Google Scholar]
- Sanchez, K.; Oates, J.; Dacakis, G.; Holmberg, E.B. Speech and voice range profiles of adults with untrained normal voices: Methodological implications. Logop. Phoniatr. Vocol. 2014, 39, 62–71. [Google Scholar] [CrossRef] [PubMed]
- Punskaya, E. Design of FIR Filters; Signal Processing and Communications Laboratory of the Department of Engineering of the University of Cambridge: Cambridge, UK, 2009. [Google Scholar]
- Kolawole, E.S.; Ali, W.H.; Cofie, P.; Fuller, J.; Tolliver, C.; Obiomon, P. Design and Implementation of low-pass, high-pass and band-pass finite impulse response (FIR) filters using FPGA. Circuits Syst. 2015, 6, 30. [Google Scholar] [CrossRef][Green Version]
- Kominek, J.; Black, A.W. The CMU Arctic speech databases. In Proceedings of the Fifth ISCA Workshop on Speech Synthesis, Pittsburgh, PA, USA, 14–16 June 2004. [Google Scholar]


















| Laser | RF | |
|---|---|---|
| Radio frequency interference | No | Yes |
| Transport security | High (cannot be sniffed) | Low (can be sniffed) |
| The computational complexity of signal processing algorithms | Simple (digital filter) | Complex (decoding algorithms, arithmetic coding, error-correcting code, FFT, digital filter) |
| Cost of analog front end | Low (transimpedance amplifier, gain amplifier) | High (low-noise amplifier, voltage-controlled oscillator, mixer) |
| Dentary Bone Conduction | Other Bone Conduction | |
|---|---|---|
| Voice signal attenuation by soft tissue | No | Yes |
| Cocktail party effect | No | Yes (background noise coupled to the microphone) |
| Robust | Yes | No (head-mounted displacement caused by movement) |
Publisher’s Note: MDPI stays neutral with regard to jurisdictional claims in published maps and institutional affiliations. |
© 2021 by the authors. Licensee MDPI, Basel, Switzerland. This article is an open access article distributed under the terms and conditions of the Creative Commons Attribution (CC BY) license (https://creativecommons.org/licenses/by/4.0/).
Share and Cite
Perng, J.-W.; Hsieh, T.-L.; Guo, C.-Y. A Novel Dentary Bone Conduction Device Equipped with Laser Communication in DSP. Sensors 2021, 21, 4229. https://doi.org/10.3390/s21124229
Perng J-W, Hsieh T-L, Guo C-Y. A Novel Dentary Bone Conduction Device Equipped with Laser Communication in DSP. Sensors. 2021; 21(12):4229. https://doi.org/10.3390/s21124229
Chicago/Turabian StylePerng, Jau-Woei, Tung-Li Hsieh, and Cheng-Yan Guo. 2021. "A Novel Dentary Bone Conduction Device Equipped with Laser Communication in DSP" Sensors 21, no. 12: 4229. https://doi.org/10.3390/s21124229
APA StylePerng, J.-W., Hsieh, T.-L., & Guo, C.-Y. (2021). A Novel Dentary Bone Conduction Device Equipped with Laser Communication in DSP. Sensors, 21(12), 4229. https://doi.org/10.3390/s21124229

