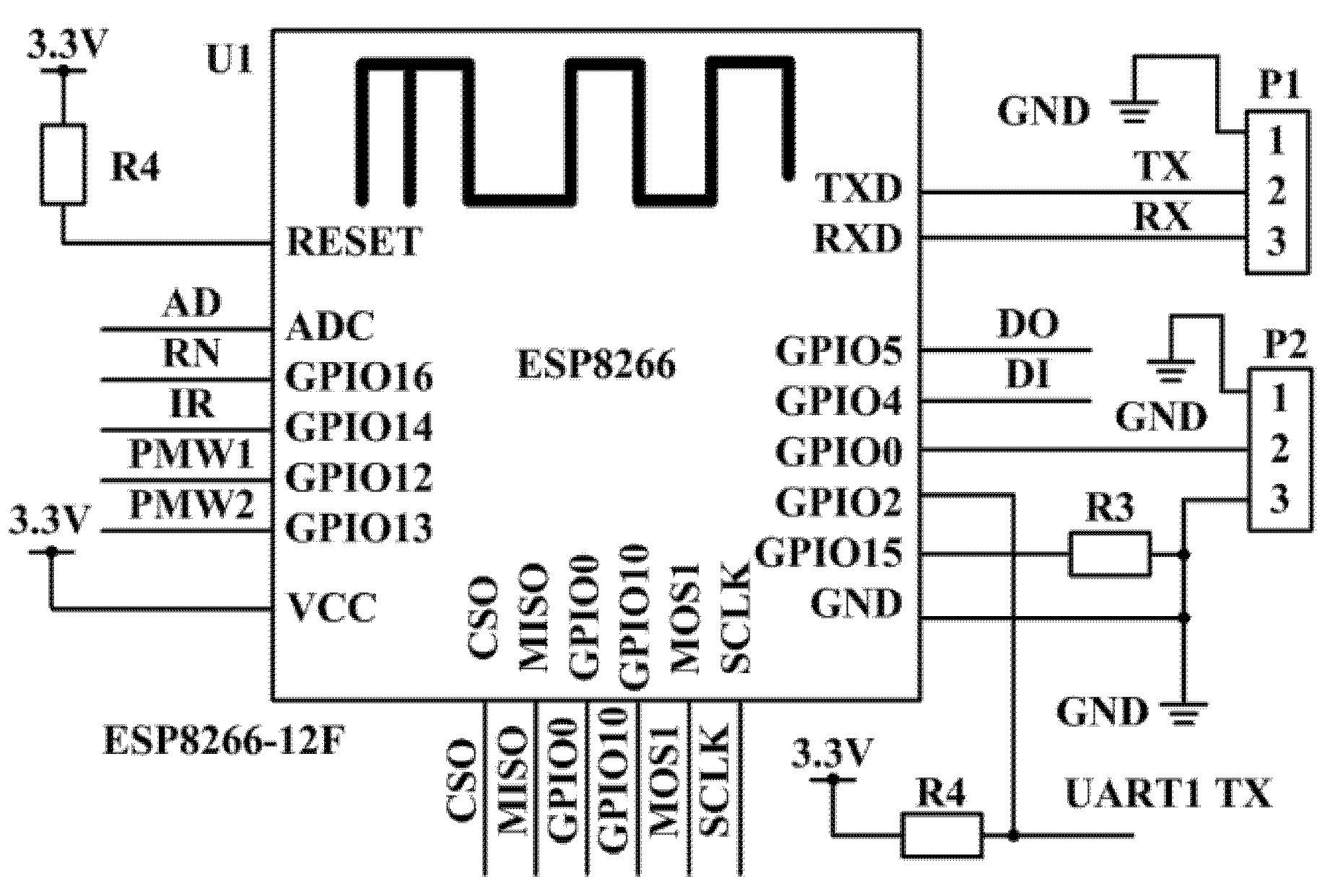
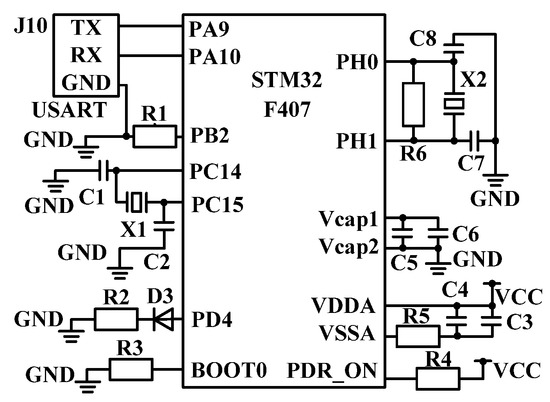
Renovation of Automation System Based on Industrial Internet of Things: A Case Study of a Sewage Treatment Plant
Zhu, W.; Wang, Z.; Zhang, Z. Renovation of Automation System Based on Industrial Internet of Things: A Case Study of a Sewage Treatment Plant. Sensors 2020, 20, 2175. https://doi.org/10.3390/s20082175
Zhu W, Wang Z, Zhang Z. Renovation of Automation System Based on Industrial Internet of Things: A Case Study of a Sewage Treatment Plant. Sensors. 2020; 20(8):2175. https://doi.org/10.3390/s20082175
Chicago/Turabian StyleZhu, Wanhao, Zhidong Wang, and Zifan Zhang. 2020. "Renovation of Automation System Based on Industrial Internet of Things: A Case Study of a Sewage Treatment Plant" Sensors 20, no. 8: 2175. https://doi.org/10.3390/s20082175

