Flexible Sensor Array Based on Transient Earth Voltage for Online Partial Discharge Monitoring of Cable Termination
Abstract
1. Introduction
2. Detection Principle and Design of TEV Sensor
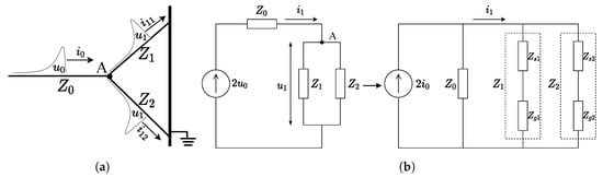
2.1. Propagation Model of PD in Cable Termination
2.2. PD Source Model
2.3. TEV Sensor on a Cable Termination
3. Response Characteristics of the TEV Sensor
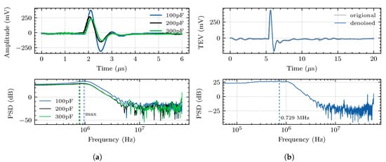
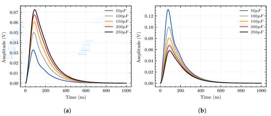
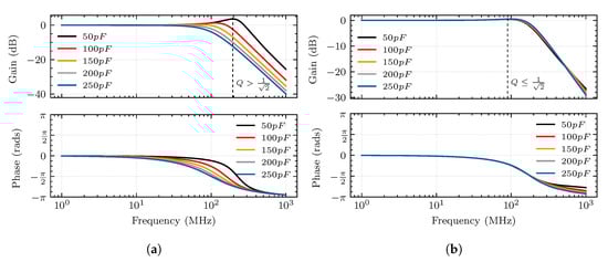
3.1. Effect of Capacitance on Response Characteristics
3.2. Influence of Installation Position of the Sensor
3.3. Experimental Verification for the Sensor
4. OLPD Monitoring System Based on Flexible TEV Sensor Array
5. Conclusions
- The TEV method is proposed to detect the PD of the cable termination, and the EM wave propagation model of the cable termination was established for the TEV sensor design.
- A flexible TEV sensor array is presented to adapt to the curved surface of cable termination and obtain the largest coupling area. Each sensing element is designed as a dual-capacitance structure to reduce the sensitivity degradation problem caused by the sensor installation process and achieve higher and more stable detection sensitivity.
- An OLPD monitoring system based on the flexible TEV sensor array is established. It is composed of the perception layer, the application layer, and the presentation layer.
Author Contributions
Funding
Conflicts of Interest
References
- Eigner, A.; Rethmeier, K. An overview on the current status of partial discharge measurements on AC high voltage cable accessories. IEEE Electr. Insul. Mag. 2016, 32, 48–55. [Google Scholar] [CrossRef]
- Gulski, E.; Smit, J.J.; Wester, F.J. PD knowledge rules for insulation condition assessment of distribution power cables. IEEE Trans. Dielectr. Electr. Insul. 2005, 12, 223–239. [Google Scholar] [CrossRef]
- Mousavi Gargari, S.; Wouters, P.A.A.F.; van der Wielen, P.C.J.M.; Steennis, E.F. Partial discharge parameters to evaluate the insulation condition of on-line located defects in medium voltage cable networks. IEEE Trans. Dielectr. Electr. Insul. 2011, 18, 868–877. [Google Scholar] [CrossRef]
- Sikorski, W.; Walczak, K.; Gil, W.; Szymczak, C. On-Line Partial Discharge Monitoring System for Power Transformers Based on the Simultaneous Detection of High Frequency, Ultra-High Frequency, and Acoustic Emission Signals. Energies 2020, 13, 3271. [Google Scholar] [CrossRef]
- Wagenaars, P. Integration of Online Partial Discharge Monitoring and Defect Location in Medium-Voltage Cable Networks. Ph.D. Thesis, Eindhoven University of Technology, Eindhoven, The Netherlands, 2010. [Google Scholar] [CrossRef]
- Wu, M.; Cao, H.; Cao, J.; Nguyen, H.; Gomes, J.B.; Krishnaswamy, S.P. An overview of state-of-the-art partial discharge analysis techniques for condition monitoring. IEEE Electr. Insul. Mag. 2015, 31, 22–35. [Google Scholar] [CrossRef]
- IEC. IEC 60270:2000/AMD1:2015, High-Voltage Test Techniques—Partial Discharge Measurements; IEC: Geneva, Switzerland, 2015. [Google Scholar]
- Wu, J.; Rodrigo Mor, A.; van Nes, P.V.M.; Smit, J.J. Measuring method for partial discharges in a high voltage cable system subjected to impulse and superimposed voltage under laboratory conditions. Int. J. Electr. Power Energy Syst. 2020, 115, 105489–105501. [Google Scholar] [CrossRef]
- Tian, Y.; Lewin, P.L.; Davies, A.E.; Sutton, S.J.; Swingler, S.G. Partial discharge detection in cables using VHF capacitive couplers. IEEE Trans. Dielectr. Electr. Insul. 2003, 10, 343–353. [Google Scholar] [CrossRef]
- Beura, C.P.; Beltle, M.; Tenbohlen, S. Study of the Influence of Winding and Sensor Design on Ultra-High Frequency Partial Discharge Signals in Power Transformers. Sensors 2020, 20, 5113. [Google Scholar] [CrossRef]
- Judd, M.D.; Yang, L.; Hunter, I.B.B. Partial discharge monitoring of power transformers using UHF sensors. Part I: Sensors and signal interpretation. IEEE Electr. Insul. Mag. 2005, 21, 5–14. [Google Scholar] [CrossRef]
- Dukanac, D. Application of UHF method for partial discharge source location in power transformers. IEEE Trans. Dielectr. Electr. Insul. 2018, 25, 2266–2278. [Google Scholar] [CrossRef]
- Zhang, C.; Dong, M.; Ren, M.; Huang, W.; Zhou, J.; Gao, X.; Albarracín, R. Partial Discharge Monitoring on Metal-Enclosed Switchgear with Distributed Non-Contact Sensors. Sensors 2018, 18, 551. [Google Scholar] [CrossRef] [PubMed]
- Ren, M.; Dong, M.; Ren, Z.; Peng, H.; Qiu, A. Transient Earth Voltage Measurement in PD Detection of Artificial Defect Models in SF6. IEEE Trans. Plasma Sci. 2012, 40, 2002–2008. [Google Scholar] [CrossRef]
- Luo, G.; Zhang, D.; Tseng, K.J.; He, J. Impulsive noise reduction for transient Earth voltage-based partial discharge using Wavelet-entropy. IET Sci. Meas. Technol. 2016, 10, 69–76. [Google Scholar] [CrossRef]
- Lundgaard, L.E. Partial discharge. XIII. Acoustic partial discharge detection-fundamental considerations. IEEE Electr. Insul. Mag. 1992, 8, 25–31. [Google Scholar] [CrossRef]
- Lundgaard, L.E.; Runde, M.; Skyberg, B. Acoustic diagnosis of gas insulated substations: A theoretical and experimental basis. IEEE Trans. Power Deliv. 1990, 5, 1751–1759. [Google Scholar] [CrossRef]
- Sikorski, W. Development of Acoustic Emission Sensor Optimized for Partial Discharge Monitoring in Power Transformers. Sensors 2019, 19, 1865. [Google Scholar] [CrossRef]
- Zhu, G.; Zhou, K.; Zhao, S.; Li, Y.; Lu, L. A Novel Oscillation Wave Test System for Partial Discharge Detection in XLPE Cable Lines. IEEE Trans. Power Deliv. 2020, 35, 1678–1684. [Google Scholar] [CrossRef]
- Itose, A.; Kozako, M.; Hikita, M. Partial discharge detection and induced surface current analysis using transient earth voltage method for high voltage equipment. In Proceedings of the 2016 International Conference on Condition Monitoring and Diagnosis (CMD), Xi’an, China, 25–28 September 2016; pp. 456–460. [Google Scholar] [CrossRef]
- Wu, R.; Chang, C. The Use of Partial Discharges as an Online Monitoring System for Underground Cable Joints. IEEE Trans. Power Deliv. 2011, 26, 1585–1591. [Google Scholar] [CrossRef]
- Yoshizumi, H.; Koga, T.; Kozako, M.; Hikita, M.; Fujii, Y.; Nakamura, Y.; Cho, H. Grounding effect on transient earth voltage signal induced by partial discharge in metal box model. In Proceedings of the 2017 International Symposium on Electrical Insulating Materials (ISEIM), Toyohashi, Japan, 11–15 September 2017; Volume 2, pp. 555–558. [Google Scholar] [CrossRef]
- Davies, N.; Tian, Y.; Cheung, J.; Tang, Y.; Shiel, P. Non-intrusive partial discharge measurements of MV switchgears. In Proceedings of the 2008 International Conference on Condition Monitoring and Diagnosis, Beijing, China, 21–24 April 2008; pp. 385–388. [Google Scholar] [CrossRef]
- Veen, J.; van der Wiellen, P.C.J.M. The application of matched filters to PD detection and localization. IEEE Electr. Insul. Mag. 2003, 19, 20–26. [Google Scholar] [CrossRef]
- Rizk, F.; Trinh, G. High Voltage Engineering; CRC Press: Boca Raton, FL, USA, 2018; pp. 11–13. [Google Scholar] [CrossRef]
- Boggs, S.A.; Stone, G.C. Fundamental Limitations in the Measurement of Corona and Partial Discharge. IEEE Trans. Electr. Insul. 1982, 2, 143–150. [Google Scholar] [CrossRef]
- Tang, J.; Zhou, Q.; Tang, M.; Xie, Y. Study on mathematical model for VHF partial discharge of typical insulated defects in GIS. IEEE Trans. Dielectr. Electr. Insul. 2007, 14, 30–38. [Google Scholar] [CrossRef]
- Pommerenke, D.; Jobava, R.; Heinrich, R. Numerical simulation of partial discharge propagation in cable joints using the finite difference time domain method. IEEE Electr. Insul. Mag. 2002, 18, 6–11. [Google Scholar] [CrossRef]
- Jahangir, H.; Akbari, A.; Werle, P.; Szczechowski, J. UHF PD measurements on power transformers-advantages and limitations. IEEE Trans. Dielectr. Electr. Insul. 2017, 24, 3933–3940. [Google Scholar] [CrossRef]
- Álvarez, F.; Garnacho, F.; Ortego, J.; Sánchez-Urán, M. Application of HFCT and UHF Sensors in On-Line Partial Discharge Measurements for Insulation Diagnosis of High Voltage Equipment. Sensors 2015, 15, 7360–7387. [Google Scholar] [CrossRef] [PubMed]
- Chai, H.; Phung, B.; Mitchell, S. Application of UHF Sensors in Power System Equipment for Partial Discharge Detection: A Review. Sensors 2019, 19, 1029. [Google Scholar] [CrossRef]
- Renforth, L.A.; Giussani, R.; Mendiola, M.T.; Dodd, L. Online Partial Discharge Insulation Condition Monitoring of Complete High-Voltage Networks. IEEE Trans. Ind. Appl. 2019, 55, 1021–1029. [Google Scholar] [CrossRef]
- Stone, G.C. Partial discharge diagnostics and electrical equipment insulation condition assessment. IEEE Trans. Dielectr. Electr. Insul. 2005, 12, 891–904. [Google Scholar] [CrossRef]
- Lloyd, B.A.; Campbell, S.R.; Stone, G.C. Continuous on-line partial discharge monitoring of generator stator windings. IEEE Trans. Energy Convers. 1999, 14, 1131–1138. [Google Scholar] [CrossRef]
- Su, M.S.; Chia, C.C.; Chen, C.Y.; Chen, J.F. Classification of partial discharge events in GILBS using probabilistic neural networks and the fuzzy c-means clustering approach. Int. J. Electr. Power Energy Syst. 2014, 61, 173–179. [Google Scholar] [CrossRef]
- Krivda, A. Automated recognition of partial discharges. IEEE Trans. Dielectr. Electr. Insul. 1995, 2, 796–821. [Google Scholar] [CrossRef]
- Peng, X.; Li, J.; Wang, G.; Wu, Y.; Li, L.; Li, Z.; Ahmed Bhatti, A.; Zhou, C.; Hepburn, D.M.; Reid, A.J.; et al. Random Forest Based Optimal Feature Selection for Partial Discharge Pattern Recognition in HV Cables. IEEE Trans. Power Deliv. 2019, 34, 1715–1724. [Google Scholar] [CrossRef]
- Peng, X.; Yang, F.; Wang, G.; Wu, Y.; Li, L.; Li, Z.; Bhatti, A.A.; Zhou, C.; Hepburn, D.M.; Reid, A.J.; et al. A Convolutional Neural Network-Based Deep Learning Methodology for Recognition of Partial Discharge Patterns from High-Voltage Cables. IEEE Trans. Power Deliv. 2019, 34, 1460–1469. [Google Scholar] [CrossRef]
- Rao, X.; Zhou, K.; Li, Y.; Zhu, G.; Meng, P. A New Cross-Correlation Algorithm Based on Distance for Improving Localization Accuracy of Partial Discharge in Cables Lines. Energies 2020, 13, 4549. [Google Scholar] [CrossRef]
- Sakoda, T.; Arita, T.; Nieda, H.; Ando, K.; Otsub, M.; Honda, C. Studies of elastic waves caused by corona discharges in oil. IEEE Trans. Dielectr. Electr. Insul. 1999, 6, 825–830. [Google Scholar] [CrossRef]
- Firuzi, K.; Vakilian, M.; Phung, B.T.; Blackburn, T.R. Partial Discharges Pattern Recognition of Transformer Defect Model by LBP HOG Features. IEEE Trans. Power Deliv. 2019, 34, 542–550. [Google Scholar] [CrossRef]












Publisher’s Note: MDPI stays neutral with regard to jurisdictional claims in published maps and institutional affiliations. |
© 2020 by the authors. Licensee MDPI, Basel, Switzerland. This article is an open access article distributed under the terms and conditions of the Creative Commons Attribution (CC BY) license (http://creativecommons.org/licenses/by/4.0/).
Share and Cite
Zhao, M.; Cao, X.; Zhou, K.; Fu, Y.; Li, X.; Wan, L. Flexible Sensor Array Based on Transient Earth Voltage for Online Partial Discharge Monitoring of Cable Termination. Sensors 2020, 20, 6646. https://doi.org/10.3390/s20226646
Zhao M, Cao X, Zhou K, Fu Y, Li X, Wan L. Flexible Sensor Array Based on Transient Earth Voltage for Online Partial Discharge Monitoring of Cable Termination. Sensors. 2020; 20(22):6646. https://doi.org/10.3390/s20226646
Chicago/Turabian StyleZhao, Mingshu, Xiaoyan Cao, Kai Zhou, Yao Fu, Xutao Li, and Li Wan. 2020. "Flexible Sensor Array Based on Transient Earth Voltage for Online Partial Discharge Monitoring of Cable Termination" Sensors 20, no. 22: 6646. https://doi.org/10.3390/s20226646
APA StyleZhao, M., Cao, X., Zhou, K., Fu, Y., Li, X., & Wan, L. (2020). Flexible Sensor Array Based on Transient Earth Voltage for Online Partial Discharge Monitoring of Cable Termination. Sensors, 20(22), 6646. https://doi.org/10.3390/s20226646
