Measurement of Electrical Discharge Machining Oil Quality by Analyzing Variations in the Equivalent Relative Permittivity of the Capacitive Sensor
Abstract
1. Introduction
2. Theory
2.1. Measurement of the Dielectric Constant from the Impedance of the Capacitor
2.2. Equivalent Medium Theory Model
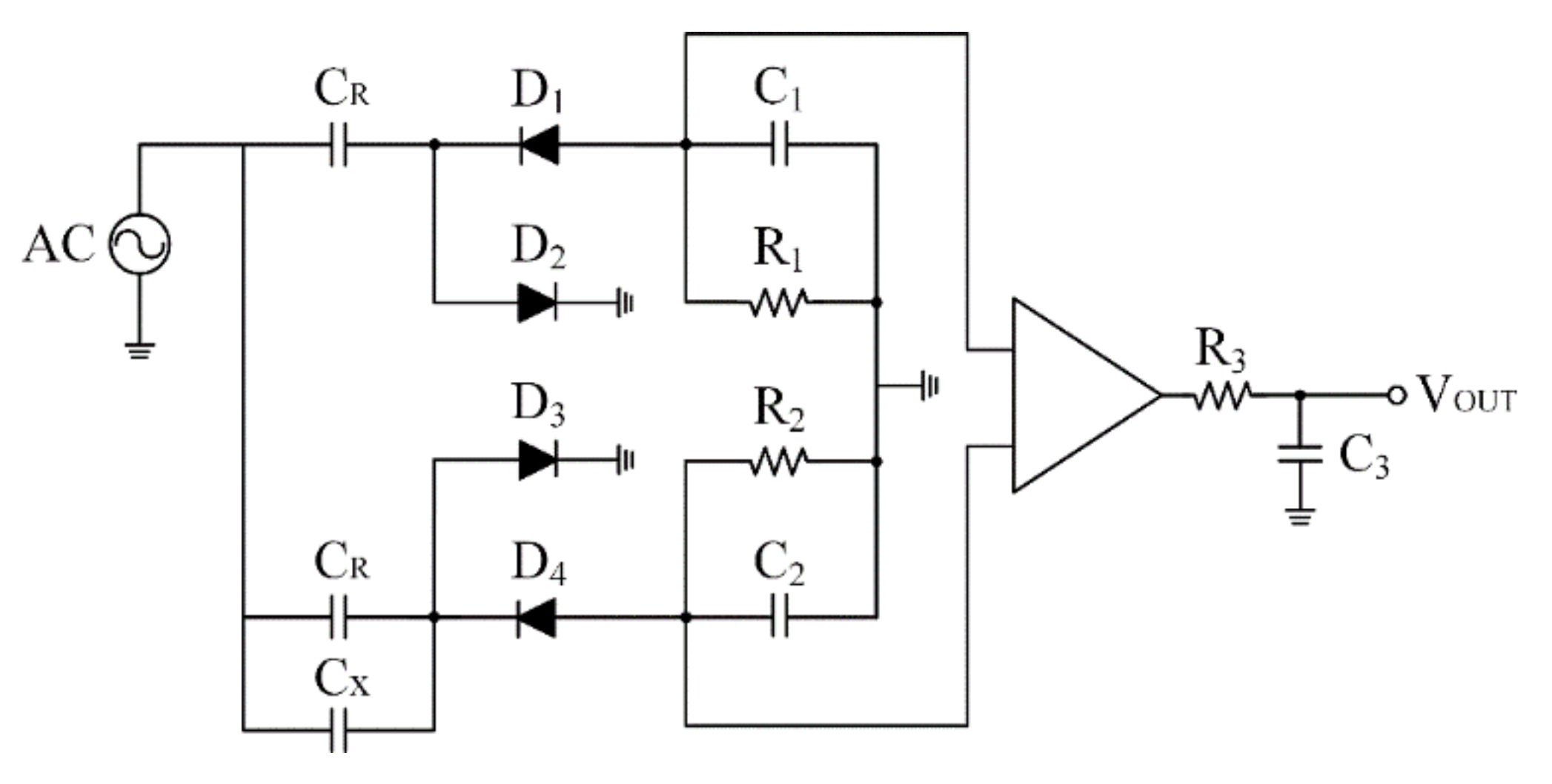
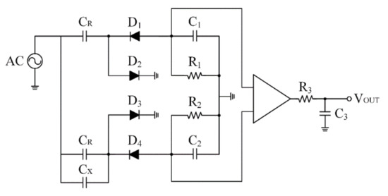
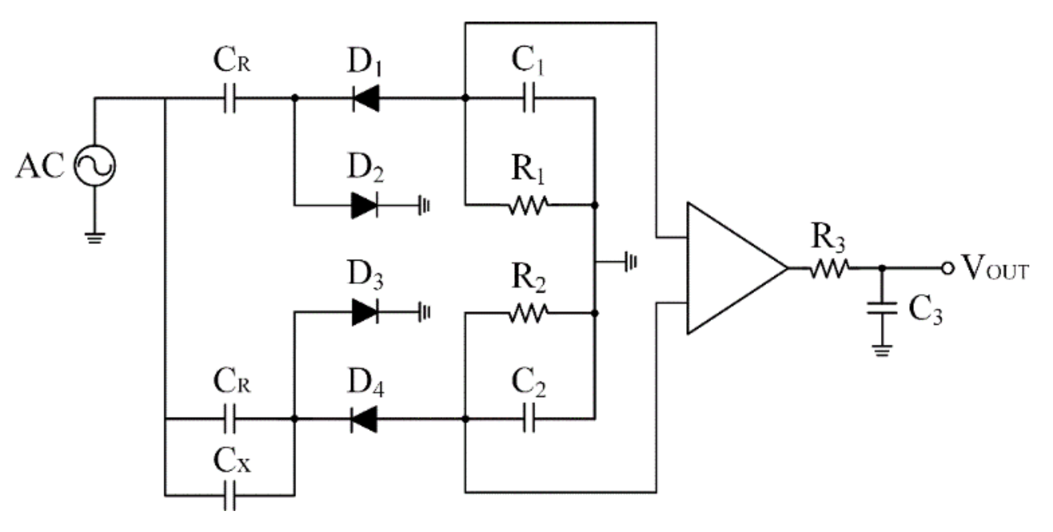
3. Transducer System
4. Experimental Setup
5. Results and Discussion
5.1. Capacitance Measurement for Carbon Black Powder
5.2. Capacitance Measurement for Iron Powder
5.3. Machining Measurements for EDM Oil
5.4. Mixed Measurement and Analysis
5.5. Prediction Results Obtained Using the EMT Model
6. Conclusions
Author Contributions
Funding
Acknowledgments
Conflicts of Interest
References
- Yih-Fong, T.; Fu-Chen, C. Investigation into some surface characteristics of electrical discharge machined SKD-11 using powder-suspension dielectric oil. J. Mater. Process. Technol. 2005, 170, 385–391. [Google Scholar] [CrossRef]
- Niamat, M.; Sarfraz, S.; Aziz, H.; Jahanzaib, M.; Shehab, E.; Wasim, A.; Hussain, S. Effect of Different Dielectrics on Material Removal Rate, Electrode Wear Rate and Microstructures in EDM. Proced. CIRP 2017, 60, 2–7. [Google Scholar] [CrossRef]
- Zhang, Y.; Liu, Y.; Shen, Y.; Ji, R.; Li, Z.; Zheng, C. Investigation on the influence of the dielectrics on the material removal characteristics of EDM. J. Mater. Process. Technol. 2014, 214, 1052–1061. [Google Scholar] [CrossRef]
- Lu, J.; Jia, R.; Zhang, Y.; Wang, L.; Guo, J. Study on Micro-pore Filter Blockage Model for Oil Contamination Level Testing under Constant Pressure. In Proceedings of the 2010 Asia-Pacific Power and Energy Engineering Conference, Chengdu, China, 28 March 2010; pp. 1–4. [Google Scholar] [CrossRef]
- Itomi, S.; Ito, H. NTN sensor units for construction machinery. NTN Tech. Rev. 2008, 76, 121–128. [Google Scholar]
- Raadnui, S.; Kleesuwan, S. Low-cost condition monitoring sensor for used oil analysis. Wear 2005, 259, 1502–1506. [Google Scholar] [CrossRef]
- Dervos, C.T.; Paraskevas, C.D.; Skafidas, P.D.; Vassiliou, P. A Complex Permittivity Based Sensor for the Electrical Characterization of High-Voltage Transformer Oils. Sensors 2005, 5, 302–316. [Google Scholar] [CrossRef]
- Nezami, M.; Wani, S.A.; Khera, N.; Sohail, S. An MIP-based novel capacitive sensor to detect 2-FAL concentration in transformer oil. IEEE Sens. 2018, 18, 7924–7931. [Google Scholar] [CrossRef]
- Shi, H.; Zhang, H.; Wang, W.; Zeng, L.; Sun, G.; Chen, H. An Integrated Inductive-Capacitive Microfluidic Sensor for Detection of Wear Debris in Hydraulic Oil. IEEE Sensors J. 2019, 19, 11583–11590. [Google Scholar] [CrossRef]
- Murali, S.; Xia, X.; Jagtiani, A.V.; Carletta, J.; Zhe, J. Capacitive Coulter counting: Detection of metal wear particles in lubricant using a microfluidic device. Smart Mater. Struct. 2009, 18, 37001. [Google Scholar] [CrossRef]
- Khaled, A.Y.; Aziz, S.A.; Rokhani, F.Z. Capacitive sensor probe to assess frying oil degradation. Inf. Process. Agric. 2015, 2, 142–148. [Google Scholar] [CrossRef]
- Kordzadeh, A.; De Zanche, N. Permittivity measurement of liquids, powders, and suspensions using a parallel-plate cell. Concepts Magn. Reson. Part B Magn. Reson. Eng. 2016, 46, 19–24. [Google Scholar] [CrossRef]
- Goual, L. Impedance Spectroscopy of Petroleum Fluids at Low Frequency. Energy Fuels 2009, 23, 2090–2094. [Google Scholar] [CrossRef]
- Risos, A. Interdigitated Sensors: The Next Generation “Sensing Permittivity and Conductivity of Oils—Unaffected by Temperature”. IEEE Sensors J. 2018, 18, 3661–3668. [Google Scholar] [CrossRef]
- Raju, G. Dielectrics in Electric Fields, 2nd ed.; Informa UK Limited: Colchester, UK, 2016. [Google Scholar]
- Shah, Z.H.; Tahir, Q.A. Dielectric Properties of Vegetable Oils. J. Sci. Res. 2011, 3, 481–492. [Google Scholar] [CrossRef]
- Dakin, T. Conduction and polarization mechanisms and trends in dielectric. IEEE Electr. Insul. Mag. 2006, 22, 11–28. [Google Scholar] [CrossRef]
- Mezeme, M.E.; El Bouazzaoui, S.; Achour, M.E.; Brosseau, C. Uncovering the intrinsic permittivity of the carbonaceous phase in carbon black filled polymers from broadband dielectric relaxation. J. Appl. Phys. 2011, 109, 074107. [Google Scholar] [CrossRef]
- El Bouazzaoui, S.; Achour, M.E.; Brosseau, C. Microwave effective permittivity of carbon black filled polymers: Comparison of mixing law and effective medium equation predictions. J. Appl. Phys. 2011, 110, 74105. [Google Scholar] [CrossRef]
- Gao, M.; Shi, Z.; Fan, R.-H.; Qian, L.; Zhang, Z.; Guo, J.-Y. High-Frequency Negative Permittivity from Fe/Al2O3 Composites with High Metal Contents. J. Am. Ceram. Soc. 2011, 95, 67–70. [Google Scholar] [CrossRef]
- Singh, V.; Kulkarni, A.R.; Mohan, T.R.R. Dielectric properties of aluminum-epoxy composites. J. Appl. Polym. Sci. 2003, 90, 3602–3608. [Google Scholar] [CrossRef]
- Achour, M.E.; El Malhi, M.; Miane, J.L.; Carmona, F.; Lahjomri, F. Microwave properties of carbon black-epoxy resin composites and their simulation by means of mixture laws. J. Appl. Polym. Sci. 1999, 73, 969–973. [Google Scholar] [CrossRef]
- Karkkainen, K.; Sihvola, A.; Nikoskinen, K. Effective permittivity of mixtures: Numerical validation by the FDTD method. IEEE Trans. Geosci. Remote Sens. 2000, 38, 1303–1308. [Google Scholar] [CrossRef]
- Sheen, J.; Hong, Z.-W.; Su, C.-W.; Chen, H.-C. Microwave Measurements of Dielectric Constants by Exponential And Logarithmic Mixture Equations. Prog. Electromagn. Res. 2010, 100, 13–26. [Google Scholar] [CrossRef]
- Long, C.M.; Nascarella, M.A.; Valberg, P.A. Carbon black vs. black carbon and other airborne materials containing elemental carbon: Physical and chemical distinctions. Environ. Pollut. 2013, 181, 271–286. [Google Scholar] [CrossRef] [PubMed]
- International Carbon Black Association (ICBA). Carbon Black User’s Guide. Available online: http://www.carbon-black.org/index.php/carbon-black-uses/carbon-black-user-s-guide (accessed on 11 August 2020).
- Murray, J.; Sun, J.; Patil, D.; Wood, T.A.; Clare, A. Physical and electrical characteristics of EDM debris. J. Mater. Process. Technol. 2016, 229, 54–60. [Google Scholar] [CrossRef]












| Fitting Coefficient | The Meaning of Fitting Coefficient | Value |
|---|---|---|
| The initial value of capacitance. | 2.429 | |
| The rising trend of capacitance for CB particles | 0.245 | |
| The rising trend of capacitance for iron particles | 0.099 |
Publisher’s Note: MDPI stays neutral with regard to jurisdictional claims in published maps and institutional affiliations. |
© 2020 by the authors. Licensee MDPI, Basel, Switzerland. This article is an open access article distributed under the terms and conditions of the Creative Commons Attribution (CC BY) license (http://creativecommons.org/licenses/by/4.0/).
Share and Cite
Chen, S.-J.; Chen, Y.-L.; Chang, Y.-J.; Chuang, D.-L.; Chen, Y.-C.; Tsui, H.-P.; Hwang, Y.-R. Measurement of Electrical Discharge Machining Oil Quality by Analyzing Variations in the Equivalent Relative Permittivity of the Capacitive Sensor. Sensors 2020, 20, 6248. https://doi.org/10.3390/s20216248
Chen S-J, Chen Y-L, Chang Y-J, Chuang D-L, Chen Y-C, Tsui H-P, Hwang Y-R. Measurement of Electrical Discharge Machining Oil Quality by Analyzing Variations in the Equivalent Relative Permittivity of the Capacitive Sensor. Sensors. 2020; 20(21):6248. https://doi.org/10.3390/s20216248
Chicago/Turabian StyleChen, Shih-Jui, Yi-Li Chen, Yu-Jui Chang, Dong-Lin Chuang, Yi-Chun Chen, Hai-Ping Tsui, and Yean-Ren Hwang. 2020. "Measurement of Electrical Discharge Machining Oil Quality by Analyzing Variations in the Equivalent Relative Permittivity of the Capacitive Sensor" Sensors 20, no. 21: 6248. https://doi.org/10.3390/s20216248
APA StyleChen, S.-J., Chen, Y.-L., Chang, Y.-J., Chuang, D.-L., Chen, Y.-C., Tsui, H.-P., & Hwang, Y.-R. (2020). Measurement of Electrical Discharge Machining Oil Quality by Analyzing Variations in the Equivalent Relative Permittivity of the Capacitive Sensor. Sensors, 20(21), 6248. https://doi.org/10.3390/s20216248

