Analysis of Various Pickup Coil Designs in Nonmodule-Type GaN Power Semiconductors
Abstract
1. Introduction
2. Design of the Current Sensor
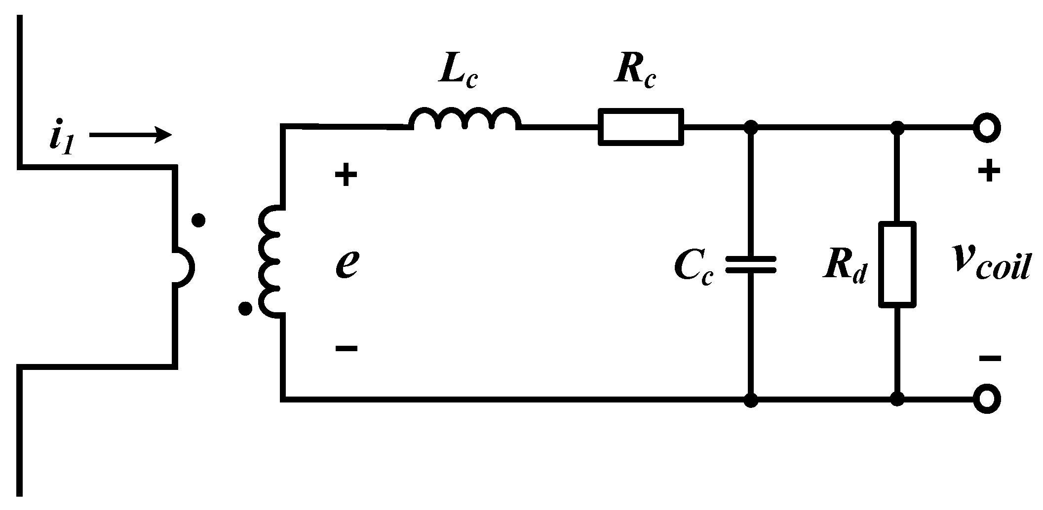
2.1. Pick-Up Coil Design
2.2. Sensor Design with Active Integration
3. Analysis of Current Sensors
3.1. Mutual Inductance
3.2. Magnetic-Field Distribution
3.3. Frequency Respnse
4. Experimental Verification
5. Conclusions
Author Contributions
Funding
Conflicts of Interest
References
- Sandler, S. Faster-Switching GaN: Presenting a number of interesting measurement challenges. IEEE Power Electron. Mag. 2015, 2, 24–31. [Google Scholar] [CrossRef]
- Jones, E.A.; Wang, F.; Ozpineci, B. Application-based review of GaN HFETs. In Proceedings of the 2014 IEEE Workshop on Wide Bandgap Power Devices and Applications, Knoxville, TN, USA, 13–15 October 2014; pp. 24–29. [Google Scholar] [CrossRef]
- Lidow, A.; De Rooij, M.; Strydom, J.; Reusch, D.; Glaser, J. GaN Transistors for Efficient Power Conversion; John Wiley & Sons: El Segundo, CA, USA, 2019. [Google Scholar] [CrossRef]
- Jones, E.A.; Wang, F.; Costinett, D.; Zhang, Z.; Guo, B.; Liu, B.; Ren, R. Characterization of an enhancement-mode 650-V GaN HFET. In Proceedings of the 2015 IEEE Energy Conversion Congress and Exposition (ECCE), Montreal, QC, Canada, 20–24 September 2015. [Google Scholar] [CrossRef]
- Li, K.; Videt, A.; Idir, N. Using current surface probe to measure the current of the fast power semiconductors. IEEE Trans. Power Electron. 2014, 30, 2911–2917. [Google Scholar] [CrossRef]
- Wang, K.; Yang, X.; Wang, L.; Jain, P. Instability analysis and oscillation suppression of enhancement-mode GaN devices in half-bridge circuits. IEEE Trans. Power Electron. 2017, 33, 1585–1596. [Google Scholar] [CrossRef]
- Johnson, C.M.; Palmer, P.R. Current measurement using compensated coaxial shunts. IEE Proc. Sci. Meas. Technol. 1994, 141, 471–480. [Google Scholar] [CrossRef]
- Ferreira, J.A.; Cronje, W.A.; Relihan, W.A. Integration of high frequency current shunts in power electronic circuits. IEEE Trans. Power Electron. 1995, 10, 32–37. [Google Scholar] [CrossRef]
- Xu, Y.; Lorenz, R.D. Design of integrated shunt current sensors for IPEMs. In Proceedings of the 2002 CPES Seminar, Blacksburg, VA, USA, 14–18 April 2002. [Google Scholar]
- Singh, R.P.; Khambadkone, A.M. Giant magneto resistive (GMR) effect based current sensing technique for low voltage/high current voltage regulator modules. IEEE Trans. Power Electron. 2008, 23, 915–925. [Google Scholar] [CrossRef]
- Schneider, P.E.; Horio, M.; Lorenz, R.D. Evaluation of point field sensing in IGBT modules for high-bandwidth current measurement. IEEE Trans. Ind. App. 2013, 49, 1430–1437. [Google Scholar] [CrossRef]
- Han, J.; Hu, J.; Ouyang, Y.; Wang, S.X.; He, J. Hysteretic modeling of output characteristics of giant magnetoresistive current sensors. IEEE Trans. Ind. Electron. 2014, 62, 516–524. [Google Scholar] [CrossRef]
- Olson, E.R.; Lorenz, R.D. Design of integrated magnetoresistive current sensors for IPEMs. In Proceedings of the 2002 CPES Seminar, Blacksburg, VA, USA, 14–18 April 2002. [Google Scholar]
- Mizuguchi, T.; Terada, S.; Miyauchi, T.; Matsuzono, A. Characteristics of NiFe/CuNi multilayer GMR sensors for vertical GMR heads. IEEE Trans. Magn. 1998, 34, 1504–1506. [Google Scholar] [CrossRef]
- Ramsden, E. Hall-Effect Sensors: Theory and Application; Newnes: Oxford, UK, 2011. [Google Scholar]
- Ziegler, S.; Woodward, R.C.; Lu, H.H.C.; Borle, L.J. Current sensing techniques: A review. IEEE Sens. J. 2009, 9, 354–376. [Google Scholar] [CrossRef]
- Ghislanzoni, L.; Carrasco, J.A. A DC current transformer for large bandwidth and high common-mode rejection. IEEE Trans. Ind. Electron. 1999, 46, 631–636. [Google Scholar] [CrossRef]
- Frounchi, J.; Demierre, M.; Randjelovic, Z.; Popovic, R. Integrated Hall sensor array microsystem. In Proceedings of the 2001 IEEE International Solid-State Circuits Conference. Digest of Technical Papers. ISSCC (Cat. No. 01CH37177), San Francisco, CA, USA, 7 February 2001; pp. 248–249. [Google Scholar] [CrossRef]
- Popovic, R.S. Hall devices for magnetic sensor microsystems. Proceedings of International Solid State Sensors and Actuators Conference (Transducers’ 97), Chicago, IL, USA, 19 June 1997; pp. 377–380. [Google Scholar] [CrossRef]
- Dalessandro, L.; Karrer, N.; Kolar, J.W. High-performance planar isolated current sensor for power electronics applications. IEEE Trans. Power Electron. 2007, 22, 1682–1692. [Google Scholar] [CrossRef]
- Poulichet, P.; Costa, F.; Labouré, É. A new high-current large-bandwidth DC active current probe for power electronics measurements. IEEE Trans. Indust. Electron. 2005, 52, 243–254. [Google Scholar] [CrossRef]
- Ma, K.W.; Lee, Y.S. Technique for sensing inductor and DC output currents of PWM DC-DC converter. IEEE Trans. Power Electron. 1994, 9, 346–354. [Google Scholar] [CrossRef]
- Round, S.; Heldwein, M.; Kolar, J.; Hofsajer, I.; Friedrichs, P. A SiC JFET driver for a 5 kW, 150 kHz three-phase PWM converter. In Proceedings of the Fourtieth IAS Annual Meeting. Conference Record of the 2005 Industry Applications Conference, Kowloon, Hong Kong, China, 2–6 October 2005; pp. 410–416. [Google Scholar] [CrossRef]
- Marracci, M.; Tellini, B.; Zappacosta, C.; Robles, G. Critical parameters for mutual inductance between Rogowski coil and primary conductor. IEEE Trans. Instrum. Meas. 2010, 60, 625–632. [Google Scholar] [CrossRef]
- Li, W.; Mao, C.; Lu, J. Study of the virtual instrumentation applied to measure pulsed heavy currents. IEEE Trans. Instrum. Meas. 2005, 54, 284–288. [Google Scholar] [CrossRef]
- Abdi-Jalebi, E.; McMahon, R. High-performance low-cost Rogowski transducers and accompanying circuitry. IEEE Trans. Instrum. Meas. 2007, 56, 753–759. [Google Scholar] [CrossRef]
- Poncelas, O.; Rosero, J.A.; Cusidó, J.; Ortega, J.A.; Romeral, L. Motor fault detection using a Rogowski sensor without an integrator. IEEE Trans. Ind. Electron. 2009, 56, 4062–4070. [Google Scholar] [CrossRef]
- Ray, W.F.; Hewson, C.R. High performance Rogowski current transducers. In Proceedings of the Conference Record of the 2000 IEEE Industry Applications Conference. Thirty-Fifth IAS Annual Meeting and World Conference on Industrial Applications of Electrical Energy (Cat. No. 00CH37129), Rome, Italy, 8–12 October 2000; pp. 3083–3090. [Google Scholar] [CrossRef]
- Richards, S.; Chatrefou, D.; Tholomier, D.; Gilles, F. Non-conventional instrument transformer solutions-experience of the process bus IEC 61850-9. In 2. In Proceedings of the IET 9th International Conference on Developments in Power Systems Protection (DPSP 2008), Glasgow, UK, 17–20 March 2008; pp. 9–13. [Google Scholar] [CrossRef]
- Samimi, M.H.; Mahari, A.; Farahnakian, M.A.; Mohseni, H. The Rogowski coil principles and applications: A review. IEEE Sens. J. 2014, 15, 651–658. [Google Scholar] [CrossRef]
- Zhang, Y.; Liu, J.; Bai, G.; Feng, J. Analysis of damping resistor’s effects on pulse response of self-integrating Rogowski coil with magnetic core. Measurement 2012, 45, 1277–1285. [Google Scholar] [CrossRef]
- Wang, J.; Shen, Z.; Burgos, R.; Boroyevich, D. Design of a high-bandwidth Rogowski current sensor for gate-drive shortcircuit protection of 1. In 7 kV SiC MOSFET power modules. In Proceedings of the 2015 IEEE 3rd Workshop on Wide Bandgap Power Devices and Applications (WiPDA), Blacksburg, VA, USA, 2–4 November 2015; pp. 104–107. [Google Scholar] [CrossRef]
- Luciano, A.M.; Savastano, M. Wide band transformer based on a split-conductor current sensor and a Rogowski coil for high current measurement. Proceedings of 1995 IEEE Instrumentation and Measurement Technology Conference-IMTC’95, Waltham, MA, USA, 23–26 April 1995; p. 454. [Google Scholar] [CrossRef]
- Qing, C.; Hong-Bin, L.; Ming-Ming, Z.; Yan-Bin, L. Design and characteristics of two Rogowski coils based on printed circuit board. IEEE Trans. Instrum. Meas. 2006, 55, 939–943. [Google Scholar] [CrossRef]
- Hewson, C.R.; Ray, W.F.; Davis, R.M. Verification of Rogowski current transducer’s ability to measure fast switching transients. In Proceedings of the Twenty-First Annual IEEE Applied Power Electronics Conference and Exposition, Dallas, TX, USA, 19–23 March 2006; p. 7. [Google Scholar] [CrossRef]
- Metwally, I.A. Self-integrating Rogowski coil for high-impulse current measurement. IEEE Trans. Instrum. Meas. 2009, 59, 353–360. [Google Scholar] [CrossRef]
- Dalessandro, L.; Odendaal, W.H.; Kolar, J.W. HF characterization and nonlinear modeling of a gapped toroidal magnetic structure. IEEE Trans. Power Electron. 2006, 21, 1167–1175. [Google Scholar] [CrossRef]
- Wang, C.; Chen, Y.; Zhang, G.; Zhou, Z. Design of printed-circuit board Rogowski coil for highly accurate current measurement. In Proceedings of the 2007 International Conference on Mechatronics and Automation, Harbin, China, 5–8 August 2007; pp. 3801–3806. [Google Scholar] [CrossRef]
- Tao, T.; Zhao, Z.; Ma, W.; Pan, Q.; Hu, A. Design of PCB Rogowski coil and analysis of anti-interference property. IEEE Trans. Electromagn. Compat. 2016, 58, 344–355. [Google Scholar] [CrossRef]
- Zhao, L.; Van Wyk, J.D.; Odendaal, W.G. Planar embedded pick-up coil sensor for power electronic modules. In Proceedings of the Nineteenth Annual IEEE Applied Power Electronics Conference and Exposition, Anaheim, CA, USA, 22–26 February 2004; pp. 945–951. [Google Scholar] [CrossRef]
- Yang, X.; Lu, J.; Wang, Z.; Tolbert, L.M.; Blalock, B.J.; Wang, F. A compact planar Rogowski coil current sensor for active current balancing of parallel-connected silicon carbide MOSFETs. In Proceedings of the 2014 IEEE Energy Conversion Congress and Exposition (ECCE), Pittsburgh, PA, USA, 14–18 September 2014; pp. 4685–4690. [Google Scholar] [CrossRef]
- Wang, K.; Yang, X.; Li, H.; Wang, L.; Jain, P. A high-bandwidth integrated current measurement for detecting switching current of fast GaN devices. IEEE Trans. Power Electron. 2017, 33, 6199–6210. [Google Scholar] [CrossRef]
- Liu, Y.; Lin, F.; Zhang, Q.; Zhong, H. Design and construction of a Rogowski coil for measuring wide pulsed current. IEEE Sens. J. 2010, 11, 123–130. [Google Scholar] [CrossRef]
- Bailley, C. GaN E-HEMT for the next era of power conversion. In Proceedings of the KIPE Conference; The Korean Institute of Power Electronics: Seoul, Korea, 2017. [Google Scholar]













| Pattern Structure | Model-1 | Model-2 | Model-3 | Model-4 |
|---|---|---|---|---|
| Skeleton | ![]() | ![]() | ![]() | ![]() |
| 3D-PCB Layout | ![]() | ![]() | ![]() | ![]() |
| coil mutual inductance (M) | 2.8 nH | 2.8 nH | 2.8 nH | 2.8 nH |
| Coil resistance (Rc) | 0.043 Ω | 0.043 Ω | 0.02 Ω | 0.019 Ω |
| Coil capacitance (Cc) | 1.32 pF | 2.1 pF | 0.45 pF | 0.46 pF |
| coil self inductance (Lc) | 50.3 nH | 43.2 nH | 26.1 nH | 21.72 nH |
| Ls/M | 17.96 | 15.44 | 9.33 | 7.76 |
| Bandwidth | 151 MHz | 180 MHz | 278 MHz | 355 MHz |
| Sensor Structure | (a) | (b) | (c) | (d) |
|---|---|---|---|---|
| Inductive Coupling Coefficient | 0.143 | 0.16 | 0.18 | 0.21 |
| Parameter | Spiral Coil | Two-Layer Rectangle Coil |
|---|---|---|
| Mutual Inductance | 2.3 nH | 3.49 nH |
| Self-Inductance | 27 nH | 21.32 nH |
| Self-Capacitance | 0.69 pF | 0.7 pF |
| Self-Resistance | 0.034 Ω | 0.034 Ω |
| Test current | ± 10 A | ± 10 A |
| Damping Resistance | 138 Ω | 120 Ω |
| Integrator Resistance | 33 Ω | 72 Ω |
| Integrator Capacitance | 470 pF | 470 pF |
Publisher’s Note: MDPI stays neutral with regard to jurisdictional claims in published maps and institutional affiliations. |
© 2020 by the authors. Licensee MDPI, Basel, Switzerland. This article is an open access article distributed under the terms and conditions of the Creative Commons Attribution (CC BY) license (http://creativecommons.org/licenses/by/4.0/).
Share and Cite
Kim, U.-J.; Kim, R.-Y. Analysis of Various Pickup Coil Designs in Nonmodule-Type GaN Power Semiconductors. Sensors 2020, 20, 6066. https://doi.org/10.3390/s20216066
Kim U-J, Kim R-Y. Analysis of Various Pickup Coil Designs in Nonmodule-Type GaN Power Semiconductors. Sensors. 2020; 20(21):6066. https://doi.org/10.3390/s20216066
Chicago/Turabian StyleKim, Ui-Jin, and Rae-Young Kim. 2020. "Analysis of Various Pickup Coil Designs in Nonmodule-Type GaN Power Semiconductors" Sensors 20, no. 21: 6066. https://doi.org/10.3390/s20216066
APA StyleKim, U.-J., & Kim, R.-Y. (2020). Analysis of Various Pickup Coil Designs in Nonmodule-Type GaN Power Semiconductors. Sensors, 20(21), 6066. https://doi.org/10.3390/s20216066









