Very High Bit Rate Near-Field Communication with Low-Interference Coils and Digital Single-Bit Sampling Transceivers for Biomedical Sensor Systems
Abstract
1. Introduction
1.1. Physical Background
1.2. Preliminary Work
1.3. Scope and Structure of This Work
- to provide electromagnetic interfaces and analog front-ends that are resilient against the parallel operation of a wireless power transfer interface and
- to present a minimalistic and mostly digital transceiver architecture that allows for implementing the NFC circuitry with a small footprint, reduced energy consumption and low bit error rate, favorably in one of today’s miniaturized low-power FPGAs with only a few additional off-the-shelf components.
2. System Concept
- Separate coils are used for data and energy transfer. Hence, the data resonators can be optimized for a low quality factor (1 to 10) to realize a high data link bandwidth in the same order of magnitude as the carrier frequency, in line with established theory on the ringout behavior of LC resonators [13,19].
- To avoid interference in the data link and detuning of the energy link, coupling of energy and data coils, even being located on the same substrate, must be avoided by suitable geometrical design of the coils. Hence, novel coil topologies are presented and analyzed.
- Selecting the operational frequency of the data interface to be lower than that of the energy link allows for extracting the data signal with simple low-pass instead of bandpass filters. Moreover, harmonics from the power transfer interface cannot fall into the communication band. In this work, near-field communication will cover the 13.56 MHz industrial scientific and medical (ISM) band, while the 40.68 MHz ISM band is utilized for wireless power transfer.
- Active signal generation is applied, i.e., both implant and reader unit feature the same transceiver unit to realize a symmetric data link with equal communication capabilities for both devices. This enables the application in closed-loop systems with high bandwidth requirements in both communication directions. Moreover, realizing a broadband communication from reader to implant increases channel availability in the given half-duplex system.
- Modulation and demodulation circuits shall be realized as purely digital circuits to enable a compact implementation. This means that the modulated carrier is generated as a rectangular wave in a digital circuit; a digital class-D output stage successively applies the signal to the analog filtering and data coil stages, which extract the modulated sinusoidal signal. In the receiver, the sinusoidal signal is converted back to a rectangular wave by a comparator stage, and is then demodulated by a purely digital circuit. While comparator-based receivers processing rectangular signals [20,21] and single-bit sampling receivers processing time-discretized samples of a rectangular signal [22] were conceived for biomedical near-field communication, the reliability of their custom demodulation stages in terms of the bit error rate is analyzed neither by simulation nor by measurement. Furthermore, their applicability is limited, as they rely on custom CMOS circuits and frequency bands not reserved for industrial, scientific, and medical (ISM) purposes. The unique contribution of this work is to analyze and evaluate a transceiver that adapts the complex and energy-intensive operations of mixing, low-pass filtering and and multi-bit quantization to the domain of single-bit sampling receivers: Low-power digital circuits discretize the analog data signal with respect to amplitude and time and demodulate the samples by applying digital operations of downconversion and filtering. The transceiver shall be implemented based on commercially available and small-scale electronic components, such as recent ultra-low-power field-programmable gate arrays, and adapted to an ISM frequency band to enhance its applicability.
3. Resonator Design
3.1. Data Coil Design
3.2. Data Coil Tuning
Design Summary
4. Analog Front-End
4.1. Receiving Amplifier
- The common-emitter amplifier provides the main fraction of the voltage gain at a high input impedance. The collector feedback resistor allows amplifier biasing with a small number of components and limited temperature drift [31].
- The emitter follower is applied to decouple the low-power common-emitter stage from the non-negligible input capacitance of the square-wave slicer. By appropriate biasing, it adds a DC offset of approx. 1 V to the RF signal, so that the requirement for a DC biasing of the LVDS comparator in the middle of the supply range is satisfied.
- The square-wave slicer is the comparator-based circuit translating the sinusoidal RF signal to a rectangular wave showing the same OOK or PSK modulation as the input signal. Here, the comparator is fed with a low-pass filtered average of the analog signal (basically representing the DC level) through the branch of and and a signal with fast transient behavior through and (parasitic input capacitance), which limit the impact of noise and interference.
4.2. Impedance Matching
4.3. Transmitter Stage
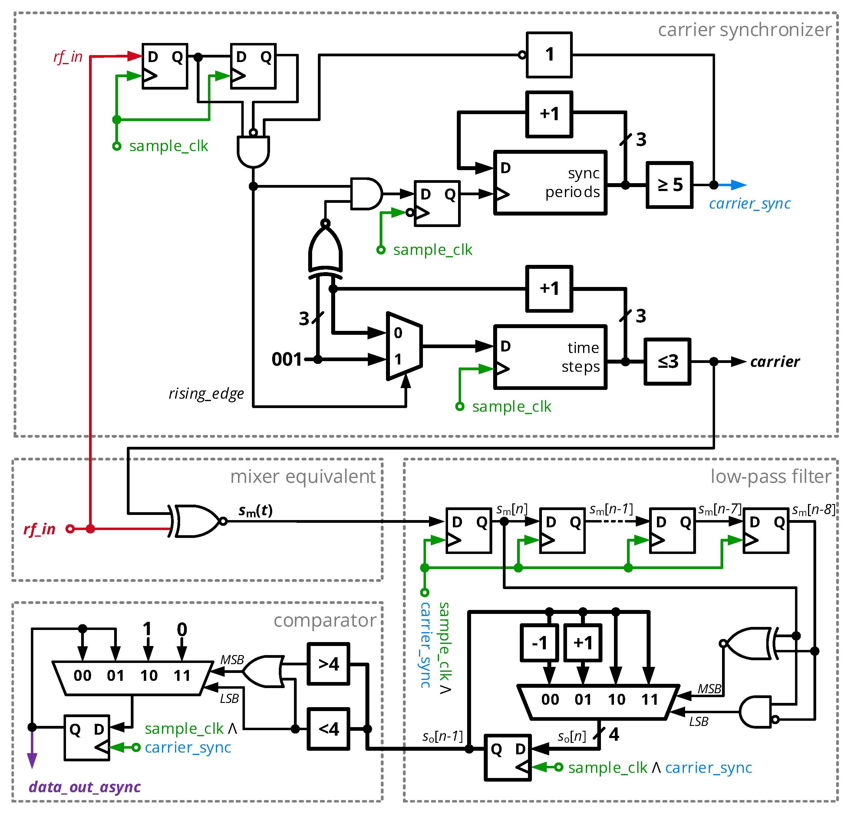
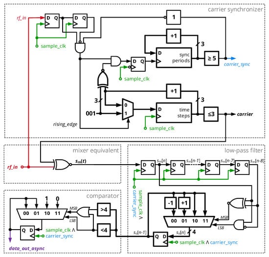
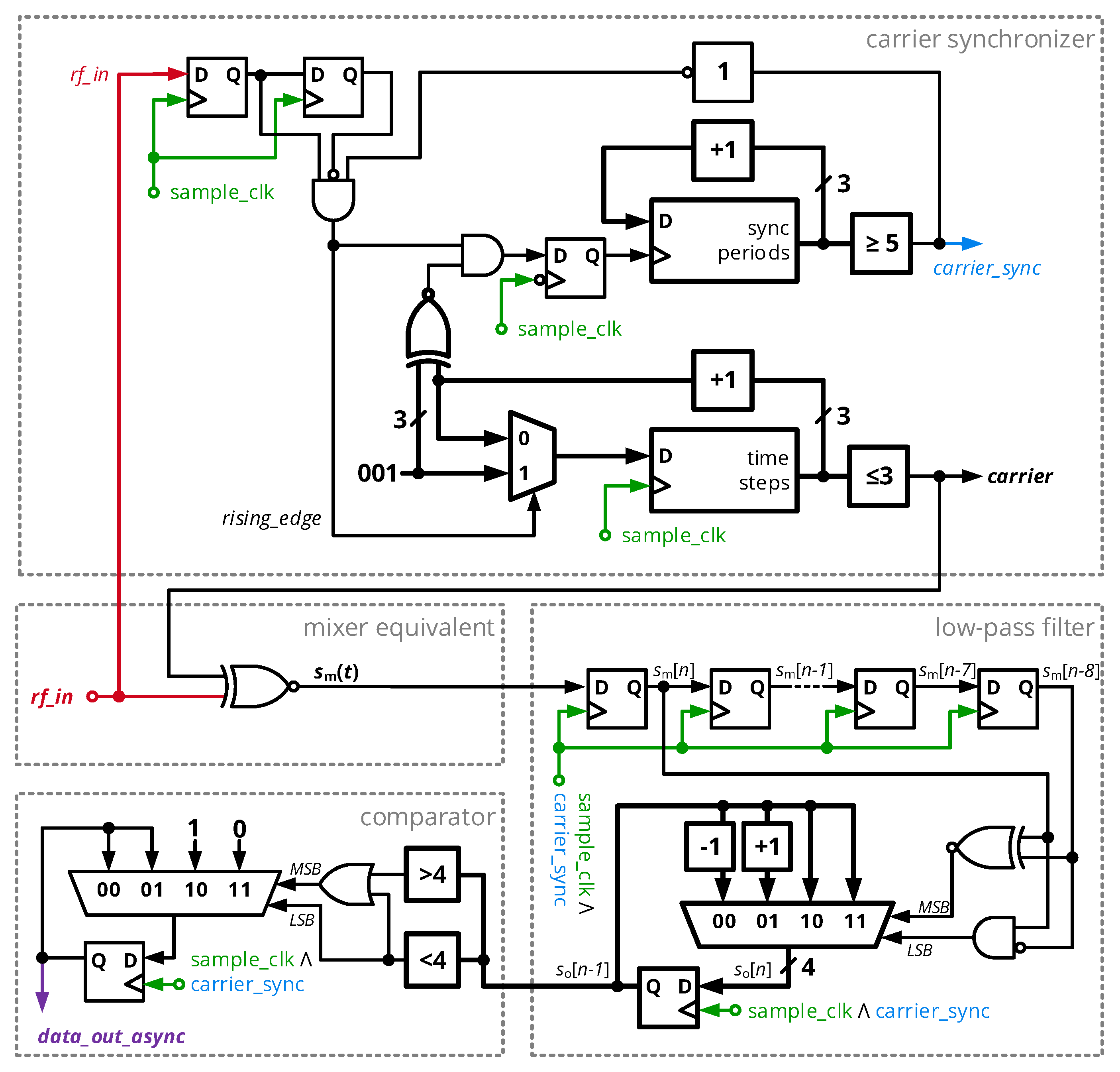
5. Digital Modulation and Demodulation Circuits
5.1. General Overview
5.2. Transmitter
5.3. Receiver
5.3.1. Overview
5.3.2. BPSK Demodulator Core
6. Bit Error Rate in Single-Bit Sampling Transceivers
7. System Realization
8. Results
8.1. Coil Parameters
8.2. Output Signals
8.3. Resources
8.4. Power Consumption
8.5. Bit Error Rate
- a smaller hysteresis increases BER for large signals as noise can rather lead to the incorrect detection of the input signals, but lowers BER for smaller amplitudes, as a smaller hysteresis allows small signals to exceed the toggling thresholds.
- the best-case bit error rate for large signal amplitudes is limited by the standard deviation of phase noise.
- the size of amplitude noise determines the BER’s behavior in the transition region according to the behavior of the signal-to-noise ratio.
8.6. Coexistence with Wireless Power Transfer
9. Discussion
10. Conclusions
Author Contributions
Funding
Conflicts of Interest
References
- Takei, K.; Honda, W.; Harada, S.; Arie, T.; Akita, S. Toward flexible and wearable human-interactive health-monitoring devices. Adv. Healthc. Mater. 2015, 4, 487–500. [Google Scholar] [CrossRef]
- Javan-Khoshkholgh, A.; Farajidavar, A. An implantable inductive near-field communication system with 64 channels for acquisition of gastrointestinal bioelectrical activity. Sensors 2019, 19, 2810. [Google Scholar] [CrossRef] [PubMed]
- Farandos, N.M.; Yetisen, A.K.; Monteiro, M.J.; Lowe, C.R.; Yun, S.H. Contact lens sensors in ocular diagnostics. Adv. Healthc. Mater. 2015, 4, 792–810. [Google Scholar] [CrossRef] [PubMed]
- Cao, Z.; Chen, P.; Ma, Z.; Li, S.; Gao, X.; Wu, R.X.; Pan, L.; Shi, Y. Near-field communication sensors. Sensors 2019, 19, 3947. [Google Scholar] [CrossRef]
- Zeng, F.G.; Rebscher, S.; Harrison, W.; Sun, X.; Feng, H. Cochlear Implants: System Design, Integration, and Evaluation. IEEE Rev. Biomed. Eng. 2008, 1, 115–142. [Google Scholar] [CrossRef] [PubMed]
- Ordonez, J.S.; Schuettler, M.; Ortmanns, M.; Stieglitz, T. A 232-channel retinal vision prosthesis with a miniaturized hermetic package. In Proceedings of the Annual International Conference of the IEEE Engineering in Medicine and Biology Society, San Diego, CA, USA, 28 August–1 September 2012; pp. 2796–2799. [Google Scholar] [CrossRef]
- Cheng, M.Y.; Damalerio, R.B.; Chen, W.; Rajkumar, R.; Dawe, G.S. Ultracompact multielectrode array for neurological monitoring. Sensors 2019, 19, 2286. [Google Scholar] [CrossRef] [PubMed]
- Mora Lopez, C.; Putzeys, J.; Raducanu, B.C.; Ballini, M.; Wang, S.; Andrei, A.; Rochus, V.; Vandebriel, R.; Severi, S.; Van Hoof, C.; et al. A Neural Probe with up to 966 Electrodes and Up to 384 Configurable Channels in 0.13 μm SOI CMOS. IEEE Trans. Biomed. Circuits Syst. 2017, 11, 510–522. [Google Scholar] [CrossRef]
- De Dorigo, D.; Moranz, C.; Graf, H.; Marx, M.; Wendler, D.; Shui, B.; Sayed Herbawi, A.; Kuhl, M.; Ruther, P.; Paul, O.; et al. Fully immersible subcortical neural probes with modular architecture and a delta-sigma ADC integrated under each electrode for parallel readout of 144 recording sites. IEEE J. Solid State Circuits 2018, 53, 3111–3125. [Google Scholar] [CrossRef]
- Kassiri, H.; Salam, M.T.; Pazhouhandeh, M.R.; Soltani, N.; Perez Velazquez, J.L.; Carlen, P.; Genov, R. Rail-to-Rail-Input Dual-Radio 64-Channel Closed-Loop Neurostimulator. IEEE J. Solid State Circuits 2017, 52, 2793–2810. [Google Scholar] [CrossRef]
- ST Microelectronics. ST25R3911B—Datasheet DS11793, 6th ed.; ST Microelectronics: Geneva, Switzerland, 2020. [Google Scholar]
- Mandal, S.; Sarpeshkar, R. Power-efficient impedance-modulation wireless data links for biomedical implants. IEEE Trans. Biomed. Circuits Syst. 2008, 2, 301–315. [Google Scholar] [CrossRef]
- Simard, G.; Sawan, M.; Massicotte, D. High-speed OQPSK and efficient power transfer through inductive link for biomedical implants. IEEE Trans. Biomed. Circuits Syst. 2010, 4, 192–200. [Google Scholar] [CrossRef] [PubMed]
- Van de Beek, R.C.H.; Ciacci, M.; Al-Kadi, G.; Kompan, P.; Stark, M. A 13.56Mbps PSK receiver for 13.56MHz RFID applications. In Proceedings of the 2012 IEEE Radio Frequency Integrated Circuits Symposium, Montreal, QC, Canada, 17–19 June 2012; pp. 239–242. [Google Scholar] [CrossRef]
- Kiani, M.; Ghovanloo, M. A 20-Mb/s pulse harmonic modulation transceiver for wideband near-field data transmission. IEEE Trans. Circuits Syst. II Express Briefs 2013, 60, 382–386. [Google Scholar] [CrossRef]
- Kiani, M.; Ghovanloo, M. A 13.56-Mbps pulse delay modulation based transceiver for simultaneous near-field data and power transmission. IEEE Trans. Biomed. Circuits Syst. 2015, 9, 1–11. [Google Scholar] [CrossRef] [PubMed]
- Jow, U.M.; Ghovanloo, M. Optimization of data coils in a multiband wireless link for neuroprosthetic implantable devices. IEEE Trans. Biomed. Circuits Syst. 2010, 4, 301–310. [Google Scholar] [CrossRef]
- Schormans, M.; Jiang, D.; Valente, V.; Demosthenous, A. Short-Range Quality-Factor Modulation (SQuirM) for Low Power High Speed Inductive Data Transfer. IEEE Trans. Circuits Syst. I Regul. Pap. 2019, 1–12. [Google Scholar] [CrossRef]
- Finkenzeller, K. RFID Handbook: Fundamentals and Applications in Contactless Smart Cards, Radio Frequency Identification and Near-Field Communication; John Wiley & Sons: Hoboken, NJ, USA, 2010. [Google Scholar]
- Nabovati, G.; Ghafar-Zadeh, E.; Awwad, F.; Sawan, M. Fully digital low-power self-calibrating BPSK demodulator for implantable biosensors. Midwest Symp. Circuits Syst. 2012, 354–357. [Google Scholar] [CrossRef]
- Ghazi, M.; Maghami, M.H.; Amiri, P.; Hamedi-Hagh, S. An Ultra-Low-Power Area-Efficient Non-Coherent Binary Phase-Shift Keying Demodulator for Implantable Biomedical Microsystems. Electronics 2020, 9, 1123. [Google Scholar] [CrossRef]
- Kim, D.; Ko, M.; Ng, D.; Choi, W.Y. A single-bit sampling demodulator for biomedical implants. Microelectron. J. 2015, 46, 669–673. [Google Scholar] [CrossRef]
- Landau, L.T.N.; Doerpinghaus, M.; de Lamare, R.C.; Fettweis, G.P. Achievable Rate With 1-Bit Quantization and Oversampling Using Continuous Phase Modulation-Based Sequences. IEEE Trans. Wirel. Commun. 2018, 17, 7080–7095. [Google Scholar] [CrossRef]
- Jow, U.M.; Ghovanloo, M. Modeling and Optimization of Printed Spiral Coils in Air, Saline, and Muscle Tissue Environments. IEEE Trans. Biomed. Circuits Syst. 2009, 3, 339–347. [Google Scholar]
- Yin, M.; Borton, D.A.; Komar, J.; Agha, N.; Lu, Y.; Li, H.; Laurens, J.; Lang, Y.; Li, Q.; Bull, C.; et al. Wireless neurosensor for full-spectrum electrophysiology recordings during free behavior. Neuron 2014, 84, 1170–1182. [Google Scholar] [CrossRef] [PubMed]
- Rozgic, D.; Hokhikyan, V.; Jiang, W.; Akita, I.; Basir-Kazeruni, S.; Chandrakumar, H.; Markovic, D. A 0.338 cm3, Artifact-Free, 64-Contact Neuromodulation Platform for Simultaneous Stimulation and Sensing. IEEE Trans. Biomed. Circuits Syst. 2019, 13, 38–55. [Google Scholar] [CrossRef] [PubMed]
- Sauter-Starace, F.; Ratel, D.; Cretallaz, C.; Foerster, M.; Lambert, A.; Gaude, C.; Costecalde, T.; Bonnet, S.; Charvet, G.; Aksenova, T.; et al. Long-Term Sheep Implantation of WIMAGINE, a Wireless 64-Channel Electrocorticogram Recorder. Front. Neurosci. 2019, 13, 847. [Google Scholar] [CrossRef] [PubMed]
- Stoecklin, S.; Yousaf, A.; Gidion, G.; Reindl, L. Efficient Wireless Power Transfer with Capacitively Segmented RF Coils. IEEE Access 2020, 8, 24397–24415. [Google Scholar] [CrossRef]
- Ruehli, A.E. Inductance Calculations in a Complex Integrated Circuit Environment. IBM J. Res. Dev. 1972, 16, 470–481. [Google Scholar] [CrossRef]
- Pozar, D. Microwave Engineering, 4th ed.; John Wiley & Sons: Hoboken, NJ, USA, 2012. [Google Scholar]
- Tietze, U.; Schenk, C.; Gamm, E. Electronic Circuits—Handbook for Design and Applications, 2nd ed.; Springer: Berlin/Heidelberg, Germany, 2008. [Google Scholar]
- Bowick, C. RF Circuit Design, 2nd ed.; Newnes: Burlington, MA, USA, 2008. [Google Scholar]
- Siafarikas, D.; Volakis, J.L. Toward Direct RF Sampling: Implications for Digital Communications. IEEE Microw. Mag. 2020, 21, 43–52. [Google Scholar] [CrossRef]
- Goldberg, B.G. Digital Frequency Synthesis Demystified; LLH Technology Publishing: Eagle Rock, VA, USA, 1999. [Google Scholar]
- Gali, S.; Wauer, E.; Nikoubin, T. Low Power and Energy Efficient Single Error Correction Code using CDM logic style for IoT devices. In Proceedings of the 2018 IEEE 13th Dallas Circuits and Systems Conference (DCAS), Dallas, TX, USA, 12 November 2018; pp. 1–5. [Google Scholar]
- NXP. NxH2281/61/65/66—Migo Fact Sheet, 2nd ed.; NXP Semiconductors Netherlands B.V.: Eindhoven, The Netherlands, 2019. [Google Scholar]

























| i | |||||||||||
|---|---|---|---|---|---|---|---|---|---|---|---|
| 3 | 15 mm | 2 mm | 10 | 1 mm | 0.3 mm | 3 | 0.16 mm | 651 nH | 17.7 | 192 | 192 pF |
| 4 | 0.55 mm | 0.6 mm | 10 | 0.3 mm | 0.15 mm | 3 | 0.14 mm | 263 nH | 7.1 | 77 | 475 pF |
| Impedance Matching | Receiving Amplifier | |||||||||||
|---|---|---|---|---|---|---|---|---|---|---|---|---|
| i | ||||||||||||
| 3 | 192 Ω | 2.5 H | 5.0 H | 4.8 H | 44 pF | 30 pF | 12 pF | 700 Ω | 20 kΩ | 5 kΩ | 100 kΩ | 10 kΩ |
| 4 | 77 Ω | 1.2 H | 2.9 H | 5.0 H | 94 pF | 44 pF | 17 pF | 700 Ω | 20 kΩ | 5 kΩ | 100 kΩ | 10 kΩ |
| Param. | ||||||
|---|---|---|---|---|---|---|
| - | - | 5 mm | 10 mm | 15 mm | 20 mm | |
| sim. | 650 nH | 260 nH | 16.4 nH | 5.46 nH | 2.0 nH | 0.81 nH |
| meas. | 680 nH | 270 nH | 15.8 nH | 5.50 nH | 2.02 nH | 0.85 nH |
| dev. | 4.6 % | 3.8 % | 3.6 % | 0.8 % | 1.0 % | 5.2 % |
| Parameter | Transmitting Mode | Receiving Mode |
|---|---|---|
| 1.2 V | 1.2 V | |
| 1400 μA | 1360 μA | |
| 1680 μW | 1630 μW | |
| 1.8 V | 1.8 V | |
| 1500 μA | 190 μA | |
| 2700 μW | 340 μW | |
| 0 V (gated) | 1.8 V | |
| 0 μA | 280 μA | |
| 0 μW | 500 μW | |
| 4380 μW | 2470 μW |
| Device/Author | Technology | Mod. | Data Rate in MBit/s | BER | in pJ/bit | Ref. | |
|---|---|---|---|---|---|---|---|
| commercial transceivers | |||||||
| ST ST25R3911B | CMOS | OOK | 13.56 | 6.78/3.34 | N/A | N/A/6620 | [11] |
| NXP NxH2281 | CMOS | OOK | 10.579 | 0.596 | N/A | 5700/5700 | [36] |
| custom transceivers in academic research | |||||||
| Mandal et al. | CMOS | LSK | 25.0 | 2.8 | 36/893 | [12] | |
| Simard et al. | CMOS | 4-PSK | 13.56 | 4.16 | N/A | [13] | |
| Kiani et al. | CMOS | PHM | 66.6 | 20.0 | 180/12.5 | [15] | |
| Kiani et al. | CMOS | PHM | 13.56 | 13.56 | 960/162 | [16] | |
| Schormans et al. | CMOS | SQuirM | 205.5 | 50.4 | 44/100 | [18] | |
| this work | discrete + FPGA | 2-PSK | 13.56 | 6.78 | 646/364 | - | |
Publisher’s Note: MDPI stays neutral with regard to jurisdictional claims in published maps and institutional affiliations. |
© 2020 by the authors. Licensee MDPI, Basel, Switzerland. This article is an open access article distributed under the terms and conditions of the Creative Commons Attribution (CC BY) license (http://creativecommons.org/licenses/by/4.0/).
Share and Cite
Stoecklin, S.; Rosch, E.; Yousaf, A.; Reindl, L. Very High Bit Rate Near-Field Communication with Low-Interference Coils and Digital Single-Bit Sampling Transceivers for Biomedical Sensor Systems. Sensors 2020, 20, 6025. https://doi.org/10.3390/s20216025
Stoecklin S, Rosch E, Yousaf A, Reindl L. Very High Bit Rate Near-Field Communication with Low-Interference Coils and Digital Single-Bit Sampling Transceivers for Biomedical Sensor Systems. Sensors. 2020; 20(21):6025. https://doi.org/10.3390/s20216025
Chicago/Turabian StyleStoecklin, Sebastian, Elias Rosch, Adnan Yousaf, and Leonhard Reindl. 2020. "Very High Bit Rate Near-Field Communication with Low-Interference Coils and Digital Single-Bit Sampling Transceivers for Biomedical Sensor Systems" Sensors 20, no. 21: 6025. https://doi.org/10.3390/s20216025
APA StyleStoecklin, S., Rosch, E., Yousaf, A., & Reindl, L. (2020). Very High Bit Rate Near-Field Communication with Low-Interference Coils and Digital Single-Bit Sampling Transceivers for Biomedical Sensor Systems. Sensors, 20(21), 6025. https://doi.org/10.3390/s20216025

