Numerical and Experimental Verification of a Multiple-Variable Spatiotemporal Regression Model for Grout Defect Identification in a Precast Structure
Abstract
1. Introduction
2. Methodology
2.1. Theory Background
2.1.1. Linear Regression Model
2.1.2. Accuracy Verification
2.1.3. Damage Indicator
2.2. Proposed Methodology
- When investigating both the non-defective and defective structures, the acceleration responses of nodes near sleeves in both structures were obtained using an accelerometer network.
- A reasonable linear regression model (SVR model, TVSR model, TVSTR model, or the proposed multiple-variable model proposed in Section 3.3.4) was adopted to analyze the obtained acceleration responses.
- The coefficient of determination (CoD) r2 or the adjusted CoD r2adj was calculated to verify the accuracy of the linear regression model.
- Every damage indicator was calculated based on the two linear regression models of the non-defective and defective states. Generally, the damage indicators of nodes near defects were larger than those of other nodes, and the locations of the defects could be identified.
3. Numerical Simulation on Grout Defect Identification in Precast Beam-Column Connection
3.1. Finite Element Model (FEM)
3.2. Working Cases
3.3. Results and Discussion
3.3.1. Acceleration Responses
3.3.2. Results Based on the SVR, TVSR, and TVSTR Models
3.3.3. Comparison of the SVR, TVSR, and TVSTR Models
3.3.4. Multiple-Variable Regression Model
3.3.5. Robustness Analysis of Damage Indicator
4. Experimental Verification of Grout Defect Identification in a Precast Concrete Frame Structure
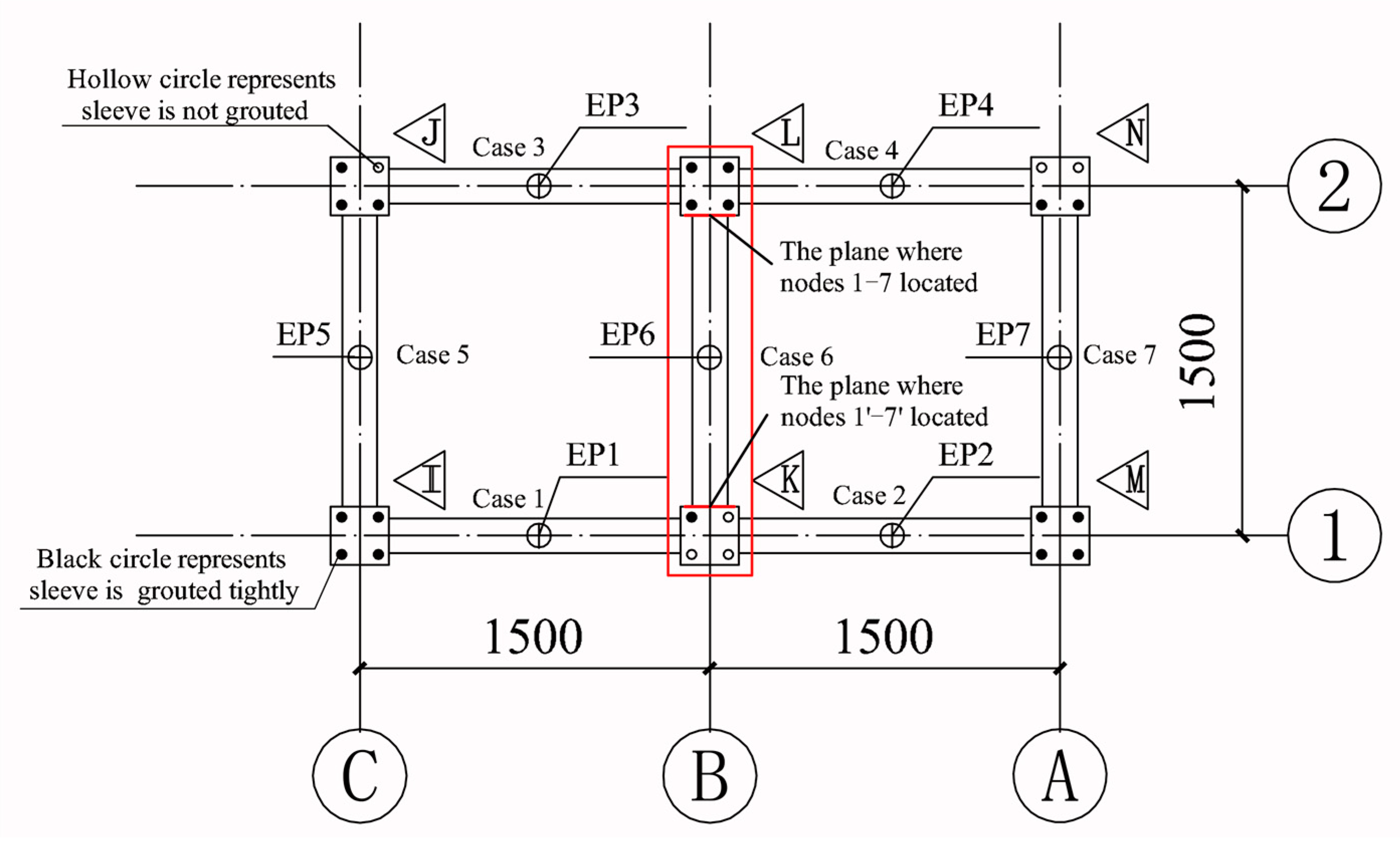
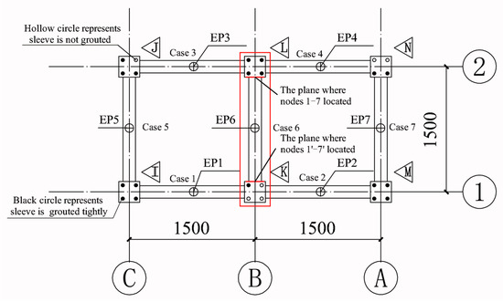
4.1. Experimental Model
4.2. Experimental Setup
4.3. Experimental Steps
- The vibration exciter was arranged at the excitation point in the middle of the beam, whose location is shown in Figure 17. At the same time, the annunciator, power amplifier, and acquisition system were arranged as well.
- Once the external force was applied, the acceleration time history curves of each measuring point were recorded by the acquisition system.
- Using the proposed multiple-variable regression model, the damage indicators were calculated based on the acceleration responses to identify the defects.
4.4. Results and Discussion
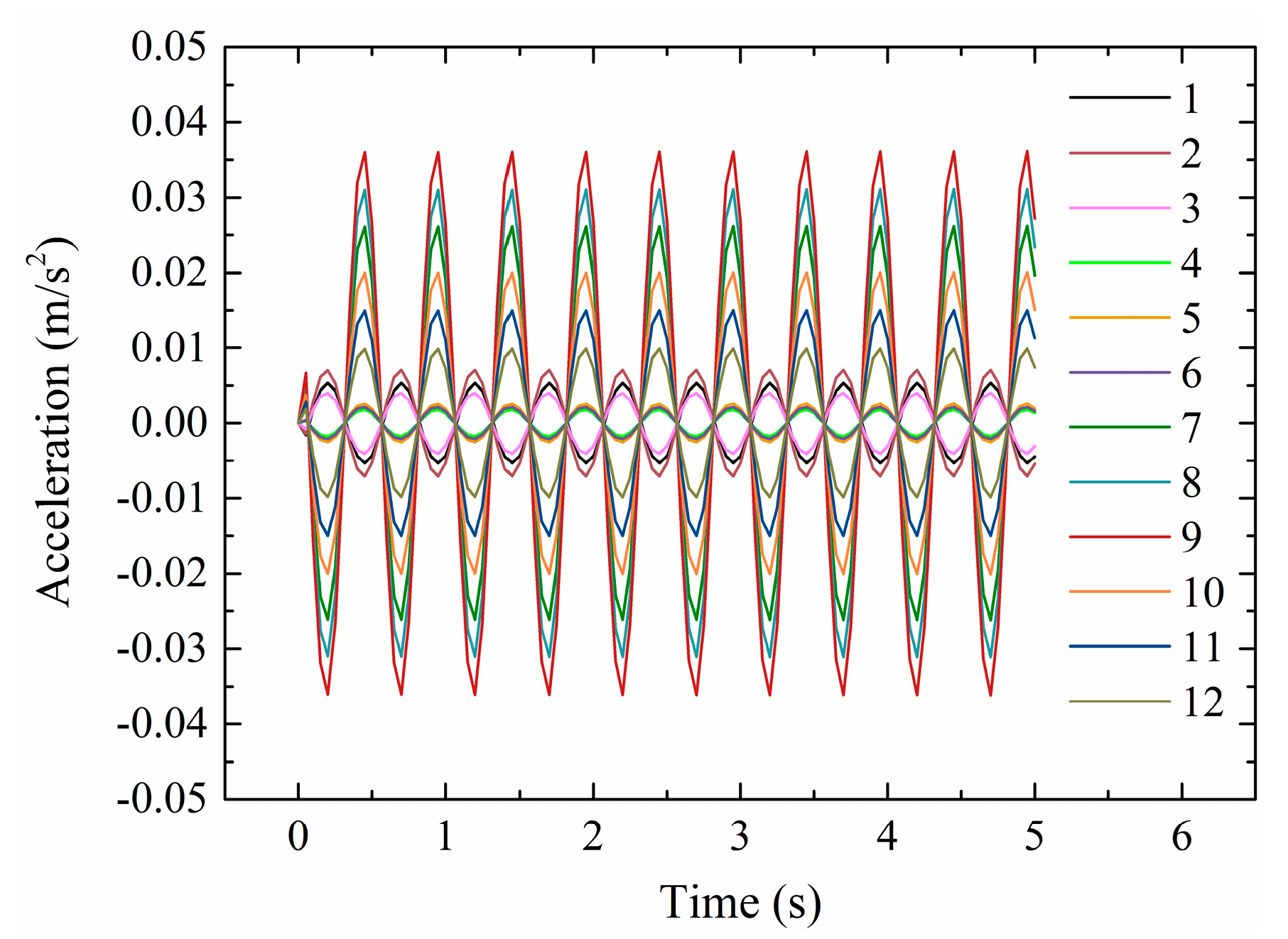
4.4.1. Acceleration Responses
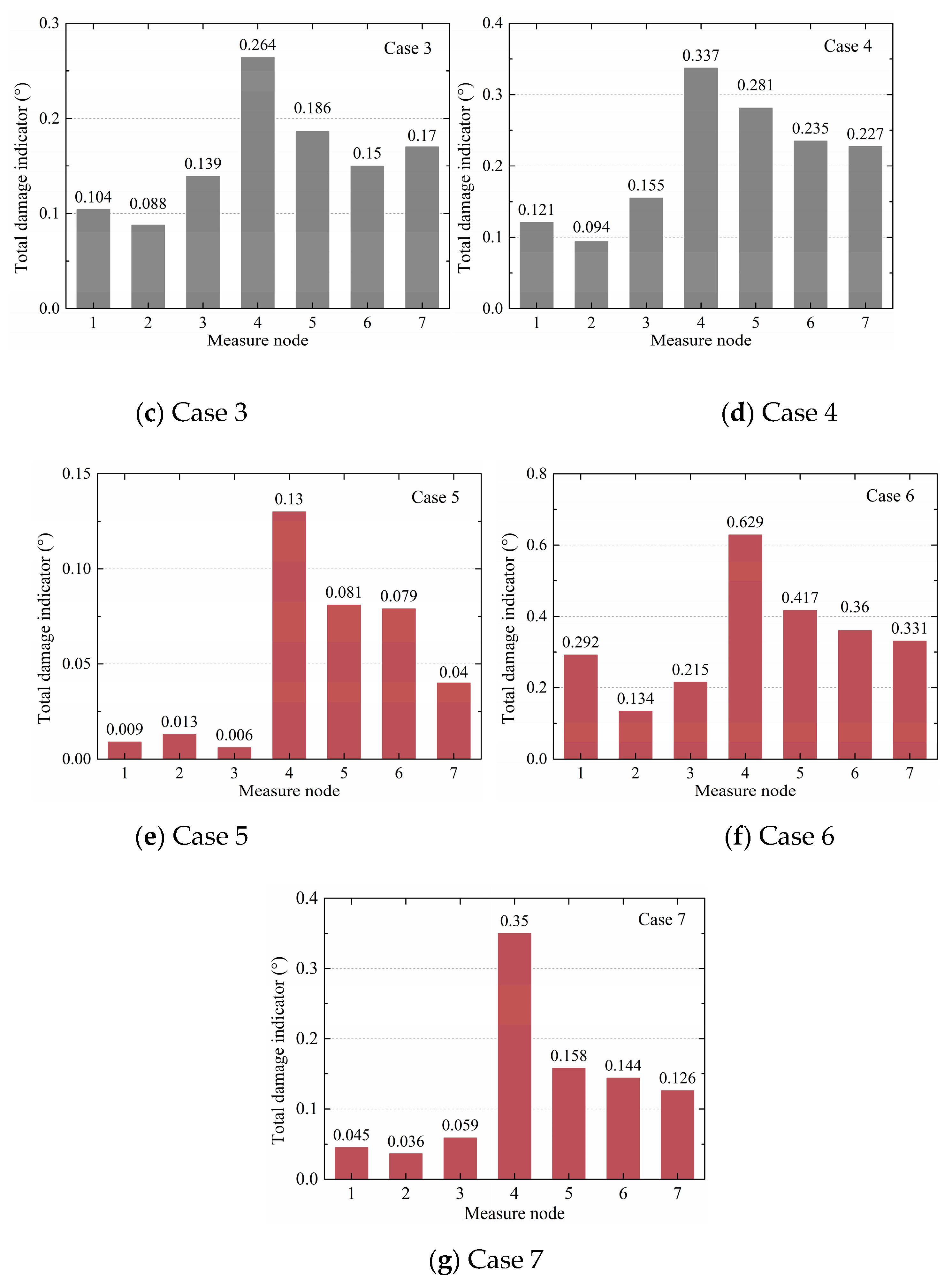
4.4.2. Results Based on Multiple-Variable Regression Model
5. Conclusions
- 1
- Comparing the SVR, TVSR, and TVSTR model algorithms, the TVSTR model could most accurately identify the defective components, the SVR was the second best, and the TVSR was the worst, in which the defect of case 8_9 in the numerical simulation could not be identified well. A flowchart of the regression model recognition algorithm was proposed based on multiple spatiotemporal variables.
- 2
- Grout defects in the precast concrete frame structure were successfully identified based on the proposed multiple-variable regression model, with results showing that the total damage indicators of nodes near defects were greater than those of other nodes.
- 3
- The total damage indicator displayed robustness against different levels of noise with SNRs of 1 dB, 5 dB, and 10 dB inputted, but attention still needs to paid to avoid the significant environmental noise that was present during the experiment to obtain good identification results.
- 4
- The proposed method has the limitations that the damage indicator was calculated based on two working conditions, where the structural design and boundary conditions were the same. At the same time, the result could only show the damage difference between the two conditions and one control working case needed to be chosen.
Author Contributions
Funding
Conflicts of Interest
References
- Amezquitasanchez, J.P.; Adeli, H. Signal processing techniques for vibration-based health monitoring of smart structures. Arch. Comput. Method E. 2016, 23, 1–15. [Google Scholar] [CrossRef]
- Wang, Z.; Qiao, P.; Shi, B. A comprehensive study on active Lamb wave-based damage identification for plate-type structures. Smart Struct. Syst. 2017, 20, 759–767. [Google Scholar]
- Zhao, B.; Lei, D.; Fu, J.; Yang, L.; Xu, W. Experimental study on micro-damage identification in reinforced concrete beam with wavelet packet and DIC method. Constr. Build. Mater. 2019, 210, 338–346. [Google Scholar] [CrossRef]
- Bhowmik, B.; Tripura, T.; Hazra, B.; Pakrashi, V. Real time structural modal identification using recursive canonical correlation analysis and application towards online structural damage detection. J. Sound Vibr. 2020, 468, 115101. [Google Scholar] [CrossRef]
- Li, Y.; Jiang, R.; Tapia, J.; Wang, S.; Sun, W. Structural damage identification based on short-time temporal coherence using free-vibration response signals. Measurement 2020, 151, 107209. [Google Scholar] [CrossRef]
- Zhang, C.; Cheng, L.; Qiu, J.; Ji, H.; Ji, J. Structural damage detections based on a general vibration model identification approach. Mech. Syst. Signal. Proc. 2019, 123, 316–332. [Google Scholar] [CrossRef]
- Bhuyan, M.D.H.; Gautier, G.; Touz, N.L.; Döhler, M.; Hille, F.; Dumoulin, J.; Mevel, L. Vibration-based damage localization with load vectors under temperature changes. Struct. Control. Health Monit. 2019, 26, e2439. [Google Scholar] [CrossRef]
- Kernicky, T.; Whelan, M.; Al-Shaer, E. Vibration-based damage detection with uncertainty quantification by structural identification using nonlinear constraint satisfaction with interval arithmetic. Struct. Health Monit. 2019, 18, 1569–1589. [Google Scholar] [CrossRef]
- Kong, X.; Cai, C.S.; Hu, J. The state-of-the-art on framework of vibration-based structural damage identification for decision making. Appl. Sci. 2017, 7, 497. [Google Scholar] [CrossRef]
- Sha, G.; Radzieński, M.; Cao, M.; Ostachowicz, W. A novel method for single and multiple damage detection in beams using relative natural frequency changes. Mech. Syst. Signal. Proc. 2019, 132, 335–352. [Google Scholar] [CrossRef]
- Yang, C.; Oyadiji, S.O. Damage detection using modal frequency curve and squared residual wavelet coefficients-based damage indicator. Mech. Syst. Signal. Proc. 2017, 83, 385–405. [Google Scholar] [CrossRef]
- Wang, S.; Long, X.; Luo, H.; Zhu, H. Damage identification for underground structure based on frequency response function. Sensors 2018, 18, 3033. [Google Scholar] [CrossRef] [PubMed]
- Su, C.; Liao, W.; Tan, L.; Chen, R. Reliability-based damage identification using dynamic signatures. J. Bridge Eng. 2016, 21, 04015058. [Google Scholar] [CrossRef]
- Jayasundara, N.; Thambiratnam, D.P.; Chan, T.H.T.; Nguyen, A. Damage detection and quantification in deck type arch bridges using vibration based methods and artificial neural networks. Eng. Fail. Anal. 2020, 109, 104265. [Google Scholar] [CrossRef]
- Altunışık, A.C.; Okur, F.Y.; Karaca, S.; Kahya, V. Vibration-based damage detection in beam structures with multiple cracks: Modal curvature vs. modal flexibility methods. Nondestruct. Test. Eval. 2019, 34, 33–53. [Google Scholar] [CrossRef]
- Cui, H.; Xu, X.; Peng, W.; Zhou, Z.; Hong, M. A damage detection method based on strain modes for structures under ambient excitation. Measurement 2018, 125, 438–446. [Google Scholar] [CrossRef]
- Dorvash, S.; Pakzad, S.N.; Lacrosse, E.L. Statistics based localized damage detection using vibration response. Smart Struct. Syst. 2014, 14, 85–104. [Google Scholar] [CrossRef]
- Yao, R.; Pakzad, S.N. Time and frequency domain regression-based stiffness estimation and damage identification. Struct. Control. Health Monit. 2014, 21, 356–380. [Google Scholar] [CrossRef]
- Naito, H.; Bolander, J.E. Damage detection method for RC members using local vibration testing. Eng. Struct. 2019, 178, 361–374. [Google Scholar] [CrossRef]
- Downey, A.; Ubertini, F.; Laflamme, S. Algorithm for damage detection in wind turbine blades using a hybrid dense sensor network with feature level data fusion. J. Wind Eng. Ind. Aerodyn. 2017, 168, 288–296. [Google Scholar] [CrossRef]
- Zhang, X.; Zhou, D.; Tang, H.; Han, X. Experimental study of grout defect identification in precast column based on wavelet packet analysis. Int. J. Distrib. Sens. Netw. 2019, 15, 1550147719889590. [Google Scholar] [CrossRef]
- Li, C.Y.; Yan, W.; Lv, T.B.; Li, J.H.; Wang, H.J. Joint defects identification for a prefabricated structure using piezoelectric impedance analysis. In Proceedings of the Symposium on Piezoelectrcity, Acoustic Waves and Device Applications 2019, Harbin, China, 11–14 January 2019. [Google Scholar]
- Zheng, X.; Qi, J.; Shi, W.; Wang, C.; Yuan, B. Grouting sleeve fullness detection method based on microwave radio frequency S parameter. In Proceedings of the Photonics & Electromagnetics Research Symposium-Fall 2019, Xiamen, China, 17–20 December 2019. [Google Scholar]
- Li, D.; Liu, H. Detection of sleeve grouting connection defects in fabricated structural joints based on ultrasonic guided waves. Smart Mater. Struct. 2019, 28, 085033. [Google Scholar] [CrossRef]
- Sun, B.; Mao, S.; Wang, N.; Zhang, J.; Gu, S. Experimental study on the preformed aisle method for inspecting the grouting fullness of sleeve of prefabricated structures. Build. Struct. 2018, 48, 12–15. (In Chinese) [Google Scholar]
- Li, X.; Gao, R.; Xu, Q.; Wang, Z.; Zhang, F.; Xie, Y. Study on inspection technology for sleeve grouting connection quality of precast shell wall based on X-ray digital radiography method. Build. Struct. 2018, 48, 57–61. (In Chinese) [Google Scholar]
- ABAQUS. ABAQUS Standard User’s Manual, Version 6.14; SIMULIA Corp: Providence, RI, USA, 2014. [Google Scholar]
- Yao, R.; Tillotson, M.L.; Pakzad, S.N.; Pan, Y. Regression-based algorithms for structural damage identification and localization. In Proceedings of the Structures Congress 2012, Chicago, IL, USA, 29–31 March 2012. [Google Scholar]
- Pan, Y. Linear Regression Based Damage Detection Algorithm Using Data from A Densely Clustered Sensing System. Master’s Thesis, Lehigh University, Bethlehem, PA, USA, 2012. [Google Scholar]
- Katanoda, K.; Matsuda, Y.; Sugishita, M. A spatio-temporal regression model for the analysis of functional MRI data. Neuroimage 2002, 17, 1415–1428. [Google Scholar] [CrossRef] [PubMed]
- Chen, S.S. Research on Structural Joint Defect and Damage Identification Based on Regression Model. Master’s Thesis, Tongji University, Shanghai, China, 2019. [Google Scholar]
- Thompson, C.G.; Kim, R.S.; Aloe, A.M.; Becker, B.J. Extracting the variance inflation factor and other multicollinearity diagnostics from typical regression results. Basic Appl. Soc. Psychol. 2017, 39, 81–90. [Google Scholar] [CrossRef]
- Salmerón, R.; García, C.B.; García, J. Variance inflation factor and condition number in multiple linear regression. J. Stat. Comput. Simul. 2018, 88, 2365–2384. [Google Scholar] [CrossRef]





















| Boundary | Case | Sleeve Location | Degree of Defects | Excitation Location |
|---|---|---|---|---|
| Fixed supports for the bottom column end, incomplete fixed supports for the other three ends, with no horizontal constraints in the plane | 1 | Upper column | None | Horizontal rightward on top column end |
| 2 | Upper column | 20% stiffness reduction | Horizontal rightward on top column end | |
| 3 | Upper column | 30% stiffness reduction | Horizontal rightward on top column end | |
| 4 | Bottom column | None | Horizontal rightward on top column end | |
| 5 | Bottom column | 20% stiffness reduction | Horizontal rightward on top column end | |
| 6 | Upper column | None | Vertical downward on right beam end | |
| 7 | Upper column | 20% stiffness reduction | Vertical downward on right beam end | |
| Fixed supports for the four ends | 8 | Upper column | None | Horizontal rightward on top column end |
| 9 | Upper column | 20% stiffness reduction | Horizontal rightward on top column end |
| r2 | Measure Node | ||||||||||||
|---|---|---|---|---|---|---|---|---|---|---|---|---|---|
| 1 | 2 | 3 | 4 | 5 | 6 | 7 | 8 | 9 | 10 | 11 | 12 | ||
| Measure Node | 1 | - | 1.00 | 1.00 | 1.00 | 1.00 | 1.00 | 0.99 | 1.00 | 1.00 | 1.00 | 0.81 | 0.96 |
| 2 | 1.00 | - | 1.00 | 1.00 | 1.00 | 1.00 | 0.99 | 1.00 | 1.00 | 1.00 | 0.81 | 0.96 | |
| 3 | 1.00 | 1.00 | - | 1.00 | 1.00 | 1.00 | 1.00 | 1.00 | 1.00 | 1.00 | 0.81 | 0.96 | |
| 4 | 1.00 | 1.00 | 1.00 | - | 1.00 | 1.00 | 0.99 | 1.00 | 1.00 | 1.00 | 0.82 | 0.96 | |
| 5 | 1.00 | 1.00 | 1.00 | 1.00 | - | 1.00 | 0.99 | 0.99 | 0.99 | 1.00 | 0.82 | 0.96 | |
| 6 | 1.00 | 1.00 | 1.00 | 1.00 | 1.00 | - | 0.99 | 0.99 | 0.99 | 0.99 | 0.83 | 0.96 | |
| 7 | 0.99 | 0.99 | 1.00 | 0.99 | 0.99 | 0.99 | - | 0.99 | 0.99 | 0.99 | 0.84 | 0.97 | |
| 8 | 1.00 | 1.00 | 1.00 | 1.00 | 0.99 | 0.99 | 0.99 | - | 1.00 | 1.00 | 0.80 | 0.95 | |
| 9 | 1.00 | 1.00 | 1.00 | 1.00 | 0.99 | 0.99 | 0.99 | 1.00 | - | 1.00 | 0.80 | 0.95 | |
| 10 | 1.00 | 1.00 | 1.00 | 1.00 | 1.00 | 0.99 | 0.99 | 1.00 | 1.00 | - | 0.81 | 0.95 | |
| 11 | 0.81 | 0.81 | 0.81 | 0.82 | 0.82 | 0.83 | 0.84 | 0.80 | 0.80 | 0.81 | - | 0.89 | |
| 12 | 0.96 | 0.96 | 0.96 | 0.96 | 0.96 | 0.96 | 0.97 | 0.95 | 0.95 | 0.95 | 0.89 | - | |
| Damage Indicator (°) | Measure Node | ||||||||||||
|---|---|---|---|---|---|---|---|---|---|---|---|---|---|
| 1 | 2 | 3 | 4 | 5 | 6 | 7 | 8 | 9 | 10 | 11 | 12 | ||
| Measure Node | 1 | - | 0.00 | 0.00 | 0.00 | 0.00 | 0.00 | 0.00 | 0.00 | 0.01 | 0.00 | 0.00 | 0.00 |
| 2 | 0.00 | - | 0.00 | 0.00 | 0.00 | 0.00 | 0.00 | 0.00 | 0.01 | 0.00 | 0.00 | 0.00 | |
| 3 | 0.00 | 0.00 | - | 0.00 | 0.00 | 0.00 | 0.00 | 0.00 | 0.01 | 0.00 | 0.00 | 0.00 | |
| 4 | 0.00 | 0.00 | 0.00 | - | 0.00 | 0.00 | 0.00 | 0.00 | 0.01 | 0.00 | 0.00 | 0.00 | |
| 5 | 0.00 | 0.00 | 0.00 | 0.00 | - | 0.00 | 0.00 | 0.00 | 0.01 | 0.00 | 0.00 | 0.00 | |
| 6 | 0.00 | 0.00 | 0.00 | 0.00 | 0.00 | - | 0.00 | 0.00 | 0.01 | 0.00 | 0.00 | 0.00 | |
| 7 | 0.00 | 0.00 | 0.00 | 0.00 | 0.00 | 0.00 | - | 0.03 | 0.07 | 0.00 | 0.00 | 0.00 | |
| 8 | 0.00 | 0.00 | 0.00 | 0.00 | 0.00 | 0.00 | 0.03 | - | 0.03 | 0.04 | 0.03 | 0.03 | |
| 9 | 0.01 | 0.01 | 0.01 | 0.01 | 0.01 | 0.01 | 0.07 | 0.03 | - | 0.06 | 0.06 | 0.04 | |
| 10 | 0.00 | 0.00 | 0.00 | 0.00 | 0.00 | 0.00 | 0.00 | 0.04 | 0.06 | - | 0.00 | 0.00 | |
| 11 | 0.00 | 0.00 | 0.00 | 0.00 | 0.00 | 0.00 | 0.00 | 0.03 | 0.06 | 0.00 | - | 0.00 | |
| 12 | 0.00 | 0.00 | 0.00 | 0.00 | 0.00 | 0.00 | 0.00 | 0.03 | 0.04 | 0.00 | 0.00 | - | |
| Total Damage Indicator | Measure Node | ||||||||||||
|---|---|---|---|---|---|---|---|---|---|---|---|---|---|
| 1 | 2 | 3 | 4 | 5 | 6 | 7 | 8 | 9 | 10 | 11 | 12 | ||
| Case | 1_2 | 0.02 | 0.02 | 0.02 | 0.02 | 0.02 | 0.02 | 0.20 | 0.32 | 0.64 | 0.20 | 0.18 | 0.14 |
| 1_3 | 0.08 | 0.08 | 0.10 | 0.10 | 0.08 | 0.08 | 0.34 | 0.60 | 0.96 | 0.32 | 0.28 | 0.22 | |
| 4_5 | 0.02 | 0.02 | 0.02 | 0.02 | 0.02 | 0.02 | 0.02 | 0.02 | 0.02 | 0.06 | 0.11 | 0.24 | |
| 6_7 | 0.02 | 0.02 | 0.02 | 0.03 | 0.04 | 0.06 | 0.22 | 0.12 | 0.10 | 0.19 | 0.09 | 0.09 | |
| 8_9 | 0.55 | 0.58 | 0.61 | 0.47 | 0.49 | 0.49 | 1.09 | 1.24 | 0.90 | 1.24 | 0.94 | 0.84 | |
| Total Damage Indicator | Measure Node | ||||
|---|---|---|---|---|---|
| 1–3 | 4–6 | 7–9 | 10–12 | ||
| Case | 1_2 | 0.030 | 0.0091 | 0.049 | 0.0027 |
| 1_3 | 0.047 | 0.014 | 0.078 | 0.0044 | |
| 4_5 | 0.0021 | 0.0022 | 0 | 0.12 | |
| 6_7 | 0.011 | 0.0077 | 0.061 | 0.0019 | |
| 8_9 | 0.044 | 0.027 | 0.13 | 0.23 | |
| r2adj | Measure Node | ||||||||||||
|---|---|---|---|---|---|---|---|---|---|---|---|---|---|
| 1 | 2 | 3 | 4 | 5 | 6 | 7 | 8 | 9 | 10 | 11 | 12 | ||
| Measure Node | 1 | - | 1.00 | 1.00 | 1.00 | 1.00 | 1.00 | 1.00 | 1.00 | 1.00 | 1.00 | 0.84 | 0.98 |
| 2 | 1.00 | - | 1.00 | 1.00 | 1.00 | 1.00 | 1.00 | 1.00 | 1.00 | 1.00 | 0.84 | 0.98 | |
| 3 | 1.00 | 1.00 | - | 1.00 | 1.00 | 1.00 | 1.00 | 1.00 | 1.00 | 1.00 | 0.84 | 0.98 | |
| 4 | 1.00 | 1.00 | 1.00 | - | 1.00 | 1.00 | 0.99 | 1.00 | 1.00 | 1.00 | 0.85 | 0.98 | |
| 5 | 1.00 | 1.00 | 1.00 | 1.00 | - | 1.00 | 0.99 | 0.99 | 0.99 | 1.00 | 0.85 | 0.98 | |
| 6 | 1.00 | 1.00 | 1.00 | 1.00 | 1.00 | - | 0.99 | 0.99 | 0.99 | 0.99 | 0.86 | 0.98 | |
| 7 | 0.99 | 0.99 | 1.00 | 0.99 | 0.99 | 0.99 | - | 0.99 | 0.99 | 0.99 | 0.86 | 0.99 | |
| 8 | 1.00 | 1.00 | 1.00 | 1.00 | 0.99 | 0.99 | 0.99 | - | 1.00 | 1.00 | 0.83 | 0.97 | |
| 9 | 1.00 | 1.00 | 1.00 | 1.00 | 0.99 | 0.99 | 0.99 | 1.00 | - | 1.00 | 0.83 | 0.97 | |
| 10 | 1.00 | 1.00 | 1.00 | 1.00 | 1.00 | 0.99 | 0.99 | 1.00 | 1.00 | - | 0.83 | 0.97 | |
| 11 | 0.87 | 0.87 | 0.87 | 0.87 | 0.88 | 0.88 | 0.89 | 0.85 | 0.85 | 0.85 | - | 0.93 | |
| 12 | 0.98 | 0.98 | 0.98 | 0.98 | 0.98 | 0.98 | 0.99 | 0.97 | 0.97 | 0.97 | 0.91 | - | |
| Total Damage Indicator | Measure Node | ||||||||||||
|---|---|---|---|---|---|---|---|---|---|---|---|---|---|
| 1 | 2 | 3 | 4 | 5 | 6 | 7 | 8 | 9 | 10 | 11 | 12 | ||
| Case | 1_2 | 0.038 | 0.043 | 0.054 | 0.058 | 0.042 | 0.039 | 0.22 | 0.37 | 0.60 | 0.21 | 0.19 | 0.16 |
| 1_3 | 0.060 | 0.069 | 0.088 | 0.093 | 0.068 | 0.063 | 0.35 | 0.59 | 0.97 | 0.34 | 0.31 | 0.25 | |
| 4_5 | 0.060 | 0.060 | 0.060 | 0.060 | 0.060 | 0.060 | 0.021 | 0.018 | 0.016 | 0.045 | 0.16 | 0.31 | |
| 6_7 | 0.047 | 0.052 | 0.064 | 0.054 | 0.066 | 0.085 | 0.24 | 0.19 | 0.15 | 0.17 | 0.12 | 0.075 | |
| 8_9 | 0.54 | 0.57 | 0.61 | 0.47 | 0.50 | 0.46 | 1.15 | 1.23 | 0.86 | 1.17 | 0.86 | 0.76 | |
| Total Damage Indicator | Measure Node | ||||||||||||
|---|---|---|---|---|---|---|---|---|---|---|---|---|---|
| 1 | 2 | 3 | 4 | 5 | 6 | 7 | 8 | 9 | 10 | 11 | 12 | ||
| Signal-to-Noise Ratio | 0 dB | 0.02 | 0.02 | 0.02 | 0.02 | 0.02 | 0.02 | 0.20 | 0.32 | 0.64 | 0.20 | 0.18 | 0.14 |
| 1 dB | 0.02 | 0.021 | 0.03 | 0.025 | 0.03 | 0.03 | 0.20 | 0.31 | 0.64 | 0.19 | 0.18 | 0.15 | |
| 5 dB | 0.03 | 0.04 | 0.042 | 0.044 | 0.043 | 0.046 | 0.19 | 0.29 | 0.60 | 0.19 | 0.17 | 0.15 | |
| 10 dB | 0.042 | 0.06 | 0.058 | 0.064 | 0.065 | 0.064 | 0.18 | 0.25 | 0.58 | 0.18 | 0.17 | 0.16 | |
| Instrument | Model | Overview | Features |
|---|---|---|---|
| Signal source | KD5602 | ![]() | Output mode: Sinusoidal, logarithmic, linear Frequency range: 10 Hz–20 kHz |
| Power amplifier | KD5702 | ![]() | Rated output power: 200 W Rated output voltage: 14 V Rated output current: 15 A Frequency range: 20 Hz–10 kHz |
| Vibration exciter | KDJ-20 | ![]() | Maximum force: 200 N Maximum amplitude: ±5 mm Frequency range: DC ≈2 kHz |
| Acceleration sensor | KD8-LP16D | ![]() | Calibration value: about 60 mV/g |
| Data acquisition system | INV3060 | ![]() | Corresponding acquisition software: DASP-V10 produced by China Orient Institute of Noise & Vibration |
| r2adj | Measure Node | |||||||
|---|---|---|---|---|---|---|---|---|
| 1 | 2 | 3 | 4 | 5 | 6 | 7 | ||
| Measure Node | 1 | 1.00 | 0.95 | 0.88 | 0.83 | 0.80 | 0.81 | 0.82 |
| 2 | 0.95 | 1.00 | 0.92 | 0.87 | 0.82 | 0.97 | 0.83 | |
| 3 | 0.87 | 0.91 | 1.00 | 0.84 | 0.86 | 0.91 | 0.89 | |
| 4 | 0.83 | 0.86 | 0.83 | 1.00 | 0.84 | 0.80 | 0.83 | |
| 5 | 0.80 | 0.82 | 0.86 | 0.85 | 1.00 | 0.88 | 0.95 | |
| 6 | 0.80 | 0.96 | 0.91 | 0.81 | 0.87 | 1.00 | 0.89 | |
| 7 | 0.82 | 0.83 | 0.89 | 0.84 | 0.95 | 0.90 | 1.00 | |
© 2020 by the authors. Licensee MDPI, Basel, Switzerland. This article is an open access article distributed under the terms and conditions of the Creative Commons Attribution (CC BY) license (http://creativecommons.org/licenses/by/4.0/).
Share and Cite
Zhang, X.; Tang, H.; Zhou, D.; Chen, S.; Zhao, T.; Xue, S. Numerical and Experimental Verification of a Multiple-Variable Spatiotemporal Regression Model for Grout Defect Identification in a Precast Structure. Sensors 2020, 20, 3264. https://doi.org/10.3390/s20113264
Zhang X, Tang H, Zhou D, Chen S, Zhao T, Xue S. Numerical and Experimental Verification of a Multiple-Variable Spatiotemporal Regression Model for Grout Defect Identification in a Precast Structure. Sensors. 2020; 20(11):3264. https://doi.org/10.3390/s20113264
Chicago/Turabian StyleZhang, Xuan, Hesheng Tang, Deyuan Zhou, Shanshan Chen, Taotao Zhao, and Songtao Xue. 2020. "Numerical and Experimental Verification of a Multiple-Variable Spatiotemporal Regression Model for Grout Defect Identification in a Precast Structure" Sensors 20, no. 11: 3264. https://doi.org/10.3390/s20113264
APA StyleZhang, X., Tang, H., Zhou, D., Chen, S., Zhao, T., & Xue, S. (2020). Numerical and Experimental Verification of a Multiple-Variable Spatiotemporal Regression Model for Grout Defect Identification in a Precast Structure. Sensors, 20(11), 3264. https://doi.org/10.3390/s20113264





