Compact Multifunctional Wireless Capacitive Sensor System and Its Application in Icing Detection
Abstract
1. Introduction
2. Methodology
2.1. General Description of the Prototype
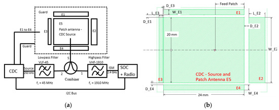
2.2. Construction of the Electrode–Antenna Structure
2.3. Construction of the Prototype Sensor
3. Results and Discussion
3.1. Influence of the Measurement Electrodes and the Pv-Cell on the Radio Transmission
3.2. Capacitance Measurement
3.3. Environmental Influences on the Radio Transmission
4. Conclusions and Outlook
5. Patents
Author Contributions
Funding
Conflicts of Interest
References
- Thomas Richards Final Report Summary-ON-WINGS (On Wing Ice Detection and Monitoring System); ACP8-GA-2009-233838 Framework 7; European Commission: Brussels, Belgium, 2012.
- National Transportation Safety Board. Available online: https://www.ntsb.gov/investigations/AccidentReports/Pages/aviation.aspx (accessed on 11 December 2019).
- Weener, E. Lessons from Icing Accidents and Incidents. Available online: https://www.ntsb.gov/news/speeches/EWeener/Documents/weener_020111.pdf (accessed on 11 December 2019).
- Moser, M.J.; George, B.; Zangl, H.; Brasseur, G. Icing detector for overhead power transmission lines. In Proceedings of the 2009 IEEE Instrumentation and Measurement Technology Conference, Singapore, 5–7 May 2009; pp. 1105–1109. [Google Scholar]
- Lynch, F.T.; Khodadoust, A. Effects of ice accretions on aircraft aerodynamics. Prog. Aerosp. Sci. 2002, 38, 669–767. [Google Scholar] [CrossRef]
- Mendig, C.; Riemenschneider, J.; Monner, H.P.; Vier, L.J.; Endres, M.; Sommerwerk, H. Ice detection by ultrasonic guided waves. CEAS Aeronaut. J. 2018, 9, 405–415. [Google Scholar] [CrossRef]
- Troiano, A.; Pasero, E.; Mesin, L. New system for detecting road ice formation. IEEE Trans. Instrum. Meas. 2011, 60, 1091–1101. [Google Scholar] [CrossRef]
- Schlegl, T.; Moser, M.; Zangl, H. Wireless and Flexible Ice Detection on Aircraft; No. 2015-01-2112; AE International: Troy, MI, USA, June 2015. [Google Scholar]
- Bassey, C.E.; Simpson, G.R. Aircraft ice detection using time domain reflectometry with coplanar sensors. In Proceedings of the 2007 IEEE Aerospace Conference, Big Sky, MT, USA, 3–10 March 2007; pp. 1–6. [Google Scholar]
- Moser, M.; Schlegl, T.; Zangl, H. Retrofittable, autonomous and wireless icing and temperature monitoring on rotor blades for efficient anti- and de-icing. Presented at the Winterwind 2014 International Wind Energy Conference, Québec, QC, Canada, 11 February 2014; Program. Available online: http://www.winterwind.se/sundsvall-2014/program (accessed on 12 December 2019).
- Smyl, D.; Pour-Ghaz, M.; Seppänen, A. Detection and reconstruction of complex structural cracking patterns with electrical imaging. NDT E Int. 2018, 99, 123–133. [Google Scholar] [CrossRef]
- Kong, X.; Li, J.; Collins, W.; Bennett, C.; Laflamme, S.; Jo, H. Sensing distortion-induced fatigue cracks in steel bridges with capacitive skin sensor arrays. Smart Mater. Struct. 2018, 27, 115008. [Google Scholar] [CrossRef]
- Smyl, D.; Liu, D. Damage tomography as a state estimation problem: Crack detection using conductive area sensors. IEEE Sens. Lett. 2019, 3, 1–4. [Google Scholar] [CrossRef]
- Sim, Z.W.; Shuttleworth, R.; Grieve, B. Investigation of PCB microstrip patch receiving antenna for outdoor RF energy harvesting in wireless sensor networks. In Proceedings of the 2009 Loughborough Antennas & Propagation Conference, Loughborough, UK, 16–17 November 2009; pp. 129–132. [Google Scholar]
- Bakkali, A.; Pelegrí-Sebastiá, J.; Sogorb, T.; Llario, V.; Bou-Escriva, A. A dual-band antenna for rf energy harvesting systems in wireless sensor networks. J. Sens. 2016, 2016, 5725836. [Google Scholar] [CrossRef]
- Bhalerao, S.A.; Chaudhary, A.V.; Deshmukh, R.B.; Patrikar, R.M. Powering wireless sensor nodes using ambient rf energy. In Proceedings of the 2006 IEEE International Conference on Systems, Man and Cybernetics, Taipei, Taiwan, 8–11 October 2006; pp. 2695–2700. [Google Scholar]
- Troiano, A.; Pasero, E.; Mesin, L. An innovative water and ice detection system for monitoring road and runway surfaces. In Proceedings of the 6th Conference on Ph.D. Research in Microelectronics & Electronics, Berlin, Germany, 18–21 July 2010; pp. 1–4. [Google Scholar]
- Zangl, H. Capacitive sensors uncovered: Measurement, detection and classification in open environments. Procedia Eng. 2010, 5, 393–399. [Google Scholar] [CrossRef]
- Zangl, H. Capacitive Sensors: From the Principle and Front End Design to Analog and Digital Signal Processing. Available online: https://www.ctr.at/news/termine/details/news/capacitive-sensors-from-the-principle-and-front-end-design-to-analog-and-digital-signal-processing (accessed on 12 December 2019).
- Schlegl, T.; Zangl, H. Sensor interface for multimodal evaluation of capacitive sensors. J. Phys. Conf. Ser. 2013, 450, 012018. [Google Scholar] [CrossRef]
- AD7142 (Rev. B)-Analog Devices. Available online: https://www.analog.com/media/en/technical-documentation/data-sheets/AD7142.pdf (accessed on 11 December 2019).
- nRF51822-Scribd. Available online: https://www.scribd.com/document/253123334/Prod-Brief-Nrf51822-v2-3 (accessed on 11 December 2019).
- Baxter, L.K. Capacitive sensors. In Design and Applications; Herrick, R.J., Ed.; WILEY: Singapore, 1997. [Google Scholar]
- Stocksreiter, W.; Zangl, H.; Glaser, D.; Kaur, M.; Moser, M. Compact wireless ice detection system with electrode used as antenna. J. Phys. Conf. Ser. 2018, 1065, 102001. [Google Scholar] [CrossRef]
- Waterhouse, R. Printed Antennas for Wireless Communications; John Wiley & Sons, Ltd.: West Sussex, UK, 2007. [Google Scholar]
- Waterhouse, R. Small microstrip patch antenna. Electron. Lett. 1995, 31, 604–605. [Google Scholar] [CrossRef]
- Bhattacharyya, A.K. Bhattacharyya finite ground plane effects on the radiation patterns of a rectangular microstrip antenna. In Proceedings of the 1988 Symposium on Antenna Technology and Applied Electromagnetics, Winnipeg, MB, Canada, 10–12 August 1988; pp. 1–10. [Google Scholar]
- Coonrod, J. Choosing Circuit Materials for Low-Pim Pcb Antennas. Available online: https://www.mwrf.com/components/choosing-circuit-materials-low-pim-pcb-antennas-pdf-download (accessed on 12 December 2019).
- Owusu, K.P.; Kuhn, D.C.; Bibeau, E.L. Capacitive probe for ice detection and accretion rate measurement: Proof of concept. Renew. Energy 2013, 50, 196–205. [Google Scholar] [CrossRef]
- Brasseur, G.; Brandstatter, B.; Zangl, H. State of the art of robust capacitive sensors. In Proceedings of the IEEE International Workshop on Robotic and Sensors Environments, Örebro, Sweden, 5–6 June 2003; p. 4. [Google Scholar]
- Technical and Operating Parameters and Spectrum Use for Short-Range Radio Communication Devices. Available online: https://www.itu.int/pub/R-REP-SM.2153 (accessed on 11 December 2019).
- Stocksreiter, W.; Zangl, H.; Moser, M. Environmental impacts on antennas for wireless sensors on outer aircraft surfaces. In Proceedings of the 2017 IEEE International Workshop on Metrology for AeroSpace (MetroAeroSpace), Padua, Italy, 21–23 June 2017; pp. 496–501. [Google Scholar]













© 2019 by the authors. Licensee MDPI, Basel, Switzerland. This article is an open access article distributed under the terms and conditions of the Creative Commons Attribution (CC BY) license (http://creativecommons.org/licenses/by/4.0/).
Share and Cite
Stocksreiter, W.; Zangl, H. Compact Multifunctional Wireless Capacitive Sensor System and Its Application in Icing Detection. Sensors 2019, 19, 5562. https://doi.org/10.3390/s19245562
Stocksreiter W, Zangl H. Compact Multifunctional Wireless Capacitive Sensor System and Its Application in Icing Detection. Sensors. 2019; 19(24):5562. https://doi.org/10.3390/s19245562
Chicago/Turabian StyleStocksreiter, Wolfgang, and Hubert Zangl. 2019. "Compact Multifunctional Wireless Capacitive Sensor System and Its Application in Icing Detection" Sensors 19, no. 24: 5562. https://doi.org/10.3390/s19245562
APA StyleStocksreiter, W., & Zangl, H. (2019). Compact Multifunctional Wireless Capacitive Sensor System and Its Application in Icing Detection. Sensors, 19(24), 5562. https://doi.org/10.3390/s19245562

