Velocity Control of Traveling-Wave Ultrasonic Motors Based on Stator Vibration Amplitude
Abstract
1. Introduction
2. Theoretical Analysis
2.1. Relationship between Velocity and Stator Vibration Amplitude
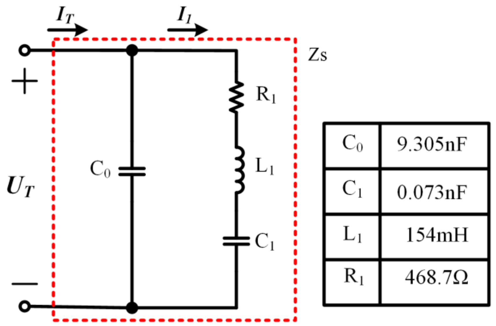
2.2. Detection of and Stator Vibration Amplitude
3. Implementation of the Proposed Scheme
3.1. Hardware Structure
3.2. Control Structure
4. Experimental Results
4.1. Experimental Setup
4.2. Verification of the Proposed Scheme
4.3. Merit of the Proposed Scheme
5. Conclusions
Author Contributions
Funding
Conflicts of Interest
References
- Zhao, C. Ultrasonic Motors Technologies and Application; Sciencepress: Beijing, China, 2007. [Google Scholar]
- Dong, Z.; Yang, M. Optimal design of a double-vibrator ultrasonic motor using combination method of finite element method, sensitivity analysis and adaptive genetic algorithm. Sens. Actuator A-Phys. 2017, 266, 1–8. [Google Scholar] [CrossRef]
- Yu, H.; Quan, Q.; Tian, X.; Li, H. Optimization and Analysis of a U-Shaped Linear Piezoelectric Ultrasonic Motor Using Longitudinal Transducers. Sensors 2018, 18, 3. [Google Scholar]
- Mustafa, A.; Morita, T. Dynamic preload control of traveling wave rotary ultrasonic motors for energy efficient operation. Jpn. J. Appl. Phys. 2019, 58, SGGD04. [Google Scholar] [CrossRef]
- Morita, T.; Kurosawa, M.K.; Higuchi, T. A cylindrical micro ultrasonic motor using PZT thin film deposited by single process hydrothermal method ((/spl phi/2.4 mm, L = 10 mm stator transducer). IEEE Trans. Ultrason. Ferr. 1998, 45, 1178–1187. [Google Scholar] [CrossRef] [PubMed]
- Wu, J.; Mizuno, Y.; Nakamura, K. Structural parameter study on polymer-based ultrasonic motor. Smart Mater. Struct. 2017, 26, 115022. [Google Scholar] [CrossRef]
- Zhou, X.; Chen, W.; Liu, J. Novel 2-DOF Planar Ultrasonic Motor with Characteristic of Variable Mode Excitation. IEEE Trans. Ind. Electron. 2016, 63, 6941–6948. [Google Scholar] [CrossRef]
- Chung, S.W.; Chau, K.T. Servo speed control of traveling-wave ultrasonic motors using pulse width modulation. Electr. Power Compon. Syst. 2001, 29, 707–722. [Google Scholar]
- Bal, G.; Bekiroglu, E. Servo speed control of travelling-wave ultrasonic motor using digital signal processor. Sens. Actuator A-Phys. 2004, 109, 212–219. [Google Scholar] [CrossRef]
- Kebbab, F.Z.; Belkhiat, D.E.C.; Jabri, D.; Belkhiat, S. Frequency Speed Control of Rotary Travelling Wave Ultrasonic Motor Using Fuzzy Controller. Eng. Tech. Appl. Sci. Res. 2018, 8, 3276–3281. [Google Scholar]
- Shi, J.; Liu, Y.; Huang, J.; Xu, M.; Zhang, J.; Zhang, L. Novel intelligent PID control of traveling wave ultrasonic motor. ISA T. 2014, 53, 1670–1679. [Google Scholar]
- Lu, S.; Shi, J. Nonlinear Hammerstein model of ultrasonic motor for position control using differential evolution algorithm. Ultrasonics 2019, 94, 20–27. [Google Scholar] [CrossRef] [PubMed]
- Kuehne, M.; Garcia Rochin, R.; Santiesteban Cos, R.; Rubio Astorga, G.J.; Peer, A. Modeling and Two-Input Sliding Mode Control of Rotary Traveling Wave Ultrasonic Motors. IEEE Trans. Ind. Electron. 2018, 65, 7149–7159. [Google Scholar] [CrossRef]
- Senjyu, T.; Miyazato, H.; Uezato, K. Quick and precise position control of ultrasonic motors with two control inputs. Electr. Mach. Power Syst. 1997, 25, 767–781. [Google Scholar] [CrossRef]
- Zhuang, Y.; Ural, S.O.; Rajapurkar, A.; Tuncdemir, S.; Amin, A.; Uchino, K. Derivation of Piezoelectric Losses from Admittance Spectra. Jpn. J. Appl. Phys. 2014, 48, SGGD04. [Google Scholar] [CrossRef]
- Giraud, F.; Lemaire-Semail, B.; Aragones, J.; Robineau, J.P.; Audren, J.-T. Stability Analysis of an Ultrasonic Motor for a New Wave Amplitude Control. IEEE Trans. Ind. Electron. 2009, 45, 1343–1350. [Google Scholar] [CrossRef]
- Ben Messaoud, W.; Giraud, F.; Lemaire-Semail, B.; Amberg, M.; Bueno, M.-A. Amplitude Control of an Ultrasonic Vibration for a Tactile Stimulator. IEEE-ASME Trans. Mech. 2016, 21, 1692–1701. [Google Scholar] [CrossRef]
- Li, S.; Li, D.; Yang, M.; Cao, W. Parameters identification and contact analysis of traveling wave ultrasonic motor based on measured force and feedback voltage. Sens. Actuator A-Phys. 2018, 284, 201–208. [Google Scholar] [CrossRef]
- Shi, W.; Zhao, H.; Ma, J.; Yao, Y. Optimal working frequency of ultrasonic motors. Ultrasonics 2016, 70, 38–44. [Google Scholar] [CrossRef]
- Dyke, K.S.V. The Piezo-Electric Resonator and Its Equivalent Network. Proc. Inst. Radio Eng. 1928, 16, 742–764. [Google Scholar]
- Liu, X.; Colli-Menchi, A.I.; Gilbert, J.; Friedrichs, D.A.; Malang, K.; Sánchez-Sinencio, E. An Automatic Resonance Tracking Scheme with Maximum Power Transfer for Piezoelectric Transducers. IEEE Trans. Ind. Electron. 2015, 62, 7136–7145. [Google Scholar] [CrossRef]
- Di, S.; Fan, W.; Li, H. Parallel resonant frequency tracking based on the static capacitance online measuring for a piezoelectric transducer. Sens. Actuator A-Phys. 2018, 270, 18–24. [Google Scholar] [CrossRef]
- Oliver, B.; Cage, J. Electronic Measurements and Instrumentation; McGraw-Hill: New York, NY, USA, 1971. [Google Scholar]










| Driving Frequency | 40–45 kHz |
| Maximum Driving Voltage | 130 Vrms |
| Maximum Torque | 1.0 Nm |
| Rated Output | 5.0 W |
| Maximum Velocity | 150 rpm |
| VCBVF | FBVC | |||
|---|---|---|---|---|
| Load (Nm) | Rise Time (ms) | Overshoot (%) | Rise Time (ms) | Overshoot (%) |
| 0 | 3.0 | 2.0 | 6.0 | 4.0 |
| 0.2 | 3.0 | 4.0 | 6.0 | 10.0 |
| 0.4 | 4.0 | 10.0 | 6.0 | 18.0 |
| 0.6 | 4.0 | 22.0 | 7.0 | 40.0 |
© 2019 by the authors. Licensee MDPI, Basel, Switzerland. This article is an open access article distributed under the terms and conditions of the Creative Commons Attribution (CC BY) license (http://creativecommons.org/licenses/by/4.0/).
Share and Cite
Fang, Z.; Yang, T.; Zhu, Y.; Li, S.; Yang, M. Velocity Control of Traveling-Wave Ultrasonic Motors Based on Stator Vibration Amplitude. Sensors 2019, 19, 5326. https://doi.org/10.3390/s19235326
Fang Z, Yang T, Zhu Y, Li S, Yang M. Velocity Control of Traveling-Wave Ultrasonic Motors Based on Stator Vibration Amplitude. Sensors. 2019; 19(23):5326. https://doi.org/10.3390/s19235326
Chicago/Turabian StyleFang, Zhiwei, Tianyue Yang, Yuanfei Zhu, Shiyang Li, and Ming Yang. 2019. "Velocity Control of Traveling-Wave Ultrasonic Motors Based on Stator Vibration Amplitude" Sensors 19, no. 23: 5326. https://doi.org/10.3390/s19235326
APA StyleFang, Z., Yang, T., Zhu, Y., Li, S., & Yang, M. (2019). Velocity Control of Traveling-Wave Ultrasonic Motors Based on Stator Vibration Amplitude. Sensors, 19(23), 5326. https://doi.org/10.3390/s19235326

