Abstract
This paper presents a fully integrated Gm–C low pass filter (LPF) based on a current steering Gm reduction-tuning technique, specifically designed to operate as the output stage of a SoC lock-in amplifier. To validate this proposal, a first-order and a second-order single-ended topology were integrated into a 1.8 V to 0.18 µm CMOS (Complementary Metal-Oxide-Semiconductor) process, showing experimentally a tuneable cutoff frequency that spanned five orders of magnitude, from tens of mHz to kHz, with a constant current consumption (below 3 µA/pole), compact size (<0.0140 mm2/pole), and a dynamic range better than 70 dB. Compared to state-of-the-art solutions, the proposed approach exhibited very competitive performances while simultaneously fully satisfying the demanding requirements of on-chip portable measurement systems in terms of highly efficient area and power. This is of special relevance, taking into account the current trend towards multichannel instruments to process sensor arrays, as the total area and power consumption will be proportional to the number of channels.
1. Introduction
Recent technological advances in the implementation of CMOS-based sensors has raised the interest of designing low-power compact electronic interfaces to be integrated in the same chip as the sensing element, so as to obtain miniaturized system-on-chip (SoC) portable devices with improved reliability and reduced fabrication costs. In this endeavor, there is one crucial front-end basic building block that possess significant challenges in being fully integrated with high performance, compact size, and low-power consumption—low-pass filters (LPFs) with very low cutoff frequencies.
Accordingly, in recent years, there has been significant research efforts towards the development of such LPFs, boosted mainly because of their application in biomedical systems [1,2,3,4], where it is necessary to low pass filter the signal over the frequencies of interest—typically in the 100 mHz to 1 kHz range—to remove noise before digitizing it for further processing. These LPFs are also widely used as DC (Direct Current) magnitude extractors; in this case, they are typically placed in the last stage of the sensor readout chain and require sub-Hz cutoff frequencies, such as in lock-in amplifiers (LIA), an extremely versatile instrument mostly used as a precision AC (Alternating Current) voltage and AC phase meter, or equivalently, as an impedance spectroscope [5,6,7,8,9,10,11,12,13], an application field that is the motivation of this work.
Lock-in amplifiers are based on a technique known as phase sensitive detection (PSD) that can extract the amplitude and phase of a signal even in a noisy environment operating at a known frequency f0 [14,15,16,17]. In a single-phase LIA, the input signal Vin = as*sin(ωt) (sensor response) is typically amplified by a low-noise amplifier (LNA) As = ALNA*as; then, a mixer or phase-sensitive detector controlled by a reference signal Vref of the same frequency f0 and aligned in phase (θ = 0) with Vin demodulates the input signal [18]. An output LPF, with a suitable corner frequency, extracts the DC component VX of the resulting synchronously modulated signal, which is proportional to the input signal amplitude according to
assuming that Vref is a digital signal, Vdd is the system single supply, and Vdd/2 the common mode voltage.
To recover both amplitude and phase information, a dual-phase LIA with two branches—with two outputs VX and VY, instead of one (Figure 1)—is needed. The input signal is respectively multiplied in both branches by quadrature reference signals Vref (fo) and Vref (fo, 90°), recovering after the corresponding LPF the DC outputs VX and VY, proportional to the magnitude and phase or, equivalently, the real and imaginary components:
Figure 1.
Dual-phase lock-in amplifier.
Assuming that all the electronics prior to the filter present low noise performance, the accuracy in the recovery largely depends on the LPF cutoff frequency. In this sense, a LIA can be understood as a band-pass filter with central frequency f0 and a very high quality factor Q = (f0/fc), where fc is the bandwidth of the output low-pass filter. Hence, the smaller the LPF cutoff frequency, the better the noise rejection and the better the recovery accuracy, but a compromise arises with the related acquisition times.
Different integrated LIAs have been recently proposed for smart instrumentation applications [13,19,20,21] to exploit the advantages that render CMOS compatibility in terms of miniaturization. However, these LIAs maintain the LPF external use of off-chip resistors and capacitors [19,20,21] or, for fully integrated LIA solutions [13], the active filter area is rather large (it is the dominant element of the 3.6 mm2 area of the implemented chip) for frequencies ~300 Hz. In particular, a previous author’s proposal [21] achieves very competitive capabilities in terms of area, power, and signal recovery, but the LPF is also kept external. Thus, the purpose of this work was to design an LPF suitable for this LIA architecture to achieve a fully integrated design. Accordingly, the design specifications were 1.8 V to 0.18 µm CMOS monolithic single-ended stage with two configurable cutoff frequencies of 0.5 and 5 Hz to bring flexibility to the system adjusting the speed-accuracy trade-off; input range from Vdd/2 = 0.9 V up to Vdd = 1.8 V, corresponding to the synchronous rectified signal range, assuming a single supply Vdd = 1.8 V and signals over a common-mode Vcm = Vdd/2; low noise, to preserve high dynamic range; compact size (<0.1 mm2) and minimum power consumption (<10 µW) with currents of the order of hundreds of nA to be reliably generated on-chip.
There is a vast amount of literature on integrated low pass filters with very low-cutoff frequencies, mainly based on Gm–C approach [22,23,24,25,26,27,28,29,30,31,32,33,34,35,36] and focused on biological signal processing. Therefore, besides not strictly presenting a tuneable frequency over our target sub-Hz to Hz range (5.4 kHz [22], from 2 kHz to 20 kHz [23]), some of them exhibit a power consumption rather high to be suitable to be integrated within multichannel systems ([24] consumes 75.9 µW, [25] from 59.5 µW to 90 µW, and [26] 105.3 µW including a buffer). Among those that are power-efficient, either area is jeopardized, restricting their use within portable devices (an area of 0.336 mm2 is reported in [27], 0.2 mm2 in [28,29] has an external 10 nF capacitor, [30] has an area of 1 mm2, and an area of 0.24 mm2 is reported in [31]), or dynamic range is jeopardized (34 dB [22] and 49.9 dB [32]), whereas others achieve such low power thanks to bias currents in the order of pA or a few nA, which are difficult to be reliably generated on-chip and are typically tuned to adjust the Gm and thus adjust the cut-off frequency (from 300 pA to 900 pA [33], from 90 pA to 430 pA [34], in [35] two bias currents are used ranging from 200 pA to 4 nA and from 1 nA to 20 nA respectively, and from 250 pA to 25 nA [36]), existing on the overall power-area-dynamic range trade-off that makes their design a real challenge.
Thus, a novel low pass filter is needed that satisfies all the needed specifications for its operation as a DC extractor in a portable multichannel LIA-based measurement system, enhancing the state-of-the-art power-area-dynamic range trade-off, so as to obtain a topology suitable for its use in the next generation of lock-in based-measurement devices for impedance sensor arrays.
To do so, we notice that in [1] an OpAmp active-RC low pass filter with a current steering technique (CST) that attenuates the current through the integrator in the feedback loop is proposed, reaching an fc down to 0.25 Hz from a nominal target fc of 18 Hz. It is a simpler structure compared to previously reported Gm–C techniques, but at the expense of a reduced input impedance. Thus, in this work, a Gm–C approach was adopted to attain a high impedance input node, which made the coupling between stages straightforward. The core of the V–I converter remained unaltered so that the bias point was not moved from its optimum value, whereas both Gm reduction and tuning were done in the transconductor output current transfer section, exploiting a current steering technique as the most suitable choice for effectively reducing the Gm, preserving a good overall performance trade-off. In this way, all the requirements of a SoC high performance solution can be simultaneously met, bringing about a very competitive solution.
Authors have reported preliminary simulation results of the basic integrator in [37]. This current paper offers a more in depth study and the complete experimental characterization of these structures. The paper is organized as follows: Section 2 describes the proposed Gm topology and the two derived low pass filters. The experimental results are summarized in Section 3, in Section 4 experimental measurements of the LPF applied to a lock-in amplifier are shown, and conclusions are drawn in Section 5.
2. Proposed Gm-C LPF
A single-input single-output LPF was required for our application (Figure 1). Therefore, a differential-input single-output Gm-C architecture in unity gain feedback configuration was adopted. The resulting closed-loop configuration maintained, without a specific Gm linearization technique, good linearity in the passband over all the input range while not degrading the noise [36], optimizing the dynamic range in this way. Note that for this scheme, when the input signal frequency is close to the filter cut-off frequency, there will be an important phase shift among both inputs of the transconductor, which will cause distortion. Therefore, it is not a general-purpose low-pass signal-processing filter, but a DC extractor for synchronously rectified signals operating at higher frequencies. Figure 2 shows the basic order-1 scheme and the corresponding transfer function, with a pole located at Gm/C [38]. The load capacitor value was set to 50 pF, considered the maximum practical on-chip capacitor.
Figure 2.
First-order Gm-C low-pass filter (LPF) and its corresponding transfer function.
Two structures were implemented: the basic integrator (order-1 filter, O1F) in Figure 2 and a second-order LPF (O2F).
2.1. Transconductor Architecture
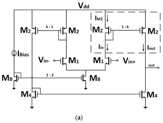
The transconductor core was the classic mirrored Operational Transconductance Amplifier (OTA) (Figure 3a). Its overall transconductance was given by Gm = k*gm1, with gm1 the transconductance of the input differential pair M1 and k the gain factor of the current mirror. To keep an intrinsic reduced Gm value, the input pair was designed to have a small gm1 ~µS with a bias current IBias = 0.5 µA while unity gain (k = 1) current mirrors were used. Thus, this scheme provided the same gain Gm = gm1 as the classical differential pair, but uncoupled the input and output common-mode range at the cost of doubling the power consumption. Because the input voltage needs to swing from Vdd/2 to nearly Vdd for our target LIA application, a Negative-channel Metal-Oxide-Semiconductor (NMOS) input pair was used.

Figure 3.
(a) Classic mirrored OTA; (b) current steering OTA.
On the basis of this structure (Figure 3a), the idea was to keep constant the input V–I conversion gain (gm) so that the input NMOS differential pair was biased with a constant bias current introduced through a 1:2 current mirror, and a current steering technique was introduced in the output current transfer section to reduce the overall Gm. This was achieved by replacing the conventional M2 current mirrors by current steering gain tuneable M2–M3 high swing cascode current mirrors, as shown in Figure 3b. Transistors M2 remained equal, but cascode transistors M3—both in the input and output branches—were split into identical transistors driven not by a constant VC gate voltage but by complementary control voltages V± = VC ± Vgc [39], resulting in two output branches conveying complementary currents.
Because transistors M2 present the same drain to source voltage and gate to source voltage, the current mirror operated properly, rendering unity gain current Iout = Iin. The output current Iout was split into two complementary currents, IO1 and IO2, whose fractional value αi (0 ≤ αi ≤ 1) depended upon the differential control voltage Vgc:
Therefore, the transconductance gain for each output had complementary values:
with Gmo1 + Gmo2 = Gm = gm1.
The simulated behavior of the DC current splitting over the control voltage variation is shown in Figure 4a, for Vgc > 0 (the figure is complementary for Vgc < 0). The tuning voltage variation Vgc ranged from 0 up to ≈200 mV, to keep the output offset bounded below ±1% and a DC gain error below 0.5 dB. Note that for Vgc = 0, IO1 = IO2 = IBias/2 = 250 nA; for Vgc > 0, IO1 < IO2; for Vgc < 0, IO1 > IO2 and the complementary division is obtained [39].
Figure 4.
Simulated behavior of (a) current and (b) Gm over Vgc for branches O1 and O2.
The simulated transconductance variation in both branches O1 and O2 is shown in Figure 4b. Initially, transistors M3O1 and M3O2 were in saturation, strong inversion, and IO1 and IO2 followed a linear relation with Vgc (up to ≈50 mV). Transistor M3O2 remained in strong saturation over all Vgc variation, but for approximately Vgc > 50 mV, M3O1 entered the weak inversion regime, and thus its current had an exponential relationship with Vgc and therefore the transconductance for O1 followed a linear dependence with Vgc in a logarithmic scale, as can be seen in Figure 4.
Figure 5 shows the capacitance variation of a MOS (Metal-Oxide-Semiconductor) capacitor over the output voltage, showing that from Vdd/2 to Vdd it had a constant 50 pF capacitance.
Figure 5.
Capacitance variation of the MOS capacitor over the output voltage.
2.2. O1-Filter: O1F
The schematic of the basic unity gain integrator, named O1F, is shown in Figure 6a. Transistor sizes (in µm/µm) were M1 = 7.5/10, M2 = 10/4, M3 = 5/4, M4 = 1/4, MB = 2/10, and MB’ = 4/10. It had a 1.8 V supply voltage with a common mode Vcm = Vdd/2 = 0.9 V, VC of the complementary control voltages at the gates was set to 1.2 V to maximize the input range, the bias current—externally generated—was set to 0.5 µA, with a total power consumption of 5.4 µW. The reason for using such lengths (L = 10 µm) was, on one hand, to reduce the input-referred noise at the differential input pair. On the other hand, in this way, a small W/L ratio can be achieved, making the input pair gm smaller (gm ≈ 10 µS) while operating in saturation with bias currents ~µA.
Figure 6.
O1F (a) proposed integrated circuit; and (b) photograph. *MIM: Metal-Insulator-Metal
For the output stage, two conventional NMOS cascode current mirrors generated the complementary outputs O1 and O2.
Cascode current mirrors were chosen instead of high swing cascade, as an output voltage of 0.9 V was needed, and since the operating range for the application was from Vdd/2 to Vdd, an increase on the voltage range towards Vss was not needed, and in this way an extra bias voltage was saved. Output O1 was selected as the integrator output, and output O2 is kept at Vdd/2 to preserve symmetry and assure linear current division in the output branches.
Figure 6b presents the microphotograph of the integrated O1F. The active area of the proposed Gm structure without the capacitor was 78.5 × 61.5 µm2. As shown, both a MIM (Metal-Insulator-Metal) and a MOS capacitor were implemented so that a performance comparison can be made. A clear advantage of using a MOS capacitor instead of an MIM capacitor was the great save in area (a reduction of the 85%). Thus, the total active area with the MOS capacitor was 0.0140 mm2.
2.3. O2-Filter: O2F
The second order filter, named O2F, was also a unity gain scheme based on [27] with a quality factor Q = 1/√2 given by C2 = 0.5C1, C1 = 50 pF, both MOS capacitors. Figure 7a shows its structure as well as its quality factor and cutoff frequency, where each Gm structure was identical to the one reported in the previous subsection, again with a bias current of 0.5 µA, and thus the total power consumption was 9.9 µW. The microphotograph is shown in Figure 7b.
Figure 7.
Proposed O2F (a) schematic with Q-factor and upper-band limit; (b) microphotograph.
3. Experimental Results
To perform the experimental characterization of the two low pass filters, integrated in a single die (Figure 8), we designed a printed circuit board (PCB) (Figure 9). In Figure 10, the measurement setup is shown—both the experimental setup (Figure 10a) and the block diagram (Figure 10b)—for the characterization of the main parameters of the circuits: tunability, cutoff frequency range, Vin–Vout characteristic, quiescent current, and linearity.
Figure 8.
Microphotography of the integrated circuit (IC). The highlighted circuits (in blue and green) are the LPFs presented in this paper.
Figure 9.
Detail of the printed circuit board (PCB) test: (a) front and (b) rear.

Figure 10.
Measurement setup for the characterization of the low pass filters: (a) experimental setup, and (b) block diagram of static (grey) behavior and dynamic (green) behavior. SMU: source measurement unit, DAQ: data acquisition card.
3.1. Experimental Setup
The integrated die had five separated circuits, as can be seen in Figure 8, with the two integrated LPFs presented in this paper being the ones marked in green and blue, using a total of 18 pins (10 for O1F, 7 for O2F and Vss) out of the 48 existing in the packaging used (48-DIL, Dual-In-Line). All of the circuits had a common ground, but they were biased through different input pins, as not all of them worked at the same supply voltage.
The PCB shown in Figure 9 was designed with a set of jumpers (front) and switches (rear) to select, either manually or automatically with a data acquisition card (DAQ) NI-USB 6008, the circuit to be characterized without compromising the other circuits in the die. For the switches, a low impedance NMOS transistor IRFML8244 (RDS = 41 mΩ, drain-to-source resistance) with their gates connected to the digital outputs of the DAQ was used.
In addition, there were jumpers to connect the MIM or MOS capacitor and to shortcut Vin with Vout for the O1F so it could be tested as an OTA and as a filter.
One channel of a dual source measurement unit (SMU) Keithley 2636B set the voltage supply to the corresponding activated LPF, and the bias current was supplied to the circuit using the other channel. A second dual SMU was used to provide the control voltage Vgc and the input voltage Vin in the static characterization. A 34401A Agilent 6½ digital multimeter (DMM) was used to read the DC output voltage, Vout. For the dynamic characterization, an Agilent 3352A arbitrary waveform generator (AWG) provided the input voltage, and the transient input and output signals were read through a DPO4104 Tektronix oscilloscope. All the instrumentation was connected to a PC, having the measurement process automatized. Figure 10b shows in grey the instrumentation used for the static characterization and in green the instrumentation used for the dynamic characterization.
The complementary control voltages were provided with an SMU to keep a tight control of their values and study the dependence of the filters parameters with them. However, in order to provide a portable device, this solution was not realistic, and different approaches can be employed to substitute the SMUs either using commercial components such as a digital potentiometer [40], a digital-to-analog converter (DAC) [41,42], or with a microcontroller (µC) if it is used to generate the excitation signal or to read the filtered signals from the LPFs; otherwise, it is also possible to use a specific integrated circuit (IC) to generate these voltages [43,44].
First, the current steering performance was validated. For this, a replica transconductor was included in the die. The current flowing through each output branch, O1 and O2, was measured by connecting a load resistor. From these measurements, the transconductances, Gm,O1 and Gm,O2, and their dependency with Vgc, were derived and are shown in Figure 11, presenting a good matching with the simulation results (Figure 4b).
Figure 11.
Variations over Vgc for Gm of branches O1 and O2 (O1F).
3.2. Gm-C LPF Cutoff Tunability
Figure 12 shows the filters cutoff frequencies by steeping Vgc in 10 mV steps. The cutoff frequency of the O1F implemented with a MOS capacitor could be tuned from 66 mHz (Vgc = 210 mV) up to 2.5 kHz (Vgc = 0 mV). On the other hand, with an MIM capacitor, the frequency range achieved was similar, from 66 mHz up to 1.2 kHz. Thus, MOS capacitor is the most suitable choice, as it rendered a comparable frequency range but with the advantage of significantly saving area. The cutoff frequency of the O2F could be tuned from 157 mHz (Vgc = 220 mV) up to 5.2 kHz (Vgc = 0 mV). Thus, the target frequencies of 0.5 and 5 Hz initially established were within the ranges of both filters.
Figure 12.
LPF cutoff frequencies for different Vgc values.
Through simulation, it was verified that both target cutoff frequencies could be met even against PT-variations (V is assumed to be provided by a voltage Low Drop-Out (LDO) regulator [45]). Experimentally, to study the influence of the temperature over the cutoff frequency, a Fitoterm 22E thermal chamber from Aralab was used to sweep the temperature from −40 to 100 °C. Despite the dependence with the temperature, it was possible to correct the variation produced by T and achieve a constant fc over all of the temperature range thanks to the tunability of the circuit. In Figure 13, it was shown that the Vgc tuning needed to keep the cutoff frequency constant at 5 Hz for both filters.
Figure 13.
Vgc tuning over temperature to keep constant fc at 5 Hz.
3.3. DC Input/Output Characteristics
Focusing on our two target cutoff frequencies, 0.5 Hz and 5 Hz, Figure 14 shows the static Vin–Vout integrator transfer characteristic. Figure 14a,b presents detailed measurements of the input/output characteristics of filters O1F and O2F, respectively, for both target cutoff frequencies. Figure 14c presents for O2F, fc = 0.5 Hz, the oscilloscope caption of the output signal for a triangular input signal ranging from 0 to Vdd. These measurements were done following the setup for static behavior presented in Figure 10b, using the 34401A Agilent DMM to read the DC output voltage, and the 2602A Keithley SMU to generate and read the input voltage.
Figure 14.
DC input/output characteristic with fc 0.5 Hz and 5 Hz for: (a) O1F, (b) O2F, and (c) oscilloscope caption of O2F for fc = 0.5 Hz. Scale (only for Figure 14c): 200 mV/square and 4 s/square.
No major difference was appreciated by using an MIM or a MOS capacitor, but from Figure 5 it can be seen that for MOS capacitors the minimum DC output voltage to provide a 50 pF capacitance was ≈0.42 V. The linear input range was 0.43 V (0.45 V-MOS) to 1.65 V (fc = 0.5 Hz), and 0.39 V (0.45 V-MOS) to 1.67 V (fc = 5 Hz) for O1F (Figure 14a), whereas for O2F (Figure 14b), it ranged from 0.45 V to 1.65 V and 0.45 V to 1.67 V for fc = 0.5 Hz and 5 Hz, respectively. Note that this will not affect the achieved dynamic range, as will be shown next.
3.4. Dynamic Range
The total harmonic distortion (THD) as a function of the peak-to-peak amplitude is shown in Figure 15. The setup measurement followed the green setup of Figure 10b, which corresponded with the setup for the dynamic behavior. A sinusoidal input signal at a frequency fc/5 and with variable amplitude was generated with the 33522A Agilent AWG, whereas the DPO4104 Tektronix oscilloscope measured the output signal. The fast Fourier transform (FFT) of the output signal was recovered, computing the THD for each amplitude of the input signal.
Figure 15.
Total harmonic distortion (THD) versus input voltage peak to peak for (a) O1F and (b) O2F; and (c) detail of the frequency spectrum for O1F MIM-Cap. (fc = 5 Hz, fin = fc/5, amplitude 41 mVpp).
For O1F, THD was below 1% at a frequency fc/5 up to 210 mVpp in the cases of fc = 0.5 Hz and up to 162 mVpp in the cases of fc = 5 Hz (Figure 15a). For O2F, THD was below 1% at fc/5, for amplitudes up to 305 mVpp and 345 mVpp for fc = 0.5 Hz and 5 Hz, respectively (Figure 15b). The THD for the filter using a MIM capacitor presented similar values as with the MOS capacitor.
Figure 15c shows a detailed view of the frequency spectrum for one of the THD values shown in Figure 15a. It shows the input signal (in blue) with a 41 mVpp amplitude and a 1 Hz frequency coupled with the 50 Hz line signal. The math function (in red) represents the FFT (fast Fourier transform) of the signal after being filtered by O1F with a 5 Hz cutoff frequency. From Figure 15c, after processing the FFT, the THD obtained was 0.65%, which corresponded with the O1F-5 Hz MIM-Cap. value of Figure 15a.
The rms (root mean square) noise was obtained through simulation (Figure 16) of the extracted views of each circuit over an integration band of 10 kHz. Values for cutoff frequencies of 0.5 and 5 Hz were, respecively: 13.3 and 16.3 µVrms for O1F, and 19.2 and 19.9 µVrms for O2F. Thus, the dynamic range was above 70 dB for both filters and cutoff frequencies.
Figure 16.
Noise over frequency for both cutoff frequencies of O1F-MOS and O2F.
4. LPF in a Lock-In Amplifier
The proposed circuits were tested, operating as the last processing element in a lock-in amplifier—a LPF responsible for obtaining the average value of a voltage signal provided by the previous stage, a synchronous rectifier. Figure 17 shows an example of a signal provided by a synchronous rectifier prior to being filtered to recover its DC component, showing a 200 mVpp noise-free amplitude embedded in white noise with a signal-to-noise ratio (SNR) of 20 dB. The frequency of the input test signals was set to 70 kHz, in the range of the resonance frequencies of the microcantilever-based sensors used in volatile organic compounds (VOC) detection and identification [46]. For the sake of simplicity, we considered test signals as being provided by purely resistive systems, where the DC value followed Equation (2), being the phase shift θ = 0, and a single-phase LIA can recover the input data, whereas for signals provided by complex impedance devices (whose phase shift θ can be nonzero), a dual-phase LIA was needed to recover both amplitude and phase information, and thus two LPFs would be required to obtain the average values given in Equations (2) and (3).
Figure 17.
Rectified input signal for a 200 mVpp amplitude with embedded white noise (signal-to-noise ratio (SNR) = 20 dB).
Figure 18 shows the DC voltage values recovered for input signals with amplitude values (peak-to-peak) ranging from 150 µV to 5.75 mV, and an SNR > 20 dB. Signal was previously conditioned by a preamplifier with a gain G = 100. The LPF cutoff frequency was set to fc = 5 Hz. Selecting a cutoff frequency 10 times lower (fc = 0.5 Hz), the recovered amplitude would present a higher accuracy but at a much longer output stabilization time. Similarly, a higher fc would provide a faster response but at a lower accuracy.
Figure 18.
Lock-in amplifier (LIA) experimental recovered amplitude versus input signal: (a) amplitude values up to 560 mVpp with G = 100; and (b) zoomed area for the first 120 mVpp.
The proposed O1F filter presented a current consumption below 3 µA, a tuneable cutoff frequency spanning over five orders of magnitude, and an area of 0.0140 mm2; otherwise, the O2F filter provided a better average voltage estimation but at an increase of power and area consumption. Table 1 shows a comparison with previously reported works covering similar tunability and frequency ranges to our proposals. Analyzing the figures of merit (FoMs) in the literature, we found that the main parameters that are involved are power, dynamic range (DR), order of the filter (n), bandwidth (BW), and area consumption. We included in the table two FoMs defined in [31,32], as they not only take into account all the previous parameters, but also normalize the power (NP) and the area (NA) consumption to the technology used, according to:
with NP = Power × [0.5/(Vdd − Vth)] × (1/Vdd) and NA = area(mm2)/Tech(µm2)2, with Vth = 0.4 V for 0.18 µm CMOS technology and 0.6 V for 0.35 µm CMOS technology.
Table 1.
LPF performance comparison with similar Gm-C works.
As Table 1 shows, both filters presented a significant enhancement in the dynamic range, whereas the target cutoff frequencies can be maintained for a range of temperatures from −40 °C to 100 °C. Both FoMs showed a good performance for all the frequency range compared with the other proposed filters, proving it was an efficient solution in terms of power and area consumption.
5. Conclusions
Two low pass filters with programmable cutoff frequencies were presented in this paper. They relied on a simple current steering technique to give tunability over a wide frequency range. The first order LPF with a 1.8 V voltage supply presented a five orders of magnitude fc range, with a low power consumption and a high dynamic range. Similar results were achieved with the second proposed structure, a second order design, with a 1.8 V voltage supply, increasing the cutoff frequency range and slightly enhancing the dynamic range at the expense of an increase of the area and power consumption. Compared to state-of-the-art solutions, the proposed structure exhibited very competitive performances while meeting the critical requirements of battery-portable on-chip micro-instruments in terms of power and area efficiency, critical for its implementation in multichannel measurement instruments for impedance sensor arrays. Further reduction on the power consumption could be achieved by lowering the bias current used.
The recovered signals from Section 4 showed the validity of the proposed LPFs as DC magnitude extractors. Higher accuracy over the recovered signal was achieved with the second order filter, although a higher consumption in power and area was required. Thus, there was an accuracy power–area trade-off that was dependent on the order of the filter. Thanks to the implementation of a fully integrated low pass filter, we achieved a completely integrated lock-in amplifier, together with the previously authors proposal [21] for a multichannel measurement device.
Author Contributions
All authors equally contributed to the content of this article.
Funding
This research was partially supported by MINECO/FEDER, UE grant number TEC2015-65750-R.
Acknowledgments
Authors would like to acknowledge the use of Servicio General de Apoyo a la Investigación-SAI, University of Zaragoza.
Conflicts of Interest
The authors declare no conflict of interest.
References
- Wong, A.; Pun, K.P.; Zhang, Y.T.; Hung, K. A Near-Infrared Heart Rate Measurement IC with Very Low Cutoff Frequency Using Current Steering Technique. IEEE TCASI 2005, 52, 2642–2647. [Google Scholar] [CrossRef]
- Rieger, R.; Demosthenous, A.; Taylor, J. A 230-nW 10-s Time Constant CMOS Integrator for an Adaptive Nerve Signal Amplifier. IEEE JSSC 2004, 39, 20–1975. [Google Scholar] [CrossRef]
- Yufera, A.; Rueda, A.; Muñoz, J.M.; Doldan, R.; Leger, G.; Rodriguez-Villegas, E.O. A Tissue Impedance Measurement Chip for Myocardial Ischemia Detection. IEEE TCASI 2005, 52, 2620–2628. [Google Scholar] [CrossRef]
- Li, Y.; Poon, C.C.Y.; Zhang, Y.T. Analog Integrated Circuits Design for Processing Physiological Signals. IEEE R-BME 2010, 3, 93–105. [Google Scholar] [CrossRef]
- Li, H.; Liu, X.; Li, L.; Mu, X.; Genov, R.; Mason, A.J. CMOS Electrochemical Instrumentation for Biosensor Microsystems: A Review. Sensors 2017, 17, 74. [Google Scholar] [CrossRef]
- Shaikh, M.O.; Srikanth, B.; Zhu, P.-Y.; Chuang, C.-H. Impedimetric Immunosensor Utilizing Polyaniline/Gold Nanocomposite-Modified Screen-Printed Electrodes for Early Detection of Chronic Kidney Disease. Sensors 2019, 19, 3990. [Google Scholar] [CrossRef]
- Fernández, A.O.; Pinatti, C.A.O.; Peris, R.M.; Laguarda-Miró, N. Freeze-Damage Detection in Lemons Using Electrochemical Impedance Spectroscopy. Sensors 2019, 19, 4051. [Google Scholar] [CrossRef]
- Ortiz-Aguayo, D.; del Valle, M. Label-Free Aptasensor for Lysozyme Detection Using Electrochemical Impedance Spectroscopy. Sensors 2018, 18, 354. [Google Scholar] [CrossRef]
- Liu, X.; Jiang, H. Construction and Potential Applications of Biosensors for Proteins in Clinical Laboratory Diagnosis. Sensors 2017, 17, 2805. [Google Scholar] [CrossRef]
- Wu, J.; Dong, M.; Santos, S.; Rigatto, C.; Liu, Y.; Lin, F. Lab-on-Chip Platforms for Detection of Cardiovascular Disease and Cancer Biomarkers. Sensors 2017, 17, 2934. [Google Scholar] [CrossRef]
- Qiao, G.; Wang, W.; Duan, W.; Zheng, F.; Sinclair, A.J.; Chatwin, C.R. Bioimpedance Analysis for the Characterization of Breast Cancer Cells in Suspension. IEEE Trans. Biomed. Eng. 2012, 59, 2321–2329. [Google Scholar] [CrossRef] [PubMed]
- Cardoso, A.R.; Cabral-Miranda, G.; Reyes-Sandoval, A.; Bachmann, M.F.; Sales, M.G.F. Detecting circulating antibodies by controlled surface modification with specific target proteins: Application to malaria. Biosens. Bioelectron. 2017, 91, 833–841. [Google Scholar] [CrossRef] [PubMed]
- Badets, F.; Coutard, J.-G.; Russo, P.; Dina, E.; Glière, A.; Nicoletti, S. A 1.3 mW, 12-bit Lock-In Amplifier Based Readout Circuit Dedicated to Photo-Acoustic Gas Sensing. In Proceedings of the IEEE Sensors 2016, Orlando, FL, USA, 30 October–3 November 2016; pp. 1–3. [Google Scholar]
- About Lock-in Amplifiers. Appl. Notes No. 3, Stanford Research System, Data Sheets. 1999. Available online: https://www.thinksrs.com/downloads/PDFs/ApplicationNotes/AboutLIAs.pdf (accessed on 24 November 2019).
- Meade, M.L. Lock-in Amplifiers: Principles and Applications; Peter Peregrinus Ltd.: London, UK, 1983; Available online: https://sites.google.com/site/lockinamplifiers/ (accessed on 24 November 2019).
- Blair, D.P. Phase sensitive detection as a means to recover signals buried in noise. J. Phys. E Sci. Instrum. 1975, 8, 621–627. [Google Scholar] [CrossRef]
- Scofield, J.H. Frequency-domain description of a lock-in amplifier. Am. J. Phys. 1994, 62, 129–133. [Google Scholar] [CrossRef]
- Márquez, A.; Pérez-Bailón, J.; Calvo, B.; Medrano, N. A CMOS Self-Contained Quadrature Signal Generator for SoC Impedance Spectroscopy. Sensors 2018, 18, 1382. [Google Scholar] [CrossRef] [PubMed]
- De Marcellis, A.; Ferri, G.; D’Amico, A. One-Decade Frequency Range, in-Phase Auto-Aligned 1.8 V 2 mW Fully Analog CMOS Integrated Lock-in Amplifier for Small/Noisy Signal Detection. IEEE Sens. J. 2016, 16, 5690–5701. [Google Scholar] [CrossRef]
- Valente, V.; Demosthenous, A. Wideband Fully-Programmable Dual-Mode CMOS Analogue Front-End for Electrical Impedance Spectroscopy. Sensors 2016, 16, 1159. [Google Scholar] [CrossRef]
- Maya-Hernández, P.M.; Sanz-Pascual, M.T.; Calvo, B. Ultralow-Power Synchronous Demodulation for Low-Level Sensor Signal Detection. IEEE TIM 2018, 68, 3514–3523. [Google Scholar] [CrossRef]
- Gosselin, B.; Sawan, M.; Kerherve, E. Linear-Phase Delay Filters for Ultra-Low-Power Signal Processing in Neural Recording Implants. IEEE TBIOCAS 2010, 4, 171–180. [Google Scholar] [CrossRef]
- Peng, S.-Y.; Lee, Y.-H.; Wang, T.-Y.; Huang, H.-C.; Lai, M.-R.; Lee, C.-H.; Liu, L.-H. A Power-Efficient Reconfigurable OTA-C Filter for Low-Frequency Biomedical Applications. IEEE TCASI 2018, 65, 543–555. [Google Scholar] [CrossRef]
- Lu, J.; Yang, T.; Jahan, M.S.; Holleman, J. A low-power 84-dB dynamic-range tunable Gm-C filter for bio-signal acquisition. In Proceedings of the IEEE 57th International Midwest Symposium on Circuits and Systems (MWSCAS), College Station, TX, USA, 3–6 August 2014; pp. 1029–1032. [Google Scholar]
- Wang, S.; Koickal, T.J.; Hamilton, A.; Cheung, R.; Smith, L.S. A Bio-Realistic Analog CMOS Cochlea Filter with High Tunability and Ultra-Steep Roll-Off. IEEE TBIOCAS 2015, 9, 297–311. [Google Scholar]
- Rodriguez, S.; Ollmar, S.; Waqar, M.; Rusu, A. A Batteryless Sensor ASIC for Implantable Bio-Impedance Applications. IEEE TBIOCAS 2016, 10, 533–544. [Google Scholar] [CrossRef] [PubMed]
- Bruschi, P.; Nizza, N.; Pieri, F.; Schipani, M.; Cardisciani, D. A Fully Integrated Single-Ended 1.5–15-Hz Low-Pass Filter with Linear Tuning Law. IEEE JSSC 2007, 42, 1522–1528. [Google Scholar] [CrossRef]
- Arnaud, A.; Fiorelli, R.; Galup-Montoro, C. Nanowatt, Sub-nS OTAs, with Sub-10-mV Input Offset, Using Series-Parallel Current Mirrors. IEEE JSSC 2006, 41, 2009–2018. [Google Scholar] [CrossRef]
- Veeravalli, A.; Sanchez-Sinencio, E.; Silva-Martinez, J. Transconductance amplifier structures with very small transconductances: A comparative design approach. IEEE JSSC 2002, 37, 770–775. [Google Scholar] [CrossRef]
- Solis-Bustos, S.; Silva-Martinez, J.; Maloberti, F.; Sanchez-Sinencio, E. A 60-dB dynamic-range CMOS sixth-order 2.4-Hz low-pass filter for medical applications. IEEE TCASII 2000, 47, 1391–1398. [Google Scholar] [CrossRef]
- Lee, S.; Wang, C.; Chu, Y. Low-Voltage OTA–C Filter with an Area- and Power-Efficient OTA for Biosignal Sensor Applications. IEEE TBIOCAS 2019, 13, 56–61. [Google Scholar] [CrossRef]
- Sun, C.; Lee, S. A Fifth-Order Butterworth OTA-C LPF with Multiple-Output Differential-Input OTA for ECG Applications. IEEE TCASII 2018, 65, 421–425. [Google Scholar] [CrossRef]
- Sawigun, C.; Thanapitak, S. A 0.9-nW, 101-Hz, and 46.3-µVrms IRN Low-Pass Filter for ECG Acquisition Using FVF Biquads. IEEE TVLSI 2018, 26, 2290–2298. [Google Scholar]
- Germanovix, W.; Bonizzoni, E.; Maloberti, F. Capacitance Super Multiplier for Sub-Hertz Low-Pass Integrated Filters. IEEE TCASII 2018, 65, 301–305. [Google Scholar] [CrossRef]
- Rodriguez-Villegas, E.; Casson, A.J.; Corbishley, P. A sub-Hertz nanopower low pass filter. IEEE TCASII 2011, 58, 351–355. [Google Scholar]
- Sawigun, C.; Serdijn, W.A. A Modular Transconductance Reduction Technique for Very Low-Frequency Gm-C Filters. In Proceedings of the IEEE ISCAS 2012, Seoul, Korea, 20–23 May 2012; pp. 1183–1186. [Google Scholar]
- Pérez-Bailón, J.; Marquez, A.; Calvo, B.; Medrano, N. A 0.18μm CMOS Widely Tunable Low Pass Filter with sub-Hz Cutoff Frequencies. In Proceedings of the IEEE ISCAS 2018, Florence, Italy, 27–30 May 2018. [Google Scholar]
- Geiger, R.L.; Sanchez-Sinencio, E. Active Filter Design Using Operational Transconductance Amplifiers: A Tutorial. IEEE Circ. Devices Mag. 1985, 1, 20–32. [Google Scholar] [CrossRef]
- Ramírez-Angulo, J.; Sudha Gariemlla, S.R.; Lopez-Martin, A. New Gain Programmable Current Mirrors Based on Current Steering. In Proceedings of the IEEE International Midwest Symposium on Circuits and Systems (MWSCAS), San Juan, Puerto Rico, 6–9 August 2006. [Google Scholar]
- Maxim Integrated, MAX5413/14/15. Available online: https://datasheets.maximintegrated.com/en/ds/MAX5413-MAX5415.pdf (accessed on 27 September 2019).
- Maxim Integrated, MAX5520. Available online: https://datasheets.maximintegrated.com/en/ds/MAX5520-MAX5521.pdf (accessed on 27 September 2019).
- Maxim Integrated, MAX5530. Available online: https://datasheets.maximintegrated.com/en/ds/MAX5530-MAX5531.pdf (accessed on 27 September 2019).
- Sharuddin, I.; Lee, L.; Yusof, Z. Analysis design of area efficient segmentation digital to analog converter for ultra-low power successive approximation analog to digital converter. Microelectron. J. 2016, 52, 80–90. [Google Scholar] [CrossRef]
- Gosselin, B.; Simard, V.; Sawan, M. Low power programmable front-end for a multichannel neural recording interface. In Proceedings of the CCECE 2003—Canadian Conference on Electrical and Computer Engineering. Toward a Caring and Humane Technology, Montreal, QC, Canada, 4–7 May 2003; Volume 2, pp. 911–914. [Google Scholar] [CrossRef]
- Pérez-Bailón, J.; Márquez, A.; Calvo, B.; Medrano, N. A 0.18 µm CMOS LDO Regulator for an on-Chip Sensor Array Impedance Measurement System. Sensors 2018, 18, 1405. [Google Scholar] [CrossRef] [PubMed]
- Urbiztondo, M.A.; Peralta, A.; Pellejero, I.; Sese, J.; Pina, M.P.; Dufour, I.; Santamaria, J. Detection of organic vapours with Si cantilevers coated with inorganic (zeolites) for organic (polymer) layers. Sens. Actuators B Chem. 2012, 171–172, 822–831. [Google Scholar] [CrossRef]
- Sánchez-Rodríguez, T.; Gomez-Galan, J.A.; Carvajal, R.G.; Sánchez-Raya, M.; Muñoz, F.; Ramírez-Angulo, J. A 1.2-V 450-μW Gm-C Bluetooth Channel Filter Using a Novel Gain-Boosted Tunable Transconductor. IEEE TVLSI 2015, 23, 1572–1576. [Google Scholar]
© 2019 by the authors. Licensee MDPI, Basel, Switzerland. This article is an open access article distributed under the terms and conditions of the Creative Commons Attribution (CC BY) license (http://creativecommons.org/licenses/by/4.0/).