Securing Cryptographic Chips against Scan-Based Attacks in Wireless Sensor Network Applications
Abstract
1. Introduction
- (1)
- Mode-switching attacks
- (2)
- Test-mode-only attacks
- The proposed secure scan methodology will achieve complete protection against all categories of scan-based attacks. This can fully ensure the security for cryptographic chips in WSN applications.
- The advantages of scan design can be retained while improving the security of chips. In the proposed technique, only secure scan tests can be performed by unauthorized users, i.e., the cipher key is protected in test mode and the secret information is cleared when the circuit is switched from the normal mode to test mode. Just like standard scan design, the proposed scheme will provide full testability for the circuit under test (CUT) and make online testing executable for the authorized users.
- Under the prerequisite of security and testability guaranteed, a very lightweight hardware mechanism is proposed to extend the application range of the proposed scheme, especially for resource-constrained environments such as WSN. Based on this consideration, the proposed scheme designs a smart automatic test control unit and a small test authorization circuitry.
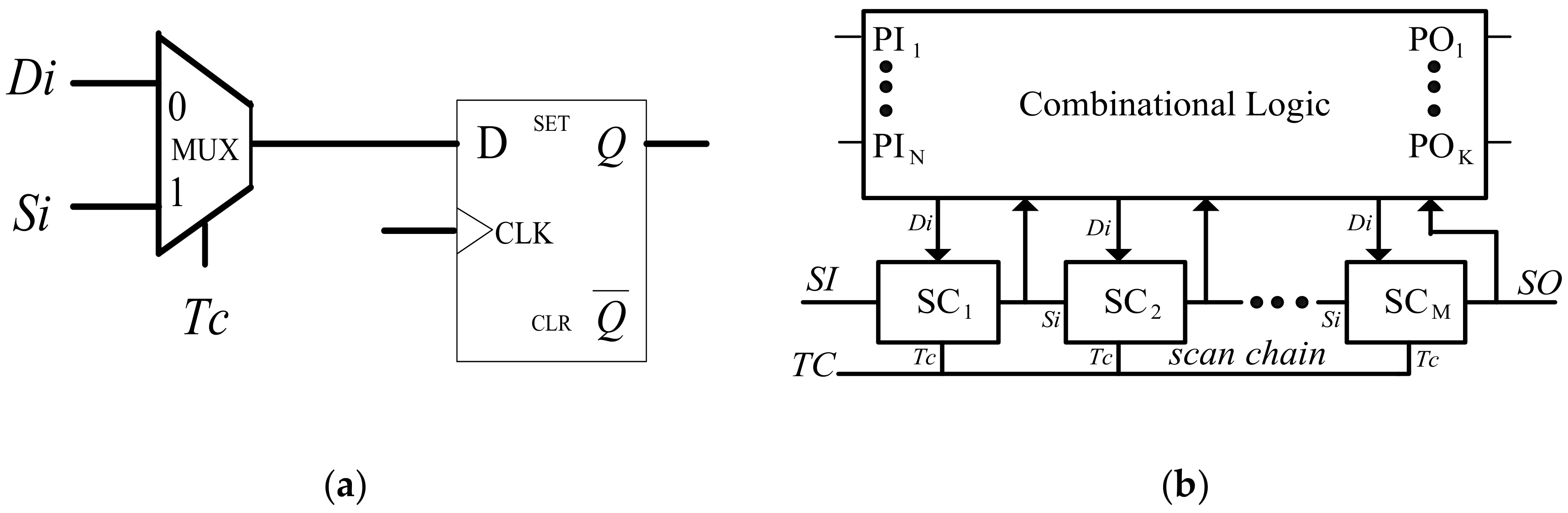
2. Scan Design and Countermeasures Thwarting Scan Attacks
2.1. Scan Design
2.2. Countermeasures Thwarting Scan Attacks
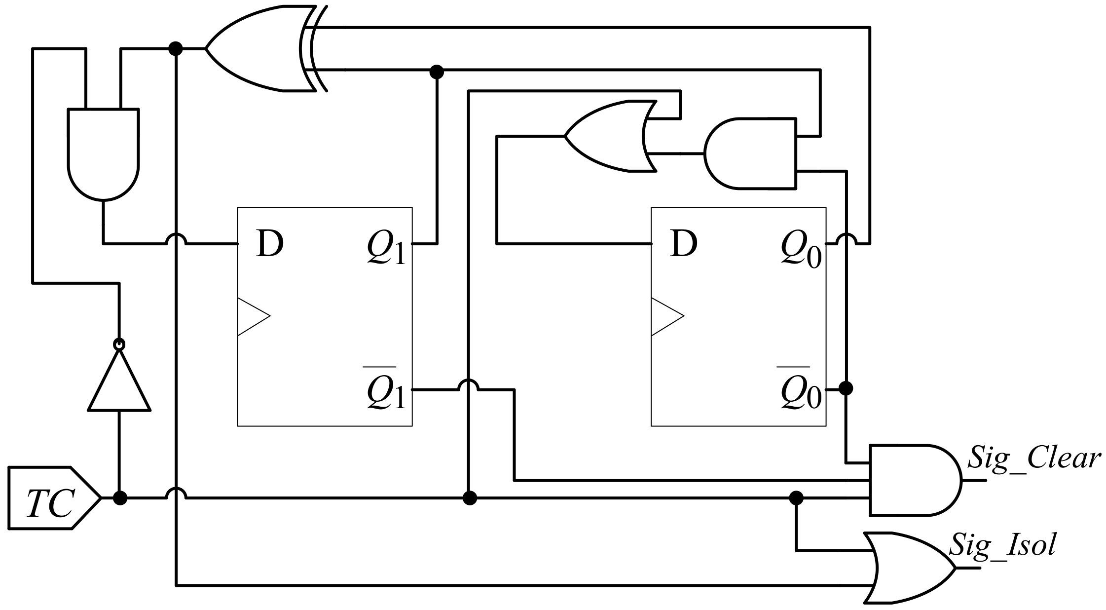
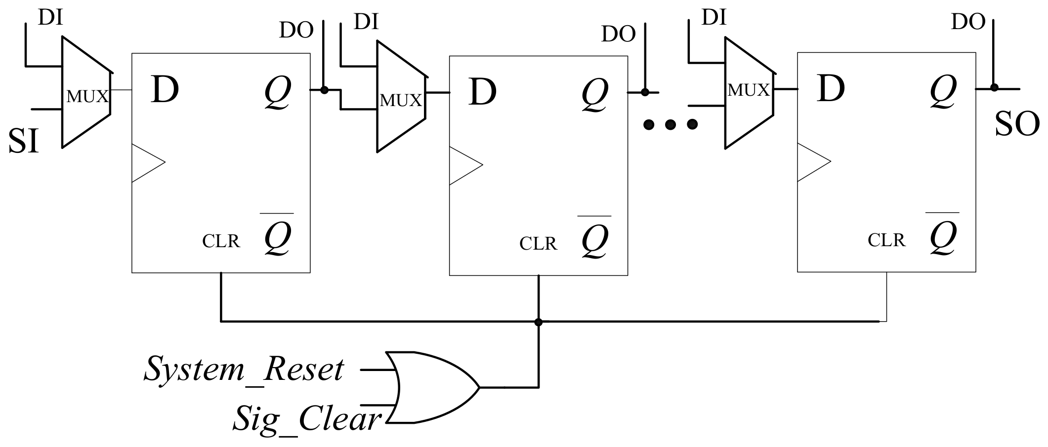
3. Secure Scan Scheme Based on Automatic Test Control Unit
- (1)
- Automatic test control unit
- (2)
- Aided resetting logic
- (3)
- Isolating logic
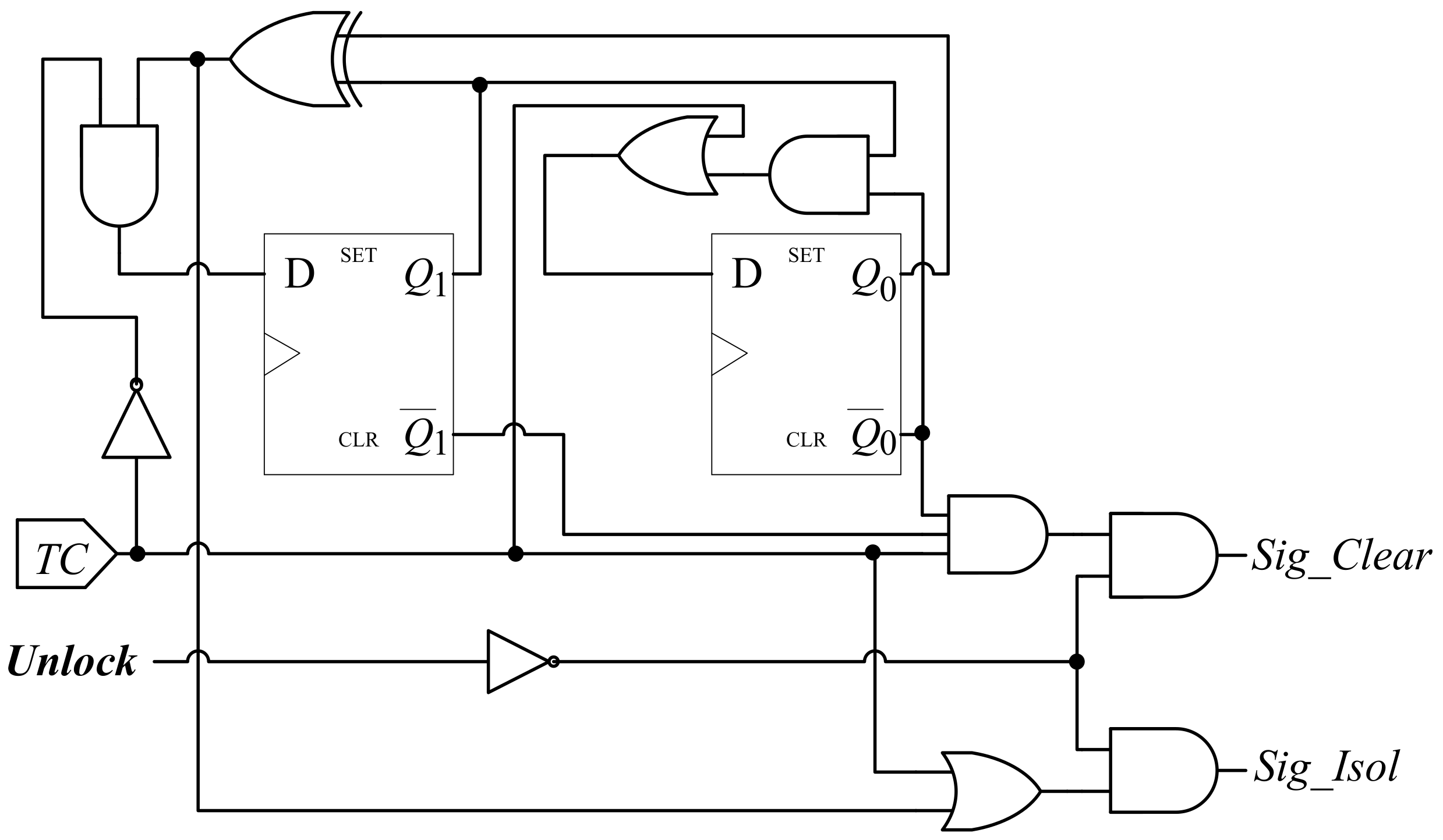
4. Improved Secure Scan Scheme Based on Automatic Test Control Unit
5. Performance Analysis
5.1. Testability Analysis
5.2. Security Analysis
- (1)
- Brute force attack
- (2)
- Mode switching attack
- (3)
- Test-mode-only attack
5.3. Overhead Analysis
6. Conclusions
Author Contributions
Funding
Acknowledgments
Conflicts of Interest
References
- Xie, H.; Yan, Z.; Yao, Z.; Atiquzzaman, M. Data Collection for Security Measurement in Wireless Sensor Networks: A Survey. IEEE Internet Things J. 2019, 6, 2205–2224. [Google Scholar] [CrossRef]
- Wang, J.; Gao, Y.; Liu, W.; Wu, W.; Lim, S.-J. An Asynchronous Clustering and Mobile Data Gathering Schema based on Timer Mechanism in Wireless Sensor Networks. CMC Comput. Mater. Contin. 2019, 58, 711–725. [Google Scholar] [CrossRef]
- Shi, F.; Li, Q.; Zhu, T.; Ning, H. A Survey of Data Semantization in Internet-of-Things. Sensors 2018, 18, 313. [Google Scholar] [CrossRef] [PubMed]
- Qiu, T.; Qiao, R.; Wu, D.O. EABS: An Event-Aware Backpressure Scheduling Scheme for Emergency Internet-of-Things. IEEE. Trans. Mob. Comput. 2018, 17, 72–84. [Google Scholar] [CrossRef]
- Wang, J.; Gao, Y.; Yin, X.; Li, F.; Kim, H.-J. An Enhanced PEGASIS Algorithm with Mobile Sink Support for Wireless Sensor Networks. Wirel. Commun. Mob. Comput. 2018, 2018, 9472075. [Google Scholar] [CrossRef]
- Cao, D.; Zheng, B.; Ji, B.; Lei, C.; Feng, C. A Robust Distance-Based Relay Selection for Message Dissemination in Vehicular Network. Wirel. Netw. 2018. [Google Scholar] [CrossRef]
- Wang, J.; Gao, Y.; Liu, W.; Sangaiah, A.K.; Kim, H.-J. An Intelligent Data Gathering Schema with Data Fusion Supported for Mobile Sink in WSNs. Int. J. Distrib. Sen. Netw. 2019, 15. [Google Scholar] [CrossRef]
- Wang, J.; Gao, Y.; Liu, W.; Sangaiah, A.K.; Kim, H.-J. An Improved Routing Schema with Special Clustering using PSO Algorithm for Heterogeneous Wireless Sensor Network. Sensors 2019, 19, 671. [Google Scholar] [CrossRef]
- Li, W.; Chen, Z.; Gao, X.; Liu, W.; Wang, J. Multi-Model Framework for Indoor Localization under Mobile Edge Computing Environment. IEEE Internet Things J. 2019, 6, 4844–4853. [Google Scholar] [CrossRef]
- Karakaya, A.; Akleylek, S. A Survey on Security Threats and Authentication Approaches in Wireless Sensor Networks. In Proceedings of the International Symposium on Digital Forensic and Security (ISDFS), Antalya, Turkey, 22–25 March 2018; pp. 359–362. [Google Scholar]
- Xiang, L.; Li, Y.; Hao, W.; Yang, P.; Shen, X. Reversible Natural Language Watermarking Using Synonym Substitution and Arithmetic Coding. CMC Comput. Mater. Contin. 2018, 55, 541–559. [Google Scholar]
- Guo, W.Z.; Chen, J.Y.; Chen, G.L.; Zheng, H.F. Trust dynamic task allocation algorithm with Nash equilibrium for heterogeneous wireless sensor network. Secur. Commun. Netw. 2015, 8, 1865–1877. [Google Scholar] [CrossRef]
- Mangard, S.; Aigner, M.; Dominikus, S. A highly regular and scalable AES hardware architecture. IEEE Trans. Comput. 2004, 52, 483–491. [Google Scholar] [CrossRef]
- Zhang, J.L.; Qu, G. Recent Attacks and Defenses on FPGA-based Systems. ACM Trans. Reconfig. Technol. Syst. 2019, 12, 14. [Google Scholar] [CrossRef]
- Zhang, J.L.; Wang, W.Z.; Wang, X.W.; Xia, H. Enhancing security of FPGA-based embedded systems with combinational logic binding. J. Comput. Sci. Technol. 2017, 32, 329–339. [Google Scholar] [CrossRef]
- Zhang, J.L.; Qi, B.; Qin, Z.; Qu, G. HCIC: Hardware-assisted Control-flow Integrity Checking. IEEE Internet Things J. 2019, 6, 458–471. [Google Scholar] [CrossRef]
- Yang, B.; Wu, K.; Karri, R. Secure scan: A design-for-test architecture for crypto chips. IEEE Trans. Comput. Aided Des. Integr. Circuits Syst. 2006, 25, 2287–2293. [Google Scholar] [CrossRef]
- Rolt, J.D.; Das, A.; Natale, G.D.; Flottes, M.-L.; Rouzeyre, B.; Verbauwhede, I. Test versus security: Past and present. IEEE Trans. Emerg. Top. Comput. 2014, 2, 50–62. [Google Scholar] [CrossRef]
- Nara, R.; Togawa, N.; Yanagisawa, M.; Ohtsuki, T. Scan-based attack against elliptic curve cryptosystems. In Proceedings of the Asia and South Pacific Design Automation Conference, Taipei, Taiwan, 18–21 January 2010; pp. 407–412. [Google Scholar]
- Nara, R.; Satoh, K.; Yanagisawa, M.; Togawa, N. Scan-based side channel attack against RSA cryptosystems using scan signatures. IEICE Trans. Fundam. Electron. Commun. Comput. Sci. 2010, 93, 2481–2489. [Google Scholar] [CrossRef]
- Yang, B.; Wu, K.; Karri, R. Scan based side channel attack on dedicated hardware implementations of data encryption standard. In Proceedings of the International Test Conference, Charlotte, NC, USA, 26–28 October 2004; pp. 339–344. [Google Scholar]
- Rolt, J.D.; Natale, G.D.; Flottes, M.-L.; Rouzeyre, B. New security threats against chips containing scan chain structures. In Proceedings of the 2011 IEEE International Symposium on Hardware-Oriented Security and Trust, San Diego, CA, USA, 5–6 June 2011; p. 110. [Google Scholar]
- Das, A.; Ege, B.; Ghosh, S.; Batina, L.; Verbauwhede, I. Security Analysis of Industrial Test Compression Schemes. IEEE Trans. Comput. Aided Des. Integr. Circuits Syst. 2013, 32, 1966–1977. [Google Scholar] [CrossRef][Green Version]
- Huhn, S.; Tille, D.; Drechsler, R. Hybrid Architecture for Embedded Test Compression to Process Rejected Test Patterns. In Proceedings of the European Test Symposium (ETS), Baden, Germany, 27–31 May 2019; pp. 197–198. [Google Scholar]
- Wang, S.-J.; Kao, C.-W.; Li, K.S.-M. Improving Output Compaction Efficiency with High Observability Scan Chains. In Proceedings of the Asian Test Symposium (ATS), Hangzhou, China, 16–19 November 2014; pp. 324–329. [Google Scholar]
- Ali, S.S.; Sinanoglu, O.; Karri, R. Test-mode-only scan attack using the boundary scan chain. In Proceedings of the European Test Symposium (ETS), Paderborn, Germany, 26–30 May 2014; pp. 39–44. [Google Scholar]
- Ali, S.S.; Saeed, S.M.; Sinanoglu, O.; Karri, R. Novel test-mode only scan attack and countermeasure for compression-based scan architectures. IEEE Trans. Comput. Aided Des. Integr. Circuits Syst. 2015, 34, 808–821. [Google Scholar] [CrossRef]
- Hely, D.; Bancel, F.; Flottes, M.-L.; Rouzeyre, B. Securing Scan Control in Crypto Chips. J. Electron. Test. 2007, 23, 457–464. [Google Scholar] [CrossRef]
- Wang, W.; Wang, J.; Wang, W.; Liu, P.; Cai, S. A Secure DFT Architecture Protecting Crypto Chips against Scan-Based Attacks. IEEE Access 2019, 7, 22206–22213. [Google Scholar] [CrossRef]
- Wang, W.; Deng, Z.; Wang, J. Enhancing Sensor Network Security with Improved Internal Hardware Design. Sensors 2019, 19, 1752. [Google Scholar] [CrossRef]
- Ahlawat, S.; Vaghani, D.; Tudu, J.; Singh, V. On Securing Scan Design from Scan-Based Side-Channel Attacks. In Proceedings of the 26th IEEE Asian Test Symposium, Taipei, Taiwan, 27–30 November 2017; pp. 54–59. [Google Scholar]
- Kochte, M.A.; Sauer, M.; Gomez, L.R.; Raiola, P.; Becker, B.; Wunderlich, H.-J. Specification and Verification of Security in Reconfigurable Scan Networks. In Proceedings of the 22nd IEEE European Test Symposium, Limassol, Cyprus, 22–26 May 2017; pp. 171–176. [Google Scholar]
- Novak, F.; Biasizzo, A. Security extension for IEEE Std 1149.1. J. Electron. Test. JETTA 2006, 22, 301–303. [Google Scholar] [CrossRef]
- Inoue, M.; Yoneda, T.; Hasegawa, M.; Fujiwara, H. Partial scan approach for secret information protection. In Proceedings of the European Test Symposium (ETS), Seville, Spain, 25–29 May 2009; pp. 143–148. [Google Scholar]
- Fujiwara, H.; Fujiwara, K.; Tamamoto, H. Secure scan design using shift register equivalents against differential behavior attack. In Proceedings of the Asia and South Pacific Design Automation Conference (ASP-DAC), Yokohama, Japan, 25–28 January 2011; pp. 818–823. [Google Scholar]
- Chen, X.; Aramoon, O.; Qu, G.; Cui, A. Balancing Testability and Security by Configurable Partial Scan Design. In Proceedings of the 2018 IEEE International Test Conference in Asia (ITC-Asia), Harbin, China, 15–17 August 2018; pp. 145–150. [Google Scholar]
- Lee, J.; Tehranipoor, M.; Patel, C.; Plusquellic, J. Securing designs against scan-based side-channel attacks. IEEE Trans. Depend. Secur. Comput. 2007, 4, 325–336. [Google Scholar] [CrossRef]
- Cui, A.; Luo, Y.; Chang, C.-H. Static and dynamic obfuscations of scan data against scan-based side-channel attacks. IEEE Trans. Inf. Forensics Secur. 2017, 12, 363–376. [Google Scholar] [CrossRef]
- Atobe, Y.; Shi, Y.; Yanagisawa, M.; Togawa, N. Dynamically changeable secure scan architecture against scan-based side channel attack. In Proceedings of the IEEE International SoC Design Conference, Jeju Island, Korea, 4–7 November 2012; pp. 155–158. [Google Scholar]
- Cui, A.; Chang, C.-H.; Zhou, W.; Zheng, Y. A New PUF Based Lock and Key Solution for Secure In-field Testing of Cryptographic Chips. IEEE Trans. Emerg. Top. Comput. 2019. [Google Scholar] [CrossRef]
- Wang, X.; Zhang, D.; He, M.; Su, D.; Tehranipoor, M. Secure Scan and Test Using Obfuscation throughout Supply Chain. IEEE Trans. Comput. Aided Des. Integr. Circuits Syst. 2018, 37, 1867–1880. [Google Scholar] [CrossRef]
- Kodera, H.; Yanagisawa, M.; Togawa, N. Scan-based attack against DES cryptosystems using scan signatures. In Proceedings of the IEEE Asia Pacific Conference on Circuits and Systems, Kaohsiung, Taiwan, 2–5 December 2012; pp. 599–602. [Google Scholar]
- Zhang, J.L.; Qu, G. Physical Unclonable Function-based Key-Sharing via Machine Learning for IoT Security. IEEE Trans. Ind. Electron. 2019. [Google Scholar] [CrossRef]
- Rosenfeld, K.; Karri, R. Security-aware SoC test access mechanisms. In Proceedings of the 29th VLSI Test Symposium (VTS), Dana Point, CA, USA, 1–5 May 2011; pp. 100–104. [Google Scholar]
- Silva, M.D.; Flottes, M.-L.; Natale, G.D.; Rouzeyre, B. Preventing Scan Attacks on Secure Circuits through Scan Chain Encryption. IEEE Trans. Comput. Aided Des. Integr. Circuits Syst. 2019, 38, 538–550. [Google Scholar] [CrossRef]
- Silva, M.D.; Flottes, M.-L.; Natale, G.D.; Rouzeyre, B.; Prinetto, P.; Restifo, M. Scan chain encryption for the test, diagnosis and debug of secure circuits. In Proceedings of the European Test Symposium (ETS), Limassol, Cyprus, 22–26 May 2017; pp. 1–6. [Google Scholar]
- Silva, M.D.; Flottes, M.-L.; Natale, G.D.; Rouzeyre, B. Experimentations on scan chain encryption with PRESENT. In Proceedings of the 2017 IEEE 2nd International Verification and Security Workshop (IVSW), Thessaloniki, Greece, 3–5 July 2017; pp. 45–50. [Google Scholar]
- Baranowski, R.; Kochte, M.; Wunderlich, H.J. Access Port Protection for Reconfigurable Scan Networks. J. Electron. Test. JETTA 2014, 30, 711–723. [Google Scholar] [CrossRef]
- Ren, X.; Torres, F.P.; Blanton, R.D.; Tavares, V.G. IC Protection Against JTAG-based Attacks. IEEE Trans. Comput. Aided Des. Integr. Circuits Syst. 2019, 38, 149–162. [Google Scholar] [CrossRef]
- Pomeranz, I. An Initialization Process to Support Online Testing Based on Output Comparison for Identical Finite-State Machines. IEEE Trans. Comput. Aided Des. Integr. Circuits Syst. 2018, 37, 1494–1504. [Google Scholar] [CrossRef]










| AES Circuit | Area: The Number of Equivalent 2-Input NAND Gates | ||||||
|---|---|---|---|---|---|---|---|
| Original Circuit | Standard Scan Design | ISSATCU | |||||
| L = 64 | L = 80 | L = 96 | L = 112 | L = 128 | |||
| pipelined | 205,934 | 212,280 | 212,551 | 212,567 | 212,571 | 212,575 | 212,587 |
| iterative | 25,052 | 25,512 | 25,783 | 25,799 | 25,803 | 25,807 | 25,819 |
| AES Circuit | ISSATCU | Area Penalty | ΔArea Percentage |
|---|---|---|---|
| pipelined | L = 64 | 271 | 0.128% |
| L = 80 | 287 | 0.135% | |
| L = 96 | 291 | 0.137% | |
| L = 112 | 295 | 0.139% | |
| L = 128 | 307 | 0.145% | |
| iterative | L = 64 | 271 | 1.06% |
| L = 80 | 287 | 1.12% | |
| L = 96 | 291 | 1.14% | |
| L = 112 | 295 | 1.16% | |
| L = 128 | 307 | 1.20% |
| Secure Schemes | Area Penalty (%) | Security | Impact on Test Time | Limit on Test Application | ||
|---|---|---|---|---|---|---|
| Pipelined | Iterative | Vulnerability | Brute Force Probability | |||
| ISSATCU with 128-bit authori-zation key | 0.15 | 1.20 | None | 2−128 | less than or equal to 128 clock cycles | All types of tests are applicable |
| Secure DFT [29] | 0.11 | 0.96 | None | inapplicable | No extra clock cycles | Online testing is inapplicable |
| MKR [28] | 0.15 | 1.32 | None | inapplicable | No extra clock cycles | Online testing is inapplicable |
| Mode switching reset [27] | ≈10 | -- | Test-mode- only attacks | inapplicable | No extra clock cycles | Online testing is inapplicable |
| SOSD-128 [38] | 0.34 | 2.81 | Test-mode- only attacks | 2−128 | 128 clock cycles before testing | LOC Delay testing is inapplicable |
| DOSD-128 [38] | 0.47 | 3.91 | None | 2−128 | 128 clock cycles before testing | LOC Delay testing is inapplicable |
| DOS [41] | 2.01 | -- | Memory attack | 2−kλ * | No extra clock cycles | All types of tests are applicable |
| SIE [45] | 2.52 | -- | Memory attack | 2−m ** | multiple clock cycles for vector decryption | All types of tests are applicable |
| FTSL-128 [40] | 3.80 | 31.66 | None | 2−128 | 128 clock cycles before testing | LOC Delay testing is not applicable |
© 2019 by the authors. Licensee MDPI, Basel, Switzerland. This article is an open access article distributed under the terms and conditions of the Creative Commons Attribution (CC BY) license (http://creativecommons.org/licenses/by/4.0/).
Share and Cite
Wang, W.; Deng, Z.; Wang, J.; Sangaiah, A.K.; Cai, S.; Almakhadmeh, Z.; Tolba, A. Securing Cryptographic Chips against Scan-Based Attacks in Wireless Sensor Network Applications. Sensors 2019, 19, 4598. https://doi.org/10.3390/s19204598
Wang W, Deng Z, Wang J, Sangaiah AK, Cai S, Almakhadmeh Z, Tolba A. Securing Cryptographic Chips against Scan-Based Attacks in Wireless Sensor Network Applications. Sensors. 2019; 19(20):4598. https://doi.org/10.3390/s19204598
Chicago/Turabian StyleWang, WeiZheng, Zhuo Deng, Jin Wang, Arun Kumar Sangaiah, Shuo Cai, Zafer Almakhadmeh, and Amr Tolba. 2019. "Securing Cryptographic Chips against Scan-Based Attacks in Wireless Sensor Network Applications" Sensors 19, no. 20: 4598. https://doi.org/10.3390/s19204598
APA StyleWang, W., Deng, Z., Wang, J., Sangaiah, A. K., Cai, S., Almakhadmeh, Z., & Tolba, A. (2019). Securing Cryptographic Chips against Scan-Based Attacks in Wireless Sensor Network Applications. Sensors, 19(20), 4598. https://doi.org/10.3390/s19204598

