Simulation, Design, and Test of a Dual-Differential D-Dot Overvoltage Sensor Based on the Field-Circuit Coupling Method
Abstract
1. Introduction
2. Principle of the Dual-Differential D-Dot Overvoltage Sensor
2.1. Measurement Principle of the Sensor
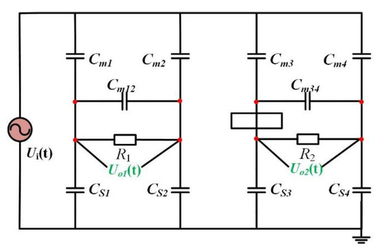
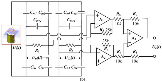
2.2. Equivalent Circuit of Sensor
3. Design Method and Implementation of Field-Circuit Coupling
3.1. Field-Circuit Coupling Method
3.2. Joint Simulation Calculation
3.3. Parameter Determination and Production of Sensor
4. Experiment Verification
4.1. Test Method
4.2. Steady-State Performance Tests
4.3. Overvoltage Impulse Transient Tests
5. Conclusion
Author Contributions
Funding
Conflicts of Interest
References
- Wang, H.; Zhuang, C.; Zeng, R.; Xie, S.; He, J. Transient Voltage Measurements for Overhead Transmission Lines and Substations by Metal-Free and Contactless Integrated Electro-Optic Field Sensors. IEEE Trans. Ind. Electron. 2019, 66, 571–579. [Google Scholar] [CrossRef]
- Sima, W.; Han, R.; Yang, Q.; Sun, S.; Liu, T. Dual LiNbO3 Crystal-Based Batteryless and Contactless Optical Transient Overvoltage Sensor for Overhead Transmission Line and Substation Applications. IEEE Trans. Ind. Electron. 2017, 64, 7323–7332. [Google Scholar] [CrossRef]
- He, H.W.; Li, X.L.; Lou, Y.; Wang, L.; Zhou, P.H. Transient overvoltage on overhead metal return lines of +/- 500kV MMC-HVDC grid. J. Eng. 2019, 2019, 1934–1936. [Google Scholar]
- Metwally, I.A. D-dot probe for fast-front high-voltage measurement. IEEE Trans. Instrum. Meas. 2010, 59, 2211–2219. [Google Scholar] [CrossRef]
- Metwally, I. Comparative measurement of surge arrester residual voltages by D-dot probes and dividers. Electr. Power Syst. Res. 2011, 81, 1274–1282. [Google Scholar] [CrossRef]
- Wang, J.; Ban, S.; Yang, Y. A Differential Self-Integration D-Dot Voltage Sensor and Experimental Research. IEEE Sens. J. 2015, 15, 3846–3852. [Google Scholar] [CrossRef]
- Kumada, A.; Hidaka, K. Directly High-Voltage Measuring System Based on Pockels Effect. IEEE Trans. Power Deliv. 2013, 28, 1306–1313. [Google Scholar] [CrossRef]
- Yang, G.; Zhang, Y.; Chen, C. Power System Transient Overvoltage Calculation and Study of Arrester’s Digital Simulation. High Volt. Technol. 2001, 23, 64–68. [Google Scholar]
- Mozina, C.J. Impact of Smart Grids and Green Power Generation on Distribution Systems. IEEE Trans. Ind. Appl. 2013, 49, 1079–1090. [Google Scholar] [CrossRef]
- Hou, D.; Roberts, J. Capacitive voltage transformer: Transient overreach concerns and solutions for distance relaying. In Proceedings of the 1996 Canadian Conference on Electrical and Computer Engineering, Calgary, AB, Canada, 26–29 May 1996; pp. 119–125. [Google Scholar]
- Bosselmann, T.; Mohr, S. A high dynamic magnetooptic current transformer with advanced signal processing. IEEE Sens. J. 2003, 3, 87–94. [Google Scholar]
- Liu, J.-L.; Ye, B.; Zhan, T.-W.; Feng, J.-H.; Zhang, J.-D.; Wang, X.-X. Coaxial Capacitive Dividers for High-Voltage Pulse Measurements in Intense Electron Beam Accelerator with Water Pulse-Forming Line. IEEE Trans. Instrum. Meas. 2009, 58, 161–166. [Google Scholar]
- Norgard, J.D.; Sega, R.M.; Harrison, M.; Pesta, A.; Seifert, M. Seifert Scattering effects of electric and Magnetic field probes. IEEE Trans. Nucl. Sci. 1989, 36, 2050–2057. [Google Scholar] [CrossRef]
- Pan, F.; Xiao, X.; Xu, Y.; Ren, S. An Optical AC Voltage Sensor Based on the Transverse Pockels Effect. Sensors 2011, 11, 6593–6602. [Google Scholar] [CrossRef]
- Hidaka, K. Progress in Japan of space charge field measurement in gaseous dielectrics using a Pockels sensor. IEEE Electr. Insul. Mag. 1996, 12, 17–28. [Google Scholar] [CrossRef]
- Santos, J.; Taplamacioglu, M.; Hidaka, K. Pockels high-voltage measurement system. IEEE Trans. Power Deliv. 2000, 15, 8–13. [Google Scholar] [CrossRef]
- Wang, J.; Yang, J.; Luo, R. Non-Contact Transient High-voltage Measurement with Self-Integrating D-dot probe. Int. J. Appl. Electromagn. Mech. 2014, 47, 837–845. [Google Scholar] [CrossRef]
- Luo, R. Design of Voltage Measurement Device on the Principle of Electric Field Coupling. Master’s Thesis, Chongqing University, Chongqing, China, 2014. [Google Scholar]
- Wang, J.; Fan, Y.; Zhu, L.; Bai, Y. Design and research of a three-phase voltage sensor based on D-dot principle. IEEJ Trans. Electr. Electron. Eng. 2017, 12, 55–61. [Google Scholar] [CrossRef]
- Hu, X.; Wang, J.; Wei, G.; Deng, X. Decomposition of Composite Electric Field in a Three-Phase D-Dot Voltage Transducer Measuring System. Sensors 2016, 16, 1683. [Google Scholar] [CrossRef]
- Wang, J.; Gao, C.; Yang, J. Design, Experiments and Simulation of Voltage Transformers on the Basis of a Differential Input D-dot Sensor. Sensors 2014, 14, 12771–12783. [Google Scholar] [CrossRef]
- Zhou, Q.; He, W.; Li, S.; Zhou, K.; Xiao, D. Study and Experiment on Non-Contact Voltage Sensor Suitable for Three-Phase Transmission Line. Sensors 2016, 16, 40. [Google Scholar] [CrossRef]
- Al Agry, A.; Schill, R.A. Calibration of Electromagnetic Dot Sensor—Part 1: B-Dot Mode. IEEE Sens. J. 2014, 14, 3101–3110. [Google Scholar] [CrossRef]
- Al Agry, A.; Schill, R.A. Calibration of Electromagnetic Dot Sensor—Part 2: D-Dot Mode. IEEE Sens. J. 2014, 14, 3111–3118. [Google Scholar] [CrossRef]
- Bai, Y.; Wang, J.; Wei, G.; Yang, Y. Design and Simulation Test of an Open D-Dot Voltage Sensor. Sensors 2015, 15, 23640–23652. [Google Scholar] [CrossRef] [PubMed]
- He, W.; Luo, R.; Wang, J.; Ran, P.; Wang, Q.; Hou, X.; Zhou, K. Principles and Experiments of Voltage Transformer Based on Self-integrating D-dot Probe. J. Chin. Electr. Eng. Sci. 2014, 34, 2445–2451. [Google Scholar]














| R | h | D | d | |
|---|---|---|---|---|
| Outer electrode | 45 | 1.6 | 11 | 55 |
| Cm1/pF | Cm2/pF | Cm3/pF | Cm4/pF | Cs1/pF |
|---|---|---|---|---|
| 2.5617 | 2.2731 | 2.3126 | 2.4083 | 1.7114 |
| Cs2/pF | Cs3/pF | Cs4/pF | Cm12/pF | Cm34/pF |
| 1.6852 | 1.6221 | 1.8054 | 15.253 | 16.091 |
| Voltage/kV | UH/kV | US/V | ε% (±) | φ/(°) |
|---|---|---|---|---|
| 1 | 1.012 | 0.21 | 0.79 | 0.1699 |
| 2 | 2.034 | 0.42 | 0.59 | 0.1726 |
| 3 | 2.998 | 0.62 | −0.73 | 0.5187 |
| 5 | 5.020 | 1.05 | 0.40 | 0.6910 |
| 6 | 5.798 | 1.21 | 0.45 | 0.3455 |
| 9 | 8.555 | 1.78 | −0.13 | 0.5117 |
| 10 | 9.899 | 2.06 | 0.13 | 0.3455 |
| UH-PK/kV | US-PK/V | Relative Error/% |
|---|---|---|
| 2.16 | 1.10 | 1.85 |
| 3.28 | 1.62 | 1.22 |
| 4.32 | 2.19 | 1.81 |
| 5.44 | 2.68 | 1.47 |
| 6.56 | 3.29 | 0.30 |
| 7.52 | 3.82 | 1.59 |
| 8.56 | 4.32 | 0.93 |
| 9.60 | 4.80 | 0.20 |
| 10.70 | 5.36 | 0.19 |
© 2019 by the authors. Licensee MDPI, Basel, Switzerland. This article is an open access article distributed under the terms and conditions of the Creative Commons Attribution (CC BY) license (http://creativecommons.org/licenses/by/4.0/).
Share and Cite
Zhao, P.; Wang, J.; Wang, Q.; Xiao, Q.; Zhang, R.; Ou, S.; Tao, Y. Simulation, Design, and Test of a Dual-Differential D-Dot Overvoltage Sensor Based on the Field-Circuit Coupling Method. Sensors 2019, 19, 3413. https://doi.org/10.3390/s19153413
Zhao P, Wang J, Wang Q, Xiao Q, Zhang R, Ou S, Tao Y. Simulation, Design, and Test of a Dual-Differential D-Dot Overvoltage Sensor Based on the Field-Circuit Coupling Method. Sensors. 2019; 19(15):3413. https://doi.org/10.3390/s19153413
Chicago/Turabian StyleZhao, Pengcheng, Jingang Wang, Qian Wang, Qianbo Xiao, Ruiqiang Zhang, Shucheng Ou, and Yaqin Tao. 2019. "Simulation, Design, and Test of a Dual-Differential D-Dot Overvoltage Sensor Based on the Field-Circuit Coupling Method" Sensors 19, no. 15: 3413. https://doi.org/10.3390/s19153413
APA StyleZhao, P., Wang, J., Wang, Q., Xiao, Q., Zhang, R., Ou, S., & Tao, Y. (2019). Simulation, Design, and Test of a Dual-Differential D-Dot Overvoltage Sensor Based on the Field-Circuit Coupling Method. Sensors, 19(15), 3413. https://doi.org/10.3390/s19153413
