An Electrical Capacitance Array for Imaging of Water Leakage inside Insulating Slabs with Porous Cells †
Abstract
1. Introduction
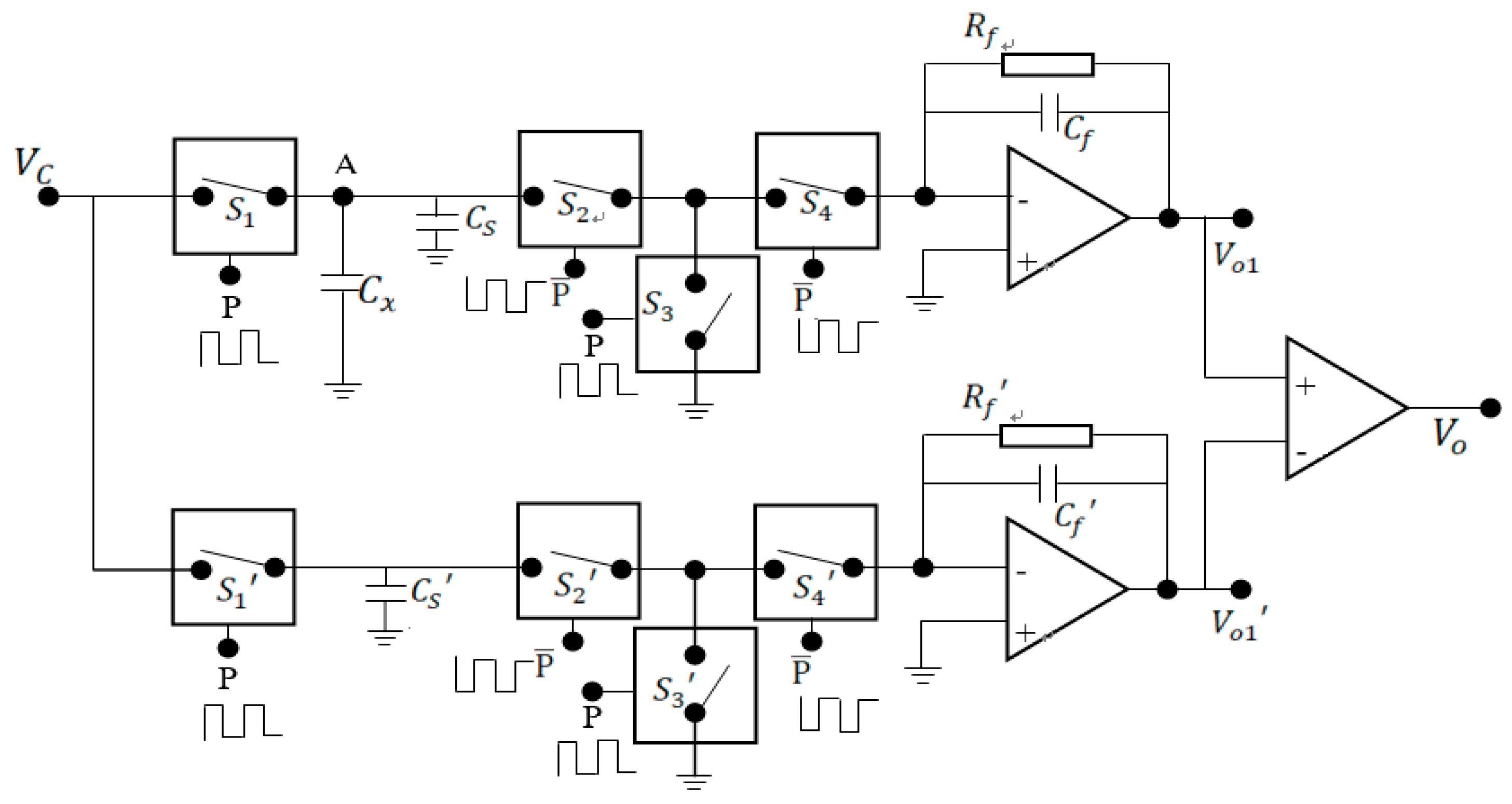
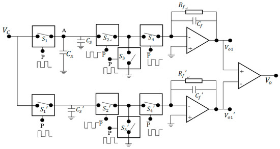
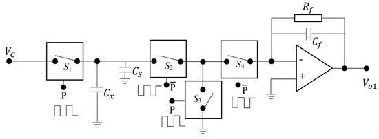
2. Working Principle and Modeling of Electrical Capacitance Array
3. Results
4. Discussion
5. Conclusions
Author Contributions
Funding
Conflicts of Interest
References
- Dubois, J.M.; Hsu, A. Damage Detection Beneath Polymeric Tiles—A Review of Emerging Technologies for the Non-Destructive Evaluation of the Integrity of Pressure Hulls; Internal Departmental Report; Department of Physics, Royal Military College: Kingston, ON, Canada, 2001. [Google Scholar]
- Zhang, C.H.; Li, J.Q.; Hu, Z.; Zhu, F.L.; Huang, Y.D. Correlation between the acoustic and porous cell morphology of polyurethane foam: Effect of interconnected porosity. Mater. Des. 2012, 41, 319–325. [Google Scholar] [CrossRef]
- Zhang, C.H.; Hu, Z.; Gao, G. Damping behavior and acoustic performance of polyurethane/lead zirconate titanate ceramic composites. Mater. Des. 2013, 46, 503–510. [Google Scholar] [CrossRef]
- Verdejo, R.; Stämpfli, R.; Alvarez-Lainez, M. Enhanced acoustic damping in flexible polyurethane foams filled with carbon nanotubes. Compos. Sci. Technol. 1999, 10, 1564–1569. [Google Scholar] [CrossRef]
- Ken, W.; Saito, Y.; Stavros, S. Non-destructive Measurement of Moisture Distribution in Wood during Drying Using Digital X-ray Microscopy. Dry. Technol. 2007, 5, 590–595. [Google Scholar]
- Peer, S.; Case, J.T.; Gallaher, E.; Kurtis, K.E.; Zoughi, R. Microwave reflection and dielectric properties of mortar subjected to compression force and cyclically exposed to water and sodium chloride solution. IEEE Trans. Instrum. Meas. 2013, 52, 111–118. [Google Scholar] [CrossRef]
- Njoku, E.G.; Wilson, W.J.; Yueh, S.H.; Dinardo, S.J.; Li, F.K.; Jackson, T.J.; Lakshmi, V.; Bolten, J. Observations of soil moisture using a passive and active low-frequency microwave airborne sensor during SGP99. IEEE Trans. Geosci. Remote Sens. 2002, 40, 2659–2673. [Google Scholar] [CrossRef]
- Leontakianakos, A.N. Determination of water vapor by microwave spectroscopy with application to quality control of natural gas. IEEE Trans. Instrum. Meas. 1992, 41, 370–374. [Google Scholar] [CrossRef]
- Vallejos, C.; Grote, W. Wood moisture content measurement at 2.45 GHz. In Proceedings of the International Microwave and Optoelectronics Conference (IMOC), Belem, Brazil, 3–6 November 2009; Volume 4, pp. 221–225. [Google Scholar]
- Minamisawa, A.; Ozawa, A.; Sakai, H.; Takagi, K. Moisture effects on the ultrasonic velocities in woods. IEEE Symp. Ultrason. 1990, 2, 1105–1108. [Google Scholar]
- Auckland, D.W.; Smith, C.D.; Varlow, B.R. Ultrasonic detection of absorbed water in solid insulation. In Proceedings of the IEEE conference on Electrical Insulation and Dielectric Phenomena, Arlington, TX, USA, 23–26 October 1994; pp. 195–199. [Google Scholar]
- Juliastuti, E.; Tanogono, E.W.; Kurniadi, D. Detection of water content in lubricating oil using ultrasonics. In Proceedings of the IEEE 5th International Conference on Instrumentation Control and Automation, Yogyakarta, Indonesia, 9–11 August 2017; pp. 188–192. [Google Scholar]
- Zhou, Z.G.; Xiang, S.; Wei, D. Ultrasonic Testing Technologies for Composites. Aeronaut. Manuf. Technol. 2009, 8, 70–73. [Google Scholar]
- Toth, F.N.; Meijer, G.C.M. A low-cost, smart capacitive position sensor. IEEE Trans. Instrum. Meas. 1992, 41, 1041–1044. [Google Scholar] [CrossRef]
- Novak, J.L.; Feddema, I.T. A capacitance-based proximity sensor for whole arm obstacle avoidance. IEEE Int. Conf. Robot. Autom. 1992, 2, 1307–1314. [Google Scholar]
- Tartagni, M.; Guerrieri, R. A fingerprint sensor based on the feedback capacitive sensing scheme. IEEE J. Solid-State Circuits 1998, 33, 133–142. [Google Scholar] [CrossRef]
- Huang, Z.Y.; Wang, B.L.; Li, H.Q. Application of electrical capacitance tomography to the void fraction measurement of two-phase flow. IEEE Trans. Instrum. Meas. 2003, 52, 7–12. [Google Scholar] [CrossRef]
- Bera, S.C.; Ray, J.K.; Chattopadhyay, S. A low-cost noncontact capacitance-type level transducer for a conducting liquid. IEEE Trans. Instrum. Meas. 2006, 55, 778–786. [Google Scholar] [CrossRef]
- Canbolat, H. A Novel Level Measurement Technique Using Three Capacitive Sensors for Liquids. IEEE Trans. Instrum. Meas. 2009, 58, 3762–3768. [Google Scholar] [CrossRef]
- Tsamis, E.D.; Avaritsiotis, J.N. Design of planar capacitive type sensor for water content monitoring in a production line. Sens. Actuators A Phys. 2005, 118, 202–211. [Google Scholar] [CrossRef]
- Ong, J.B.; You, Z.P.; Mills-Beale, J.; Tan, E.L.; Pereles, B.D.; Ong, K.G. A Wireless, Passive Embedded Sensor for Real-Time Monitoring of Water Content in Civil Engineering Materials. IEEE Sen. J. 2008, 8, 2053–2058. [Google Scholar] [CrossRef]
- Huang, S.M.; Plaskowski, A.B.; Xie, C.G.; Beck, M.S. Tomographic imaging of two-component flow using capacitance sensors. J. Phys. E Sci. Instrum. 1989, 22, 173–177. [Google Scholar] [CrossRef]
- Huang, S.M.; Green, R.G.; Plaskowski, A.B. A high frequency stray-immune capacitance transducer based on the charge transfer principle. IEEE Trans. Instrum. Meas. 1988, 37, 368–373. [Google Scholar] [CrossRef]
- Fasching, G.E.; Smith, N.S. A capacitive system for 3-dimensional imaging of fluidized-beds. Rev. Sci. Instrum. 1991, 62, 2243–2251. [Google Scholar] [CrossRef]
- Xie, C.G.; Huang, S.M.; Hoyle, B.S.; Thorn, N.R.; Lenn, C.; Snowden, D.; Beck, M.S. Electrical capacitance tomography for flow imaging system model for development of image reconstruction algorithms and design of primary sensors. IEE Proc. G Circuits Devices Syst. 1992, 139, 89–98. [Google Scholar] [CrossRef]
- Yang, W.Q. Hardware design of electrical capacitance tomography systems. Meas. Sci. Technol. 1996, 7, 225–232. [Google Scholar] [CrossRef]
- Alme, K.J.; Mylvaganam, S. Electrical Capacitance Tomography Sensor Models, Design, Simulations, and Experimental Verification. IEEE Sens. J. 2006, 6, 1256–1266. [Google Scholar] [CrossRef]
- Yang, W.Q. Design of electrical capacitance tomography sensors. Meas. Sci. Technol. 2010, 21, 447–453. [Google Scholar] [CrossRef]
- Wang, F.; Marashdeh, Q.; Fan, L.S.; Warsito, W. Electrical capacitance volume tomography: Design and applications. Sensors 2010, 10, 1890–1917. [Google Scholar] [CrossRef]
- Lei, J.; Liu, S.; Wang, X.; Liu, Q. An image reconstruction algorithm for electrical capacitance tomography based on robust principle component analysis. Sensors 2013, 13, 2076–2092. [Google Scholar] [CrossRef]
- Wen, Y.; Zhang, Z.; Zhang, Y.; Sun, D. Redundancy Analysis of Capacitance Data of a Coplanar Electrode Array for Fast and Stable Imaging Processing. Sensors 2017, 18, 31. [Google Scholar] [CrossRef]
- Yang, W.Q.; Liu, S. Electrical Capacitance Tomography with a Square Sensor. Electron. Lett. 2002, 35, 295–296. [Google Scholar] [CrossRef]
- Ye, J.; Li, Y.; Wang, H. Concentric-annulus electrical capacitance tomography sensors. Meas. Technol. 2013, 24, 095403. [Google Scholar] [CrossRef]
- Ren, Z.; Yang, W.Q. A Miniature Two-Plate Electrical Capacitance Tomography Sensor. IEEE Sens. J. 2015, 15, 3037–3049. [Google Scholar] [CrossRef]
- Li, R.; Peng, L.H. Modelling of electrical capacitance array for water leakage imaging inside porous slab. In Proceedings of the IEEE International Conference on Imaging Systems and Techniques (IST), Beijing, China, 18–20 October 2017. [Google Scholar]
- Isaksen, O. A review of reconstruction techniques for capacitance tomography. Meas. Sci. Technol. 1996, 7, 325–337. [Google Scholar] [CrossRef]
- Yang, W.Q.; Spink, D.M.; York, T.A.; McCann, H. An image reconstruction algorithm based on Landweber’s iteration method for electrical capacitance tomography. Meas. Sci. Technol. 1999, 10, 1065–1069. [Google Scholar] [CrossRef]
- Yang, W.Q.; Peng, L.H. Image reconstruction algorithms for electrical capacitance tomography. Meas. Sci. Technol. 2003, 14, R1–R13. [Google Scholar] [CrossRef]
- Li, Y.; Yang, W.Q. Image reconstruction by nonlinear Landweber iteration for complicated distributions. Meas. Sci. Technol. 2008, 19, 094014. [Google Scholar] [CrossRef]
- Ortiz-Aleman, C.; Martin, R.; Gamio, J.C. Reconstruction of permittivity images from capacitance tomography data by using very fast simulated annealing. Meas. Sci. Technol. 2004, 15, 1382–1390. [Google Scholar] [CrossRef]
- Fang, W.F. A nonlinear image reconstruction for electrical capacitance tomography. Meas. Sci. Technol. 2004, 15, 2124–2132. [Google Scholar] [CrossRef]
- Soleimani, M.; Lionheart, W.R.B. Nonlinear image reconstruction for electrical capacitance tomography using experimental data. Meas. Sci. Technol. 2005, 16, 1987–1996. [Google Scholar] [CrossRef]
- Wang, H.; Tang, L.; Cao, X. An image reconstruction algorithm based on total variation with adaptive mesh refinement for ECT. Flow Meas. Instrum. 2007, 18, 262–267. [Google Scholar] [CrossRef]
- Marashdeh, Q.; Teixeira, F.L. Sensitivity matrix calculation for fast 3-D electrical capacitance tomography (ECT) of flow systems. IEEE Trans. Magn. 2004, 40, 1204–1207. [Google Scholar] [CrossRef]
- Mou, C.H.; Peng, L.H.; Yao, D.Y. A Calculation Method of Sensitivity Distribution with Electrical Capacitance Tomography. Chin. J. Comput. Phys. 2006, 23, 87–92. [Google Scholar]
- Gonzalo, M.B.; Juvenal, R.R.; Georgina, M.V. Dual-Phase Lock-In Amplifier Based on FPGA for Low-Frequencies Experiments. Sensors 2016, 16, 379. [Google Scholar]

















| Electrode Pairs | Capacitance while All Column Holes Have No Water Inside (pF) | Capacitance while All Column Holes Are Full of Water (pF) | Capacitance while the Central Four Column Holes are 100% Full of Water (pF) | Capacitance while the Central Four Column Holes are 50% Full of Water (pF) | Capacitance while the Central Four Column Holes are 25% Full of Water (pF) | |||||
|---|---|---|---|---|---|---|---|---|---|---|
| Horizontal Capacitance | Vertical Capacitance | Horizontal Capacitance | Vertical Capacitance | Horizontal Capacitance | Vertical Capacitance | Horizontal Capacitance | Vertical Capacitance | Horizontal Capacitance | Vertical Capacitance | |
| E1-Common | 0.336 | 0.351 | 4.315 | 4.361 | 0.357 | 0.373 | 0.369 | 0.381 | 0.346 | 0.359 |
| E2-Common | 0355 | 0.395 | 4.354 | 4.405 | 0.427 | 0.452 | 0.444 | 0.478 | 0.387 | 0.428 |
| E3-Common | 0.375 | 0.437 | 4.377 | 4.462 | 0.649 | 0.731 | 0.579 | 0.640 | 0.442 | 0.504 |
| E4-Common | 0.394 | 0.446 | 4.362 | 4.366 | 1.291 | 1.346 | 0.781 | 0.828 | 0.523 | 0.572 |
| E5-Common | 0.419 | 0.421 | 4.388 | 4.417 | 1.319 | 1.341 | 0.805 | 0.812 | 0.548 | 0.549 |
| E6-Common | 0.449 | 0.392 | 4.315 | 4.351 | 0.729 | 0.688 | 0.648 | 0.586 | 0.514 | 0.455 |
| E7-Common | 0.450 | 0.367 | 4.329 | 4.318 | 0.501 | 0.454 | 0.523 | 0.446 | 0.482 | 0.396 |
| E8-Common | 0.397 | 0.336 | 4.372 | 4.287 | 0.421 | 0.352 | 0.426 | 0.367 | 0.405 | 0.345 |
| Electrode Pairs | Capacitance While All Column Holes Have No Water Inside (pF) | Capacitance While All Column Holes are Full of Water (pF) | Capacitance While Two Groups of Column Holes at Two Different Places on One Side of the Slab Are 100% Full of Water (pF) | Capacitance While Two Groups of Column Holes at Two Different Places on One Side of the Slab are 50% Full of Water (pF) | Capacitance While Two Groups of Column Holes at Two Different Places on One Side of the Slab are 25% Full of Water (pF) | |||||
|---|---|---|---|---|---|---|---|---|---|---|
| Horizontal Capacitance Array | Vertical Capacitance Array | Horizontal Capacitance Array | Vertical Capacitance Array | Horizontal Capacitance Array | Vertical Capacitance Array | Horizontal Capacitance Array | Vertical Capacitance Array | Horizontal Capacitance Array | Vertical Capacitance Array | |
| E1-Common | 0.336 | 0.351 | 4.315 | 4.361 | 0.612 | 0.387 | 0.585 | 0.320 | 0.545 | 0.321 |
| E2-Common | 0355 | 0.395 | 4.354 | 4.405 | 1.326 | 0.423 | 1.169 | 0.347 | 0.943 | 0.342 |
| E3-Common | 0.375 | 0.437 | 4.377 | 4.462 | 1.328 | 0.463 | 1.192 | 0.375 | 0.940 | 0.359 |
| E4-Common | 0.394 | 0.446 | 4.362 | 4.366 | 0.695 | 0.494 | 0.612 | 0.426 | 0.551 | 0.409 |
| E5-Common | 0.419 | 0.421 | 4.388 | 4.417 | 0.695 | 0.861 | 0.615 | 0.761 | 0.556 | 0.709 |
| E6-Common | 0.449 | 0.392 | 4.315 | 4.351 | 1.337 | 2.015 | 1.130 | 1.837 | 1.006 | 1.549 |
| E7-Common | 0.450 | 0.367 | 4.329 | 4.318 | 1.331 | 2.002 | 1.131 | 1.841 | 0.998 | 1.540 |
| E8-Common | 0.397 | 0.336 | 4.372 | 4.287 | 0.658 | 0.935 | 0.549 | 0.874 | 0.514 | 0.771 |
| Electrode Pairs | Capacitance While All Column Holes Have No Water Inside (pF) | Capacitance While All Column Holes are Full of Water (pF) | Capacitance While Column Holes in Top Left Triangular Region are 100% Full of Water (pF) | Capacitance While Column Holes in Top Left Triangular Region are 50% Full of Water (pF) | Capacitance While Column Holes in Top Left Triangular Region Are 25% Full of Water (pF) | |||||
|---|---|---|---|---|---|---|---|---|---|---|
| Horizontal Capacitance Array | Vertical Capacitance Array | Horizontal Capacitance Array | Vertical Capacitance Array | Horizontal Capacitance Array | Vertical Capacitance Array | Horizontal Capacitance Array | Vertical Capacitance Array | Horizontal Capacitance Array | Vertical Capacitance Array | |
| E1-Common | 0.336 | 0.351 | 4.315 | 4.361 | 4.122 | 4.075 | 3.338 | 3.382 | 1.946 | 1.892 |
| E2-Common | 0355 | 0.395 | 4.354 | 4.405 | 3.822 | 3.731 | 3.059 | 2.991 | 1.764 | 1.708 |
| E3-Common | 0.375 | 0.437 | 4.377 | 4.462 | 3.408 | 3.380 | 2.742 | 2.705 | 1.527 | 1.502 |
| E4-Common | 0.394 | 0.446 | 4.362 | 4.366 | 3.012 | 2.966 | 2.364 | 2.372 | 1.296 | 1.292 |
| E5-Common | 0.419 | 0.421 | 4.388 | 4.417 | 2.659 | 2.453 | 2.002 | 2.044 | 1.083 | 1.031 |
| E6-Common | 0.449 | 0.392 | 4.315 | 4.351 | 2.209 | 2.099 | 1.665 | 1.675 | 0.885 | 0.819 |
| E7-Common | 0.450 | 0.367 | 4.329 | 4.318 | 1.680 | 1.584 | 1.249 | 1.216 | 0.693 | 0.599 |
| E8-Common | 0.397 | 0.336 | 4.372 | 4.287 | 1.246 | 1.162 | 0.888 | 0.848 | 0.549 | 0.426 |
| Cx (pF) | Vo (V) under Different Cs and Fixed Cs’ = 30 pF | ||||||
|---|---|---|---|---|---|---|---|
| Cs = 30 fF | Cs = 100 fF | Cs = 500 fF | Cs = 1 pF | Cs = 10 pF | Cs = 20 pF | Cs = 30 pF | |
| 10 | 4.978 | 4.962 | 4.861 | 4.735 | 2.493 | 0 | −2.495 |
| 5 | 6.223 | 6.23 | 6.106 | 5.982 | 3.742 | 1.246 | −1.245 |
| 2.5 | 6.843 | 6.827 | 6.726 | 6.603 | 4.365 | 1.872 | −0.623 |
| 1 | 7.215 | 7.197 | 7.099 | 6.975 | 4.735 | 2.245 | −0.249 |
| 0.5 | 7.339 | 7.322 | 7.223 | 7.099 | 4.861 | 2.37 | −0.124 |
| 0.25 | 7.399 | 7.382 | 7.285 | 7.159 | 4.925 | 2.431 | −0.065 |
| 0.1 | 7.420 | 7.420 | 7.322 | 7.197 | 4.962 | 2.469 | −0.029 |
© 2019 by the authors. Licensee MDPI, Basel, Switzerland. This article is an open access article distributed under the terms and conditions of the Creative Commons Attribution (CC BY) license (http://creativecommons.org/licenses/by/4.0/).
Share and Cite
Li, R.; Li, Y.; Peng, L. An Electrical Capacitance Array for Imaging of Water Leakage inside Insulating Slabs with Porous Cells. Sensors 2019, 19, 2514. https://doi.org/10.3390/s19112514
Li R, Li Y, Peng L. An Electrical Capacitance Array for Imaging of Water Leakage inside Insulating Slabs with Porous Cells. Sensors. 2019; 19(11):2514. https://doi.org/10.3390/s19112514
Chicago/Turabian StyleLi, Rui, Yi Li, and Lihui Peng. 2019. "An Electrical Capacitance Array for Imaging of Water Leakage inside Insulating Slabs with Porous Cells" Sensors 19, no. 11: 2514. https://doi.org/10.3390/s19112514
APA StyleLi, R., Li, Y., & Peng, L. (2019). An Electrical Capacitance Array for Imaging of Water Leakage inside Insulating Slabs with Porous Cells. Sensors, 19(11), 2514. https://doi.org/10.3390/s19112514
