A 10-Bit 300 kS/s Reference-Voltage Regulator Free SAR ADC for Wireless-Powered Implantable Medical Devices
Abstract
:1. Introduction
2. Proposed Reference-Voltage Regulator Free SAR ADC
2.1. System Architecture
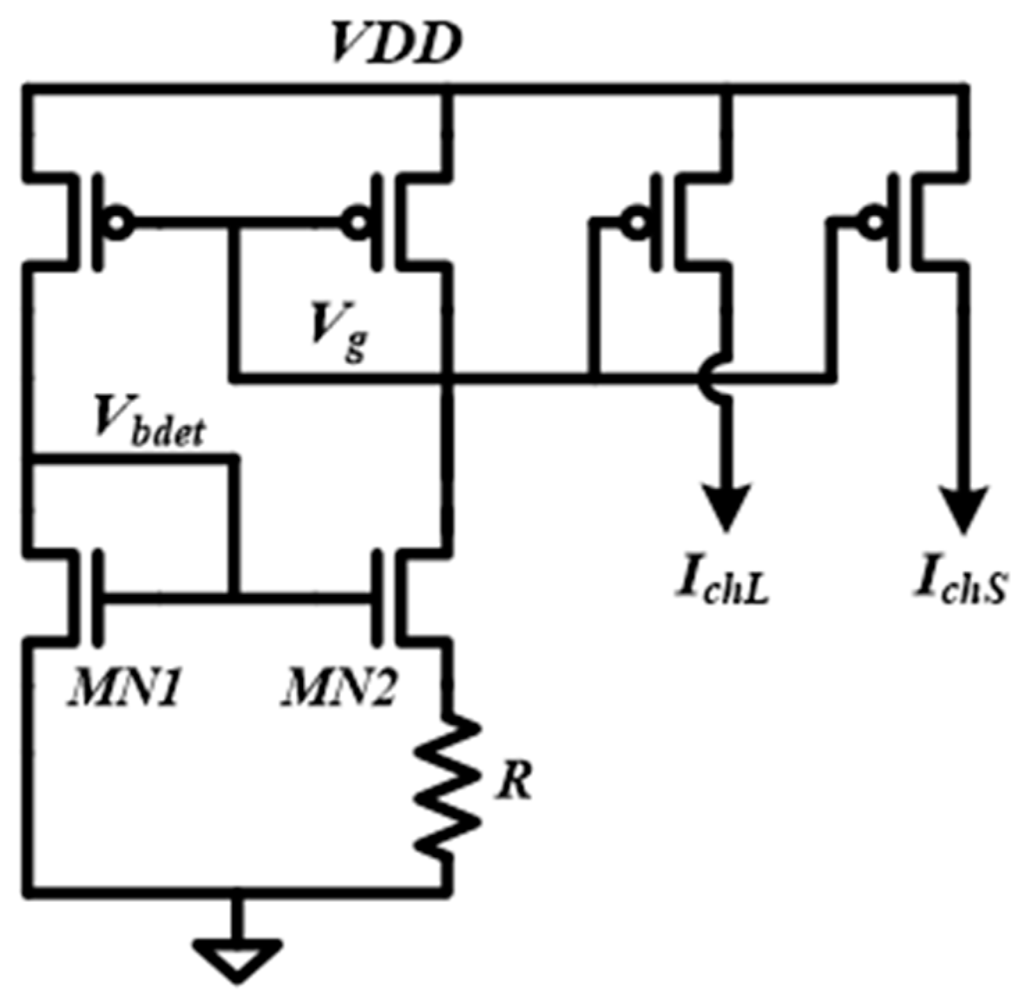
2.2. Circuit Implementation Details
3. Measurement Results
4. Conclusions
Author Contributions
Funding
Conflicts of Interest
References
- Li, X.; Tsui, C.Y.; Ki, W.H. A 13.56 MHz Wireless Power Transfer System with Reconfigurable Resonant Regulating Rectifier and Wireless Power Control for Implantable Medical Devices. IEEE J. Solid-State Circuits 2015, 50, 978–989. [Google Scholar] [CrossRef]
- Borghetti, F.; Nielsen, J.H.; Ferragina, V.; Malcovati, P.; Andream, P.; Baschirotto, A. A Programmable 10b up-to-6 MS/s SAR-ADC Featuring Constant-FoM with On-Chip Reference Voltage Buffers. In Proceedings of the 32nd European Solid-State Circuits Conference, Montreux, Switzerland, 19–21 September 2006; pp. 500–503. [Google Scholar]
- Harikumar, P.; Wikner, J.J. Design of a Reference Voltage Buffer for a 10-bit 50 MS/s SAR ADC in 65 nm CMOS. In Proceedings of the IEEE International Symposium on Circuits and Systems, Lisbon, Portugal, 24–27 May 2015; pp. 249–252. [Google Scholar]
- Liu, M.; Harpe, P.; Dommele, R. A 0.8 V 10 b 80 kS/s SAR ADC with Duty-Cycled Reference Generation. In Proceedings of the IEEE International Solid-State Circuits Conference Digest of Technical Papers, San Francisco, CA, USA, 22–26 February 2015; pp. 278–279. [Google Scholar]
- Han, D.; Zheng, Y.; Rajkumar, R.; Dawe, G.S.; Je, M. A 0.45 V 100-channel neural-recording IC with sub-µW/channel consumption in 0.18 µm CMOS. In Proceedings of the 2013 IEEE International Solid-State Circuits Conference Digest of Technical Papers, San Francisco, CA, USA, 17–21 February 2013; pp. 290–291. [Google Scholar]
- Tang, H.; Sun, Z.C.; Chew, K.W.; Siek, L. A 1.33 μW 8.02-ENOB 100 kS/s Successive Approximation ADC with Supply Reduction Technique for Implantable Retinal Prosthesis. IEEE Trans. Biomed. Circuits Syst. 2014, 8, 844–856. [Google Scholar] [CrossRef] [PubMed]
- Sun, L.; Li, B.; Wong, A.; Ng, W.T.; Pun, K.P. A Charge Recycling SAR ADC with a LSB-Down Switching Scheme. IEEE Trans. Circuits Syst. Soc. 2015, 62, 356–365. [Google Scholar] [CrossRef]
- Yuan, C.; Ng, K.A.; Xu, Y.P.; Yen, S.C.; Thakor, N.V. A 1-V 9.8-ENOB 100-kS/s Single-Ended SAR ADC with Symmetrical DAC Switching Technique for Neural Signal Acquisition. In Proceedings of the IEEE Asian Solid-State Circuits Conference, Xiamen, China, 9–11 November 2015; pp. 1–4. [Google Scholar]
- Craninckx, J.; Plas, G.V. A 65 fJ/conversion-step, 0 to 50 MS/s 0 to 0.7 mW 9 bit charge-sharing SAR ADC in 90-nm digital CMOS. In Proceedings of the IEEE International Solid-State Circuits Conference Digest of Technical Papers, San Francisco, CA, USA, 11–15 February 2007; pp. 246–247. [Google Scholar]
- Hazucha, P.; Karnik, T.; Bloechel, B.A.; Parsons, C.; Finan, D.; Borkar, S. Area-Efficient Linear Regulator with Ultra-Fast Load Regulation. IEEE J. Solid-State Circuits 2005, 40, 933–940. [Google Scholar] [CrossRef]
- Liu, M.; Roermund, A.; Harpe, P. A 10 b 20 MS/s SAR ADC with a low-power and area-efficient DAC-compensated reference. In Proceedings of the IEEE European Solid-State Circuits Conference, Leuven, Belgium, 11–14 September 2017; pp. 231–234. [Google Scholar]
- Seok, M.; Kim, G.; Blaauw, D.; Sylvester, D. A Portable 2-Transistor Picowatt Temperature Compensated Voltage Reference Operating at 0.5 V. IEEE J. Solid-State Circuits 2012, 47, 933–940. [Google Scholar] [CrossRef]
- Yan, J.; Chen, Z. Low-cost low-power bypassing-based multiplier design. In Proceedings of the IEEE International Symposium on Circuits and Systems, Paris, France 30 May–2 June 2010; pp. 2338–2341. [Google Scholar]









| [5] | [6] | [7] | [8] | This Work | |
|---|---|---|---|---|---|
| Tech. (µm) | 0.18 | 0.18 | 0.13 | 0.18 | 0.18 |
| Area (mm2) | - | 0.151 (w/o Reg.) | 0.872 (w/o Reg.) | 0.118 (w/o Reg.) | 0.088 (w/STP *) 0.105 (w/STP) |
| Supply (V) | 0.45 | 0.9 | 0.5/1 | 1 | 0.8 |
| Resolution | 9 | 9 | 10 | 10 | 10 |
| fs (kS/s) | 200 | 100 | 1100 | 100 | 300 |
| SNDR (dB) | 51.54 | 50.1 | 54.6 | 58.83 | 53.32 w/50 mVpp Ripple |
| Power w/o Vref Reg. (µW) | 1.35 | 1.33 | 15.6 | 1.72 | 2.52 w/o STP |
| FOM w/o Vref Reg. (fJ/c-s) | 22.0 | 51.3 | 31.8 | 24.1 | 22.1 w/o STP |
| Iref (µA) | 0.73 | 0.69 | 8.4 | 0.42 | - |
| ∆vout (mV) | 0.87 | 1.75 | 1.95 | 0.97 | - |
| IQ (µA) | 0.87 | 0.38 | 51.84 | 0.25 | - |
| Vdropout (mV) | 200 | 200 | 200 | 200 | - |
| PVref Reg. (µW) ** | 0.54 | 0.49 | 53.5 | 0.34 | 0 |
| Power w/Vref Reg. (µW) | 1.89 | 1.81 | 69.1 | 2.06 | 2.72 w/STP |
| FOM w/Vref Reg. (fJ/c-s) | 30.8 | 70.1 | 140.9 | 28.7 | 23.9 w/STP |
© 2018 by the authors. Licensee MDPI, Basel, Switzerland. This article is an open access article distributed under the terms and conditions of the Creative Commons Attribution (CC BY) license (http://creativecommons.org/licenses/by/4.0/).
Share and Cite
Yang, Y.; Zhou, J.; Liu, X.; Goh, W.L. A 10-Bit 300 kS/s Reference-Voltage Regulator Free SAR ADC for Wireless-Powered Implantable Medical Devices. Sensors 2018, 18, 2131. https://doi.org/10.3390/s18072131
Yang Y, Zhou J, Liu X, Goh WL. A 10-Bit 300 kS/s Reference-Voltage Regulator Free SAR ADC for Wireless-Powered Implantable Medical Devices. Sensors. 2018; 18(7):2131. https://doi.org/10.3390/s18072131
Chicago/Turabian StyleYang, Yongkui, Jun Zhou, Xin Liu, and Wang Ling Goh. 2018. "A 10-Bit 300 kS/s Reference-Voltage Regulator Free SAR ADC for Wireless-Powered Implantable Medical Devices" Sensors 18, no. 7: 2131. https://doi.org/10.3390/s18072131
APA StyleYang, Y., Zhou, J., Liu, X., & Goh, W. L. (2018). A 10-Bit 300 kS/s Reference-Voltage Regulator Free SAR ADC for Wireless-Powered Implantable Medical Devices. Sensors, 18(7), 2131. https://doi.org/10.3390/s18072131

