The Analysis and Suppressing of Non-Uniformity in a High-Speed Spike-Based Image Sensor
Abstract
1. Introduction
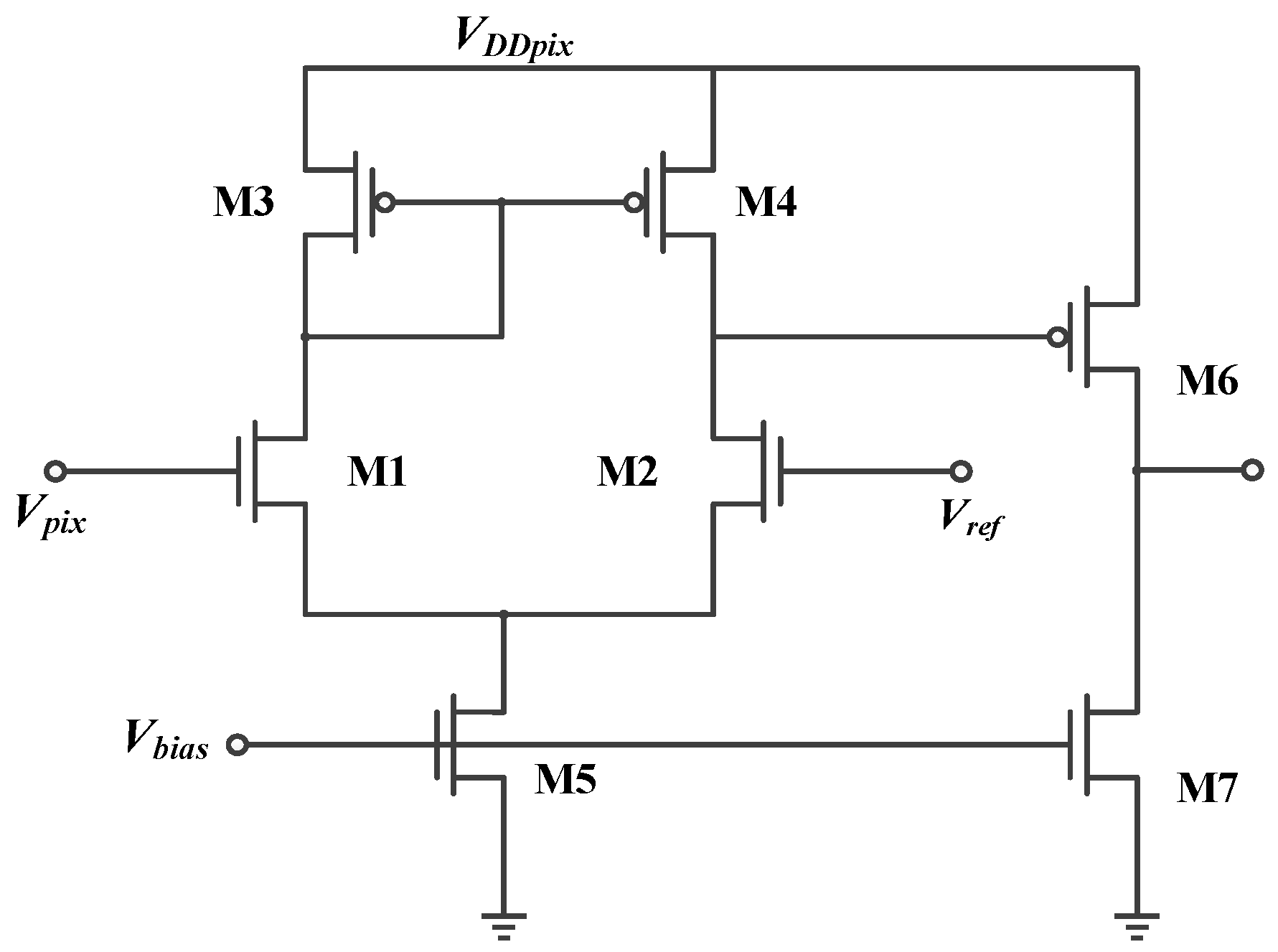
2. Pixel Architecture
2.1. Spike-Based Pixel Structure and Working Principle
2.2. Detailed Pixel Structure and Timing Diagram
2.3. Synchronous Operation of Comparator Flipping Signal
2.4. The Storage and Readout Process of the Generated Spike
2.5. Pixel Layout
3. Noise Analysis and Suppression Methods
3.1. Analysis of Spatial Noise
3.1.1. Analysis of Photo Response Non-Uniformity
3.1.2. Analysis of Non-Uniformity of Dark Current
3.2. Analysis of Temporal Noise
3.3. Methods of Suppressing the Non-Uniformity
3.3.1. Method of Suppressing the Photo Response Non-Uniformity
3.3.2. Method of Suppressing the Non-Uniformity of Dark Current
4. Experimental Results
4.1. Verification Based on Behavior-Level Model
4.1.1. Evaluating Indexes
4.1.2. Simulation Results Based on the Spike Frequency
4.1.3. Simulation Results Based on the Interspike Time Interval
4.2. Verification Based on Camera
4.2.1. Evaluation Indexes
4.2.2. Non-uniformity Correction for Images Based on Spike Frequency
4.2.3. Non-Uniformity Correction for Images Based on Interspike Time Interval
5. Conclusions
Author Contributions
Funding
Conflicts of Interest
References
- Noda, A.; Hirano, M.; Yamakawa, Y.; Ishikawa, M. A networked high-speed vision system for vehicle tracking. In Proceedings of the IEEE Sensors Applications Symposium, Queenstown, New Zealand, 18–20 February 2014; pp. 343–348. [Google Scholar]
- Chae, Y.; Cheon, J.; Lim, S.; Kwon, M.; Yoo, K.; Jung, W.; Lee, D.; Ham, S.; Han, G. A 2.1 M Pixels, 120 Frame/s CMOS image sensor with column-parallel Δ∑ADC architecture. IEEE J. Solid-State Circuits 2011, 46, 236–247. [Google Scholar] [CrossRef]
- Toyama, T.; Mishina, K.; Tsuchiya, H.; Ichikawa, T.; Iwaki, H.; Gendai, Y.; Murakami, H.; Takamiya, K.; Shiroshita, H.; Muramatsu, Y.; et al. A 17.7 Mpixel 120 fps CMOS image sensor with 34.8 Gb/s. In Proceedings of the IEEE International Solid-State Circuits Conference Digest of Technical Papers, San Francisco, CA, USA, 20–24 February 2011; pp. 420–421. [Google Scholar]
- Wakabayashi, H.; Yamaguchi, K.; Okano, M.; Kuramochi, S.; Kumagai, O.; Sakane, S.; Ito, M.; Hatano, M.; Kikuchi, M.; Yamagata, Y.; et al. A 1/2.3-inch 10.3 Mpixel 50 frame/s Back-Illuminated CMOS image sensor. In Proceedings of the IEEE International Solid-State Circuits Conference Digest of Technical Papers. In Proceedings of the IEEE International Solid-State Circuits Conference Digest of Technical Papers, San Francisco, CA, USA, 7–11 February 2010; pp. 410–411. [Google Scholar]
- Etoh, T.G.; Poggemann, D.; Kreider, G.; Mutoh, H.; Theuwissen, A.; Ruckelshausen, A.; Kondo, Y.; Maruno, H.; Takubo, K.; Soya, H.; et al. An image sensor which captures 100 consecutive frames at 1 000 000 frames/s. IEEE Trans. Electron. Devices 2003, 50, 144–151. [Google Scholar] [CrossRef]
- Etoh, T.G.; Nguyen, D.H.; Dao, S.V.T.; Vo, C.L.; Tanaka, M.; Takehara, K.; Okinaka, T.; Kuijk, H.V.; Klassens, W.; Bosiers, J.; et al. A 16 Mfps 165 kpixel backside-illuminated CCD. In Proceedings of the IEEE International Solid-State Circuits Conference Digest of Technical Papers, San Francisco, CA, USA, 20–24 February 2011; pp. 406–407. [Google Scholar]
- Mallik, U.; Clap, M.; Choi, E.; Cauwenberghs, G.; Etienne-Cummings, R. Temporal change threshold detection imager. In Proceedings of the IEEE International Solid-State Circuits Conference Digest of Technical Papers, San Francisco, CA, USA, 10 February 2005; pp. 362–603. [Google Scholar]
- Moeys, D.P.; Corradi, F.; Li, C.; Bamford, S.A.; Longinotti, L.; Voigt, F.F.; Delbruck, T. A Sensitive Dynamic and Active Pixel Vision Sensor for Color or Neural Imaging Applications. IEEE Trans. Biomed. Circuits Syst. 2018, 12, 1–14. [Google Scholar] [CrossRef] [PubMed]
- Culurciello, E.; Etienne-Cummings, R.; Boahen, K.A. A biomorphic digital image sensor. IEEE J. Solid-State Circuits 2003, 38, 281–294. [Google Scholar] [CrossRef]
- Posch, C.; Matolin, D.; Wohlgenannt, R.; Maier, T.; Litzenberger, M. A Microbolometer Asynchronous Dynamic Vision Sensor for LWIR. IEEE Sens. J. 2009, 9, 654–664. [Google Scholar] [CrossRef]
- Lenero-Bardallo, J.A.; Serrano-Gotarredona, T.; Linares-Barranco, B. A 3.6 μs Latency Asynchronous Frame-Free Event-Driven Dynamic-Vision-Sensor. IEEE J. Solid-State Circuits 2011, 46, 1443–1455. [Google Scholar] [CrossRef]
- Brandli, C.; Berner, R.; Yang, M.; Liu, S.C.; Delbruck, T. A 240 × 180 130 dB 3 µs Latency Global Shutter Spatiotemporal Vision Sensor. IEEE J. Solid-State Circuits 2014, 49, 2333–2341. [Google Scholar] [CrossRef]
- Bermak, A. VLSI implementation of a neuromorphic spiking pixel and investigation of various focal-plane excitation schemes. Int. J. Rob. Autom. 2004, 19, 197–205. [Google Scholar] [CrossRef]
- Matolin, D.; Posch, C.; Wohlgenannt, R. True correlated double sampling and comparator design for time-based image sensors. In Proceedings of the IEEE International Symposium on Circuits and Systems, Taipei, Taiwan, 24–27 May 2009; pp. 1269–1272. [Google Scholar]
- Kim, D.; Bae, J.; Song, M. A high speed CMOS image sensor with a novel digital correlated double sampling and a differential difference amplifier. Sensors 2015, 15, 5081–5095. [Google Scholar] [CrossRef] [PubMed]
- Razavi, B. Chapter 7. Noise. In Design of Analog CMOS Integrated Circuits; McGraw-Hill: New York, NY, USA, 2001. [Google Scholar]
- Razavi, B. Chapter 13. Nonlinearity and Mismatch. In Design of Analog CMOS Integrated Circuits; McGraw-Hill: New York, NY, USA, 2001. [Google Scholar]
- Xu, J.; Yang, Z.; Gao, Z.; Zheng, W.; Ma, J. A method of biomimetic visual perception and image reconstruction based on pulse sequence of events. IEEE Sens. J. 2018, in press. [Google Scholar] [CrossRef]
- Liu, Z.; Xu, J.; Wang, X.; Nie, K.; Jin, W. A Fixed-Pattern Noise Correction Method Based on Gray Value Compensation for TDI CMOS Image Sensor. Sensors 2015, 15, 23496–23513. [Google Scholar] [CrossRef] [PubMed]






















| Parameter | Value | 
|---|---|
| VDDpix | 3 V | 
| Vref | 1 V | 
| Cpd | 15 fF | 
| Tread | 25 μs | 
| Ipmax | 150,000 fA | 
| Evaluating Indexes | Image With Non-Ideal Factors | Suppressed Image | 
|---|---|---|
| PSNR | 34.4055 | 45.3859 | 
| SSIM | 0.9869 | 0.9987 | 
| Evaluating Indexes | Image With Non-Ideal Factors | Suppressed Image | 
|---|---|---|
| PSNR | 37.6171 | 43.378 | 
| SSIM | 0.9779 | 0.9917 | 
| Parameter | Value | 
|---|---|
| Fabrication process | 0.11 μm | 
| Supply voltage | 3.3 V(analog), 1.5 V(digital) | 
| Chip size | 9.96 × 7.1 mm2 | 
| Array size | 250 (V) × 400 (H) | 
| Pixel size | 20 μm × 20 μm | 
| Fill factor | 13.75% | 
| Fixed pattern noise | 2.99% default reference | 
| Random noise | 0.75% average interspike time interval t is 75 μs, the standard deviation of t is 558.48 ns | 
| Frame rate | 40 kfps | 
| Time resolution | 25 μs | 
| Readout format | LVDS (8 group)/ 500 MHz | 
| Chip data rate | 4 Gbps | 
| Power consumption | 370 mW | 
© 2018 by the authors. Licensee MDPI, Basel, Switzerland. This article is an open access article distributed under the terms and conditions of the Creative Commons Attribution (CC BY) license (http://creativecommons.org/licenses/by/4.0/).
Share and Cite
Gao, J.; Wang, Y.; Nie, K.; Gao, Z.; Xu, J. The Analysis and Suppressing of Non-Uniformity in a High-Speed Spike-Based Image Sensor. Sensors 2018, 18, 4232. https://doi.org/10.3390/s18124232
Gao J, Wang Y, Nie K, Gao Z, Xu J. The Analysis and Suppressing of Non-Uniformity in a High-Speed Spike-Based Image Sensor. Sensors. 2018; 18(12):4232. https://doi.org/10.3390/s18124232
Chicago/Turabian StyleGao, Jing, Yanzhao Wang, Kaiming Nie, Zhiyuan Gao, and Jiangtao Xu. 2018. "The Analysis and Suppressing of Non-Uniformity in a High-Speed Spike-Based Image Sensor" Sensors 18, no. 12: 4232. https://doi.org/10.3390/s18124232
APA StyleGao, J., Wang, Y., Nie, K., Gao, Z., & Xu, J. (2018). The Analysis and Suppressing of Non-Uniformity in a High-Speed Spike-Based Image Sensor. Sensors, 18(12), 4232. https://doi.org/10.3390/s18124232
 
        


 
       