Highly Sensitive Room-Temperature Sensor Based on Nanostructured K2W7O22 for Application in the Non-Invasive Diagnosis of Diabetes
Abstract
1. Introduction
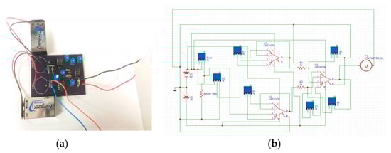
2. Circuit Design
3. Experimental Setup
4. Sensing Mechanism
5. Results and Discussion
6. Conclusions
Author Contributions
Funding
Conflicts of Interest
References
- Wang, C.; Mbi, A.; Shepherd, M. A Study on Breath Acetone in Diabetic Patients Using a Cavity Ringdown Breath Analyzer: Exploring Correlations of Breath Acetone with Blood Glucose and Glycohemoglobin A1C. IEEE Sens. J. 2010, 10, 54–63. [Google Scholar] [CrossRef]
- Harris, M.I. Classification, Diagnostic Criteria, and Screening for Diabetes, Diabetes in America, 2nd ed.; National Diabetes Data Group, National Institutes of Health, and National Institute of Diabetes and Digestive and Kidney Diseases, NIH Publication 95–1468; The National Diabetes Information Clearinghouse (NDIC): Bethesda, MD, USA, 1995; Chapter II; pp. 15–36.
- National Diabetes Statistics Report, Atlanta, GA, USA. 2017. Available online: https://www.cdc.gov/diabetes /data/statistics/statistics-report.html (accessed on 1 September 2018).
- Mayo Clinic Staff. Type 1 Diabetes. 2017. Available online: https://www.mayoclinic.org/diseases-conditions/type-1-diabetes/symptoms-causes/syc-20353011 (accessed on 1 September 2018).
- National Institute of Diabetes and Digestive and Kidney Diseases (NIDDK). The A1C Test & Diabetes. Available online: https://www.niddk.nih.gov/healthinformation/diabetes/overview/tests-diagnosis/a1c-test (accessed on 1 September 2018).
- American Diabetes Association. Diagnosing Diabetes and Learning about Prediabetes. Arlington, VA, USA. Available online: http://www.diabetes.org/diabetes-basics/diagnosis/ (accessed on 1 September 2018).
- Fenske, J.D.; Paulson, S.E. Human Breath Emissions of VOCs. J. Air Waste Manag. Assoc. 2011, 49, 594–598. [Google Scholar] [CrossRef]
- Chen, S.; Zieve, L.; Mahadevan, V. Mercaptans and dimethyl sulfide in the breath of patients with cirrhosis of the liver. Effect of feeding methionine. J. Lab. Clin. Med. 1970, 75, 628–635. [Google Scholar] [PubMed]
- Hossain, M.R.; Zhang, Q.; Johnson, M.; Wang, D. Investigation of humidity cross-interference effect on acetone breath sensor based on nanostructured K2W7O22. Eng. Press. 2017, 1, 30–34. [Google Scholar]
- Peng, G.; Tisch, U.; Adams, O.; Hakim, M.; Shehada, N.; Broza, Y.Y.; Billan, S.; Abdah-Bortnyak, R.; Kuten, A.; Haick, H. Diagnosing lung cancer in exhaled breath using gold nanoparticles. Nat. Nanotechnol. 2009, 4, 669–673. [Google Scholar] [CrossRef] [PubMed]
- King, J.; Unterkofler, K.; Teschl, G.; Teschl, S.; Koc, H.; Hinterhuber, H.; Amann, A. A mathematical model for breath gas analysis of volatile organic compounds with special emphasis on acetone. J. Math. Biol. 2011, 63, 959–999. [Google Scholar] [CrossRef] [PubMed]
- Owen, O.E.; Trapp, V.E.; Skutches, C.L.; Mozzoli, M.A.; Hoeldtke, R.D.; Boden, G.; Reichard, G.A., Jr. Acetone metabolism during diabetic ketoacidosis. Diabetes 1982, 31, 242–247. [Google Scholar] [CrossRef] [PubMed]
- Rydosz, A. A Negative Correlation Between Blood Glucose and Acetone Measured in Healthy and Type 1 Diabetes Mellitus Patient Breath. J. Diabetes Sci. Technol. 2015, 9, 881–884. [Google Scholar] [CrossRef] [PubMed]
- Turner, C.; Walton, C.; Hoashi, S.; Evans, M. Breath acetone concentration decreases with blood glucose concentration in type I diabetes mellitus patients during hypoglycaemic clamps. J. Breath Res. 2009, 3. [Google Scholar] [CrossRef] [PubMed]
- Sun, M.; Wang, Z.; Yuan, Y.; Chen, Z.; Zhao, X.; Li, Y.; Wang, C. Continuous Monitoring of Breath Acetone, Blood Glucose and Blood Ketone in 20 Type 1 Diabetic Outpatients Over 30 Days. J. Anal. Bioanal. Tech. 2017, 8. [Google Scholar] [CrossRef]
- Tassopou, C.; Barnett, D.; Fraser, T.R. Breath-Acetone and Blood-Sugar Measurements in Diabetes. Lancet 1969, 293, 1282–1286. [Google Scholar] [CrossRef]
- Wang, D.; Zhang, Q. Room temperature acetone sensor based on nanostructured K2W7O22. In Proceedings of the IEEE Sensors, Orlando, FL, USA, 30 October–2 November 2016. [Google Scholar]
- Wang, Z.; Wang, C. Is breath acetone a biomarker of diabetes? A historical review on breath acetone measurements. J. Breath Res. 2013, 7, 037109. [Google Scholar] [CrossRef] [PubMed]
- Lee, J.; Ngo, J.; Blake, D.; Meinardi, S.; Pontello, A.M.; Newcomb, R.; Galassetti, P.R. Improved predictive models for plasma glucose estimation from multi-linear regression analysis of exhaled volatile organic compounds. J. Appl. Physiol. 2009, 107, 155–160. [Google Scholar] [CrossRef] [PubMed]
- Turner, C.; Parekh, B.; Walton, C.; Spanel, P.; Smith, D.; Evans, M. An exploratory comparative study of volatile compounds in exhaled breath and emitted by skin using selected ion flow tube mass spectrometry. Rapid Commun. Mass Spectrom. 2008, 22, 526–532. [Google Scholar] [CrossRef] [PubMed]
- Minh, T.D.; Oliver, S.R.; Ngo, J.; Flores, R.; Midyett, J.; Meinardi, S.; Carlson, M.K.; Rowland, F.S.; Blake, D.R.; Galassetti, P.R. Noninvasive measurement of plasma glucose from exhaled breath in healthy and type 1 diabetic subjects. Am. J. Physiol. Endocrinol. Metab. 2011, 300, 1166–1175. [Google Scholar] [CrossRef] [PubMed]
- Sun, M.; Zhao, X.; Yin, H.; Wang, Z.; Jiang, C.; Liu, W.; Chen, Z.; Yuan, Y.; Li, Y.; Wang, C. Study of breath acetone and its correlations with blood glucose and blood beta-hydroxybutyrate using an animal model with lab-developed type 1 diabetic rats. RSC Adv. 2015, 5, 71002–71010. [Google Scholar] [CrossRef]
- Righettoni, M.; Schmid, A.; Amann, A.; Pratsinis, S.E. Correlations between blood glucose and breath components from portable gas sensors and PTR-TOF-MS. J. Breath Res. 2013, 7, 037110. [Google Scholar] [CrossRef] [PubMed]
- Deng, C.H.; Zhang, J.; Yu, X.; Zhang, W.; Zhang, X. Determination of acetone in human breath by gas chromatography-mass spectrometry and solid-phase micro extraction with on-fiber derivatization. J. Chromatogr. B 2004, 810, 269–275. [Google Scholar] [CrossRef]
- Jansson, B.O.; Larsson, B.T. Analysis of organic compounds in human breath by gas chromatography-Mass Spectrometry. J. Lab. Clin. Med. 1969, 74, 961–966. [Google Scholar] [PubMed]
- Smith, D.; Spanel, P. Selected ion flow tube mass spectrometry (SIFT-MS) for on-line trace gas analysis. Mass Spectrom. Rev. 2005, 24, 661–700. [Google Scholar] [CrossRef] [PubMed]
- Blake, R.S.; Monks, P.S.; Ellis, A.M. Proton-Transfer Reaction Mass Spectrometry. Chem. Rev. 2009, 109, 861–896. [Google Scholar] [CrossRef] [PubMed]
- Lindsay, S. High Performance Liquid Chromatography, 2nd ed.; Barnes, J., Ed.; John Wiley & Sons: Chichester, UK, 1992; ISBN 978-0-471-93115-7. [Google Scholar]
- Creaser, S.C.; Griffiths, J.R.; Bramwell, C.J.; Noreen, S.; Hillb, C.A.; Paul, T.C.L. Ion mobility spectrometry: A review. Part 1. Structural analysis by mobility measurement. Analyst 2004, 129, 984–994. [Google Scholar] [CrossRef]
- Ewing, R.G.; Atkinson, D.A.; Eiceman, G.A.; Ewing, G.J. A critical review of ion mobility spectrometry for the detection of explosives and explosive related compounds. Talanta 2001, 54, 515–529. [Google Scholar] [CrossRef]
- Wang, C.; Sahay, P. Breath Analysis Using Laser Spectroscopic Techniques: Breath Biomarkers, Spectral Fingerprints, and Detection Limits. Sensors 2009, 9, 8230–8262. [Google Scholar] [CrossRef] [PubMed]
- Wang, C.; Scherrer, S.T.; Hossain, D. Measurements of cavity ringdown spectroscopy of acetone in the ultraviolet and near-infrared spectral regions: Potential for development of a breath analyzer. Appl. Spectrosc. 2004, 58, 784–791. [Google Scholar] [CrossRef] [PubMed]
- Lourenco, C.; Turner, C. Breath analysis in disease diagnosis: Methodological considerations and applications. Metabolites 2014, 4, 465–498. [Google Scholar] [CrossRef] [PubMed]
- Kao, K.W.; Hsu, M.C.; Chang, Y.H.; Gwo, S.; Yeh, J.A. A Sub-Ppm Acetone Gas Sensor for Diabetes Detection Using 10 nm Thick Ultrathin InN FETs. Sensors 2012, 12, 7157–7168. [Google Scholar] [CrossRef] [PubMed]
- Jamalabadi, H.; Alizadeh, N. Enhanced low-temperature response of PPy-WO3 hybrid nanocomposite based gas sensor deposited by electrospinning method for selective and sensitive acetone detection. IEEE Sens. J. 2017, 17, 2322–2328. [Google Scholar] [CrossRef]
- Das, S.; Bag, A.; Kumar, R.; Biswas, D. Fast Response (7.6s) Acetone Sensing by InGaN/GaN on Si (111) at 373 K. IEEE Electron Device Lett. 2017, 38, 383–386. [Google Scholar] [CrossRef]
- Hazra, A.; Bhowmik, B.; Dutta, K.; Bhattacharyya, P. Low Temperature Low ppm Acetone Detection by Pd/TiO2/p-Si Metal-Insulator-Semiconductor Devices. In Proceedings of the 2013 Seventh International Conference on Sensing Technology (ICST), Wellington, New Zealand, 3–5 December 2013. [Google Scholar]
- Wang, D.; Zhang, Q.; Hossain, M.R.; Johnson, M. High Sensitive Breath Sensor Based on Nanostructured K2W7O22 for Detection of Type 1 Diabetes. IEEE Sens. J. 2018, 18, 4399–4404. [Google Scholar] [CrossRef]
- Operational Amplifier. Available online: https://en.wikipedia.org/wiki/Operational_amplifier (accessed on 1 September 2018).
- Wheatstone Bridge. Available online: https://en.wikipedia.org/wiki/Wheatstone_bridge (accessed on 1 September 2018).
- LM741CN-NOPB. Available online: https://www.digikey.com/product-detail/en/texas-instruments/LM741CN NOPB/LM741CNNS-NOPB-ND/6322 (accessed on 1 September 2018).
- Oshpark. Available online: https://oshpark.com/ (accessed on 1 September 2018).
- SPDT Switch. Available online: http://www.learningaboutelectronics.com/Articles/What-is-a-single-pole-double-throw-switch-SPDT (accessed on 1 September 2018).
- Op-Amp Buffer. Available online: https://www.eecs.tufts.edu/~dsculley/tutorial/opamps/opamps5.html (accessed on 1 September 2018).
- Electrostatic Interactions. Available online: https://www.sciencedirect.com/topics/chemistry/electrostatic-interactions (accessed on 1 September 2018).
- Fine, G.F.; Cavanagh, L.M.; Afonja, A.; Binions, R. Metal Oxide Semi-Conductor Gas Sensors in Environmental Monitoring. Sensors 2010, 10, 5469–5502. [Google Scholar] [CrossRef] [PubMed]
- Chemical Sensors. Available online: https://www.nap.edu/read/4782/chapter/10#74 (accessed on 15 October 2018).
- Sensor. Available online: https://en.wikipedia.org/wiki/Sensor (accessed on 15 October 2018).
- Kargar, A. Sensitivity Analysis of Silicon Nanowire Chemical Sensor. In Proceedings of the 8th IEEE Conference on Nanotechnology, Arlington, TX, USA, 18–21 August 2008. [Google Scholar]






| Acetone Concentration (ppm) | Sample 1 (Sensitivity, ΔV/Vo) × 100% | Sample 2 (Sensitivity, ΔR/Ro) × 100% |
|---|---|---|
| 0 | 0 | 0 |
| 1 | 4.411 | 0.1 |
| 2 | 9.823 | 0.2 |
| 3 | 14.117 | 0.225 |
| 4 | 17.588 | 0.245 |
| 5 | 18.882 | 0.28 |
| 6.25 | 22.647 | 0.29 |
© 2018 by the authors. Licensee MDPI, Basel, Switzerland. This article is an open access article distributed under the terms and conditions of the Creative Commons Attribution (CC BY) license (http://creativecommons.org/licenses/by/4.0/).
Share and Cite
Hossain, M.R.; Zhang, Q.; Johnson, M.; Wang, D. Highly Sensitive Room-Temperature Sensor Based on Nanostructured K2W7O22 for Application in the Non-Invasive Diagnosis of Diabetes. Sensors 2018, 18, 3703. https://doi.org/10.3390/s18113703
Hossain MR, Zhang Q, Johnson M, Wang D. Highly Sensitive Room-Temperature Sensor Based on Nanostructured K2W7O22 for Application in the Non-Invasive Diagnosis of Diabetes. Sensors. 2018; 18(11):3703. https://doi.org/10.3390/s18113703
Chicago/Turabian StyleHossain, Md Razuan, Qifeng Zhang, Michael Johnson, and Danling Wang. 2018. "Highly Sensitive Room-Temperature Sensor Based on Nanostructured K2W7O22 for Application in the Non-Invasive Diagnosis of Diabetes" Sensors 18, no. 11: 3703. https://doi.org/10.3390/s18113703
APA StyleHossain, M. R., Zhang, Q., Johnson, M., & Wang, D. (2018). Highly Sensitive Room-Temperature Sensor Based on Nanostructured K2W7O22 for Application in the Non-Invasive Diagnosis of Diabetes. Sensors, 18(11), 3703. https://doi.org/10.3390/s18113703

