Hardware/Software Data Acquisition System for Real Time Cell Temperature Monitoring in Air-Cooled Polymer Electrolyte Fuel Cells
Abstract
:1. Introduction
2. Materials and Methods
2.1. Developed Data Acquisition System
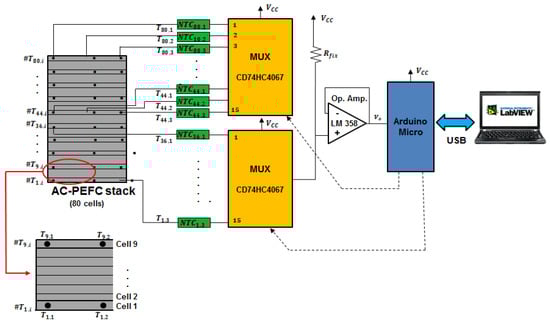
2.1.1. Hardware Development
- is the power supply source voltage (5 V).
- is the the NTC resistance on the part j of the cell i.
- is the multiplexer resistance in conduction.
- is the fixed resistance used in the voltage divider.
2.1.2. Software Development
- ∙
- An indicator showing the date and time elapsed since the program was started.
- ∙
- A box from which we can chose the port and the speed of the serial communication.
- ∙
- A button to make the calibration.
- ∙
- A box from which we can choose the destination of the data to be saved and the beginning of the data storage.
- ∙
- Two boxes where we can select the number of cells of the stack and the cell from which the user desires to begin the monitoring. Once these two parameters are defined, the modular VI will automatically make a homogeneous distribution, to distribute the group of NTCs in such a way as to have the most equitable distance between them.
3. Experimental Results
4. Discussion
line, cell #53, right side) gives us the highest temperature value. This cell does not correspond to the cell that the manufacturer marks as the hottest point in the stack. As we have commented above, manufacturer indicates the middle of the stack (cell #40) as the hottest point, and estimates the highest temperature difference between the middle and the extremes at 8 °C. Therefore this contradiction with the manufacturer’s consideration leads us to think that cell #53 might be damaged.5. Conclusions
Author Contributions
Conflicts of Interest
Abbreviations
| AC-PEFC | Air Cooled Polymer Electrolyte Fuel Cell |
| BoP | Balance of Plant |
| DAQ | Data Acquisition |
| FC | Fuel Cell |
| HT-FC | High Temperature Fuel Cell |
| LabVIEW | Laboratory Virtual Instrumentation Engineering Workbench |
| MUX | Multiplexer |
| NI | National Instrument |
| NTC | Negative Temperature Coefficient |
| Op. Amp. | Operational Amplifier |
| OS | Operating System |
| PE | Polymer Electrolyte |
| PEFC | Polymer Electrolyte Fuel Cell |
| PMS | Power Management System |
| PHM | Prognostics and Health Management |
| SCADA | Supervisory Control And Data Acquisition |
| VI | Virtual Instrument |
Appendix A
| //////// TEMPERATURE MAP BASED ON TWO MUX //////////////////////////// //////////////////////////////////////////////TEP-192 //////////////////////////////////////////////////////////////////////// |
| //////////////////////////////////// CALIBRATED 2: Y=X+C /////////////////////////////////////////////// |
| #define NumCell 10 |
| #define NumSensor 3 |
| // MUX variables |
| #define S0 2 |
| #define S1 3 |
| #define S2 4 |
| #define S3 5 |
| #define E0 6 |
| #define E1 7 |
| // Variables CTN y voltaje divider |
| #define T0 298.15 |
| #define Rfix 100000 |
| #define Ro 100000 |
| #define B 4160 |
| #define temperature (B/(B/T0+log((Vctn*Rfix)/(Ro*(5-Vctn)))))-273 |
| #define time 10 // iteration time |
| float T[NumCell][NumSensor]; |
| float C[NumCell][NumSensor]; // CALIBRATE |
| float Taverage; |
| float Vctn; |
| char serie_rec; |
| // ---- LOOPS ----- |
| int i,j; |
| void setup (){ |
| Serial.begin(9600); |
| pinMode(S0,OUTPUT); |
| pinMode(S1,OUTPUT); |
| pinMode(S2,OUTPUT); |
| pinMode(S3,OUTPUT); |
| pinMode(E0,OUTPUT); |
| pinMode(E1,OUTPUT); |
| digitalWrite(S0,LOW); |
| digitalWrite(S1,LOW); |
| digitalWrite(S2,LOW); |
| digitalWrite(S3,LOW); |
| digitalWrite(E0,LOW); |
| digitalWrite(E1,HIGH); |
| for(i=0; i<NumCell; i++){ |
| for (j=0; j<NumSensor; j++){ |
| C[i][j]=1; |
| } |
| } |
| } |
| void loop(){ |
| serie_rec = Serial.read(); |
| if (serie_rec==‘A’) {FUNCALIBRATE(); serie_rec=0;} |
| // MUX ENABLE |
| digitalWrite(E1,HIGH); digitalWrite(E0,LOW); |
| // CELL 1 |
| digitalWrite(S3,LOW); digitalWrite(S2,LOW); digitalWrite(S1,LOW); digitalWrite(S0,LOW); // 0000 0 |
| delay(time); Vctn=(5.0/1024)*analogRead(0); T[0][0]=temperature; T[0][0]=T[0][0]+C[0][0]; |
| digitalWrite(S3,LOW); digitalWrite(S2,LOW); digitalWrite(S1,LOW); digitalWrite(S0,HIGH); // 0001 1 |
| delay(time); Vctn=(5.0/1024)*analogRead(0); T[0][1]=temperature; T[0][1]=T[0][1]+C[0][1]; |
| digitalWrite(S3,LOW); digitalWrite(S2,LOW); digitalWrite(S1,HIGH); digitalWrite(S0,LOW); // 0010 2 |
| delay(time); Vctn=(5.0/1024)*analogRead(0); T[0][2]=temperature; T[0][2]=T[0][2]+C[0][2]; |
| // CELL 2 |
| digitalWrite(S3,LOW); digitalWrite(S2,LOW); digitalWrite(S1,HIGH); digitalWrite(S0,HIGH); // 0011 3 |
| delay(time); Vctn=(5.0/1024)*analogRead(0); T[1][0]=temperature; T[1][0]=T[1][0]+C[1][0]; |
| digitalWrite(S3,LOW); digitalWrite(S2,HIGH); digitalWrite(S1,LOW); digitalWrite(S0,LOW); // 0100 4 |
| delay(time); Vctn=(5.0/1024)*analogRead(0); T[1][1]=temperature; T[1][1]=T[1][1]+C[1][1]; |
| digitalWrite(S3,LOW); digitalWrite(S2,HIGH); digitalWrite(S1,LOW); digitalWrite(S0,HIGH); // 0101 5 |
| delay(time); Vctn=(5.0/1024)*analogRead(0); T[1][2]=temperature; T[1][2]=T[1][2]+C[1][2]; |
| // CELL 3 |
| digitalWrite(S3,LOW); digitalWrite(S2,HIGH); digitalWrite(S1,HIGH); digitalWrite(S0,LOW); // 0110 6 |
| delay(time); Vctn=(5.0/1024)*analogRead(0); T[2][0]= temperature; T[2][0]=T[2][0]+C[2][0]; |
| digitalWrite(S3,LOW); digitalWrite(S2,HIGH); digitalWrite(S1,HIGH); digitalWrite(S0,HIGH); // 0111 7 |
| delay(time); Vctn=(5.0/1024)*analogRead(0); T[2][1]= temperature; T[2][1]=T[2][1]+C[2][1]; |
| digitalWrite(S3,HIGH); digitalWrite(S2,LOW); digitalWrite(S1,LOW); digitalWrite(S0,LOW); // 1000 8 |
| delay(time); Vctn=(5.0/1024)*analogRead(0); T[2][2]= temperature; T[2][2]=T[2][2]+C[2][2]; |
| // CELL 4 |
| digitalWrite(S3,HIGH); digitalWrite(S2,LOW); digitalWrite(S1,LOW); digitalWrite(S0,HIGH); // 1001 9 |
| delay(time); Vctn=(5.0/1024)*analogRead(0); T[3][0]= temperature; T[3][0]=T[3][0]+C[3][0]; |
| digitalWrite(S3,HIGH); digitalWrite(S2,LOW); digitalWrite(S1,HIGH); digitalWrite(S0,LOW); // 1010 10 |
| delay(time); Vctn=(5.0/1024)*analogRead(0); T[3][1]= temperature; T[3][1]=T[3][1]+C[3][1]; |
| digitalWrite(S3,HIGH); digitalWrite(S2,LOW); digitalWrite(S1,HIGH); digitalWrite(S0,HIGH); // 1011 11 |
| delay(time); Vctn=(5.0/1024)*analogRead(0); T[3][2]= temperature; T[3][2]=T[3][2]+C[3][2]; |
| // CELL 5 |
| digitalWrite(S3,HIGH); digitalWrite(S2,HIGH); digitalWrite(S1,LOW); digitalWrite(S0,LOW); // 1100 12 |
| delay(time); Vctn=(5.0/1024)*analogRead(0); T[4][0]= temperature; T[4][0]=T[4][0]+C[4][0]; |
| digitalWrite(S3,HIGH); digitalWrite(S2,HIGH); digitalWrite(S1,LOW); digitalWrite(S0,HIGH); // 1101 13 |
| delay(time); Vctn=(5.0/1024)*analogRead(0); T[4][1]= temperature; T[4][1]=T[4][1]+C[4][1]; |
| digitalWrite(S3,HIGH); digitalWrite(S2,HIGH); digitalWrite(S1,HIGH); digitalWrite(S0,LOW); // 1110 14 |
| delay(time); Vctn=(5.0/1024)*analogRead(0); T[4][2]= temperature; T[4][2]=T[4][2]+C[4][2]; |
| // CELL 6 |
| digitalWrite(S3,HIGH); digitalWrite(S2,HIGH); digitalWrite(S1,HIGH); digitalWrite(S0,HIGH); // 1111 15 |
| delay(time); Vctn=(5.0/1024)*analogRead(0); T[5][0]=temperature; T[5][0]=T[5][0]+C[5][0]; |
| // MUX ENABLE |
| digitalWrite(E0,HIGH); digitalWrite(E1,LOW); |
| digitalWrite(S3,LOW); digitalWrite(S2,LOW); digitalWrite(S1,LOW); digitalWrite(S0,LOW); // 0000 0 |
| delay(time); Vctn=(5.0/1024)*analogRead(0); T[5][1]=temperature; T[5][1]=T[5][1]+C[5][1]; |
| digitalWrite(S3,LOW); digitalWrite(S2,LOW); digitalWrite(S1,LOW); digitalWrite(S0,HIGH); // 0001 1 |
| delay(time); Vctn=(5.0/1024)*analogRead(0); T[5][2]=temperature; T[5][2]=T[5][2]+C[5][2]; |
| // CELL 7 |
| digitalWrite(S3,LOW); digitalWrite(S2,LOW); digitalWrite(S1,HIGH); digitalWrite(S0,LOW); // 0010 2 |
| delay(time); Vctn=(5.0/1024)*analogRead(0); T[6][0]= temperature; T[6][0]=T[6][0]+C[6][0]; |
| digitalWrite(S3,LOW); digitalWrite(S2,LOW); digitalWrite(S1,HIGH); digitalWrite(S0,HIGH); // 0011 3 |
| delay(time); Vctn=(5.0/1024)*analogRead(0); T[6][1]= temperature; T[6][1]=T[6][1]+C[6][1]; |
| digitalWrite(S3,LOW); digitalWrite(S2,HIGH); digitalWrite(S1,LOW); digitalWrite(S0,LOW); // 0100 4 |
| delay(time); Vctn=(5.0/1024)*analogRead(0); T[6][2]= temperature; T[6][2]=T[6][2]+C[6][2]; |
| // CELL 8 |
| digitalWrite(S3,LOW); digitalWrite(S2,HIGH); digitalWrite(S1,LOW); digitalWrite(S0,HIGH); // 0101 5 |
| delay(time); Vctn=(5.0/1024)*analogRead(0); T[7][0]=temperature; T[7][0]=T[7][0]+C[7][0]; |
| digitalWrite(S3,LOW); digitalWrite(S2,HIGH); digitalWrite(S1,HIGH); digitalWrite(S0,LOW); // 0110 6 |
| delay(time); Vctn=(5.0/1024)*analogRead(0); T[7][1]= temperature; T[7][1]=T[7][1]+C[7][1]; |
| digitalWrite(S3,LOW); digitalWrite(S2,HIGH); digitalWrite(S1,HIGH); digitalWrite(S0,HIGH); // 0111 7 |
| delay(time); Vctn=(5.0/1024)*analogRead(0); T[7][2]= temperature; T[7][2]=T[7][2]+C[7][2]; |
| // CELL 9 |
| digitalWrite(S3,HIGH); digitalWrite(S2,LOW); digitalWrite(S1,LOW); digitalWrite(S0,LOW); // 1000 8 |
| delay(time); Vctn=(5.0/1024)*analogRead(0); T[8][0]=temperatura; T[8][0]=T[8][0]+C[8][0]; |
| digitalWrite(S3,HIGH); digitalWrite(S2,LOW); digitalWrite(S1,LOW); digitalWrite(S0,HIGH); // 1001 9 |
| delay(time); Vctn=(5.0/1024)*analogRead(0); T[8][1]=temperatura; T[8][1]=T[8][1]+C[8][1]; |
| digitalWrite(S3,HIGH); digitalWrite(S2,LOW); digitalWrite(S1,HIGH); digitalWrite(S0,LOW); // 1010 10 |
| delay(time); Vctn=(5.0/1024)*analogRead(0); T[8][2]=temperatura; T[8][2]=T[8][2]+C[8][2]; |
| // CELL 10 |
| digitalWrite(S3,HIGH); digitalWrite(S2,LOW); digitalWrite(S1,HIGH); digitalWrite(S0,HIGH); // 1011 11 |
| delay(time); Vctn=(5.0/1024)*analogRead(0); T[9][0]=temperature; T[9][0]=T[9][0]+C[9][0]; |
| digitalWrite(S3,HIGH); digitalWrite(S2,HIGH); digitalWrite(S1,LOW); digitalWrite(S0,LOW); // 1100 12 |
| delay(time); Vctn=(5.0/1024)*analogRead(0); T[9][1]=temperature; T[9][1]=T[9][1]+C[9][1]; |
| digitalWrite(S3,HIGH); digitalWrite(S2,HIGH); digitalWrite(S1,LOW); digitalWrite(S0,HIGH); // 1101 13 |
| delay(time); Vctn=(5.0/1024)*analogRead(0); T[9][2]=temperature; T[9][2]=T[9][2]+C[9][2]; |
| Serial.print (“A”); Serial.print(T[0][0]); |
| Serial.print (“B”); Serial.print(T[0][1]); |
| Serial.print (“C”); Serial.print(T[0][2]); |
| Serial.print (“D”); Serial.print(T[1][0]); |
| Serial.print (“E”); Serial.print(T[1][1]); |
| Serial.print (“F”); Serial.print(T[1][2]); |
| Serial.print (“G”); Serial.print(T[2][0]); |
| Serial.print (“H”); Serial.print(T[2][1]); |
| Serial.print (“I”); Serial.print(T[2][2]); |
| Serial.print (“J”); Serial.print(T[3][0]); |
| Serial.print (“K”); Serial.print(T[3][1]); |
| Serial.print (“L”); Serial.print(T[3][2]); |
| Serial.print (“M”); Serial.print(T[4][0]); |
| Serial.print (“N”); Serial.print(T[4][1]); |
| Serial.print (“O”); Serial.print(T[4][2]); |
| Serial.print (“P”); Serial.print(T[5][0]); |
| Serial.print (“Q”); Serial.print(T[5][1]); |
| Serial.print (“R”); Serial.print(T[5][2]); |
| Serial.print (“S”); Serial.print(T[6][0]); |
| Serial.print (“T”); Serial.print(T[6][1]); |
| Serial.print (“U”); Serial.print(T[6][2]); |
| Serial.print (“V”); Serial.print(T[7][0]); |
| Serial.print (“W”); Serial.print(T[7][1]); |
| Serial.print (“X”); Serial.print(T[7][2]); |
| Serial.print (“Y”); Serial.print(T[8][0]); |
| Serial.print (“Z”); Serial.print(T[8][1]); |
| Serial.print (“a”); Serial.print(T[8][2]); |
| Serial.print (“b”); Serial.print(T[9][0]); |
| Serial.print (“c”); Serial.print(T[9][1]); |
| Serial.print (“d”); Serial.print(T[9][2]); |
| Serial.print (“e”); |
| } |
| void FUNCALIBRATE(){ |
| // Yi=Ci+xi |
| // Cálculo de Tmedia |
| Tmedia=0; |
| for(i=0; i<NumsCell; i++){ |
| for (j=0; j<NumSensor; j++){ |
| Taverage=Taverage+T[i][j]; |
| } |
| } |
| Taverage=Taverage/30; |
| // Cálculo de Constante C |
| for(i=0; i<NumCell; i++){ |
| for (j=0; j<NumSensor; j++){ |
| C[i][j]= Taverage-T[i][j]; |
| } |
| } |
| } |
References
- Ismail, M.S.; Moghavvemi, M.; Mahlia, T.M.I.; Muttaqi, K.M.; Moghavvemi, S. Effective utilization of excess energy in standalone hybrid renewable energy systems for improving comfort ability and reducing cost of energy: A review and analysis. Renew. Sustain. Energy Rev. 2015, 42, 726–734. [Google Scholar] [CrossRef]
- Segura, F.; Andújar, J.M. Step by step development of a real fuel cell system. Design, implementation, control and monitoring. Int. J. Hydrog. Energy 2015, 40, 5496–5508. [Google Scholar] [CrossRef]
- Nojavan, S.; Zare, K.; Mohammadi-Ivatloo, B. Application of fuel cell and electrolyzer as hydrogen energy storage system in energy management of electricity energy retailer in the presence of the renewable energy sources and plug-in electric vehicles. Energy Convers. Manag. 2017, 136, 404–417. [Google Scholar] [CrossRef]
- Behling, N.; Williams, M.C.; Managi, S. Fuel cells and the hydrogen revolution: Analysis of a strategic plan in Japan. Econ. Anal. Policy 2015, 48, 204–221. [Google Scholar] [CrossRef]
- Vasallo, M.J.; Bravo, J.M.; Andújar, J.M. Optimal sizing for UPS systems based on batteries and/or fuel cell. Appl. Energy 2013, 105, 170–181. [Google Scholar] [CrossRef]
- Segura, F.; Durán, E.; Andújar, J.M. Design, building and testing of a stand alone fuel cell hybrid system. J. Power Sources 2009, 193, 276–284. [Google Scholar] [CrossRef]
- Segura, F.; Andújar, J.M. Power management based on sliding control applied to fuel cell systems: A further step towards the hybrid control concept. Appl. Energy 2012, 99, 213–225. [Google Scholar] [CrossRef]
- Okedi, T.I.; Meyer, Q.; Hunter, H.M.A.; Shearing, P.R.; Brett, D.J.L. Development of a polymer electrolyte fuel cell dead-ended anode purge strategy for use with a nitrogen-containing hydrogen gas supply. Int. J. Hydrog. Energy 2017, 42, 13850–13859. [Google Scholar] [CrossRef]
- Takalloo, P.K.; Nia, E.S.; Ghazikhani, M. Numerical and experimental investigation on effects of inlet humidity and fuel flow rate and oxidant on the performance on polymer fuel cell. Energy Convers. Manag. 2016, 114, 290–302. [Google Scholar] [CrossRef]
- Sorrentino, M.; Pianese, C.; Cilento, M. A Specification Independent Control Strategy for Simultaneous Optimization of Fuel Cell Hybrid Vehicles Design and Energy Management. IFAC-PapersOnLine 2016, 49, 369–376. [Google Scholar] [CrossRef]
- Lotfi, N.; Zomorodi, H.; Landers, R.G. Active disturbance rejection control for voltage stabilization in open-cathode fuel cells through temperature regulation. Control Eng. Pract. 2016, 56, 92–100. [Google Scholar] [CrossRef]
- Han, J.; Park, J.; Yu, S. Control strategy of cooling system for the optimization of parasitic power of automotive fuel cell system. Int. J. Hydrog. Energy 2015, 40, 13549–13557. [Google Scholar] [CrossRef]
- Ueno, A.; Takane, T.; Ueno, F. Study on degradation of electrolyte membrane for PEFC. Procedia Struct. Integr. 2016, 2, 2323–2329. [Google Scholar] [CrossRef]
- Cadet, C.; Jemeï, S.; Druart, F.; Hissel, D. Diagnostic tools for PEMFCs: From conception to implementation. Int. J. Hydrog. Energy 2014, 39, 10613–10626. [Google Scholar] [CrossRef]
- Calderón, A.; González, I.; Calderón, M.; Segura, F.; Andújar, J. A New, Scalable and Low Cost Multi-Channel Monitoring System for Polymer Electrolyte Fuel Cells. Sensors 2016, 16, 349. [Google Scholar]
- Jourdan, M.; Mounir, H.; el Marjani, A. Compilation of factors affecting durability of Proton Exchange Membrane Fuel Cell (PEMFC). In Proceedings of the 2014 International Renewable and Sustainable Energy Conference (IRSEC), Ouarzazate, Morocco, 17–19 Octobre 2014; pp. 542–547. [Google Scholar]
- Wonderware Industrial Computers. InTouch HMI Panel PCs. Available online: https://www.wonderware.com/hmi-scada/industrial-computers (accessed on 2 May 2017).
- iFIX | HMI, SCADA & Industrial Automation System | GE Digital. Available online: https://www.ge.com/digital/products/ifix (accessed on 2 May 2017).
- SCADA System SIMATIC WinCC—HMI Software—Siemens. Available online: https://w3.siemens.com/mcms/human-machine-interface/en/visualization-software/scada/simatic-wincc/Pages/default.aspx (accessed on 2 May 2017).
- Software de Desarrollo de Sistemas NI LabVIEW—National Instruments. Available online: https://www.ge.com/digital/products/ifix http://www.ni.com/labview/esa/ (accessed on 2 May 2017).
- Rapid SCADA | Free, Open Source, Full Featured SCADA Software. Available online: http://rapidscada.org/ (accessed on 2 May 2017).
- openSCADA | We are the good guys. Available online: http://openscada.org/ (accessed on 2 May 2017).
- Enscada’s IndigoSCADA Section. Available online: http://www.enscada.com/a7khg9/IndigoSCADA.html (accessed on 2 May 2017).
- Arpaia, P.; de Matteis, E.; Inglese, V. Software for measurement automation: A review of the state of the art. Measurement 2015, 66, 10–25. [Google Scholar] [CrossRef]
- Pany, P.; Singh, R.K.; Tripathi, R.K. Active load current sharing in fuel cell and battery fed DC motor drive for electric vehicle application. Energy Convers. Manage. 2016, 122, 195–206. [Google Scholar] [CrossRef]
- Barbouche, M.; Ahmed, Z.; Charradi, K.; Goubantini, H.; Beji, Z.; Krout, F.; Azzouni, S.; Chtourou, R.; Olivier, J.C.; Squadrito, G. Tunisian European Cooperation Project: PEM Fuel Cells Technology. Energy Procedia 2016, 93, 89–95. [Google Scholar] [CrossRef]
- Segura, F.; Andújar, J. Modular PEM Fuel Cell SCADA & Simulator System. Resources 2015, 4, 692–712. [Google Scholar]
- Andújar, J.M.; Segura, F. PEFC Simulator and Real Time Monitoring System. Fuel Cells 2015, 15, 813–825. [Google Scholar] [CrossRef]
- ARDUINO. Available online: https://www.arduino.cc/ (accessed on 2 May 2017).
- Raspberry Pi—Teach, Learn, and Make with Raspberry Pi. Available online: https://www.raspberrypi.org/ (accessed on 2 May 2017).
- The Intel® Edison Module | IoT | Intel® Software. Available online: https://software.intel.com/en-us/iot/hardware/edison (accessed on 2 May 2017).
- openDAQ. Available online: https://www.open-daq.com/ (accessed on 2 May 2017).
- Lee, C.-Y.; Peng, H.-C.; Lee, S.-J.; Hung, I.; Hsieh, C.-T.; Chiou, C.-S.; Chang, Y.-M.; Huang, Y.-P. A Flexible Three-in-One Microsensor for Real-Time Monitoring of Internal Temperature, Voltage and Current of Lithium Batteries. Sensors 2015, 15, 11485–11498. [Google Scholar] [CrossRef] [PubMed]
- Lee, C.-Y.; Weng, F.B.; Kuo, Y.W.; Tsai, C.H.; Cheng, Y.T.; Cheng, C.K.; Lin, J.T. In-Situ Measurement of High-Temperature Proton Exchange Membrane Fuel Cell Stack Using Flexible Five-in-One Micro-Sensor. Sensors 2016, 16, 1731. [Google Scholar] [CrossRef] [PubMed]
- Zheng, Q.; Xiong, L.; Mo, B.; Lu, W.; Kim, S.; Wang, Z. Temperature and Humidity Sensor Powered by an Individual Microbial Fuel Cell in a Power Management System. Sensors 2015, 15, 23126–23144. [Google Scholar] [CrossRef] [PubMed]
- Kuo, L.-S.; Huang, H.-H.; Yang, C.-H.; Chen, P.-H. Real-Time Remote Monitoring of Temperature and Humidity within a Proton Exchange Membrane Fuel Cell Using Flexible Sensors. Sensors 2011, 11, 8674–8684. [Google Scholar] [CrossRef] [PubMed]
- S++ Simulation Services. Available online: http://www.splusplus.com/measurement/en/cslin.html (accessed on 2 May 2017).
- Fuel Cell Stacks—Fuel Cell Power Products | Ballard Power. Available online: http://ballard.com/fuel-cell-solutions/fuel-cell-power-products/fuel-cell-stacks (accessed on 21 June 2017).
- Antoni, L. FCTESTNET/FCTESQA PEFC Power Stack Performance Testing Procedure I. Polarisation Curve Test Method; European Commission: Brussels, Belgium, 2009. [Google Scholar]
- Noorkami, M.; Robinson, J.B.; Meyer, Q.; Obeisun, O.A.; Fraga, E.S.; Reisch, T.; Shearing, P.R.; Brett, D.J. Effect of temperature uncertainty on polymer electrolyte fuel cell performance. Int. J. Hydrog. Energy 2014, 39, 1439–1448. [Google Scholar] [CrossRef]
- Ballard. Putting Fuel Cells to Work FCgen®—1020ACS Fuel Cell Stack FCvelocity®—1020ACS Fuel Cell Stack Product Manual and Integration Guide; Ballard Power Systems: Burnaby, BC, Canada, 2011. [Google Scholar]













| NTC NB20N50104KBA | Arduino Micro Atmega32u4 | MUX CD74HC4067 | Op. Amp. LM358 | |
|---|---|---|---|---|
| R0 = 100 kΩ B = 4160 K Tmin = −55 °C and Tmax = 150 °C Tolerance = ± 10% Time constant = 7 s | VCC = 5 V I/O digital = 20 Analog inputs = 12 Clock = 16 MHz | DC current 40 mA Memory Flash 32 KB SRAM 2.5 KB EEPR OM 2.5 KB | VCC = 5 V Ron = 65 Ω Analog inputs = 16 | VCC = 5 V CMR = 70 dB Output voltage = 5 V |
| Tolerance = ± 10% | Size: 10 cm × 10 cm |
| Sample time: 400 ms | Auxiliary power supply NO |
| Weight: 50 g | Temperature range: (−55 °C to 150 °C) |
© 2017 by the authors. Licensee MDPI, Basel, Switzerland. This article is an open access article distributed under the terms and conditions of the Creative Commons Attribution (CC BY) license (http://creativecommons.org/licenses/by/4.0/).
Share and Cite
Segura, F.; Bartolucci, V.; Andújar, J.M. Hardware/Software Data Acquisition System for Real Time Cell Temperature Monitoring in Air-Cooled Polymer Electrolyte Fuel Cells. Sensors 2017, 17, 1600. https://doi.org/10.3390/s17071600
Segura F, Bartolucci V, Andújar JM. Hardware/Software Data Acquisition System for Real Time Cell Temperature Monitoring in Air-Cooled Polymer Electrolyte Fuel Cells. Sensors. 2017; 17(7):1600. https://doi.org/10.3390/s17071600
Chicago/Turabian StyleSegura, Francisca, Veronica Bartolucci, and José Manuel Andújar. 2017. "Hardware/Software Data Acquisition System for Real Time Cell Temperature Monitoring in Air-Cooled Polymer Electrolyte Fuel Cells" Sensors 17, no. 7: 1600. https://doi.org/10.3390/s17071600
APA StyleSegura, F., Bartolucci, V., & Andújar, J. M. (2017). Hardware/Software Data Acquisition System for Real Time Cell Temperature Monitoring in Air-Cooled Polymer Electrolyte Fuel Cells. Sensors, 17(7), 1600. https://doi.org/10.3390/s17071600

