Novel Resistance Measurement Method: Analysis of Accuracy and Thermal Dependence with Applications in Fiber Materials
Abstract
:1. Introduction
2. Objectives
- Design a new measurement instrument capable of measuring a wide range of resistance values using low voltage supply with improved accuracy compared to other measurement instruments. In addition, it must be versatile to incorporate conversion from resistance value into any material property.
- Develop an automated test bench to allow the characterization of the proposed instrument, and, once characterized, use the instrument in conjunction with the test bench to evaluate material behaviour.
- Electronically verify the instrument under different supply voltages and ambient temperature variations since these parameters must be considered when measuring any material, since they are circuit effects and not directly related to material properties.
- Perform an initial evaluation of the resistance value provided by the instrument under a fiber material. We have chosen timber as a heterogeneous material to obtain the resistance values during a drying process in order to show how the resistance changes as timber is drying.
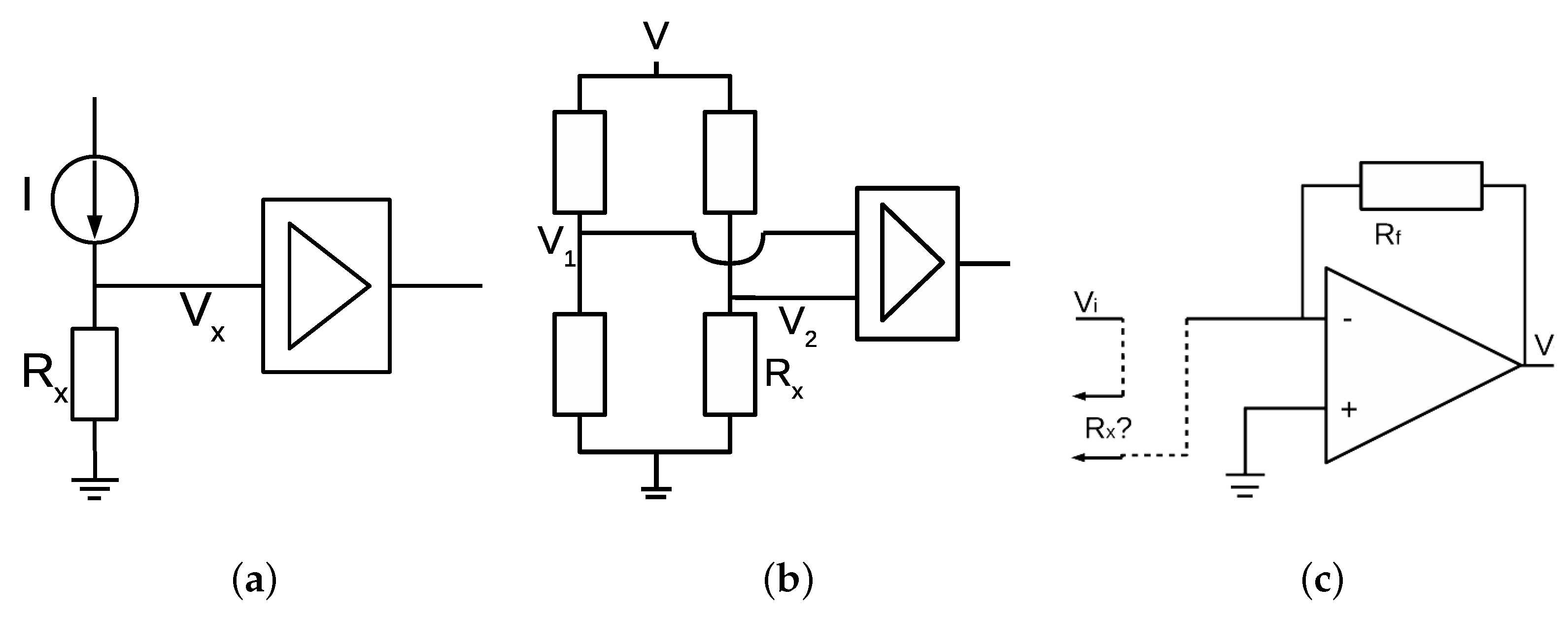
3. Resistance Measurement: Analog and Digital Circuits
- Ultra wide range resistance measurement: from 1 MΩ to 100 GΩ.
- Resistance measurement is dependent on the temperature. Thus, a temperature sensor must be included to analyse thermal dependence.
- Portability: small size, lightweight and low power.
- Communications: possibility to include different control and visualization options such as local display and keypads (handheld device) or wireless data exchange via different technologies (WiFi, Zigbee, USB). Wireless communication allows creating a remote monitoring network in certain applications where different locations need to be continuously monitored [21,22].
- Data storage: acquired data must be able to be recorded.
- Flexibility: the circuit must be able to be customized for different application areas by software. Thus, the same electronic system can serve for multiple purposes related to resistance measurement (different materials, laboratory use as a characterization/validation bench, remote sensing, handheld device, etc.) by adapting the software.
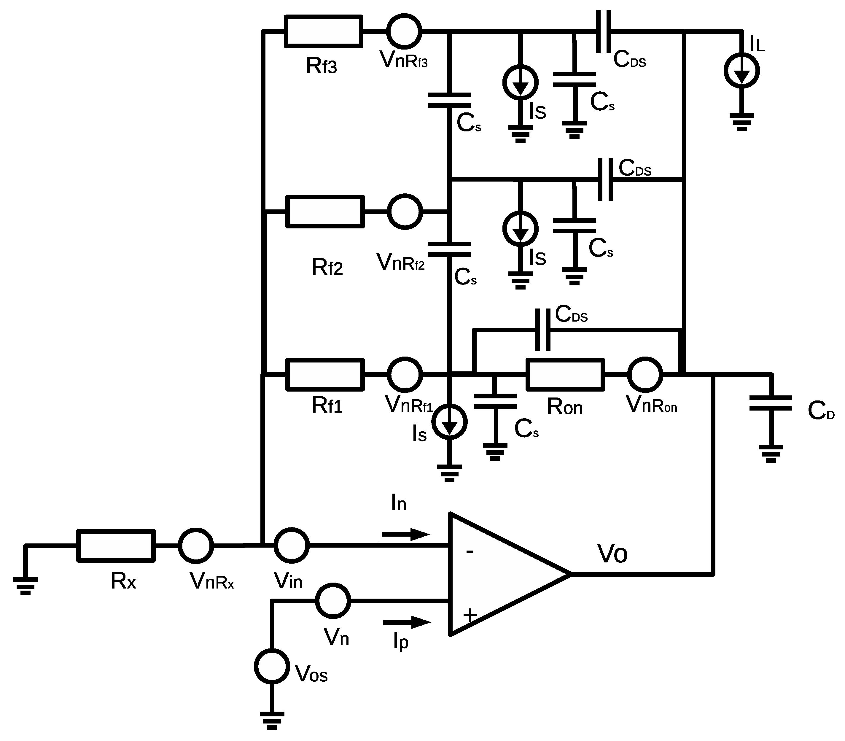
3.1. Analog Circuit
- Real behaviour of electronic components used in the circuit.
- Effects of the printed circuit board (PCB).
- Leakage currents. Leakage currents are generated by stray resistance paths between the measurement circuit and nearby voltage sources. These currents can degrade the accuracy of low current measurements considerably. Guarding is used as an effective way to reduce leakage current [25], but leakage still exists.
- Electrostatic effects.
- Noise sources associated to electronic components. Its contribution is increasing with temperature, high resistance values and amplification level. This can be a limiting factor in measurement, as noise can hide measured value from [26]. On average, this noise effect is zero, but instant values can cause saturation in the amplifier.
- Thermal noise in the resistors of increasing with temperature and being more important as resistor values increase [25].
- Operational amplifier noise due to the offset voltage between input pins , and noise due to the polarization currents [26].
- Leakage currents in the multiplexer , parasitic capacitances and in resistance of the multiplexer [23].
3.1.1. DC Analysis
3.1.2. AC Analysis
3.2. Digital Circuit
4. Characterization Test Bench
- Accuracy analysis in the measurement range.
- Evaluate the most adequate supply voltage for the analog circuit part of the device.
- In combination with a climate chamber, obtain characterization data of the device with variable temperature and ambient humidity.
- Report generation and data analysis.
5. Experimental Results
5.1. Evaluation of Accuracy and Extended Uncertainty of Measured Values
5.2. Thermal Characterization of the Measurement Circuit
6. Resistance Measurement in Timber Materials and Its Conversion to Internal Moisture Contents
7. Discussion
8. Conclusions
Acknowledgments
Author Contributions
Conflicts of Interest
References
- Asami, K. Design of a measurement cell for low-frequency dielectric spectroscopy of biological cell suspensions. Meas. Sci. Technol. 2011, 22, 085801. [Google Scholar] [CrossRef]
- Pliquett, U. Bioimpedance: A review for food processing. Food Eng. Rev. 2010, 2, 74–94. [Google Scholar] [CrossRef]
- Nakonieczna, A.; Paszkowski, B.; Wilczek, A.; Szypłowska, A.; Skierucha, W. Electrical impedance measurements for detecting artificial chemical additives in liquid food products. Food Control 2016, 66, 116–129. [Google Scholar] [CrossRef]
- Oh, M.; Kim, Y.; Park, J. Factors affecting the complex permittivity spectrum of soil at a low frequency range of 1 kHz–10 MHz. Environ. Geol. 2007, 51, 821–833. [Google Scholar] [CrossRef]
- Brischke, C.; Rapp, A.O.; Bayerbach, R. Measurement system for long-term recording of wood moisture content with internal conductively glued electrodes. Build. Environ. 2008, 43, 1566–1574. [Google Scholar] [CrossRef]
- Fleig, J.; Jamnik, J.; Maier, J.; Ludvig, J. Inductive loops in impedance spectroscopy caused by electrical shielding. J. Electrochem. Soc. 1996, 143, 3636–3641. [Google Scholar] [CrossRef]
- Okawa, Y.; Norimatsu, H.; Suto, H.; Takayanagi, M. The negative capacitance effect on the CV measurement of ultra thin gate dielectrics induced by the stray capacitance of the measurement system. In Proceedings of the 2003 IEEE International Conference on Microelectronic Test Structures, Monterey, CA, USA, 17–20 March 2003; pp. 197–202.
- Henderson, L.; Williams, J. A guide to measuring resistance and impedance below 1 MHz. In Proceedings of the IEE Colloquium on Interconnections from DC to Microwaves, London, UK, 18 February 1999.
- Grimnes, S.; Martinsen, Ø.G. Sources of error in tetrapolar impedance measurements on biomaterials and other ionic conductors. J. Phys. D Appl. Phys. 2006, 40, 9–14. [Google Scholar] [CrossRef]
- Putta, S.; Vaidyanathan, V.; Chung, J. Development and testing of a nodal resistance measurement (NRM) system for composite structures. Measurement 2008, 41, 763–773. [Google Scholar] [CrossRef]
- Kandala, C.; Nelson, S. RF Impedance method for estimating moisture content in small samples of In-Shell peanuts. IEEE Trans. Instrum. Meas. 2007, 56, 938–943. [Google Scholar] [CrossRef]
- Isaksson, T.; Thelandersson, S. Experimental investigation on the effect of detail design on wood moisture content in outdoor above ground applications. Build. Environ. 2013, 59, 239–249. [Google Scholar] [CrossRef]
- Brischke, C.; Lampen, S.C. Resistance based moisture content measurements on native, modified and preservative treated wood. Eur. J. Wood Wood Prod. 2014, 72, 289–292. [Google Scholar] [CrossRef]
- Fan, D.; Xue, J. The design of intelligent automatic test system for wood moisture content test. In Proceedings of the 2010 International Conference on Computer Design and Applications (ICCDA), Qinhuangdao, China, 25–27 June 2010; Volume 3, pp. 314–316.
- Zhang, J.; Wang, P. Online monitoring and detecting of wood drying kilns’ parameters based on embedded system. In Proceedings of the 2013 25th Chinese Control and Decision Conference (CCDC), Guiyang, China, 25–27 May 2013; pp. 4189–4193.
- Stambuk, I.; Malaric, R. Measurement system for precise comparison of low ohmic resistance standards. Measurement 2015, 66, 161–167. [Google Scholar] [CrossRef]
- Tadros, N.N.; Ali, R.S.M. Automated accurate high value resistances measurement in the range from 100 kΩ to 100 MΩ at NIS. Measurement 2012, 45, 988–992. [Google Scholar] [CrossRef]
- Tadros, N.N.; Ali, R.S.M. Improved system for the automatic calibration of standard resistors in the meg-ohm range. Measurement 2013, 46, 2077–2081. [Google Scholar] [CrossRef]
- Galliana, F.; Capra, P.P.; Gasparotto, E. Metrological management of the high DC resistance scale at INRIM. Measurement 2009, 42, 314–321. [Google Scholar] [CrossRef]
- Fernandez-Golfin, J.I.; Conde, M.; Conde, M.; Fernandez-Golfin, J.J.; Calvo, R.; Baonza, M.V.; de Palacios y Palacios, P. Curves for the estimation of the moisture content of ten hardwoods by means of electrical resistance measurements. For. Syst. 2012, 21, 121–127. [Google Scholar] [CrossRef]
- Tannert, T.; Muller, A.; Vogel, M. Structural health monitoring of timber bridges. In ICTB 2010; Bern University of Applied Sciences, Ed.; Tapir Akademisk Forlag: Trondheim, Norway, 2010; pp. 205–212. [Google Scholar]
- Lynch, J.P. An overview of wireless structural health monitoring for civil structures. Philosophical Trans. R. Soc. Lond. A Math. Phys. Eng. Sci. 2007, 365, 345–372. [Google Scholar] [CrossRef] [PubMed]
- Pallas, R.; Webster, J. Analog Signal Processing; Wiley: Hoboken, NJ, USA, 2011. [Google Scholar]
- Galliana, F.; Capra, P.P.; Gasparotto, E. Inter-laboratories comparison at 100 GΩ and 1 TΩ level to evaluate the traceability transfer from INRIM in the field of high dc resistance. Measurement 2012, 45, 615–621. [Google Scholar] [CrossRef]
- Handbook, L.L.M. Keithley Instruments; Cleveland Inc.: Cleveland, OH, USA, 2004. [Google Scholar]
- Franco, S. Design with Operational Amplifiers and Analog Integrated Circuits, 4th ed.; McGrawHill: New York, NY, USA, 2014. [Google Scholar]
- European Accreditation Organization. EA-4/02 M. Evaluation of the Uncertainty of Measurement in Calibration; European Accreditation Organization: Paris, France, 2013. [Google Scholar]
- Phillipson, M.; Baker, P.; Davies, M.; Ye, Z.; McNaughtan, A.; Galbraith, G.; McLean, R. Moisture measurement in building materials: An overview of current methods and new approaches. Build. Serv. Eng. Res. Technol. 2007, 28, 303–316. [Google Scholar] [CrossRef]
- Bramhall, G. Combined Species-Temperature Correction Tables for Moisture Meters; Information Report; Western Forest Products Laboratory: Vancouver, BC, Canada, 1978. [Google Scholar]
- Pfaff, F.; Garrahan, P. New temperature correction factors for the portable resistance-type moisture meter. For. Prod. J. 1985, 36, 71–74. [Google Scholar]
- Torgovnikov, G. Dielectric Properties of Wood and Wood-Based Materials; Springer: Berlin/Heidelberg, Germany, 1993. [Google Scholar]
- Forsen, H.; Tarvainen, V. Accuracy and Functionality of Hand Held Wood Moisture Content Meters; Technical Research Centre of Finland: Espoo, Finland, 2000. [Google Scholar]
- Fredriksson, M.; Wadsö, L.; Johansson, P. Small resistive wood moisture sensors: A method for moisture content determination in wood structures. Eur. J. Wood Wood Prod. 2013, 71, 515–524. [Google Scholar] [CrossRef]
- Fernandez-Golfin, J.; Conde Garcia, M.; Gonzalez Hernandez, F.; Conde Garcia, M.; Fernadez-Golfin, J.J.; Baonza Merino, M.V.; Garcia Esteban, L.; Gonzalez Adrados, J.R. The influence of the moisture content on the electrical resistance of two types of cork stoppers. For. Syst. 2010, 19, 184–188. [Google Scholar] [CrossRef]







| Operational Amplifier | MUX | |
|---|---|---|
| mV | ||
| Accuracy | |||||
|---|---|---|---|---|---|
| 1 MΩ | 1.0000057 MΩ | 1.0049 MΩ | |||
| 10 MΩ | 10.000028 MΩ | 10.083 MΩ | |||
| 100 MΩ | 100.00173 MΩ | 100.4211 MΩ | |||
| 1 GΩ | 1.000183 GΩ | 1.0042 GΩ | |||
| 10 GΩ | 10.016717 GΩ | 10.0436 GΩ | |||
| 100 GΩ | 99.89014 GΩ | 99.235 GΩ |
| T (C) | |||||||
|---|---|---|---|---|---|---|---|
| 10 | 0.9968 | 10.0119 | 99.7234 | 0.997230 | 9.9723 | ||
| 0.0002 | 0.0053 | 0 | 0 | 0 | |||
| 0.3 | 0.1 | 0.3 | 0.3 | 0.4 | |||
| 20 | 0.9971 | 10.0150 | 99.7234 | 0.997234 | 9.9723 | ||
| 0.0006 | 0 | 0 | 0 | 0 | |||
| 0.3 | 0.1 | 0.3 | 0.3 | 0.4 | |||
| 30 | 0.9981 | 10.0058 | 99.7234 | 0.997234 | 9.9723 | ||
| 0 | 0.0181 | 0 | 0 | 0 | |||
| 0.2 | 0.06 | 0.3 | 0.3 | 0.4 | |||
| 40 | 0.9981 | 10.0080 | 99.7234 | 0.997277 | 10.0150 | ||
| 0 | 0.0159 | 0 | 0.004305 | 0 | |||
| 0.2 | 0.08 | 0.3 | 0.3 | 0.02 | |||
| 50 | 0.9981 | 9.9779 | 99.7234 | 0.997277 | 10.0150 | ||
| 0 | 0.0145 | 0 | 0.0004283 | 0 | |||
| 0.2 | 0.2 | 0.3 | 0.3 | 0.2 | |||
© 2016 by the authors; licensee MDPI, Basel, Switzerland. This article is an open access article distributed under the terms and conditions of the Creative Commons Attribution (CC-BY) license (http://creativecommons.org/licenses/by/4.0/).
Share and Cite
Casans, S.; Rosado-Muñoz, A.; Iakymchuk, T. Novel Resistance Measurement Method: Analysis of Accuracy and Thermal Dependence with Applications in Fiber Materials. Sensors 2016, 16, 2129. https://doi.org/10.3390/s16122129
Casans S, Rosado-Muñoz A, Iakymchuk T. Novel Resistance Measurement Method: Analysis of Accuracy and Thermal Dependence with Applications in Fiber Materials. Sensors. 2016; 16(12):2129. https://doi.org/10.3390/s16122129
Chicago/Turabian StyleCasans, Silvia, Alfredo Rosado-Muñoz, and Taras Iakymchuk. 2016. "Novel Resistance Measurement Method: Analysis of Accuracy and Thermal Dependence with Applications in Fiber Materials" Sensors 16, no. 12: 2129. https://doi.org/10.3390/s16122129
APA StyleCasans, S., Rosado-Muñoz, A., & Iakymchuk, T. (2016). Novel Resistance Measurement Method: Analysis of Accuracy and Thermal Dependence with Applications in Fiber Materials. Sensors, 16(12), 2129. https://doi.org/10.3390/s16122129

