Development and Application of a Wireless Sensor for Space Charge Density Measurement in an Ultra-High-Voltage, Direct-Current Environment
Abstract
:1. Introduction
2. Space Charge Density Measurement System Framework
3. Design of the Space Charge Density Measurement System
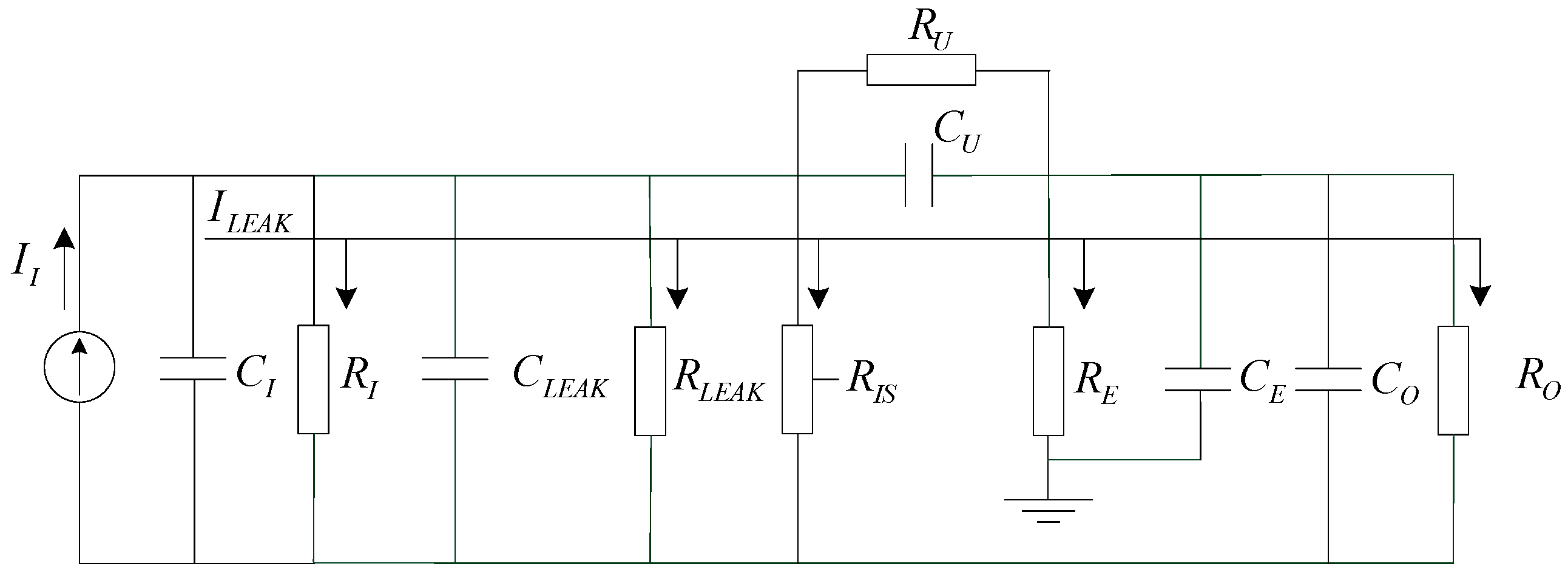
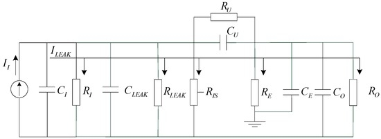
3.1. Space Charge Density Sensor Design and Working Principle
3.2. Design of the Sensor
3.3. Software Design of the Measurement System
4. Implementation of the Distributed Measurement System
4.1. Topology of the Wireless Sensor Network
4.2. Communication Quality Evaluation
5. Validation and Experiment
5.1. Transmitted Power Consumption Measurement Analysis
5.2. Complex Environment Test
5.3. Wireless Communication Network Reliability Analysis
5.4. Space Charge Density Measurement Test under UHVDC Transmission Line
6. Conclusions
Acknowledgments
Author Contributions
Conflicts of Interest
References
- Zhou, X.; Lu, T.; Cui, X. Simulation of Ion-Flow Field Using Fully Coupled Upwind Finite-Element Method. IEEE Trans. Power Deliv. 2012, 27, 1574–1582. [Google Scholar] [CrossRef]
- Baronti, F.; Fantechi, G.; Roncella, R.; Saletti, R. Wireless sensor node for surface seawater density measurements. Sensors 2012, 12, 2954–2968. [Google Scholar] [CrossRef] [PubMed]
- Liu, J.; Zou, J.; Tian, J.H.; Yuan, J.S. Analysis of electric field, ion flow density, and corona loss of same-tower double-circuit HVDC lines using improved FEM. IEEE Trans. Power Deliv. 2009, 24, 482–483. [Google Scholar]
- Misakian, M.; McKnight, R.H. DC Electric Field Effects during Measurements of Monopolar Charge Density and Net Space Charge Density near HVDC Power Lines. IEEE Trans. Power Deliv. 1989, 4, 2229–2234. [Google Scholar] [CrossRef]
- Bracken, T.D.; Capon, A.S.; Montgomnery, D.V. Ground Level Electric Fields and Ion Currents on the CeliloSylmar ± 400 KV DC Intertie during Fair Weather. IEEE Trans. Power Appar. Syst. 1978, 97, 370–378. [Google Scholar] [CrossRef]
- Kolarz, P.; Miljkovic, B.; Curguz, Z. Air-ion counter and mobility spectrometer. Nuclear Instrum. Methods Phys. Res. B 2012, 279, 219–222. [Google Scholar] [CrossRef]
- Suda, T. Evaluation of Ion Counters Using a Facility to Produce a Steady State Ion Flow Field. IEEE Trans. Power Deliv. 1991, 6, 1805–1811. [Google Scholar] [CrossRef]
- Ebert, H. Aspirationsapparat zur bestimmung des ionengehaltes der atmosphere. Phys. Z. 1901, 2, 662–664. (In German) [Google Scholar]
- Misakian, M.; McKnight, R.H.; Fenimore, C. Calibration of aspirator type ion counters and measurement of unipolar charge densities. J. Appl. Phys. 1987, 61, 1276–1287. [Google Scholar] [CrossRef]
- Rossner, M.; Singer, H. Measurement of micrometer particles by means of induced charges. In Proceedings of the International Conference on Industry Applications Society Annual Meeting, San Diego, CA, USA, 1–5 October 1989; pp. 2233–2238.
- Kulon, J.; Malyan, B.E.; Balachandran, W. Simultaneous measurement of particle size and electrostatic charge distribution in DC electric field using phase Doppler anemometry. IEEE Trans. Ind. Appl. 2003, 39, 1522–1528. [Google Scholar] [CrossRef]
- Fang, C.; Cui, X.; Zhou, X.X.; Lu, T.; Zhen, Y.; Li, X. Impact factors in measurements of ion-current density produced by high-voltage DC wire’s corona. IEEE Trans. Power Deliv. 2013, 28, 1414–1422. [Google Scholar] [CrossRef]
- Alhmiedat, T.; Omar, F.; Abu Taleb, A.; Alsswey, A. Road safety and energy saving proposed system: A ZigBee WSN approach. Int. J. Online Eng. 2015, 11, 55–59. [Google Scholar] [CrossRef]
- Navarro, M.; Davis, T.W.; Liang, Y.; Liang, X. ASWP: A long-termWSN deployment for environmental monitoring. In Proceedings of the 12th International Conference on Information Processing in Sensor Networks (IPSN’2013), Philadelphia, PA, USA, 8–11 April 2013; pp. 351–352.
- Louise, L.; Toulgoat, M.; Deziel, M.; Patterson, G. Tiered wireless sensor network architecture for military surveillance applications. In Proceedings of the 5th International Conference on Sensor Technologies and Applications, Nice, France, 21–27 August 2011; pp. 288–294.
- Cui, Y.; Wang, Q.; Yuan, H.; Song, X.; Hu, X.; Zhao, L. Relative Localization in Wireless Sensor Networks for Measurement of Electric Fields under HVDC Transmission Lines. Sensors 2015, 15, 3540–3564. [Google Scholar] [CrossRef] [PubMed]
- Heinzelman, W.; Chandrakasan, A.; Balakrishnan, H. An application-specific protocol architecture for wireless microsensor networks. IEEE Trans. Wirel. Commun. 2002, 1, 660–670. [Google Scholar] [CrossRef]
- Wang, Q.; Yang, W. Energy Consumption Model for Power Management in Wireless Sensor Networks; IEEE Press: San Diego, CA, USA, 2007; pp. 142–151. [Google Scholar]
- Sallabi, F.M.; Gaouda, A.M.; EI-Hag, A.H. Evaluation of Zigbee Wireless Sensor Networks under High Power Disturbances. IEEE Trans. Power Deliv. 2014, 29, 13–20. [Google Scholar] [CrossRef]
- Takuma, T.; Ikeda, T.; Kawamoto, T. Calculation of ION Flow Fields of HVDC Transmission Lines by the Finite Element Method. IEEE Trans. Power Appar. Syst. 1981, PAS-100, 4802–4810. [Google Scholar] [CrossRef]
- Comber, M.G.; Kotter, R.; McKnight, R. Experimental evaluation of instruments for measuring DC transmission line electric fields and ion current. IEEE Trans. Power Appar. Syst. 1983, PAS-102, 3549–3557. [Google Scholar] [CrossRef]
- Cui, Y.; Lv, J.; Yuan, H.; Zhao, L.; Liu, Y.; Yang, H. Development of a Wireless Sensor Network for Distributed Measurement of Total Electric Field under HVDC Transmission Lines. Int. J. Distrib. Sens. Netw. 2014, 10, 850842. [Google Scholar] [CrossRef]
- Guillod, T.; Pfeiffer, M.; Franck, C.M. Improved Coupled Ion-Flow Field Calculation Method for AC/DC Hybrid Overhead Power Lines. IEEE Trans. Power Deliv. 2014, 29, 2493–2501. [Google Scholar] [CrossRef]


















| Channel Number | 1 | 2 | 3 | 4 | 5 | 6 | 7 | 8 | 9 | 10 | 11 |
| Center Frequency/GHz | 2.410 | 2.415 | 2.420 | 2.425 | 2.430 | 2.435 | 2.440 | 2.445 | 2.450 | 2.455 | 2.460 |
© 2016 by the authors; licensee MDPI, Basel, Switzerland. This article is an open access article distributed under the terms and conditions of the Creative Commons Attribution (CC-BY) license (http://creativecommons.org/licenses/by/4.0/).
Share and Cite
Xin, E.; Ju, Y.; Yuan, H. Development and Application of a Wireless Sensor for Space Charge Density Measurement in an Ultra-High-Voltage, Direct-Current Environment. Sensors 2016, 16, 1743. https://doi.org/10.3390/s16101743
Xin E, Ju Y, Yuan H. Development and Application of a Wireless Sensor for Space Charge Density Measurement in an Ultra-High-Voltage, Direct-Current Environment. Sensors. 2016; 16(10):1743. https://doi.org/10.3390/s16101743
Chicago/Turabian StyleXin, Encheng, Yong Ju, and Haiwen Yuan. 2016. "Development and Application of a Wireless Sensor for Space Charge Density Measurement in an Ultra-High-Voltage, Direct-Current Environment" Sensors 16, no. 10: 1743. https://doi.org/10.3390/s16101743
APA StyleXin, E., Ju, Y., & Yuan, H. (2016). Development and Application of a Wireless Sensor for Space Charge Density Measurement in an Ultra-High-Voltage, Direct-Current Environment. Sensors, 16(10), 1743. https://doi.org/10.3390/s16101743
