A FDR Sensor for Measuring Complex Soil Dielectric Permittivity in the 10–500 MHz Frequency Range
Abstract
:1. Introduction
2. Sensor Description and Measurement Tools
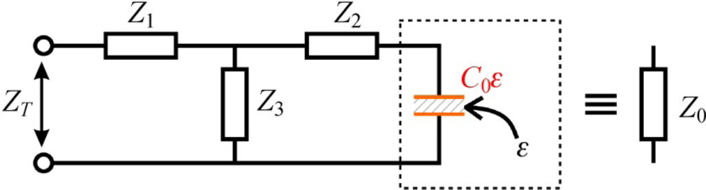
2.1. The Sensor Rods as a Loss Capacitor—the C0 Capacitance Model
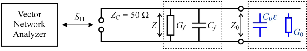
2.2. Four-Pole T Model of the Open-Ended Coax Sensor
- – short circuit of the sensor by means of mercury when Re(ε) = ∞ and Im(ε) = ∞,
- – measurement in air when Re(ε) = 1, Im(ε) = 0,
- – measurement in a liquid that has well defined dielectric properties by Deby’e or Cole-Cole models, ex. distilled water, acetone or methanol (Table 2).
2.3. Impedance Model Zf – Z0
2.4. Model of a Lossy Impedance Transformer—TT Model
3. Materials and Methods
3. Results and Discussion
3.1. Model Selection
3.2. Influence of Measurement Frequency on the Measured Refractive Index
3.3. FDR Soil Moisture Calibration
4. Conclusions
References
- Robinson, D.A.; Jones, S.B.; Wraith, J.M.; Or, D.; Friedman, S.P. A review of advances in dielectric and electrical conductivity measurement in soils using time domain reflectometry. Vadose Zone J 2003, 2, 444–475. [Google Scholar]
- Walker, J.P.; Willgoose, G.R.; Kalma, J.D. In situ measurement of soil moisture: a comparison of techniques. J. Hydrol 2004, 293, 85–99. [Google Scholar]
- Jones, S.B.; Blonquist, J.M.; Robinson, D.A.; Rasmussen, V.P.; Or, D. Standardizing characterization of electromagnetic water content. Vadose Zone J 2005, 4, 1048–1058. [Google Scholar]
- Robinson, D.A.; Campbell, C.S.; Hopmans, J.W.; Hombuckle, B.K.; Jones, S.B.; Knight, R.; Ogden, F.; Selker, J.; Wendroth, O. Soil moisture measurement for ecological and hydrological watershed-scale observatories: a review. Vadose Zone J 2008, 7, 358–389. [Google Scholar]
- Topp, G.C.; Davis, J.L.; Annan, A.P. Electromagnetic determination of soil water content: measurements in coaxial transmission lines. Water Resour. Res 1980, 16, 574–582. [Google Scholar]
- Logsdon, S.; Laird, D. Cation and water content effects on dipole rotation. Soil Sci. Soc. Am. J 2004, 68, 1586–1591. [Google Scholar]
- Kelleners, T.J.; Robinson, D.A.; Shouse, P.J.; Ayars, J.E.; Skaggs, T.H. Frequency dependence of the complex permittivity and its impact on dielectric sensor calibration in soils. Soil Sci. Soc. Am. J 2005, 69, 67–76. [Google Scholar]
- Chen, Y.P.; Or, D. Geometrical factors and interfacial processes affecting complex dielectric permittivity of partially saturated porous media. Water Resour. Res 2006, 42, W06423. [Google Scholar]
- Skierucha, W.; Malicki, M.A. TDR Method for the Measurement of Water Content and Salinity in Porous Media; Institute of Agrophysics PAS: Lublin, Poland, 2004; pp. 1–152. [Google Scholar]
- Skierucha, W.; Walczak, R.T.; Wilczek, A. Comparison of open-ended coax and TDR sensors for the measurement of soil dielectric permittivity in microwave frequencies. Int. Agrophys 2004, 18, 355–362. [Google Scholar]
- Stuchly, M.A.; Stuchly, M.M. Coaxial line reflection methods for measuring dielectric properties of biological substances at radio and microwave frequencies—a review. IEEE Trans. Instr. Measur 1980, IM-29, 176–182. [Google Scholar]
- Agilent 85070E Dielectric Probe Kit 200 MHz to 50 GHz. Technical Overview; Agilent Technologies: Santa Clara, CA, USA, 2008.
- Athey, T.W.; Stuchly, M.M.; Stuchly, S.S. Measurement of radio frequency permittivity of biological tissues with an open-ended coaxial line: Part I. IEEE Trans. Microwave Theory Techn 1982, 30, 82–86. [Google Scholar]
- Wei, Y.Z.; Sridhar, S. Technique for measuring the frequency dependent complex dielectric constants of liquids up to 20 GHz. Rev. Sci. Instrum 1989, 60, 3041–3046. [Google Scholar]
- Magnusson, P.C.; Alexander, G.C.; Tripathi, V.K.; Weisshaar, A. Transmission Lines and Wave Propagation; CRC Press LLC: Boca Raton, FL, USA, 2001. [Google Scholar]
- Knight, A. Basics of Matlab and Beyond; Chapman & Hall/CRC Press, Inc: Boca Raton, FL, USA, 2000. [Google Scholar]
- Chen, L.F.; Ong, C.K.; Neo, C.P.; Varadan, V.V.; Varadan, V.K. Microwave Electronics Measurement and Materials Characterization; John Wiley & Sons Ltd: Chichester, UK, 2004; pp. 1–552. [Google Scholar]
- Wilczek, A. Influence of moisture and salinity of soil on its dielectric permittivity determined by frequency domain reflectometry. Ph.D. thesis (in Polish),. Institute of Agrophysics PAS in Lublin: Lublin, Poland, 2009. [Google Scholar]
- Glinski, J.; Ostrowski, J.; Stepniewska, Z.; Stepniewski, W. Bank of soil samples representing mineral soils in Poland (in Polish). Probl. Agrofiz 1991, 66, 1–57. [Google Scholar]
- Buckley, F.; Maryott, A.A. Table of Dielectric Dispersion Data for Pure Liquids and Dilute Solutions; Bureau of Standards Circular: Washington, DC, USA, 1958; pp. 1–101. [Google Scholar]
- Operating Manual, Vector Network Analyzer ZVR/ZVRE/ZVRL; Rohde & Schwarz: Munich, Germany, 2001.
- Sheen, N.I.; Woodhead, I.M. An open-ended coaxial probe for broad-band permittivity measurement of agricultural products. J. Agric. Engineer. Res 1999, 74, 193–202. [Google Scholar]
- Malicki, M. A.; Plagge, R.; Roth, C.H. Reduction of soil matrix effect on TDR di-electric moisture determination by accounting for bulk density or porosity. Eur. J. Soil Sci 1996, 47, 357–366. [Google Scholar]













| No. | Soil type | Soil localization | Dry bulk density (gcm−3) | Soil texture by FAO (%)
| Specific surface (m2g−1) | Water holding capacity (kg kg−1) | ||
|---|---|---|---|---|---|---|---|---|
| Sand | Silt | Clay | ||||||
| 569 | Brown | Majdan Skierbieszowski | 1.33 | 71 | 25 | 4 | 21 | 0.39 |
| 610 | Brown | Kol. Olempin | 1.59 | 94 | 5 | 1 | 9 | 0.13 |
| 622 | Chernozem | Terebin | 1.4 | 60 | 34 | 6 | 37 | 0.36 |
| 529 | Black soil | Annopol | 1.76 | 100 | 0 | 0 | 8 | 0.16 |
| Name | Temperature (°C) | εs | ε∞ | τ (ps) |
|---|---|---|---|---|
| Distilled water | 20 | 80.4 | 5.2 | 9.45 |
| Acetone | 20 | 21.2 | 1.9 | 3.34 |
| Methanol | 20 | 33.64 | 5.7 | 53 |
| Isopropanol | 20 | 29 | 3.2 | 292 |
© 2010 by the authors; licensee Molecular Diversity Preservation International, Basel, Switzerland. This article is an open-access article distributed under the terms and conditions of the Creative Commons Attribution license ( http://creativecommons.org/licenses/by/3.0/).
Share and Cite
Skierucha, W.; Wilczek, A. A FDR Sensor for Measuring Complex Soil Dielectric Permittivity in the 10–500 MHz Frequency Range. Sensors 2010, 10, 3314-3329. https://doi.org/10.3390/s100403314
Skierucha W, Wilczek A. A FDR Sensor for Measuring Complex Soil Dielectric Permittivity in the 10–500 MHz Frequency Range. Sensors. 2010; 10(4):3314-3329. https://doi.org/10.3390/s100403314
Chicago/Turabian StyleSkierucha, Wojciech, and Andrzej Wilczek. 2010. "A FDR Sensor for Measuring Complex Soil Dielectric Permittivity in the 10–500 MHz Frequency Range" Sensors 10, no. 4: 3314-3329. https://doi.org/10.3390/s100403314
APA StyleSkierucha, W., & Wilczek, A. (2010). A FDR Sensor for Measuring Complex Soil Dielectric Permittivity in the 10–500 MHz Frequency Range. Sensors, 10(4), 3314-3329. https://doi.org/10.3390/s100403314

