PEO Coatings Modified with Halloysite Nanotubes: Composition, Properties, and Release Performance
Abstract
1. Introduction
2. Results and Discussion
2.1. Morphology and Composition of the Coatings
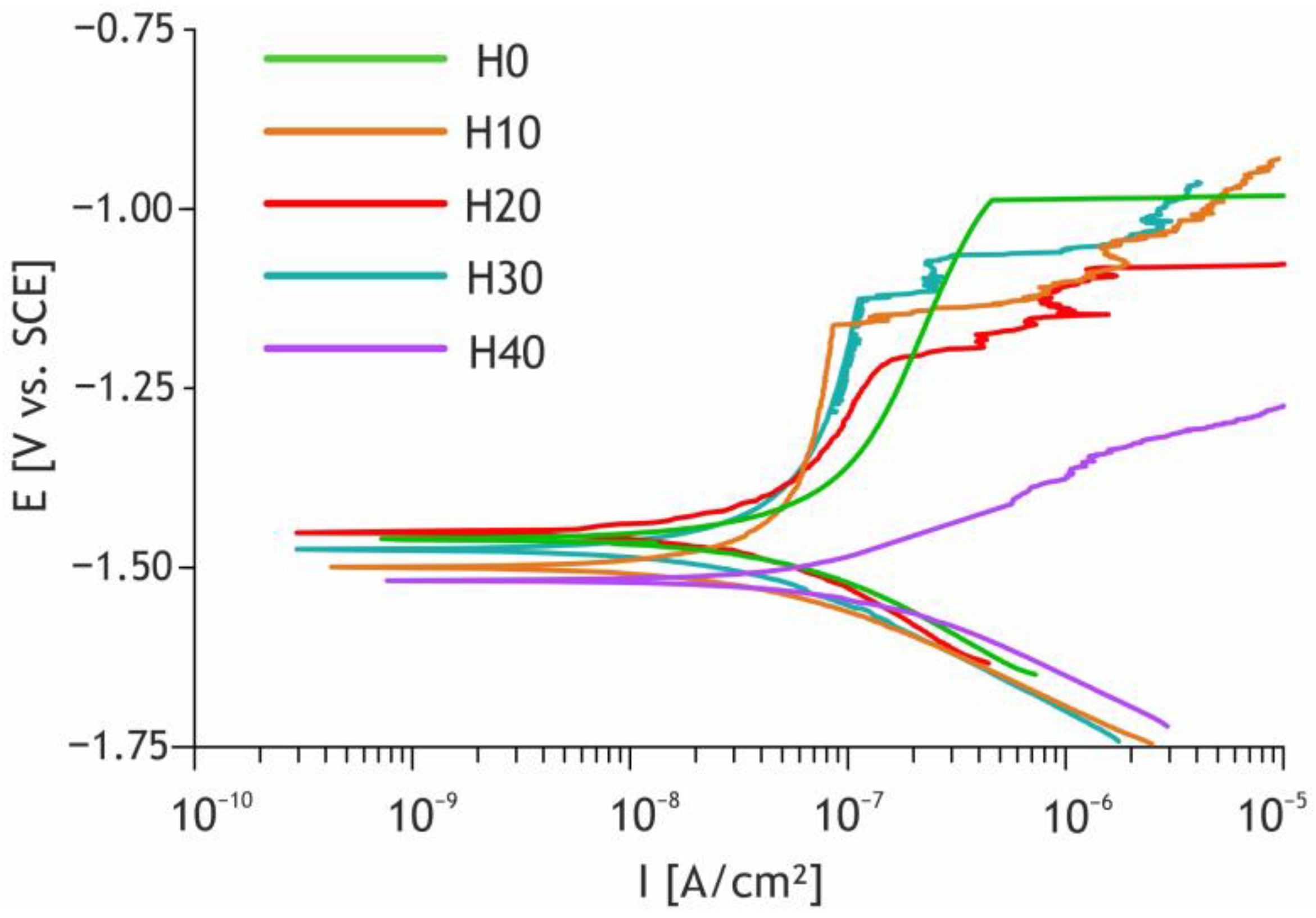
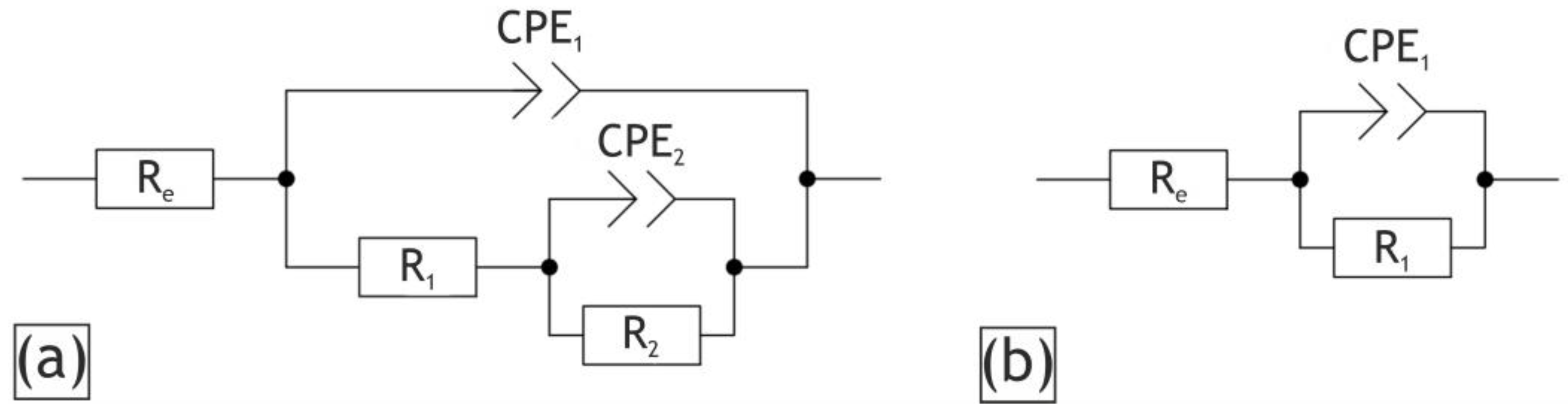
2.2. Electrochemical Properties of the Coatings
2.3. Mechanical Properties of the Coatings
2.4. Release Tests
2.5. Release Performance of the Coatings
3. Materials and Methods
3.1. Samples Preparation
3.2. Coatings Formation
3.3. Morphology and Composition Characterization
3.4. Electrochemical Measurments
3.5. Mechanical Properties Characterization
3.6. Release Tests
4. Conclusions
Supplementary Materials
Author Contributions
Funding
Institutional Review Board Statement
Informed Consent Statement
Data Availability Statement
Conflicts of Interest
References
- Kulekci, M.K. Magnesium and Its Alloys Applications in Automotive Industry. Int. J. Adv. Manuf. Technol. 2008, 39, 851–865. [Google Scholar] [CrossRef]
- Song, J.; She, J.; Chen, D.; Pan, F. Latest Research Advances on Magnesium and Magnesium Alloys Worldwide. J. Magnes. Alloy. 2020, 8, 1–41. [Google Scholar] [CrossRef]
- Furuya, H.; Kogiso, N.; Matunaga, S.; Senda, K. Applications of Magnesium Alloys for Aerospace Structure Systems. Mater. Sci. Forum 2000, 350–351, 341–348. [Google Scholar]
- Joost, W.J.; Krajewski, P.E. Towards Magnesium Alloys for High-Volume Automotive Applications. Scr. Mater. 2017, 128, 107–112. [Google Scholar] [CrossRef]
- Śliwa, R.E.; Balawender, T.; Hadasik, E.; Kuc, D.; Gontarz, A.; Korbel, A.; Bochniak, W. Metal Forming of Lightweight Magnesium Alloys for Aviation Applications. Arch. Metall. Mater. 2017, 62, 1559–1566. [Google Scholar] [CrossRef]
- Zhao, D.; Witte, F.; Lu, F.; Wang, J.; Li, J.; Qin, L. Current Status on Clinical Applications of Magnesium-Based Orthopaedic Implants: A Review from Clinical Translational Perspective. Biomaterials 2017, 112, 287–302. [Google Scholar] [CrossRef] [PubMed]
- Chen, Y.; Xu, Z.; Smith, C.; Sankar, J. Recent Advances on the Development of Magnesium Alloys for Biodegradable Implants. Acta Biomater. 2014, 10, 4561–4573. [Google Scholar] [CrossRef]
- Bairagi, D.; Mandal, S. A Comprehensive Review on Biocompatible Mg-Based Alloys as Temporary Orthopaedic Implants: Current Status, Challenges, and Future Prospects. J. Magnes. Alloy. 2022, 10, 627–669. [Google Scholar] [CrossRef]
- Mohamed, A.; El-Aziz, A.M.; Breitinger, H.-G. Study of the Degradation Behavior and the Biocompatibility of Mg–0.8Ca Alloy for Orthopedic Implant Applications. J. Magnes. Alloy. 2019, 7, 249–257. [Google Scholar] [CrossRef]
- Seo, J.W.; Park, T.J. Magnesium Metabolism. Electrolyte Blood Press. 2008, 6, 86. [Google Scholar] [CrossRef]
- Oriňaková, R.; Gorejová, R.; Orságová Králová, Z.; Oriňak, A. Surface Modifications of Biodegradable Metallic Foams for Medical Applications. Coatings 2020, 10, 819. [Google Scholar] [CrossRef]
- Liu, Y.; Zhang, Y.; Wang, Y.-L.; Tian, Y.-Q.; Chen, L.-S. Research Progress on Surface Protective Coatings of Biomedical Degradable Magnesium Alloys. J. Alloys Compd. 2021, 885, 161001. [Google Scholar] [CrossRef]
- Ali, M.; Elsherif, M.; Salih, A.E.; Ul-Hamid, A.; Hussein, M.A.; Park, S.; Yetisen, A.K.; Butt, H. Surface Modification and Cytotoxicity of Mg-Based Bio-Alloys: An Overview of Recent Advances. J. Alloys Compd. 2020, 825, 154140. [Google Scholar] [CrossRef]
- Gray, J.E.; Luan, B. Protective Coatings on Magnesium and Its Alloys — a Critical Review. J. Alloys Compd. 2002, 336, 88–113. [Google Scholar] [CrossRef]
- Kaseem, M.; Fatimah, S.; Nashrah, N.; Ko, Y.G. Recent Progress in Surface Modification of Metals Coated by Plasma Electrolytic Oxidation: Principle, Structure, and Performance. Prog. Mater. Sci. 2021, 117, 100735. [Google Scholar] [CrossRef]
- Aliofkhazraei, M.; Macdonald, D.D.; Matykina, E.; Parfenov, E.V.; Egorkin, V.S.; Curran, J.A.; Troughton, S.C.; Sinebryukhov, S.L.; Gnedenkov, S.V.; Lampke, T.; et al. Review of Plasma Electrolytic Oxidation of Titanium Substrates: Mechanism, Properties, Applications and Limitations. Appl. Surf. Sci. Adv. 2021, 5, 100121. [Google Scholar] [CrossRef]
- Lu, X.; Schieda, M.; Blawert, C.; Kainer, K.U.; Zheludkevich, M.L. Formation of Photocatalytic Plasma Electrolytic Oxidation Coatings on Magnesium Alloy by Incorporation of TiO2 Particles. Surf. Coatings Technol. 2016, 307, 287–291. [Google Scholar] [CrossRef]
- Li, W.; Tang, M.; Zhu, L.; Liu, H. Formation of Microarc Oxidation Coatings on Magnesium Alloy with Photocatalytic Performance. Appl. Surf. Sci. 2012, 258, 10017–10021. [Google Scholar] [CrossRef]
- Dave, R.N.; Joshi, H.M.; Venugopalan, V.P. Novel Biocatalytic Polymer-Based Antimicrobial Coatings as Potential Ureteral Biomaterial: Preparation and In Vitro Performance Evaluation. Antimicrob. Agents Chemother. 2011, 55. [Google Scholar] [CrossRef]
- Zhang, X.; Lv, Y.; Cai, G.; Fu, S.; Yang, L.; Ma, Y.; Dong, Z. Reactive Incorporation of Ag into Porous TiO2 Coating and Its Influence on Its Microstructure, in Vitro Antibacterial Efficacy and Cytocompatibility. Prog. Nat. Sci. Mater. Int. 2021, 31, 215–229. [Google Scholar] [CrossRef]
- Mashtalyar, D.V.; Sinebryukhov, S.L.; Imshinetskiy, I.M.; Gnedenkov, A.S.; Nadaraia, K.V.; Ustinov, A.Y.; Gnedenkov, S.V. Hard Wearproof PEO-Coatings Formed on Mg Alloy Using TiN Nanoparticles. Appl. Surf. Sci. 2020, 503, 144062. [Google Scholar] [CrossRef]
- Nadaraia, K.V.; Suchkov, S.N.; Imshinetskiy, I.M.; Mashtalyar, D.V.; Sinebrykhov, S.L.; Gnedenkov, S.V. Some New Aspects of the Study of Dependence of Properties of PEO Coatings on the Parameters of Current in Potentiodynamic Mode. Surf. Coatings Technol. 2021, 426, 127744. [Google Scholar] [CrossRef]
- Wang, S.; Wang, Y.; Cao, G.; Chen, J.; Zou, Y.; Yang, B.; Ouyang, J.; Jia, D.; Zhou, Y. Highly Reliable Double-Layer Coatings on Magnesium Alloy Surfaces for Robust Superhydrophobicity, Chemical Durability and Electrical Property. Ceram. Int. 2021, 47, 35037–35047. [Google Scholar] [CrossRef]
- Kennedy, E.; Shivappa; Sriraman; Mohan. Influence of PEO Coatings on Mechanical and Corrosion Properties of Mg-7Y-1Zn Alloy. Mater. Today Proc. 2020, 27, 2236–2238. [Google Scholar] [CrossRef]
- Jiao, Y.; Zou, G.-Y.; Mu, H.-X.; Ni, X.-H.; Yi, L.; Zhao, Q.-M. Cytocompatibility of Porous P-Containing Coating Prepared by Plasma Electrolytic Oxidation of Mg Alloy. Mater. Res. Express 2020, 7, 086404. [Google Scholar] [CrossRef]
- HU, H.-J.; LIU, X.-Y.; DING, C.-X. Bioactive Porous and Nanostructured TiO2 Coating Prepared by Plasma Electrolytic Oxidation. J. Inorg. Mater. 2011, 26, 585–590. [Google Scholar] [CrossRef]
- Moreno, L.; Mohedano, M.; Mingo, B.; Arrabal, R.; Matykina, E. Degradation Behaviour of Mg0.6Ca and Mg0.6Ca2Ag Alloys with Bioactive Plasma Electrolytic Oxidation Coatings. Coatings 2019, 9, 383. [Google Scholar] [CrossRef]
- Azarian, N.; Mousavi Khoei, S.M. Characteristics of a Multi-Component MgO-Based Bioceramic Coating Synthesized in-Situ by Plasma Electrolytic Oxidation. J. Magnes. Alloy. 2021, 9, 1595–1608. [Google Scholar] [CrossRef]
- Attarzadeh, N.; Kazemi, A.; Molaei, M.; Fattah-alhosseini, A. Multipurpose Surface Modification of PEO Coatings Using Tricalcium Phosphate Addition to Improve the Bedding for Apatite Compounds. J. Alloys Compd. 2021, 877, 160275. [Google Scholar] [CrossRef]
- Pereira, B.L.; Beilner, G.; Lepienski, C.M.; Szameitat, E.S.; Chee, B.S.; Kuromoto, N.K.; dos Santos, L.L.; Mazzaro, I.; Claro, A.P.R.A.; Nugent, M.J.D. Oxide Coating Containing Apatite Formed on Ti-25Nb-25Ta Alloy Treated by Two-Step Plasma Electrolytic Oxidation. Surf. Coatings Technol. 2020, 382, 125224. [Google Scholar] [CrossRef]
- Faverani, L.P.; Silva, W.P.P.; de Sousa, C.A.; Freitas, G.; Bassi, A.P.F.; Shibli, J.A.; Barão, V.A.R.; Rosa, A.L.; Sukotjo, C.; Assunção, W.G. Mapping Bone Marrow Cell Response from Senile Female Rats on Ca-P-Doped Titanium Coating. Materials 2022, 15, 1094. [Google Scholar] [CrossRef] [PubMed]
- Yah, W.O.; Takahara, A.; Lvov, Y.M. Selective Modification of Halloysite Lumen with Octadecylphosphonic Acid: New Inorganic Tubular Micelle. J. Am. Chem. Soc. 2012, 134, 1853–1859. [Google Scholar] [CrossRef] [PubMed]
- Price, R.R.; Gaber, B.P.; Lvov, Y. In-Vitro Release Characteristics of Tetracycline HCl, Khellin and Nicotinamide Adenine Dineculeotide from Halloysite; a Cylindrical Mineral. J. Microencapsul. 2001, 18, 713–722. [Google Scholar] [CrossRef] [PubMed]
- Hanif, M.; Jabbar, F.; Sharif, S.; Abbas, G.; Farooq, A.; Aziz, M. Halloysite Nanotubes as a New Drug-Delivery System: A Review. Clay Miner. 2016, 51, 469–477. [Google Scholar] [CrossRef]
- Harikrishnan, S.; Sedev, R.; Beh, C.C.; Priest, C.; Foster, N.R. Loading of 5-Fluorouracil onto Halloysite Nanotubes for Targeted Drug Delivery Using a Subcritical Gas Antisolvent Process (GAS). J. Supercrit. Fluids 2020, 159, 104756. [Google Scholar] [CrossRef]
- Massaro, M.; Colletti, C.; Lazzara, G.; Riela, S. The Use of Some Clay Minerals as Natural Resources for Drug Carrier Applications. J. Funct. Biomater. 2018, 9, 58. [Google Scholar] [CrossRef]
- Tan, D.; Yuan, P.; Annabi-Bergaya, F.; Liu, D.; Wang, L.; Liu, H.; He, H. Loading and in Vitro Release of Ibuprofen in Tubular Halloysite. Appl. Clay Sci. 2014, 96, 50–55. [Google Scholar] [CrossRef]
- Husain, T.; Shoaib, M.H.; Ahmed, F.R.; Yousuf, R.I.; Farooqi, S.; Siddiqui, F.; Imtiaz, M.S.; Maboos, M.; Jabeen, S. Investigating Halloysite Nanotubes as a Potential Platform for Oral Modified Delivery of Different BCS Class Drugs: Characterization, Optimization, and Evaluation of Drug Release Kinetics. Int. J. Nanomedicine 2021, 16, 1725–1741. [Google Scholar] [CrossRef]
- Borrego-Sánchez, A.; Sainz-Díaz, C.I.; Perioli, L.; Viseras, C. Theoretical Study of Retinol, Niacinamide and Glycolic Acid with Halloysite Clay Mineral as Active Ingredients for Topical Skin Care Formulations. Molecules 2021, 26, 4392. [Google Scholar] [CrossRef]
- Duce, C.; Della Porta, V.; Bramanti, E.; Campanella, B.; Spepi, A.; Tiné, M.R. Loading of Halloysite Nanotubes with BSA, α -Lac and β -Lg: A Fourier Transform Infrared Spectroscopic and Thermogravimetric Study. Nanotechnology 2017, 28, 055706. [Google Scholar] [CrossRef]
- Della Porta, V.; Bramanti, E.; Campanella, B.; Tiné, M.R.; Duce, C. Conformational Analysis of Bovine Serum Albumin Adsorbed on Halloysite Nanotubes and Kaolinite: A Fourier Transform Infrared Spectroscopy Study. RSC Adv. 2016, 6, 72386–72398. [Google Scholar] [CrossRef]
- Tully, J.; Yendluri, R.; Lvov, Y. Halloysite Clay Nanotubes for Enzyme Immobilization. Biomacromolecules 2016, 17, 615–621. [Google Scholar] [CrossRef] [PubMed]
- Adsul, S.H.; Soma Raju, K.R.C.; Sarada, B.V.; Sonawane, S.H.; Subasri, R. Evaluation of Self-Healing Properties of Inhibitor Loaded Nanoclay-Based Anticorrosive Coatings on Magnesium Alloy AZ91D. J. Magnes. Alloy. 2018, 6, 299–308. [Google Scholar] [CrossRef]
- Izadi, M.; Shahrabi, T.; Mohammadi, I.; Ramezanzadeh, B.; Fateh, A. The Electrochemical Behavior of Nanocomposite Organic Coating Based on Clay Nanotubes Filled with Green Corrosion Inhibitor through a Vacuum-Assisted Procedure. Compos. Part B Eng. 2019, 171, 96–110. [Google Scholar] [CrossRef]
- Sun, M.; Yerokhin, A.; Bychkova, M.Y.; Shtansky, D.V.; Levashov, E.A.; Matthews, A. Self-Healing Plasma Electrolytic Oxidation Coatings Doped with Benzotriazole Loaded Halloysite Nanotubes on AM50 Magnesium Alloy. Corros. Sci. 2016, 111, 753–769. [Google Scholar] [CrossRef]
- Fattah-alhosseini, A.; Chaharmahali, R.; Babaei, K. Effect of Particles Addition to Solution of Plasma Electrolytic Oxidation (PEO) on the Properties of PEO Coatings Formed on Magnesium and Its Alloys: A Review. J. Magnes. Alloy. 2020, 8, 799–818. [Google Scholar] [CrossRef]
- Joussein, E.; Petit, S.; Churchman, J.; Theng, B.; Righi, D.; Delvaux, B. Halloysite Clay Minerals — a Review. Clay Miner. 2005, 40, 383–426. [Google Scholar] [CrossRef]
- Cheng, C.; Song, W.; Zhao, Q.; Zhang, H. Halloysite Nanotubes in Polymer Science: Purification, Characterization, Modification and Applications. Nanotechnol. Rev. 2020, 9, 323–344. [Google Scholar] [CrossRef]
- Atyaksheva, L.F.; Kasyanov, I.A. Halloysite, Natural Aluminosilicate Nanotubes: Structural Features and Adsorption Properties (A Review). Pet. Chem. 2021, 61, 932–950. [Google Scholar] [CrossRef]
- Gorrasi, G.; Attanasio, G.; Izzo, L.; Sorrentino, A. Controlled Release Mechanisms of Sodium Benzoate from a Biodegradable Polymer and Halloysite Nanotube Composite. Polym. Int. 2017, 66, 690–698. [Google Scholar] [CrossRef]
- Bergaya, F.; Theng, B.K.G.; Lagaly, G. Handbook of Clay Science; Elsevier: Amsterdam, The Netherlands, 2013. [Google Scholar]
- Almasri, D.A.; Saleh, N.B.; Atieh, M.A.; McKay, G.; Ahzi, S. Adsorption of Phosphate on Iron Oxide Doped Halloysite Nanotubes. Sci. Rep. 2019, 9, 3232. [Google Scholar] [CrossRef] [PubMed]
- Cavallaro, G.; Danilushkina, A.; Evtugyn, V.; Lazzara, G.; Milioto, S.; Parisi, F.; Rozhina, E.; Fakhrullin, R. Halloysite Nanotubes: Controlled Access and Release by Smart Gates. Nanomaterials 2017, 7, 199. [Google Scholar] [CrossRef] [PubMed]
- Hussein, R.O.; Nie, X.; Northwood, D.O. An Investigation of Ceramic Coating Growth Mechanisms in Plasma Electrolytic Oxidation (PEO) Processing. Electrochim. Acta 2013, 112, 111–119. [Google Scholar] [CrossRef]
- Barati Darband, G.; Aliofkhazraei, M.; Hamghalam, P.; Valizade, N. Plasma Electrolytic Oxidation of Magnesium and Its Alloys: Mechanism, Properties and Applications. J. Magnes. Alloy. 2017, 5, 74–132. [Google Scholar] [CrossRef]
- Hussein, R.O.; Nie, X.; Northwood, D.O.; Yerokhin, A.; Matthews, A. Spectroscopic Study of Electrolytic Plasma and Discharging Behaviour during the Plasma Electrolytic Oxidation (PEO) Process. J. Phys. D Appl. Phys. 2010, 43, 105203. [Google Scholar] [CrossRef]
- Moon, S.; Jeong, Y. Generation Mechanism of Microdischarges during Plasma Electrolytic Oxidation of Al in Aqueous Solutions. Corros. Sci. 2009, 51, 1506–1512. [Google Scholar] [CrossRef]
- Bordbar-Khiabani, A.; Yarmand, B.; Mozafari, M. Enhanced Corrosion Resistance and In-Vitro Biodegradation of Plasma Electrolytic Oxidation Coatings Prepared on AZ91 Mg Alloy Using ZnO Nanoparticles-Incorporated Electrolyte. Surf. Coatings Technol. 2019, 360, 153–171. [Google Scholar] [CrossRef]
- Fu, L.; Yang, Y.; Zhang, L.; Wu, Y.; Liang, J.; Cao, B. Preparation and Characterization of Fluoride-Incorporated Plasma Electrolytic Oxidation Coatings on the AZ31 Magnesium Alloy. Coatings 2019, 9, 826. [Google Scholar] [CrossRef]
- Zeng, S.; Reyes, C.; Liu, J.; Rodgers, P.A.; Wentworth, S.H.; Sun, L. Facile Hydroxylation of Halloysite Nanotubes for Epoxy Nanocomposite Applications. Polymer (Guildf) 2014, 55, 6519–6528. [Google Scholar] [CrossRef]
- Chaudhari, S.; Baek, M.; Kwon, Y.; Shon, M.; Nam, S.; Park, Y. Surface-Modified Halloysite Nanotube-Embedded Polyvinyl Alcohol/Polyvinyl Amine Blended Membranes for Pervaporation Dehydration of Water/Isopropanol Mixtures. Appl. Surf. Sci. 2019, 493, 193–201. [Google Scholar] [CrossRef]
- Sidorova, M.V.; Sinebrukhov, S.L.; Khrisanfova, O.A.; Gnedenkov, S.V. Effect of PEO-Modes on the Electrochemical and Mechanical Properties of Coatings on MA8 Magnesium Alloy. Phys. Procedia 2012, 23, 90–93. [Google Scholar] [CrossRef][Green Version]
- Zakaznova-Herzog, V.P.; Nesbitt, H.W.; Bancroft, G.M.; Tse, J.S.; Gao, X.; Skinner, W. High-Resolution Valence-Band XPS Spectra of the Nonconductors Quartz and Olivine. Phys. Rev. B 2005, 72, 205113. [Google Scholar] [CrossRef]
- Elmi, C.; Guggenheim, S.; Gieré, R. Surface Crystal Chemistry of Phyllosilicates Using X-Ray Photoelectron Spectroscopy: A Review. Clays Clay Miner. 2016, 64, 537–551. [Google Scholar] [CrossRef]
- Zhang, Y.; He, X.; Ouyang, J.; Yang, H. Palladium Nanoparticles Deposited on Silanized Halloysite Nanotubes: Synthesis, Characterization and Enhanced Catalytic Property. Sci. Rep. 2013, 3, 2948. [Google Scholar] [CrossRef] [PubMed]
- Kissinger, H.E. Reaction Kinetics in Differential Thermal Analysis. Anal. Chem. 1957, 29, 1702–1706. [Google Scholar] [CrossRef]
- Asgar, H.; Jin, J.; Miller, J.; Kuzmenko, I.; Gadikota, G. Contrasting Thermally-Induced Structural and Microstructural Evolution of Alumino-Silicates with Tubular and Planar Arrangements: Case Study of Halloysite and Kaolinite. Colloids Surfaces A Physicochem. Eng. Asp. 2021, 613, 126106. [Google Scholar] [CrossRef]
- Yuan, P.; Tan, D.; Aannabi-Bergaya, F.; Yan, W.; Fan, M.; Liu, D.; He, H. Changes in Structure, Morphology, Porosity, and Surface Activity Of Mesoporous Halloysite Nanotubes Under Heating. Clays Clay Miner. 2012, 60, 561–573. [Google Scholar] [CrossRef]
- Exley, C. The Toxicity of Aluminium in Humans. Morphologie 2016, 100, 51–55. [Google Scholar] [CrossRef]
- Shaw, C.A.; Tomljenovic, L. Aluminum in the Central Nervous System (CNS): Toxicity in Humans and Animals, Vaccine Adjuvants, and Autoimmunity. Immunol. Res. 2013, 56, 304–316. [Google Scholar] [CrossRef]
- Alfrey, A.C. Systemic Toxicity of Aluminum in Man. Neurobiol. Aging 1986, 7, 543–545. [Google Scholar] [CrossRef]
- Abdullayev, E.; Lvov, Y. Halloysite Clay Nanotubes as a Ceramic “Skeleton” for Functional Biopolymer Composites with Sustained Drug Release. J. Mater. Chem. B 2013, 1, 2894. [Google Scholar] [CrossRef] [PubMed]
- Massaro, M.; Noto, R.; Riela, S. Past, Present and Future Perspectives on Halloysite Clay Minerals. Molecules 2020, 25, 4863. [Google Scholar] [CrossRef] [PubMed]
- Abdullayev, E.; Lvov, Y. Halloysite Clay Nanotubes for Controlled Release of Protective Agents. J. Nanosci. Nanotechnol. 2011, 11, 10007–10026. [Google Scholar] [CrossRef] [PubMed]
- Tavagnacco, L.; Schnupf, U.; Mason, P.E.; Saboungi, M.-L.; Cesàro, A.; Brady, J.W. Molecular Dynamics Simulation Studies of Caffeine Aggregation in Aqueous Solution. J. Phys. Chem. B 2011, 115, 10957–10966. [Google Scholar] [CrossRef]
- Duarte, H.A. Molecular Simulation of Nanosized Tubular Clay Minerals. In Developments in Clay Science; Elsevier: Amsterdam, The Netherlands, 2016; pp. 331–359. [Google Scholar]
- Liu, S.-T.; Chen, X.-G.; Zhang, S.-L.; Liu, X.-M.; Zhang, J.-J. Preparation and characterization of halloysite-based carriers for quercetin loading and release. Clays Clay Miner. 2021, 69, 94–104. [Google Scholar] [CrossRef]
- Churchman, G.J.; Theng, B.K.G. Interactions of Halloysites with Amides: Mineralogical Factors Affecting Complex Formation. Clay Miner. 1984, 19, 161–175. [Google Scholar] [CrossRef]
- Carr, R.M.; Chih, H. Complexes of Halloysite with Organic Compounds. Clay Miner. 1971, 9, 153–166. [Google Scholar] [CrossRef]
- Guimarães, L.; Enyashin, A.N.; Seifert, G.; Duarte, H.A. Structural, Electronic, and Mechanical Properties of Single-Walled Halloysite Nanotube Models. J. Phys. Chem. C 2010, 114, 11358–11363. [Google Scholar] [CrossRef]
- Steinel, T.; Asbury, J.B.; Zheng, J.; Fayer, M.D. Watching Hydrogen Bonds Break: A Transient Absorption Study of Water. J. Phys. Chem. A 2004, 108, 10957–10964. [Google Scholar] [CrossRef]
- Mashtalyar, D.V.; Imshinetskiy, I.M.; Nadaraia, K.V.; Gnedenkov, A.S.; Sinebryukhov, S.L.; Ustinov, A.Y.; Samokhin, A.V.; Gnedenkov, S.V. Influence of ZrO2/SiO2 Nanomaterial Incorporation on the Properties of PEO Layers on Mg-Mn-Ce Alloy. J. Magnes. Alloy. 2022, 10, 513–526. [Google Scholar] [CrossRef]
- Joussein, E.; Petit, S.; Delvaux, B. Behavior of Halloysite Clay under Formamide Treatment. Appl. Clay Sci. 2007, 35, 17–24. [Google Scholar] [CrossRef]
- Cheng, Z.; Cao, B.; Liu, Z. Study on Intercalation in Layered Structure of Halloysite Nanotubes (HNTs). Micro Nano Lett. 2019, 14, 585–589. [Google Scholar] [CrossRef]
- Lagaly, G.; Ogawa, M.; Dékány, I. Clay Mineral–Organic Interactions. In Developments in Clay Science; Elsevier: Amsterdam, The Netherlands, 2013; pp. 435–505. [Google Scholar]
- Párkányi, C.; Boniface, C.; Aaron, J.-J.; Bulaceanu-MacNair, M.; Dakkouri, M. Theoretical and Experimental Dipole Moments of Purines. Collect. Czechoslov. Chem. Commun. 2002, 67, 1109–1124. [Google Scholar] [CrossRef]
- Lisuzzo, L.; Cavallaro, G.; Pasbakhsh, P.; Milioto, S.; Lazzara, G. Why Does Vacuum Drive to the Loading of Halloysite Nanotubes? The Key Role of Water Confinement. J. Colloid Interface Sci. 2019, 547, 361–369. [Google Scholar] [CrossRef] [PubMed]
- Seidell, A. The solubility of acetanilide, phenacetine, caffeine and salol in several solvents. J. Am. Chem. Soc. 1907, 29, 1088–1091. [Google Scholar] [CrossRef]

















| Sample | Ra [µm] | Rz [µm] | Thickness [μm] | Porosity [%] |
|---|---|---|---|---|
| H0 | 1.7 ± 0.4 | 10 ± 2 | 51 ± 5 | 5.4 ± 0.3 |
| H10 | 2.0 ± 0.3 | 11 ± 3 | 53 ± 6 | 5.7 ± 0.2 |
| H20 | 2.5 ± 0.6 | 12 ± 3 | 55 ± 5 | 8.2 ± 0.2 |
| H30 | 3.0 ± 0.7 | 16 ± 3 | 59 ± 7 | 9.4 ± 0.2 |
| H40 | 3.4 ± 0.7 | 17 ± 3 | 62 ± 8 | 10.9 ± 0.3 |
| Sample | Content of Elements [at. %] | ||||||
|---|---|---|---|---|---|---|---|
| O | Si | Al | Mg | Na | Mn | Other | |
| H0 | 52.8 | 13.3 | – | 29.3 | 2.7 | 0.9 | 1.0 |
| H10 | 45.1 | 17.4 | 7.2 | 26.4 | 2.6 | 0.9 | 0.4 |
| H20 | 46.2 | 19.5 | 10.8 | 19.7 | 2.5 | 0.8 | 0.5 |
| H30 | 46.6 | 20.5 | 12.6 | 15.9 | 3.0 | 0.7 | 0.7 |
| H40 | 47.3 | 21.9 | 14.8 | 11.5 | 2.7 | 0.7 | 1.1 |
| Sample | Content of Elements [at. %] | ||||||
|---|---|---|---|---|---|---|---|
| Na (1s) | F (1s) | O (1s) | C (1s) | Si (2p) | Al (2p) | Mg (2p) | |
| Raw powder | – | 685.0 (1.5) | 532.7 | 285.0 (4.8) | 103.7 | 75.3 (12.9) | – |
| 531.7 | 100.8 | ||||||
| (62.8) | (18.0) | ||||||
| H40 as-prepared | 1071.2 (11.3) | 684.5 (3.8) | 532.2 | 289.7 286.7 285.0 (4.6) | 103.1 101.3 (18.0) | 74.9 (5.1) | 50.9 (4.2) |
| 530.9 | |||||||
| (53.0) | |||||||
| H40 after Ar+ etching | 1071.2 (5.5) | 684.5 (2.6) | 532.2 530.9 (56.3) | 289.7 | 103.1 101.2 (21.5) | 74.9 (6.9) | 51.0 (6.5) |
| 286.7 | |||||||
| 285.5 | |||||||
| 283.3 | |||||||
| (0.9) | |||||||
| Possible chemical state | Na+ | F− | SiO2 MeOx | OCO | Si4+ Six+ | Al3+ | MgO |
| COC | |||||||
| CC | |||||||
| MeCx | |||||||
| Sample | Rp [Ohms∙cm2] | icorr [Amp/cm2] | Ecorr [V] | βa [mV/decade] | βc [mV/decade] |
|---|---|---|---|---|---|
| H0 | 6.5 × 105 | 1.1 × 10−7 | −1.46 | 773 | 237 |
| H10 | 8.6 × 105 | 5.7 × 10−8 | −1.50 | 1636 | 152 |
| H20 | 1.2 × 106 | 4.9 × 10−8 | −1.45 | 864 | 269 |
| H30 | 1.1 × 106 | 5.6 × 10−8 | −1.47 | 1070 | 184 |
| H40 | 2.9 × 105 | 1.0 × 10−7 | −1.52 | 1046 | 170 |
| Sample | |Z|f = 0.01 Hz | R1 | CPE1 | R2 | CPE2 | ||
|---|---|---|---|---|---|---|---|
| Q1 | n | Q2 | n | ||||
| H0 | 1.21 × 105 | 2.23 × 104 | 3.4 × 10−7 | 0.79 | 1.06 × 105 | 6.45 × 10−8 | 0.92 |
| H10 | 4.61 × 105 | 3.57 × 104 | 1.80 × 10−7 | 0.77 | 1.56 × 105 | 7.36 × 10−8 | 0.91 |
| H20 | 1.26 × 106 | 1.72 × 105 | 1.12 × 10−7 | 0.82 | 1.30 × 106 | 6.51 × 10−9 | 0.95 |
| H30 | 7.02 × 105 | 1.20 × 105 | 2.20 × 10−7 | 0.82 | 6.28 × 105 | 5.97 × 10−7 | 0.86 |
| H40 | 2.61 × 105 | 3.36 × 104 | 3.10 × 10−7 | 0.80 | 2.76 × 105 | 9.04 × 10−7 | 0.71 |
| Sample | |Z|f = 0.01 Hz | R1 | CPE1 | R2 | CPE2 | ||
|---|---|---|---|---|---|---|---|
| Q1 | n | Q2 | n | ||||
| H0 | 5.96 × 104 | 1.20 × 103 | 4.11 × 10−7 | 0.72 | 6.95 × 104 | 4.00 × 10−7 | 0.84 |
| H10 | 1.18 × 105 | 9.53 × 103 | 1.15 × 10−7 | 0.79 | 1.17 × 105 | 1.09 × 10−7 | 0.95 |
| H20 | 9.94 × 105 | 8.27 × 103 | 5.47 × 10−7 | 0.71 | 1.05 × 106 | 6.36 × 10−8 | 0.95 |
| H30 | 1.52 × 105 | 1.73 × 104 | 5.27 × 10−7 | 0.78 | 1.92 × 105 | 2.29 × 10−8 | 0.98 |
| H40 | 1.20 × 105 | 1.39 × 105 | 1.06 × 10−6 | 0.83 | – | – | – |
| Sample | Hμ [GPa] | Young’s Modulus [GPa] |
|---|---|---|
| H0 | 4.5 ± 0.4 | 76 ± 10 |
| H10 | 7.3 ± 0.3 | 139 ± 6 |
| H20 | 7.3 ± 0.5 | 143 ± 10 |
| H30 | 6.3 ± 0.9 | 118 ± 11 |
| H40 | 5.7 ± 0.6 | 107 ± 9 |
| Sample | LC2 [N] | LC3 [N] |
|---|---|---|
| H0 | 6.9 ± 0.2 | 9.4 ± 0.6 |
| H10 | 6.7 ± 0.1 | 11.5 ± 0.4 |
| H20 | 6.9 ± 0.1 | 13.5 ± 0.8 |
| H30 | 7.2 ± 0.1 | 15.6 ± 0.4 |
| H40 | 7.0 ± 0.5 | 14.5 ± 0.3 |
| Sample | The Concentration of the Electrolyte Component [g/L] | |||
|---|---|---|---|---|
| Na2SiO3∙5H2O | NaF | NaC12H25SO4 | HNTs | |
| H0 | 20 | 5 | 0 | 0 |
| H10 | 0.25 | 10 | ||
| H20 | 20 | |||
| H30 | 30 | |||
| H40 | 40 | |||
| Method of Loading with Caffeine | Sample Designation | Concentration of Caffeine in the pre-Filling Solution [g/100 mL] | Concentration of Caffeine in the PEO Electrolyte [g/100 mL] |
|---|---|---|---|
| 5 days test | |||
| H20 samples obtained with HNTs that were pre-loaded in the caffeine solution | H20-P | 2.1 | – |
| H20 samples exposed to the caffeine containing electrolyte | H20-E | – | 0.7 |
| H0 samples obtained in the caffeine-containing electrolyte | H0-O | – | 0.7 |
| 24 h test | |||
| H20 sample exposed to the caffeine solution | H20-C | 2.1 | – |
| H0 sample exposed to the caffeine solution | H0-C | ||
Disclaimer/Publisher’s Note: The statements, opinions and data contained in all publications are solely those of the individual author(s) and contributor(s) and not of MDPI and/or the editor(s). MDPI and/or the editor(s) disclaim responsibility for any injury to people or property resulting from any ideas, methods, instructions or products referred to in the content. |
© 2022 by the authors. Licensee MDPI, Basel, Switzerland. This article is an open access article distributed under the terms and conditions of the Creative Commons Attribution (CC BY) license (https://creativecommons.org/licenses/by/4.0/).
Share and Cite
Imshinetskiy, I.; Kashepa, V.; Nadaraia, K.; Mashtalyar, D.; Suchkov, S.; Zadorozhny, P.; Ustinov, A.; Sinebryukhov, S.; Gnedenkov, S. PEO Coatings Modified with Halloysite Nanotubes: Composition, Properties, and Release Performance. Int. J. Mol. Sci. 2023, 24, 305. https://doi.org/10.3390/ijms24010305
Imshinetskiy I, Kashepa V, Nadaraia K, Mashtalyar D, Suchkov S, Zadorozhny P, Ustinov A, Sinebryukhov S, Gnedenkov S. PEO Coatings Modified with Halloysite Nanotubes: Composition, Properties, and Release Performance. International Journal of Molecular Sciences. 2023; 24(1):305. https://doi.org/10.3390/ijms24010305
Chicago/Turabian StyleImshinetskiy, Igor, Victoria Kashepa, Konstantine Nadaraia, Dmitry Mashtalyar, Sergey Suchkov, Pavel Zadorozhny, Aleksander Ustinov, Sergey Sinebryukhov, and Sergey Gnedenkov. 2023. "PEO Coatings Modified with Halloysite Nanotubes: Composition, Properties, and Release Performance" International Journal of Molecular Sciences 24, no. 1: 305. https://doi.org/10.3390/ijms24010305
APA StyleImshinetskiy, I., Kashepa, V., Nadaraia, K., Mashtalyar, D., Suchkov, S., Zadorozhny, P., Ustinov, A., Sinebryukhov, S., & Gnedenkov, S. (2023). PEO Coatings Modified with Halloysite Nanotubes: Composition, Properties, and Release Performance. International Journal of Molecular Sciences, 24(1), 305. https://doi.org/10.3390/ijms24010305

