Selected Simple Natural Antimicrobial Terpenoids as Additives to Control Biodegradation of Polyhydroxy Butyrate
Abstract
1. Introduction
2. Results and Discussion
2.1. Preliminary Biodegradation Experiment
2.2. Mineralization of Materials in Soil
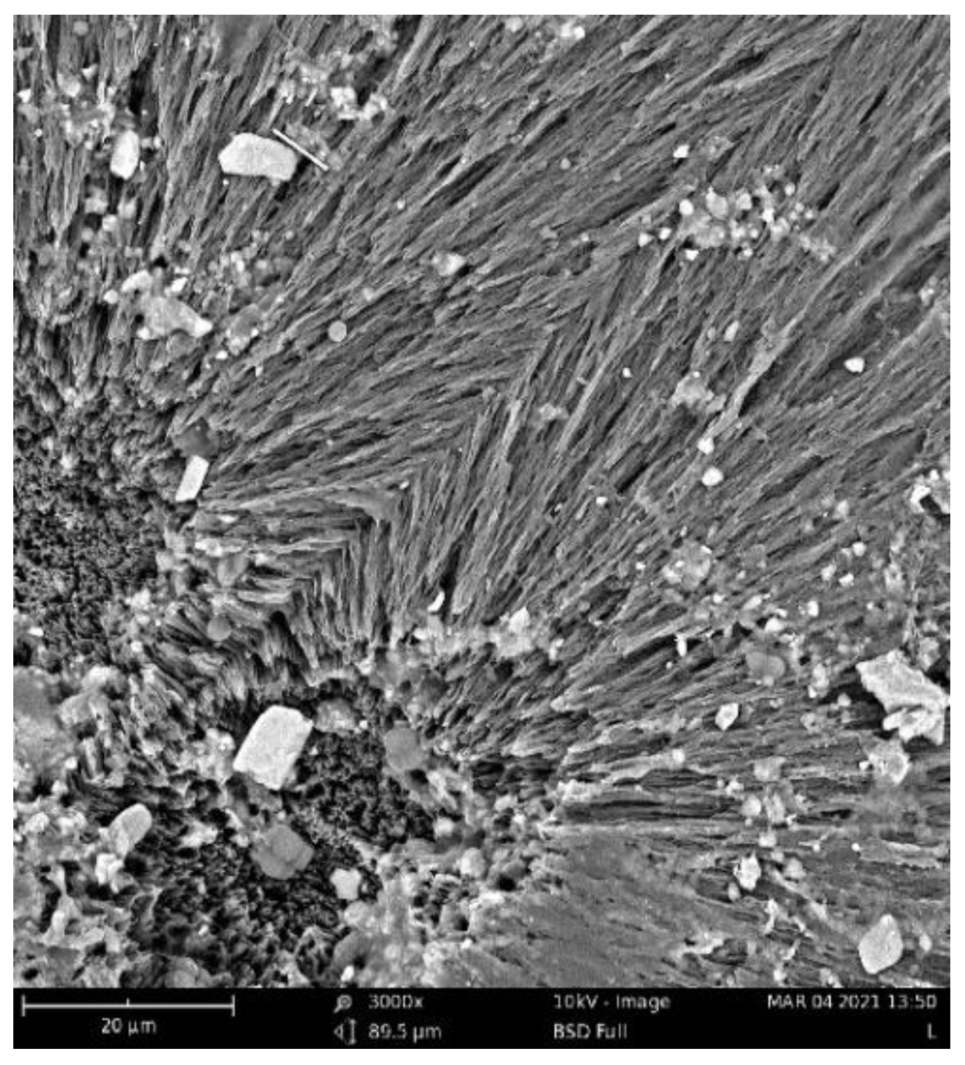
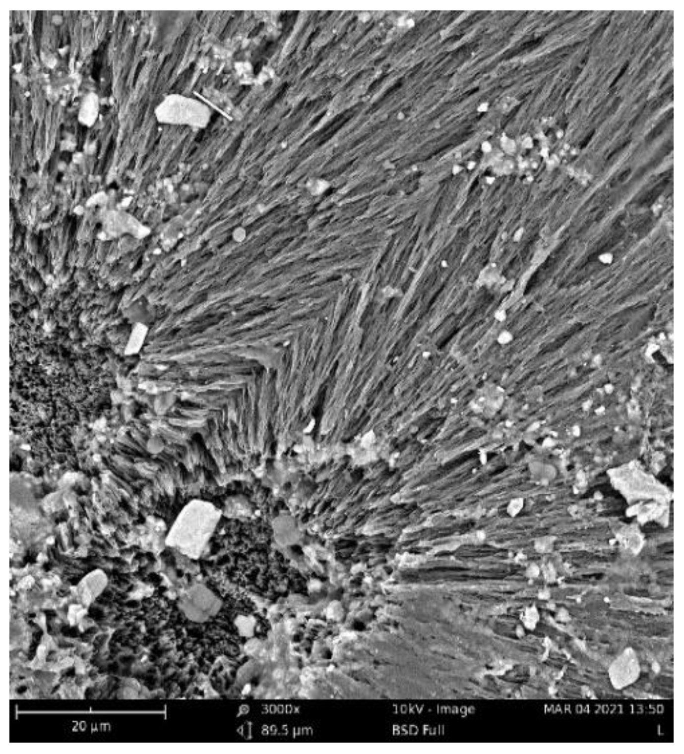
2.3. Visual and Microscopic Analysis
2.4. DSC Analysis
2.5. Mechanical Properties
3. Materials and Methods
3.1. Materials
3.2. Sample Preparation
3.3. Differential Scanning Calorimetry
3.4. Dynamic Mechanical Analysis
3.5. Biodegradation in Soil
3.6. Scanning Electron Microscopy
4. Conclusions
Author Contributions
Funding
Institutional Review Board Statement
Informed Consent Statement
Data Availability Statement
Conflicts of Interest
References
- Wang, J.; Emmerich, L.; Wu, J.; Vana, P.; Zhang, K. Hydroplastic polymers as eco-friendly hydrosetting plastics. Nat. Sustain. 2021, 4, 877–883. [Google Scholar] [CrossRef]
- Fogašová, M.; Figalla, S.; Danišová, L.; Medlenová, E.; Hlaváčiková, S.; Bočkaj, J.; Plavec, R.; Alexy, P.; Repiská, M.; Přikryl, R.; et al. PLA/PHB-Based Materials Fully Biodegradable under Both Industrial and Home-Composting Conditions. Polymers 2022, 14, 4113. [Google Scholar] [CrossRef] [PubMed]
- Mangeon, C.; Michely, L.; Rios De Anda, A.; Thevenieau, F.; Renard, E.; Langlois, V. Natural Terpenes Used as Plasticizers for Poly(3-hydroxybutyrate). ACS Sustain. Chem. Eng. 2018, 6, 16160–16168. [Google Scholar] [CrossRef]
- Koller, M. Recycling of waste streams of the biotechnological poly(hydroxyalkanoate) production by Haloferax mediterranei on whey. Int. J. Polym. Sci. 2015, 2015, 370164. [Google Scholar] [CrossRef]
- Rech, C.R.; da Silva Brabes, K.C.; Bagnara e Silva, B.E.; Bittencourt, P.R.S.; Koschevic, M.T.; da Silveira, T.F.S.; Martines, M.A.U.; Caon, T.; Martelli, S.M. Biodegradation of eugenol-loaded polyhydroxybutyrate films in different soil types. Case Stud. Chem. Environ. Eng. 2020, 2, 100014. [Google Scholar] [CrossRef]
- Šerá, J.; Kadlečková, M.; Fayyazbakhsh, A.; Kučabová, V.; Koutný, M. Occurrence and analysis of thermophilic poly(Butylene adipate-co-terephthalate)-degrading microorganisms in temperate zone soils. Int. J. Mol. Sci. 2020, 21, 7857. [Google Scholar] [CrossRef] [PubMed]
- Moradali, M.F.; Rehm, B.H.A. Bacterial biopolymers: From pathogenesis to advanced materials. Nat. Rev. Microbiol. 2020, 18, 195–210. [Google Scholar] [CrossRef] [PubMed]
- Jiang, X.R.; Yan, X.; Yu, L.P.; Liu, X.Y.; Chen, G.Q. Hyperproduction of 3-hydroxypropionate by Halomonas bluephagenesis. Nat. Commun. 2021, 12, 1513. [Google Scholar] [CrossRef]
- Gao, M.; Du, D.; Bo, Z.; Sui, L. Poly-β-hydroxybutyrate (PHB)-accumulating Halomonas improves the survival, growth, robustness and modifies the gut microbial composition of Litopenaeus vannamei postlarvae. Aquaculture 2019, 500, 607–612. [Google Scholar] [CrossRef]
- Briassoulis, D.; Tserotas, P.; Athanasoulia, I.-G. Alternative optimization routes for improving the performance of poly(3-hydroxybutyrate) (PHB) based plastics. J. Clean. Prod. 2021, 318, 128555. [Google Scholar] [CrossRef]
- Lee, J.; Park, H.J.; Moon, M.; Lee, J.-S.; Min, K. Recent progress and challenges in microbial polyhydroxybutyrate (PHB) production from CO2 as a sustainable feedstock: A state-of-the-art review. Bioresour. Technol. 2021, 339, 125616. [Google Scholar] [CrossRef] [PubMed]
- Park, S.; Yang, Y.H.; Choi, K.Y. One-pot production of thermostable PHB biodegradable polymer by co-producing bio-melanin pigment in engineered Escherichia coli. Biomass Conv. Bioref. 2022. [Google Scholar] [CrossRef]
- Pachekoski, W.M.; Agnelli, J.A.M.; Belem, L.P. Thermal, mechanical and morphological properties of poly (hydroxybutyrate) and polypropylene blends after processing. Mater. Res. 2009, 12, 159–164. [Google Scholar] [CrossRef]
- Aydemir, D.; Gardner, D.J. Biopolymer blends of polyhydroxybutyrate and polylactic acid reinforced with cellulose nanofibrils. Carbohydr. Polym. 2020, 250, 116867. [Google Scholar] [CrossRef] [PubMed]
- Mohanrasu, K.; Premnath, N.; Siva Prakash, G.; Sudhakar, M.; Boobalan, T.; Arun, A. Exploring multi potential uses of marine bacteria; an integrated approach for PHB production, PAHs and polyethylene biodegradation. J. Photochem. Photobiol. B Biol. 2018, 185, 55–65. [Google Scholar] [CrossRef]
- Robledo-Ortíz, J.R.; González-López, M.E.; Martín del Campo, A.S.; Pérez-Fonseca, A.A. Lignocellulosic Materials as Reinforcement of Polyhydroxybutyrate and its Copolymer with Hydroxyvalerate: A Review. J. Polym. Environ. 2021, 29, 1350–1364. [Google Scholar] [CrossRef]
- Basnett, P.; Marcello, E.; Lukasiewicz, B.; Nigmatullin, R.; Paxinou, A.; Ahmad, M.H.; Gurumayum, B.; Roy, I. Antimicrobial materials with lime oil and a poly(3-hydroxyalkanoate) produced via valorisation of sugar cane molasses. J. Funct. Biomater. 2020, 11, 24. [Google Scholar] [CrossRef]
- Nishida, M.; Tanaka, T.; Hayakawa, Y.; Ogura, T.; Ito, Y.; Nishida, M. Multi-scale instrumental analyses of plasticized polyhydroxyalkanoates (PHA) blended with polycaprolactone (PCL) and the effects of crosslinkers and graft copolymers. RSC Adv. 2019, 9, 1551–1561. [Google Scholar] [CrossRef]
- Rech, C.R.; Brabes, K.C.S.; Silva, B.E.B.; Martines, M.A.U.; Silveira, T.F.S.; Alberton, J.; Amadeu, C.A.A.; Caon, T.; Arruda, E.J.; Martelli, S.M. Antimicrobial and Physical–Mechanical Properties of Polyhydroxybutyrate Edible Films Containing Essential Oil Mixtures. J. Polym. Environ. 2020, 29, 1202–1211. [Google Scholar] [CrossRef]
- Miao, L.; Walton, W.C.; Wang, L.; Li, L.; Wang, Y. Characterization of polylactic acids-polyhydroxybutyrate based packaging film with fennel oil, and its application on oysters. Food Packag. Shelf Life 2019, 22, 100388. [Google Scholar] [CrossRef]
- Namivandi-Zangeneh, R.; Yang, Y.; Xu, S.; Wong, E.H.H.; Boyer, C. Antibiofilm Platform based on the Combination of Antimicrobial Polymers and Essential Oils. Biomacromolecules 2020, 21, 262–272. [Google Scholar] [CrossRef] [PubMed]
- Ventura, H.; Laguna-Gutiérrez, E.; Rodriguez-Perez, M.A.; Ardanuy, M. Effect of chain extender and water-quenching on the properties of poly(3-hydroxybutyrate-co-4-hydroxybutyrate) foams for its production by extrusion foaming. Eur. Polym. J. 2016, 85, 14–25. [Google Scholar] [CrossRef]
- Duangphet, S.; Szegda, D.; Song, J.; Tarverdi, K. The Effect of Chain Extender on Poly(3-hydroxybutyrate-co-3-hydroxyvalerate): Thermal Degradation, Crystallization, and Rheological Behaviours. J. Polym. Environ. 2014, 22, 1–8. [Google Scholar] [CrossRef]
- Narayanan, A.; Neera; Mallesha; Ramana, K.V. Synergized antimicrobial activity of eugenol incorporated polyhydroxybutyrate films against food spoilage microorganisms in conjunction with pediocin. Appl. Biochem. Biotechnol. 2013, 170, 1379–1388. [Google Scholar] [CrossRef] [PubMed]
- de Oliveira, K.Á.R.; de Sousa, J.P.; da Costa Medeiros, J.A.; de Figueiredo, R.C.B.Q.; Magnani, M.; de Siqueira, J.P.; de Souza, E.L. Synergistic inhibition of bacteria associated with minimally processed vegetables in mixed culture by carvacrol and 1,8-cineole. Food Control. 2015, 47, 334–339. [Google Scholar] [CrossRef]
- Monistero, V.; Barberio, A.; Biscarini, F.; Cremonesi, P.; Castiglioni, B.; Graber, H.U.; Bottini, E.; Ceballos-Marquez, A.; Kroemker, V.; Petzer, I.M.; et al. Different distribution of antimicrobial resistance genes and virulence profiles of Staphylococcus aureus strains isolated from clinical mastitis in six countries. J. Dairy Sci. 2020, 103, 3431–3446. [Google Scholar] [CrossRef]
- Porfírio, E.M.; Melo, H.M.; Pereira, A.M.G.; Cavalcante, T.T.A.; Gomes, G.A.; De Carvalho, M.G.; Costa, R.A.; Catunda, F.E.A. In vitro antibacterial and antibiofilm activity of lippia alba essential oil, citral, and carvone against staphylococcus aureus. Sci. World J. 2017, 2017, 4962707. [Google Scholar] [CrossRef]
- Huang, F.; Kong, J.; Ju, J.; Zhang, Y.; Guo, Y.; Cheng, Y.; Qian, H.; Xie, Y.; Yao, W. Membrane damage mechanism contributes to inhibition of trans-cinnamaldehyde on Penicillium italicum using Surface-Enhanced Raman Spectroscopy (SERS). Sci. Rep. 2019, 9, 490. [Google Scholar] [CrossRef]
- Beltrami, L.V.R.; Bandeira, J.A.V.; Scienza, L.C.; Zattera, A.J. Biodegradable composites: Morphological, chemical, thermal, and mechanical properties of composites of poly(hydroxybutyrate-co-hydroxyvalerate) with curaua fibers after exposure to simulated soil. J. Appl. Polym. Sci. 2014, 131, 8769–8776. [Google Scholar] [CrossRef]
- da Costa, R.C.; Daitx, T.S.; Mauler, R.S.; da Silva, N.M.; Miotto, M.; Crespo, J.S.; Carli, L.N. Poly(hydroxybutyrate-co-hydroxyvalerate)-based nanocomposites for antimicrobial active food packaging containing oregano essential oil. Food Packag. Shelf Life 2020, 26, 100602. [Google Scholar] [CrossRef]
- Marcet, I.; Weng, S.; Sáez-Orviz, S.; Rendueles, M.; Díaz, M. Production and characterisation of biodegradable PLA nanoparticles loaded with thymol to improve its antimicrobial effect. J. Food Eng. 2018, 239, 26–32. [Google Scholar] [CrossRef]
- Šašinková, D.; Serbruyns, L.; Julinová, M.; FayyazBakhsh, A.; De Wilde, B.; Koutný, M. Evaluation of the biodegradation of polymeric materials in the freshwater environment—An attempt to prolong and accelerate the biodegradation experiment. Polym. Degrad. Stab. 2022, 203, 110085. [Google Scholar] [CrossRef]
- Dambolena, J.S.; López, A.G.; Cánepa, M.C.; Theumer, M.G.; Zygadlo, J.A.; Rubinstein, H.R. Inhibitory effect of cyclic terpenes (limonene, menthol, menthone and thymol) on Fusarium verticillioides MRC 826 growth and fumonisin B1 biosynthesis. Toxicon 2008, 51, 37–44. [Google Scholar] [CrossRef]
- Swiontek Brzezinka, M.; Richert, A.; Kalwasińska, A.; Świątczak, J.; Deja-Sikora, E.; Walczak, M.; Michalska-Sionkowska, M.; Piekarska, K.; Kaczmarek-Szczepańska, B. Microbial degradation of polyhydroxybutyrate with embedded polyhexamethylene guanidine derivatives. Int. J. Biol. Macromol. 2021, 187, 309–318. [Google Scholar] [CrossRef]
- Fernandes, M.; Salvador, A.; Alves, M.M.; Vicente, A.A. Factors affecting polyhydroxyalkanoates biodegradation in soil. Polym. Degrad. Stab. 2020, 182, 109408. [Google Scholar] [CrossRef]
- Sharma, B.; Jain, P. Deciphering the advances in bioaugmentation of plastic wastes. J. Clean. Prod. 2020, 275, 123241. [Google Scholar] [CrossRef]
- Zhou, L.; He, H.; Li, M.c.; Huang, S.; Mei, C.; Wu, Q. Enhancing mechanical properties of poly(lactic acid) through its in-situ crosslinking with maleic anhydride-modified cellulose nanocrystals from cottonseed hulls. Ind. Crops Prod. 2018, 112, 449–459. [Google Scholar] [CrossRef]







| Sample | Crystallinity (%) | ||||
|---|---|---|---|---|---|
| 0 Days | 4 Days | 8 Days | 16 Days | 32 Days | |
| Pure PHB | 69 | 67 | 61 | 63 | - |
| Eucalyptol 3% | 70 | 64 | 62 | 62 | 66 |
| Limonene 3% | 71 | 66 | 68 | 67 | 66 |
| Thymol 3% | 66 | 67 | 66 | 65 | - |
| Sample | Complex Modulus E* (MPa) at 30 °C | ||
|---|---|---|---|
| 0 Days | 8 Days | 16 Days | |
| Pure PHB | 2862 | 0 | - |
| Eucalyptol 3% | 2774 | 1832 | 2774 |
| Limonene 3% | 1901 | 1155 | 1282 |
| Thymol 3% | 2205 | 67 | 31 |
| Sample | Incubation Time (Day) | Tg (°C) | Tc (°C) | Tcc (°C) | Tm (°C) | |
|---|---|---|---|---|---|---|
| Tm1 | Tm2 | |||||
| Pure PHB | 0 | 5.66 | 82.85 | 94.25 | - | 172.00 |
| 16 | 5.80 | 83.06 | 94.23 | 168.23 | 173.58 | |
| 32 | - | - | - | - | - | |
| PHB + Eucalyptol 3% | 0 | 4.94 | 84.37 | 93.40 | 167.73 | 172.89 |
| 16 | 5.50 | 87.26 | 95.07 | 167.42 | 172.77 | |
| 32 | 5.67 | 85.10 | 97.56 | 166.20 | 172.93 | |
| PHB + Limonene 3% | 0 | 4.05 | 77.33 | 94.56 | 166.79 | 172.86 |
| 16 | 4.73 | 85.07 | 94.23 | 166.11 | 172.56 | |
| 32 | 4.84 | 88.28 | 95.08 | 166.63 | 172.16 | |
| PHB + Thymol 3% | 0 | 4.65 | 69.49 | 87.75 | 167.14 | 172.75 |
| 16 | 4.87 | 86.77 | 94.91 | 166.90 | 172.11 | |
| 32 | - | - | - | - | - | |
| Additive (Purity) | Molecular Weight | Made in | Other Properties: Melting Point (MP), Bubble Point (BP) |
|---|---|---|---|
| Camphor (98%) | 152.23 | USA | MP = 179–181 °C |
| Thymol (98.5%) | 150.22 | India | PB = 232 °C, MP = 48–51 °C |
| Carvacrol (≥98%) | 150.22 | India | MP = 3–4 °C, BP = 236–237 °C |
| Trans-anethole (99%) | 148.20 | Spain | MP = 20–21 °C, BP = 234–237 °C |
| Eugenol (99%) | 164.2 | Germany | MP = 12–10 °C, BP = 254 °C |
| Eucalyptol (99%) | 154.25 | USA | MP = 1–2 °C, BP = 176–−177 °C |
| Carvone (98%) | 150.22 | China | BP = 227–230 °C |
| Limonene (96%) | 136.23 | Spain | BP = 175–177 °C |
| Trans-cinnamaldehyde (99%) | 132.16 | China | MP = −9–−4 °C, BP = 250–252 °C |
| Nerol | 154.25 | USA | BP = 103–105 °C |
Publisher’s Note: MDPI stays neutral with regard to jurisdictional claims in published maps and institutional affiliations. |
© 2022 by the authors. Licensee MDPI, Basel, Switzerland. This article is an open access article distributed under the terms and conditions of the Creative Commons Attribution (CC BY) license (https://creativecommons.org/licenses/by/4.0/).
Share and Cite
Fayyazbakhsh, A.; Koutný, M.; Kalendová, A.; Šašinková, D.; Julinová, M.; Kadlečková, M. Selected Simple Natural Antimicrobial Terpenoids as Additives to Control Biodegradation of Polyhydroxy Butyrate. Int. J. Mol. Sci. 2022, 23, 14079. https://doi.org/10.3390/ijms232214079
Fayyazbakhsh A, Koutný M, Kalendová A, Šašinková D, Julinová M, Kadlečková M. Selected Simple Natural Antimicrobial Terpenoids as Additives to Control Biodegradation of Polyhydroxy Butyrate. International Journal of Molecular Sciences. 2022; 23(22):14079. https://doi.org/10.3390/ijms232214079
Chicago/Turabian StyleFayyazbakhsh, Ahmad, Marek Koutný, Alena Kalendová, Dagmar Šašinková, Markéta Julinová, and Markéta Kadlečková. 2022. "Selected Simple Natural Antimicrobial Terpenoids as Additives to Control Biodegradation of Polyhydroxy Butyrate" International Journal of Molecular Sciences 23, no. 22: 14079. https://doi.org/10.3390/ijms232214079
APA StyleFayyazbakhsh, A., Koutný, M., Kalendová, A., Šašinková, D., Julinová, M., & Kadlečková, M. (2022). Selected Simple Natural Antimicrobial Terpenoids as Additives to Control Biodegradation of Polyhydroxy Butyrate. International Journal of Molecular Sciences, 23(22), 14079. https://doi.org/10.3390/ijms232214079

