Deep Eutectic Solvent + Water System in Carbon Dioxide Absorption
Abstract
1. Introduction
2. Results and Discussion
2.1. Density of DES + Water Systems
2.2. Solubility of CO2 in DES + Water Systems
3. Mechanism of CO2 Absorption in DES + Water Systems
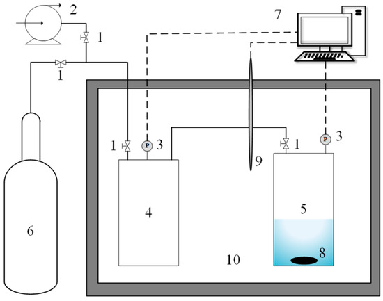
4. Experimental
4.1. Reagents
4.2. Preparation of DES + Water Systems
4.3. Density Measurements
4.4. Isovolumetric Saturation Theory
5. Conclusions
Supplementary Materials
Author Contributions
Funding
Institutional Review Board Statement
Informed Consent Statement
Data Availability Statement
Conflicts of Interest
References
- Overa, S.; Ko, B.H.; Zhao, Y.; Jiao, F. Electrochemical approaches for CO2 conversion to chemicals: A journey toward practical applications. Acc. Chem. Res. 2022, 55, 638–648. [Google Scholar] [CrossRef] [PubMed]
- Bian, J.; Zhang, Z.; Liu, Y.; Chen, E.; Tang, J.; Jing, L. Strategies and reaction systems for solar-driven CO2 reduction by water. Carbon Neutrality 2022, 1, 5. [Google Scholar] [CrossRef]
- Wen, N.; Tan, H.; Qin, X. Simulation and analysis of a peak regulation gas power plant with advanced energy storage and cryogenic CO2 capture. Energy Storage Sav. 2023, 2, 479–486. [Google Scholar] [CrossRef]
- Yu, K.M.K.; Curcic, I.; Gabriel, J.; Tsang, S.C.E. Recent advances in CO2 capture and utilization. ChemSusChem 2008, 1, 893–899. [Google Scholar] [CrossRef] [PubMed]
- Meng, F.; Meng, Y.; Ju, T.; Han, S.; Lin, L.; Jiang, J. Research progress of aqueous amine solution for CO2 capture: A review. Renew. Sustain. Energy Rev. 2022, 168, 112902. [Google Scholar] [CrossRef]
- Centi, G.; Perathoner, S. The chemical engineering aspects of CO2 capture, combined with its utilization. Curr. Opin. Chem. Eng. 2023, 39, 100879. [Google Scholar] [CrossRef]
- Quan, C.; Zhou, Y.; Wang, J.; Wu, C.; Gao, N. Biomass-based carbon materials for CO2 capture: A review. J. CO2 Util. 2023, 68, 102373. [Google Scholar] [CrossRef]
- Shen, Y. Preparation of renewable porous carbons for CO2 capture—A review. Fuel Process. Technol. 2022, 236, 107437. [Google Scholar] [CrossRef]
- Haghbakhsh, R.; Raeissi, S. Deep eutectic solvents for CO2 capture from natural gas by energy and exergy analyses. J. Environ. Chem. Eng. 2019, 7, 103411. [Google Scholar] [CrossRef]
- Panja, P.; McPherson, B.; Deo, M. Techno-economic analysis of amine-based CO2 capture technology: Hunter Plant case study. Carbon Capture Sci. Technol. 2022, 3, 100041. [Google Scholar] [CrossRef]
- Karimi, M.; Jodaei, A.; Khajvandi, A.; Sadeghinik, A.; Jahandideh, R. In-situ capture and conversion of atmospheric CO2 into nano-CaCO3 using a novel pathway based on deep eutectic choline chloride-calcium chloride. J. Environ. Manag. 2018, 206, 516–522. [Google Scholar] [CrossRef] [PubMed]
- Aghel, B.; Janati, S.; Wongwises, S.; Shadloo, M. Review on CO2 capture by blended amine solutions. Int. J. Greenh. Gas Control 2022, 119, 103715. [Google Scholar] [CrossRef]
- Ghaedi, H.; Ayoub, M.; Sufian, S.; Shariff, A.; Hailegiorgis, S.M.; Khan, S.N. CO2 Capture with the help of Phosphonium-Based Deep Eutectic Solvents. J. Mol. Liq. 2017, 243, 564–571. [Google Scholar] [CrossRef]
- Baltar, A.; DGómez-Díaz Navaza, J.M.; Rumbo, A. Absorption and Regeneration Studies of Chemical Solvents Based on Dimethylethanolamine and Diethylethanolamine for Carbon Dioxide Capture. AIChE J. 2020, 66, e16770. [Google Scholar] [CrossRef]
- Yan, H.; Zhang, G.; Xu, Y.; Zhang, Q.; Liu, J.; Li, G.; Zhao, Y.; Wang, Y.; Zhang, Y. High CO2 adsorption on amine-functionalized improved macro-/mesoporous multimodal pore silica. Fuel 2022, 315, 123195. [Google Scholar] [CrossRef]
- Ali, S.A.; Mulk, W.U.; Ullah, Z.; Khan, H.; Zahid, A.; Shah, M.; Shah, S. Recent advances in the synthesis, application and economic feasibility of ionic liquids and deep eutectic solvents for CO2 capture: A review. Energies 2022, 15, 9098. [Google Scholar] [CrossRef]
- Sarma, S.; Mikkola, J.P.; Ji, X. Carbon Dioxide Capture with Ionic Liquids and Deep Eutectic Solvents: A New Generation of Sorbents. ChemSusChem 2016, 10, 324–352. [Google Scholar] [CrossRef] [PubMed]
- Abbott, A.P.; Barron, J.C.; Ryder, K.S. Electrolytic Deposition of Zn Coatings from Ionic Liquids Based on Choline Chloride. Trans. IMF 2009, 87, 201–207. [Google Scholar] [CrossRef]
- Zhang, Y.; Ji, X.; Lu, X. Properties and Applications of Choline Chloride/Urea and Choline Chloride/Glycerol. Sci. Sin. 2018, 44, 927. [Google Scholar] [CrossRef]
- Dai, Y.; Spronsen, J.V.; Witkamp, G.J.; Verpoorte, R.; Choi, Y.H. Natural Deep Eutectic Solvents as New Potential Media for Green Technology. Anal. Chim. Acta 2013, 766, 61–68. [Google Scholar] [CrossRef] [PubMed]
- Ji, Y.; Hou, Y.; Ren, S.; Yao, C.; Wu, W. Phase Equilibria of High Pressure CO2 and Deep Eutectic Solvents formed by Quaternary Ammonium Salts and Phenol. Fluid Phase Equilibria 2016, 429, 14–20. [Google Scholar] [CrossRef]
- Akeeb, O.; Wang, L.; Xie, W.; Davis, R.; Alkasrawi Toan, S. Post-combustion CO2 capture via a variety of temperature ranges and material adsorption process: A review. J. Environ. Manag. 2022, 313, 115026. [Google Scholar] [CrossRef] [PubMed]
- Jassim, M.S.; Rochelle, G.; Eimer, D.; Ramshaw, C. Carbon dioxide absorption and desorption in aqueous monoethanolamine solutions in a rotating packed bed. Ind. Eng. Chem. Res. 2007, 46, 2823–2833. [Google Scholar] [CrossRef]
- Ahmad, N.; Wang, X.; Sun, P.; Chen, Y.; Rehman, F.; Xu, J.; Xu, X. Electrochemical CO2 Reduction to CO Facilitated by MDEA Based Deep Eutectic Solvent in Aqueous Solution. Renew. Energy 2021, 177, 23–33. [Google Scholar] [CrossRef]
- Werner, J.; Grzeskowiak, T.; Zgola-Grzeskowiak, A. A Polydimethylsiloxane/Deep Eutectic Solvent Sol-Gel Thin Film Sorbent and Its Application to Solid-Phase Microextraction of Parabens. Anal. Chim. Acta 2022, 1202, 339666. [Google Scholar] [CrossRef]
- Zheng, S.; Tao, M.; Liu, Q.; Ning, L.; He, Y.; Shi, Y. Capturing CO2 into the precipitate of a phase-changing solvent after absorption. Environ. Sci. Technol. 2014, 48, 8905–8910. [Google Scholar] [CrossRef] [PubMed]
- Luo, W.; Guo, D.; Zheng, J.; Gao, S.; Chen, J. CO2 absorption using biphasic solvent: Blends of diethylenetriamine, sulfolane, and water. Int. J. Greenh. Gas Control 2016, 53, 141–148. [Google Scholar] [CrossRef]
- Ali, E.; Hadj-Kali, M.K.; Mulyono, S.; Alnashef, I.; Fakeeha, A.; Mjalli, F.; Hayyan, A. Solubility of CO2 in deep eutectic solvents: Experiments and modelling using the Peng–Robinson equation of state. Chem. Eng. Res. Des. 2014, 92, 1898–1906. [Google Scholar] [CrossRef]
- Wang, J.; Cheng, H.; Song, Z.; Chen, L.; Deng, L.; Qi, Z. Carbon dioxide solubility in phosphonium-based deep eutectic solvents: An experimental and molecular dynamics study. Ind. Eng. Chem. Res. 2019, 58, 17514–17523. [Google Scholar] [CrossRef]
- Adeyemi, I.; Abu-Zahra, M.R.M.; Alnashef, I. Experimental study of the solubility of CO2 in novel amine based deep eutectic solvents. Energy Procedia 2017, 105, 1394–1400. [Google Scholar] [CrossRef]
- Lee, Y.Y.; Penley, D.; Klemm, A.; Dean, W.; Gurkan, B. Deep eutectic solvent formed by imidazolium cyanopyrrolide and ethylene glycol for reactive CO2 separations. ACS Sustain. Chem. Eng. 2021, 9, 1090–1098. [Google Scholar] [CrossRef]
- Altamash, T.; Nasser, M.S.; Elhamarnah, Y.; Magzoub, M.; Ullah, R.; Qiblawey, H.; Aparicio, S.; Atilhan, M. Gas solubility and rheological behavior study of betaine and alanine based natural deep eutectic solvents (NADES). J. Mol. Liq. 2018, 256, 286–295. [Google Scholar] [CrossRef]
- Bagheri, H.; Ghader, S.; AbdulAmeer, S.; Ahmad, N. Comprehensive study on deep eutectic solvent density based on various EoSs: SRK, PT, VTSRK, sPC-SAFT. J. Mol. Liq. 2024, 393, 123627. [Google Scholar] [CrossRef]
- Chen, Q.; He, N.; Fan, J.; Song, F. Physical properties of betaine-1, 2-propanediol-based deep eutectic solvents. Polymers 2022, 14, 1783. [Google Scholar] [CrossRef]
- Xi, C.; Closmann, F.; Rochelle, G.T. Accurate Screening of Amines by the Wetted Wall Column. Energy Procedia 2011, 4, 101–108. [Google Scholar] [CrossRef]
- Versteeg, G.; Dijck, L.; Swaaij, W. On the Kinetics Between CO2 and Alkanolamines both in Aqueous and Non-aqueous Solutions—I. Primary and Secondary Amines. Chem. Eng. Commun. 2010, 144, 113–158. [Google Scholar] [CrossRef]
- Li, Z.; Wang, L.; Li, C.; Cui, Y.; Li, S.; Yang, G.; Shen, Y. Absorption of carbon dioxide using ethanolamine-based deep eutectic solvents. ACS Sustain. Chem. Eng 2019, 7, 10403–10414. [Google Scholar] [CrossRef]
- Fan, J.; Zhang, X.; He, N.; Song, F.; Zhang, X. Physical absorption and thermodynamic modeling of CO2 in new deep eutectic solvents. J. Mol. Liq. 2024, 402, 124752. [Google Scholar] [CrossRef]






| Systems | A/(kg·m−3) | B/(kg·m−3·K−1) | R2 |
|---|---|---|---|
| nTBAB:nMEA = 1:8 | 1.24847 | −7.28842 × 10−4 | 0.99905 |
| nTBAB:nMEA = 1:9 | 1.24701 | −7.25945 × 10−4 | 0.99902 |
| nTBAB:nMEA = 1:10 | 1.24542 | −7.22544 × 10−4 | 0.99895 |
| nTBAB:nMDEA = 1:8 | 1.26478 | −7.43202 × 10−4 | 0.99867 |
| nTBAB:nMDEA = 1:9 | 1.26423 | −7.41458 × 10−4 | 0.99860 |
| nTBAB:nMDEA = 1:10 | 1.26385 | −7.39942 × 10−4 | 0.99855 |
| nTBPB:nMEA = 1:8 | 1.24991 | −7.32167 × 10−4 | 0.99910 |
| nTBPB:nMEA = 1:9 | 1.24822 | −7.28431 × 10−4 | 0.99904 |
| nTBPB:nMEA = 1:10 | 1.24550 | −7.22521 × 10−4 | 0.99897 |
| nTBPB:nMDEA = 1:8 | 1.26578 | −7.45715 × 10−4 | 0.99881 |
| nTBPB:nMDEA = 1:9 | 1.26427 | −7.41711 × 10−4 | 0.99861 |
| nTBPB:nMDEA = 1:10 | 1.26472 | −7.42246 × 10−4 | 0.99860 |
| Systems | a | b | c | d | e | The Maximum Relative Deviations % |
|---|---|---|---|---|---|---|
| nTBAB:nMEA = 1:8 | 32.18 | −15,420.36 | 8.31 | 74,352.19 | −621.83 | 1.03 |
| nTBAB:nMEA = 1:9 | 50.40 | −21,922.02 | −82.46 | 109,660.46 | −668.88 | 1.52 |
| nTBAB:nMEA = 1:10 | 28.69 | −12,793.19 | 10.52 | 48,694.44 | −344.33 | 1.48 |
| nTBAB:nMDEA = 1:8 | 62.24 | −18,468.99 | −318.51 | 95,012.65 | 283.98 | 1.73 |
| nTBAB:nMDEA = 1:9 | −13.38 | 8478.80 | 143.74 | −101,886.59 | 925.13 | 1.19 |
| nTBAB:nMDEA = 1:10 | 53.13 | −15,273.12 | −238.42 | 62,744.30 | 373.20 | 1.47 |
| nTBPB:nMEA = 1:8 | 0.14 | −4032.65 | 213.57 | −8744.48 | −408.77 | 1.18 |
| nTBPB:nMEA = 1:9 | 12.03 | −8203.25 | 140.83 | 17,699.03 | −440.31 | 1.51 |
| nTBPB:nMEA = 1:10 | 27.49 | −14,094.76 | 68.92 | 50,775.95 | −532.78 | 1.04 |
| nTBPB:nMDEA = 1:8 | 59.90 | −17,635.24 | −316.34 | 93,432.50 | 291.29 | 2.06 |
| nTBPB:nMDEA = 1:9 | 27.99 | −7174.00 | −70.33 | 9439.45 | 362.81 | 1.98 |
| nTBPB:nMDEA = 1:10 | 40.94 | −11,061.94 | −184.92 | 42,846.74 | 382.71 | 1.51 |
| Molecular Formula | CAS | Producers | Mass Fraction Purity (Supplier) |
|---|---|---|---|
| C₁₆H₃₆BrN | 1643-19-2 | Aladdin | 99.0% |
| C16H36PBr | 3115-68-2 | Aladdin | 99.0% |
| C2H7NO | 141-43-5 | Aladdin | 99.0% |
| C5H13NO2 | 105-59-9 | Aladdin | 99.0% |
Disclaimer/Publisher’s Note: The statements, opinions and data contained in all publications are solely those of the individual author(s) and contributor(s) and not of MDPI and/or the editor(s). MDPI and/or the editor(s) disclaim responsibility for any injury to people or property resulting from any ideas, methods, instructions or products referred to in the content. |
© 2024 by the authors. Licensee MDPI, Basel, Switzerland. This article is an open access article distributed under the terms and conditions of the Creative Commons Attribution (CC BY) license (https://creativecommons.org/licenses/by/4.0/).
Share and Cite
Fan, J.; Zhang, X.; He, N.; Song, F.; Qu, H. Deep Eutectic Solvent + Water System in Carbon Dioxide Absorption. Molecules 2024, 29, 3579. https://doi.org/10.3390/molecules29153579
Fan J, Zhang X, He N, Song F, Qu H. Deep Eutectic Solvent + Water System in Carbon Dioxide Absorption. Molecules. 2024; 29(15):3579. https://doi.org/10.3390/molecules29153579
Chicago/Turabian StyleFan, Jing, Xin Zhang, Nan He, Fenhong Song, and Hongwei Qu. 2024. "Deep Eutectic Solvent + Water System in Carbon Dioxide Absorption" Molecules 29, no. 15: 3579. https://doi.org/10.3390/molecules29153579
APA StyleFan, J., Zhang, X., He, N., Song, F., & Qu, H. (2024). Deep Eutectic Solvent + Water System in Carbon Dioxide Absorption. Molecules, 29(15), 3579. https://doi.org/10.3390/molecules29153579
