Ultrasonic Auxiliary Ozone Oxidation-Extraction Desulfurization: A Highly Efficient and Stable Process for Ultra-Deep Desulfurization
Abstract
1. Introduction
2. Experimental Section
2.1. Materials
2.2. Catalyst Preparation
2.3. Catalyst Characterization
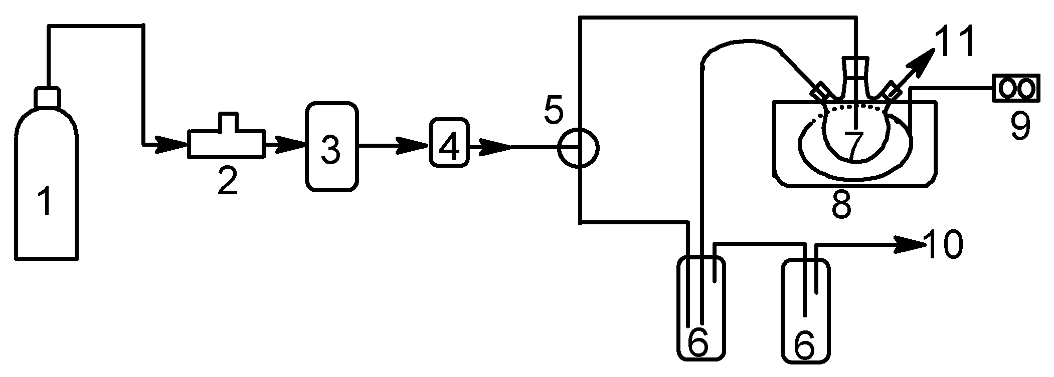
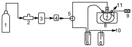
2.4. Experimental Method
3. Discussion
3.1. Characterizations of the Catalysts
3.2. Catalytic Performance Evaluation
3.3. Influence of Reaction Conditions
3.3.1. Effect of Temperature
3.3.2. Effect of Catalyst Dosage
3.3.3. Effect of Initial Sulfur Concentration
3.3.4. Effect of Ultrasonic Irradiation
3.3.5. Effect of Sulfide Species
3.3.6. Catalyst Reuse
4. Conclusions
Author Contributions
Funding
Institutional Review Board Statement
Informed Consent Statement
Data Availability Statement
Acknowledgments
Conflicts of Interest
Sample Availability
References
- Lü, H.; Zhang, Y.; Jiang, Z.; Li, C. Aerobic oxidative desulfurization of benzothiophene, dibenzothiophene and 4,6-dimethyldibenzothiophene using an Anderson-type catalyst [(C18H37)2N(CH3)2]5[IMo6O24]. Green. Chem. 2010, 12, 1954–1958. [Google Scholar] [CrossRef]
- Jiang, C.; Wang, J.; Wang, S.; Guan, H.; Wang, X.; Huo, M. Oxidative desulfurization of dibenzothiophene with dioxygen and reverse micellar peroxotitanium under mild conditions. Appl Catal. B Environ. 2011, 106, 343–349. [Google Scholar] [CrossRef]
- Wang, R.; Yu, F.; Zhang, G.; Zhao, H. Performance evaluation of the carbon nanotubes supported Cs2.5H0.5PW12O40 as efficient and recoverable catalyst for the oxidative removal of dibenzothiophene. Catal. Today 2010, 150, 37–41. [Google Scholar] [CrossRef]
- Jiang, Z.; Lü, H.; Zhang, Y.; Li, C.J. Oxidative desulfurization of fuel oils. Chin. J. Catal. 2011, 32, 707–715. [Google Scholar] [CrossRef]
- Oyama, S.T. Chemical and catalytic properties of ozone. Catal. Rev. 2000, 42, 279–322. [Google Scholar] [CrossRef]
- He, Z.; Cai, Q.; Hong, F.; Jiang, Z.; Chen, J.; Song, S. Effective Enhancement of the Degradation of Oxalic Acid by Catalytic Ozonation with TiO2 by Exposure of {001} Facets and Surface Fluorination. Ind. Eng. Chem. Res. 2012, 51, 5662–5668. [Google Scholar] [CrossRef]
- Hasan, M.T.; Senger, B.J.; Ryan, C.; Culp, M.; Gonzalez-Rodriguez, R.; Coffer, J.L.; Naumov, A.V. Optical band gap alteration of graphene oxide via ozone treatment. Sci. Rep. 2017, 7, 6411. [Google Scholar] [CrossRef]
- Gaudino, E.C.; Carnaroglio, D.; Boffa, L.; Cravotto, G.; Moreira, E.M.; Nunes, M.A.; Flores, E.M. Efficient H2O2/CH3COOH oxidative desulfurization/denitrification of liquid fuels in sonochemical flow-reactors. Ultrason. Sonochem. 2014, 21, 283–288. [Google Scholar] [CrossRef]
- Carnaroglio, D.; Gaudino, E.C.; Mantegna, S.; Moreira, E.M.; Vicente de Castro, A.; Flores, E.M.; Cravotto, G. Ultrasound-assisted oxidative desulfurization/denitrification of liquid fuels with solid oxidants. Energy Fuels 2014, 28, 1854–1859. [Google Scholar] [CrossRef]
- Enferadi-Kerenkan, T.; Do, O.; Kaliaguine, S. Heterogeneous catalysis by tungsten-based heteropoly compounds. Catal. Sci. Technol. 2018, 8, 2257–2284. [Google Scholar] [CrossRef]
- Shatalov, A.; Pereira, H. Polyoxometalate catalyzed ozonation of chemical pulps in organic solvent media. Chem. Eng. J. 2009, 155, 380–387. [Google Scholar] [CrossRef][Green Version]
- Shatalov, A.; Pereira, H. Molybdo-vanado-phosphate heteropolyanion catalyzed pulp ozonation in acetone/water solution. Part 2. Catalyst re-oxidation. Bioresour. Technol. 2010, 101, 9330–9334. [Google Scholar] [CrossRef]
- Craven, M.; Xiao, D.; Kunstmann-Olsen, C.; Kozhevnikova, E.F.; Blanc, F.; Steiner, A.; Kozhevnikov, I.V. Oxidative desulfurization of diesel fuel catalyzed by polyoxometalate immobilized on phosphazene-functionalized silica. Appl. Catal. B 2018, 231, 82–91. [Google Scholar] [CrossRef]
- Rafiee, E.; Nobakht, N.J. Keggin type heteropoly acid, encapsulated in metal-organic framework: A heterogeneous and recyclable nanocatalyst for selective oxidation of sulfides and deep desulfurization of model fuels. J. Mol. Catal. A Chem. 2015, 398, 17–25. [Google Scholar] [CrossRef]
- Shafiq, I.; Hussain, M.; Rashid, R.; Shafique, S.; Akhter, P.; Yang, W.; Park, Y.K. Development of hierarchically porous LaVO4 for efficient visible-light-driven photocatalytic desulfurization of diesel. Chem. Eng. J. 2021, 420, 130529. [Google Scholar] [CrossRef]
- Li, S.W.; Wang, W.; Zhao, J.S. Effective and reusable oxidative desulfurization of dibenzothiophene via magnetic amino-MIL-101 supported H3PMo6W6O40 components: Comparison influence on various types of MIL-101. Energy Fuels 2020, 34, 4837–4848. [Google Scholar] [CrossRef]
- Li, S.W.; Zhang, H.Y.S.M.; Dong, J.S.; Zhao, R.X.; Li, J. Highly efficient preformed heteropolyacid catalysts for the deep oxidative desulfurization: MOF as a bridge role under nucleation theory. Environ. Chem. Eng. 2022, 10, 107298. [Google Scholar] [CrossRef]
- Wang, R.; Zhao, Y.; Kozhevnikov, I.V.; Zhao, J. An ultrasound enhanced catalytic ozonation process for the ultra-deep desulfurization of diesel oil. New J. Chem. 2020, 44, 15467–15474. [Google Scholar] [CrossRef]
- Micek-Ilnicka, A.J. The role of water in the catalysis on solid heteropolyacids. J. Mol. Catal. A Chem. 2009, 308, 1–14. [Google Scholar] [CrossRef]
- Wang, Z.P.; Niu, J.Y.; Xu, L. Thermal properties study of Keggin structured heteropolyacids. Chim. Sin. 1995, 53, 757–764. [Google Scholar]
- Wu, Q.; Song, Y.; Wang, E. Application of tungsten acid in butyl synthesis. Chem. Reagent 1993, 15, 4–5. (In Chinese) [Google Scholar]
- Baronetti, G.; Briand, L.; Sedran, U.; Thomas, H. Heteropolyacid-based catalysis. Dawson acid for MTBE synthesis in gas phase. Appl. Catal. A Gen. 1998, 172, 265–272. [Google Scholar] [CrossRef]
- Rocchiccioli-Deltcheff, C.; Fournier, M.; Franck, R.; Thouvenot, R. Vibrational investigations of polyoxometalates. 2. Evidence for anion-anion interactions in molybdenum (VI) and tungsten (VI) compounds related to the Keggin structure. Inorg. Chem. 1983, 22, 207–216. [Google Scholar] [CrossRef]
- Hodjati, S.; Vaezzadeh, K.; Petit, C.; Pitchon, V.; Kiennemann, A. The mechanism of the selective NOx sorption on H3PW12O40·6H2O (HPW). Top. Catal. 2001, 16, 151–155. [Google Scholar] [CrossRef]
- Sun, Y.; Liu, S.X.; Liang, D.D.; Shao, K.Z.; Ren, Y.H.; Su, Z.M. Highly stable crystalline catalysts based on a microporous metal− organic framework and polyoxometalates. J. Am. Chem. Soc. 2009, 131, 1883–1888. [Google Scholar] [CrossRef]
- Hu, Y.Y.; Xiao, L.N.; Wang, Y.; Zhao, D.C.; Wang, L.M.; Guo, H.Y.; Gui, X.B.; Xu, J.Q. New compounds based on polyoxometalates and transition metal complexes with a lower positive charge. Polyhedron 2013, 56, 152–159. [Google Scholar] [CrossRef]
- Wu, Q.; Tao, S.; Lin, H.; Meng, G. Preparation and conductivity of solid high-proton conductor silica gels containing 12-tungstogermanic heteropoly acid. Mater. Sci. Eng. B 2000, 68, 161–165. [Google Scholar] [CrossRef]
- Misono, M. Heterogeneous catalysis by heteropoly compounds of molybdenum and tungsten. Catal. Rev. 1987, 29, 269–321. [Google Scholar] [CrossRef]
- Hanif, M.A.; Nisar, S.; Rashid, U. Supported solid and heteropoly acid catalysts for production of biodiesel. Catal. Rev. 2017, 59, 165–188. [Google Scholar] [CrossRef]
- Mello, P.D.A.; Duarte, F.A.; Nunes, M.A.; Alencar, M.S.; Moreira, E.M.; Korn, M.; Dresslera, V.L.; Flores, É.M. Ultrasound-assisted oxidative process for sulfur removal from petroleum product feedstock. Ultrason. Sonochem. 2009, 16, 732–736. [Google Scholar] [CrossRef]
- Otsuki, S.; Nonaka, T.; Takashima, N.; Qian, W.; Ishihara, A.; Imai, T.; Kabe, T. Oxidative desulfurization of light gas oil and vacuum gas oil by oxidation and solvent extraction. Energy Fuels 2000, 14, 1232–1239. [Google Scholar] [CrossRef]
- Zhang, G.; Wang, R.; Yu, F.; Zhao, H. Clean fuel-oriented investigation of thiophene oxidation by hydrogen peroxide using polyoxometalate as catalyst. Chem. Pap. 2009, 63, 617–619. [Google Scholar] [CrossRef]











| Catalyst | Surface Area [m2/ g] | Surface Area BJHAds [m2/ g] | Surface Area BJHDes [m2/g] | Pore Size BJHAds [nm] |
|---|---|---|---|---|
| H4GeW12O40 | 2.21 | 2.57 | 2.09 | 4.9 |
| Catalyst | Pore size BJHDes [nm] | Pore volume BJHAds [cm3/g] | Pore volume BJHDes [cm3/g] | |
| H4GeW12O40 | 6.5 | 0.032 | 0.031 |
| Catalyst | Efficiency (%) |
|---|---|
| H3PW12O40 | 89.3 |
| H3PMo12O40 | 93.3 |
| H4SiW12O40 | 85.7 |
| H4GeW12O40 | 86.4 |
| none | 73.9 |
Publisher’s Note: MDPI stays neutral with regard to jurisdictional claims in published maps and institutional affiliations. |
© 2022 by the authors. Licensee MDPI, Basel, Switzerland. This article is an open access article distributed under the terms and conditions of the Creative Commons Attribution (CC BY) license (https://creativecommons.org/licenses/by/4.0/).
Share and Cite
Wang, R.; Zhang, K.; Kozhevnikov, I.V. Ultrasonic Auxiliary Ozone Oxidation-Extraction Desulfurization: A Highly Efficient and Stable Process for Ultra-Deep Desulfurization. Molecules 2022, 27, 7889. https://doi.org/10.3390/molecules27227889
Wang R, Zhang K, Kozhevnikov IV. Ultrasonic Auxiliary Ozone Oxidation-Extraction Desulfurization: A Highly Efficient and Stable Process for Ultra-Deep Desulfurization. Molecules. 2022; 27(22):7889. https://doi.org/10.3390/molecules27227889
Chicago/Turabian StyleWang, Rui, Kaiqing Zhang, and Ivan V. Kozhevnikov. 2022. "Ultrasonic Auxiliary Ozone Oxidation-Extraction Desulfurization: A Highly Efficient and Stable Process for Ultra-Deep Desulfurization" Molecules 27, no. 22: 7889. https://doi.org/10.3390/molecules27227889
APA StyleWang, R., Zhang, K., & Kozhevnikov, I. V. (2022). Ultrasonic Auxiliary Ozone Oxidation-Extraction Desulfurization: A Highly Efficient and Stable Process for Ultra-Deep Desulfurization. Molecules, 27(22), 7889. https://doi.org/10.3390/molecules27227889

