Bifurcation and Entropy Analysis of a Chaotic Spike Oscillator Circuit Based on the S-Switch
Abstract
1. Introduction
2. Methods
2.1. Chaotic LIF Oscillator Model
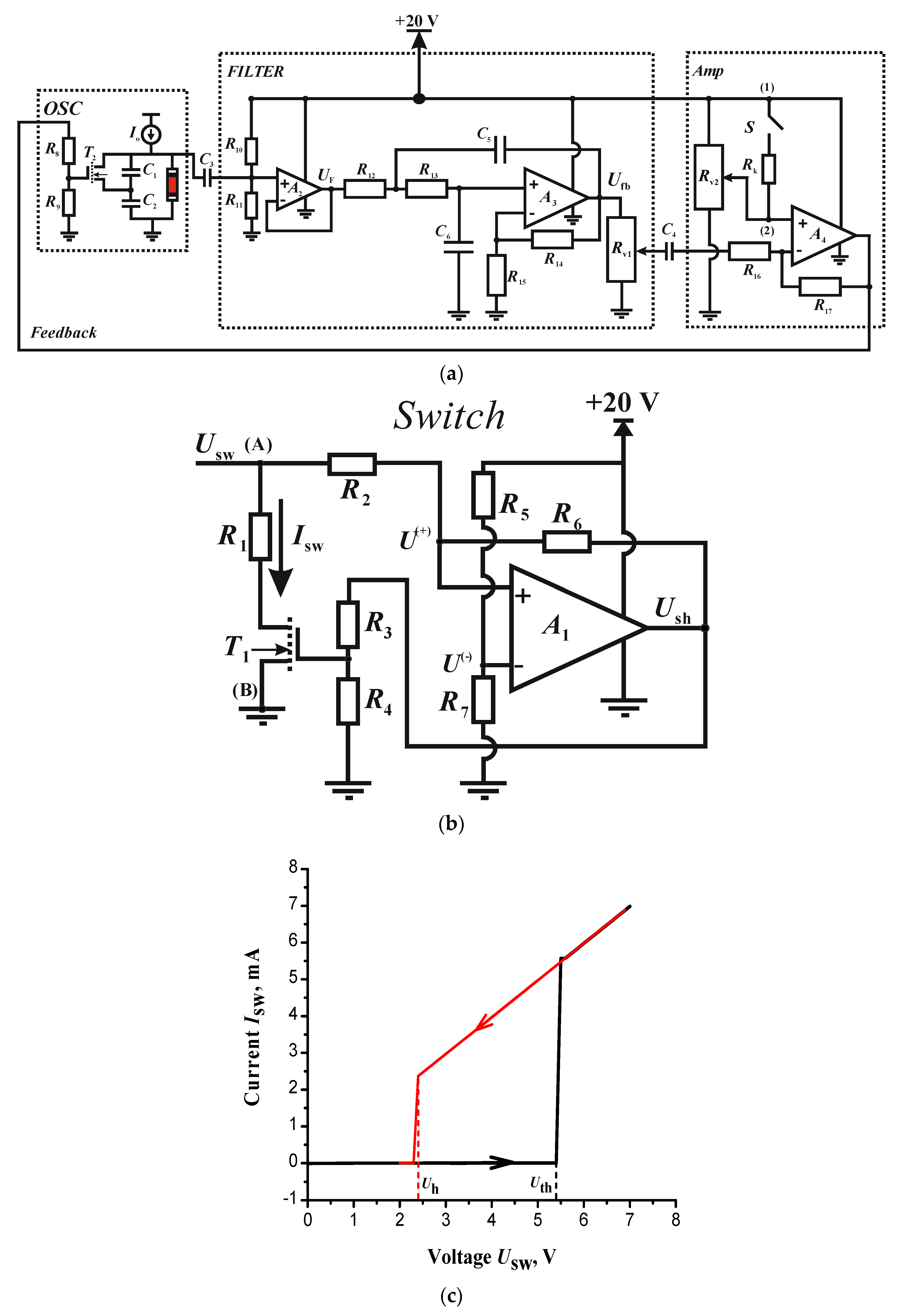
2.2. Chaotic LIF Oscillator Circuit
2.3. LogNNet and Entropy NNetEN of Chaotic Time Series
3. Results
3.1. Chaotic Oscillator Model
3.2. Chaotic Oscillator Circuit
3.2.1. Steady State Analysis
3.2.2. Transient State Analysis
4. Discussion
5. Conclusions
Supplementary Materials
Author Contributions
Funding
Institutional Review Board Statement
Informed Consent Statement
Data Availability Statement
Acknowledgments
Conflicts of Interest
References
- Baptista, M.S. Cryptography with Chaos. Phys. Lett. A 1998, 240, 50–54. [Google Scholar] [CrossRef]
- Amigó, J.M.; Kocarev, L.; Szczepanski, J. Theory and Practice of Chaotic Cryptography. Phys. Lett. A 2007, 366, 211–216. [Google Scholar] [CrossRef]
- Huang, Z.-W.; Zhou, N.-R. Image Encryption Scheme Based on Discrete Cosine Stockwell Transform and DNA-Level Modulus Diffusion. Opt. Laser Technol. 2022, 149, 107879. [Google Scholar] [CrossRef]
- Steingrube, S.; Timme, M.; Wörgötter, F.; Manoonpong, P. Self-Organized Adaptation of a Simple Neural Circuit Enables Complex Robot Behaviour. Nat. Phys. 2010, 6, 224–230. [Google Scholar] [CrossRef]
- Li, M.; He, Y.; Yuan, L. Fault Diagnosis of Analog Circuit Based on Wavelet Neural Networks and Chaos Differential Evolution Algorithm. In Proceedings of the 2010 International Conference on Electrical and Control Engineering, Wuhan, China, 25–27 June 2010; pp. 986–989. [Google Scholar] [CrossRef]
- Canaday, D.; Griffith, A.; Gauthier, D.J. Rapid Time Series Prediction with a Hardware-Based Reservoir Computer. Chaos Interdiscip. J. Nonlinear Sci. 2018, 28, 123119. [Google Scholar] [CrossRef]
- Bi, Z.; Wang, Y. Method of Flatness Pattern Recognition Based on Chaos Particle Swarm Algorithm Optimization Elman Network. In Proceedings of the 2016 International Conference on Artificial Intelligence and Engineering Applications, Hong Kong, China, 2–13 November 2016; Atlantis Press: Paris, France, 2016. [Google Scholar]
- Fang, X.; Duan, S.; Wang, L. Memristive Hodgkin-Huxley Spiking Neuron Model for Reproducing Neuron Behaviors. Front. Neurosci. 2021, 15, 730566. [Google Scholar] [CrossRef]
- Gonzàlez-Miranda, J.M. Complex Bifurcation Structures in the Hindmarsh–Rose Neuron Model. Int. J. Bifurc. Chaos 2007, 17, 3071–3083. [Google Scholar] [CrossRef]
- Zheng, G.; Tonnelier, A. Chaotic Solutions in the Quadratic Integrate-and-Fire Neuron with Adaptation. Cogn. Neurodyn. 2009, 3, 197–204. [Google Scholar] [CrossRef][Green Version]
- Wang, D. Relaxation Oscillators and Networks. In Wiley Encyclopedia of Electrical and Electronics Engineering; Webster, J., Ed.; John Wiley & Sons, Inc.: Hoboken, NJ, USA, 1999; pp. 396–405. [Google Scholar]
- Lim, H.; Kornijcuk, V.; Seok, J.Y.; Kim, S.K.; Kim, I.; Hwang, C.S.; Jeong, D.S. Reliability of Neuronal Information Conveyed by Unreliable Neuristor-Based Leaky Integrate-and-Fire Neurons: A Model Study. Sci. Rep. 2015, 5, 9776. [Google Scholar] [CrossRef]
- Boriskov, P.; Velichko, A. Switch Elements with S-Shaped Current-Voltage Characteristic in Models of Neural Oscillators. Electronics 2019, 8, 922. [Google Scholar] [CrossRef]
- Wijekoon, J.H.B.; Dudek, P. Compact Silicon Neuron Circuit with Spiking and Bursting Behaviour. Neural Networks 2008, 21, 524–534. [Google Scholar] [CrossRef] [PubMed]
- Zare, M.; Zafarkhah, E.; Anzabi-Nezhad, N.S. An Area and Energy Efficient LIF Neuron Model with Spike Frequency Adaptation Mechanism. Neurocomputing 2021, 465, 350–358. [Google Scholar] [CrossRef]
- del Valle, J.; Ramírez, J.G.; Rozenberg, M.J.; Schuller, I.K. Challenges in Materials and Devices for Resistive-Switching-Based Neuromorphic Computing. J. Appl. Phys. 2018, 124, 211101. [Google Scholar] [CrossRef]
- Yang, J.J.; Pickett, M.D.; Li, X.; Ohlberg, D.A.A.; Stewart, D.R.; Williams, R.S. Memristive Switching Mechanism for Metal/Oxide/Metal Nanodevices. Nat. Nanotechnol. 2008, 3, 429–433. [Google Scholar] [CrossRef]
- Samardzic, N.M.; Bajic, J.S.; Sekulic, D.L.; Dautovic, S. Volatile Memristor in Leaky Integrate-and-Fire Neurons: Circuit Simulation and Experimental Study. Electronics 2022, 11, 894. [Google Scholar] [CrossRef]
- Fang, X.; Liu, D.; Duan, S.; Wang, L. Memristive LIF Spiking Neuron Model and Its Application in Morse Code. Front. Neurosci. 2022, 16, 853010. [Google Scholar] [CrossRef]
- Temple, V.A.K. MOS Controlled Thyristors (MCT’s). In Proceedings of the 1984 International Electron Devices Meeting, San Francisco, CA, USA, 9–12 December 1984; pp. 282–285. [Google Scholar]
- Nakajima, K. Physical Reservoir Computing—An Introductory Perspective. Jpn. J. Appl. Phys. 2020, 59, 060501. [Google Scholar] [CrossRef]
- Legenstein, R.; Maass, W. Edge of Chaos and Prediction of Computational Performance for Neural Circuit Models. Neural Netw. 2007, 20, 323–334. [Google Scholar] [CrossRef]
- Wijesinghe, P.; Srinivasan, G.; Panda, P.; Roy, K. Analysis of Liquid Ensembles for Enhancing the Performance and Accuracy of Liquid State Machines. Front. Neurosci. 2019, 13, 504. [Google Scholar] [CrossRef]
- Jensen, J.H.; Tufte, G. Reservoir Computing with a Chaotic Circuit. In Proceedings of the Artificial Life Conference Proceedings; MIT Press: Cambridge, MA, USA, 2017; pp. 222–229. [Google Scholar]
- Appeltant, L.; Soriano, M.C.; Van der Sande, G.; Danckaert, J.; Massar, S.; Dambre, J.; Schrauwen, B.; Mirasso, C.R.; Fischer, I. Information Processing Using a Single Dynamical Node as Complex System. Nat. Commun. 2011, 2, 468. [Google Scholar] [CrossRef]
- Marković, D.; Leroux, N.; Riou, M.; Abreu Araujo, F.; Torrejon, J.; Querlioz, D.; Fukushima, A.; Yuasa, S.; Trastoy, J.; Bortolotti, P.; et al. Reservoir Computing with the Frequency, Phase, and Amplitude of Spin-Torque Nano-Oscillators. Appl. Phys. Lett. 2019, 114, 012409. [Google Scholar] [CrossRef]
- Velichko, A. Neural Network for Low-Memory IoT Devices and MNIST Image Recognition Using Kernels Based on Logistic Map. Electronics 2020, 9, 1432. [Google Scholar] [CrossRef]
- Velichko, A. A Method for Medical Data Analysis Using the LogNNet for Clinical Decision Support Systems and Edge Computing in Healthcare. Sensors 2021, 21, 6209. [Google Scholar] [CrossRef] [PubMed]
- Velichko, A.; Heidari, H. A Method for Estimating the Entropy of Time Series Using Artificial Neural Networks. Entropy 2021, 23, 1432. [Google Scholar] [CrossRef] [PubMed]
- Boriskov, P. Chaotic LIF Oscillator with Variable Resistance Feedback and Nonlinear Rate Coding. IEEE Trans. Circuits Syst. II Express Briefs 2022, 69, 2982–2986. [Google Scholar] [CrossRef]
- Velichko, A.; Boriskov, P. Concept of LIF Neuron Circuit for Rate Coding in Spike Neural Networks. IEEE Trans. Circuits Syst. II Express Briefs 2020, 67, 3477–3481. [Google Scholar] [CrossRef]
- Darabi, H. Radio Frequency Integrated Circuits and Systems, 2nd ed.; Cambridge University Press: Cambridge, UK, 2020. [Google Scholar]
- LeCun, Y.; Cortes, C.; Burges, C. MNIST Handwritten Digit Database. Available online: http://yann.lecun.com/exdb/mnist/ (accessed on 9 November 2018).
- Heidari, H.; Velichko, A. Novel Techniques for Improvement the NNetEn Entropy Calculation for Short and Noisy Time Series. arxiv 2022, arXiv:2202.12703. [Google Scholar]
- Gong, L.; Wu, R.; Zhou, N. A New 4D Chaotic System with Coexisting Hidden Chaotic Attractors. Int. J. Bifurc. Chaos 2020, 30, 2050142. [Google Scholar] [CrossRef]
- Gong, L.-H.; Luo, H.-X.; Wu, R.-Q.; Zhou, N.-R. New 4D Chaotic System with Hidden Attractors and Self-Excited Attractors and Its Application in Image Encryption Based on RNG. Phys. A Stat. Mech. Appl. 2022, 591, 126793. [Google Scholar] [CrossRef]
- Buscarino, A.; Fortuna, L.; Frasca, M.; Valentina Gambuzza, L. A Chaotic Circuit Based on Hewlett-Packard Memristor. Chaos Interdiscip. J. Nonlinear Sci. 2012, 22, 23136. [Google Scholar] [CrossRef] [PubMed]
- Ostrovskii, V.Y.; Tutueva, A.V.; Rybin, V.G.; Karimov, A.I.; Butusov, D.N. Continuation Analysis of Memristor-Based Modified Chua’s Circuit. In Proceedings of the 2020 International Conference Nonlinearity, Information and Robotics (NIR), Innopolis, Russia, 3–6 December 2020; pp. 1–5. [Google Scholar]
- Coombes, S. Liapunov Exponents and Mode-Locked Solutions for Integrate-and-Fire Dynamical Systems. Phys. Lett. A 1999, 255, 49–57. [Google Scholar] [CrossRef][Green Version]








| S-Switch | |||||||||||
|---|---|---|---|---|---|---|---|---|---|---|---|
| Uth, Ith | Uh, Ih | Ron | Roff | Io | C1, C2 | Lsw | KF | Kfb | Los | Ros | Cos |
| 4 V 0.1 mA | 2 V 10 mA | 200 Ω | 40 kΩ | 0.15 mA | 0.01 µF 1 µF | 0.1 µH | 1 V·A−1 | −100 kΩ·V−1 | 1 mH | 1 Ω | 100 µF |
| Schmitt Trigger S-Switch (Figure 2b) | Io | C1, C2 | C3, C4, C5, C6 | R8, R9 | R10, R11 | R12, R13 | R14, R15 | R16, R17 | RV1, RV2 | Rk | ||
|---|---|---|---|---|---|---|---|---|---|---|---|---|
| R1, R2 | R3, R4 | R5, R6, R7 | ||||||||||
| 1 kΩ 100 kΩ | 39 kΩ | 300 kΩ 500 kΩ 100 kΩ | 0.5 mA | 22 nF 1 µF | 0.1 µF | 1 kΩ 100 kΩ | 510 kΩ 180 kΩ | 20 kΩ 0.5 kΩ | 10 kΩ | 100 kΩ | 0 ÷ 10 kΩ 0 ÷ 50 kΩ | 10 kΩ |
| Amplifiers A1–A4 | MOSFETs T1 and T2 | |||||||||||
| TL082CP | ZVN2120 | |||||||||||
Publisher’s Note: MDPI stays neutral with regard to jurisdictional claims in published maps and institutional affiliations. |
© 2022 by the authors. Licensee MDPI, Basel, Switzerland. This article is an open access article distributed under the terms and conditions of the Creative Commons Attribution (CC BY) license (https://creativecommons.org/licenses/by/4.0/).
Share and Cite
Boriskov, P.; Velichko, A.; Shilovsky, N.; Belyaev, M. Bifurcation and Entropy Analysis of a Chaotic Spike Oscillator Circuit Based on the S-Switch. Entropy 2022, 24, 1693. https://doi.org/10.3390/e24111693
Boriskov P, Velichko A, Shilovsky N, Belyaev M. Bifurcation and Entropy Analysis of a Chaotic Spike Oscillator Circuit Based on the S-Switch. Entropy. 2022; 24(11):1693. https://doi.org/10.3390/e24111693
Chicago/Turabian StyleBoriskov, Petr, Andrei Velichko, Nikolay Shilovsky, and Maksim Belyaev. 2022. "Bifurcation and Entropy Analysis of a Chaotic Spike Oscillator Circuit Based on the S-Switch" Entropy 24, no. 11: 1693. https://doi.org/10.3390/e24111693
APA StyleBoriskov, P., Velichko, A., Shilovsky, N., & Belyaev, M. (2022). Bifurcation and Entropy Analysis of a Chaotic Spike Oscillator Circuit Based on the S-Switch. Entropy, 24(11), 1693. https://doi.org/10.3390/e24111693

