A Study on Railway Surface Defects Detection Based on Machine Vision
Abstract
:1. Introduction
2. Theoretical Background
3. Proposed Method
3.1. Technical Route
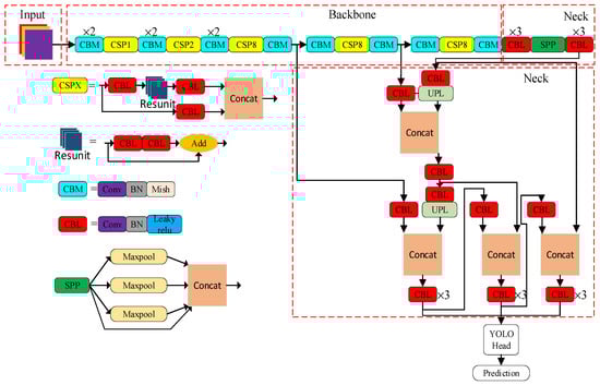
3.2. YOLOv4 Backbone Network Adaptability Improvement
3.3. Adaptability Improvement of PANet Layer in YOLOv4
4. Case Studies
4.1. Image Acquisition
4.2. Establish a Detection Model for Rail Surface Defects
4.3. Result Analysis
5. Conclusions
- (1)
- In order to reduce the weight of the rail surface defect detection network, the YOLOv4 algorithm was improved. The backbone network of YOLOv4 was optimized, and the PANet layer in YOLOv4 was lightened and improved. It reduced the algorithm parameters, increased the detection speed and reduced the model size.
- (2)
- In order to solve the problem of small objects detection, the improved YOLOv4 method was used in rail surface defect detection. The test results verified the effectiveness of the method.
- (3)
- Establish training and test datasets and adding Gaussian noise processing to the datasets let us conduct the detection case studies. The analysis results showed that, compared with the traditional detection method, the proposed method had a higher detection accuracy.
Author Contributions
Funding
Institutional Review Board Statement
Informed Consent Statement
Data Availability Statement
Acknowledgments
Conflicts of Interest
References
- Nenov, N.; Dimitrov, E.; Vasilev, V.; Piskulev, P. Sensor system of detecting defects in wheels of railway vehicles running at operational speed. In Proceedings of the 2011 34th International Spring Seminar on Electronics Technology, Tratanska Lomnica, Slovakia, 11–15 May 2011; pp. 577–582. [Google Scholar]
- Li, Y.; Trinh, H.; Haas, N.; Otto, C.; Pankanti, S. Rail component detection, optimization, and assessment for automatic rail track inspection. IEEE Trans. Intell. Transp. Syst. 2014, 15, 760–770. [Google Scholar]
- Molodova, M.; Li, Z.; Nunez, A.; Dollevoet, R. Automatic detection of squats in railway infrastructure. IEEE Trans. Intell. Transp. Syst. 2014, 15, 1980–1990. [Google Scholar] [CrossRef] [Green Version]
- Badran, W.; Nietlispach, U. Wayside train monitoring systems: Networking for greater safety. Glob. Railw. Rev. 2011, 17, 14–21. [Google Scholar]
- Ho, T.K.; Liu, S.Y.; Ho, Y.T.; Ho, K.H.; Wong, K.K.; Lee, K.Y.; Tam, H.Y.; Ho, S.L. Signature analysis on wheel-rail interaction for rail defect detection. In Proceedings of the 2008 4th IET International Conference on Railway Condition Monitoring, Derby, UK, 18–20 June 2008; pp. 1–6. [Google Scholar]
- Clark, R. Rail flaw detection: Overview and needs for future developments. NDT E Int. 2004, 37, 111–118. [Google Scholar] [CrossRef]
- Song, Z.; Yamada, T.; Shitara, H.; Takemura, Y. Detection of damage and crack in railhead by using eddy current testing. J. Electromagn. Anal. Appl. 2011, 3, 546–550. [Google Scholar] [CrossRef] [Green Version]
- Lorente, A.G.; Llorca, D.F.; Velasco, M.G.; García, J.A.R.; Domínguez, F.S. Detection of range-based rail gage and missing rail fasteners: Use of high-resolution two- and three-dimensional images. Transp. Res. Rec. 2014, 2448, 125–132. [Google Scholar] [CrossRef]
- Lohmeier, S.P.; Rajaraman, R.; Ramasami, V.C. Development of an ultra-wideband radar system for vehicle detection at railway crossings. IEEE Int. Geosci. Remote Sens. Symp. 2002, 6, 3692–3694. [Google Scholar]
- Chen, Y.R.; Chao, K.; Kim, M.S. Machine vision technology for agricultural applications. Comput. Electron. Agric. 2002, 36, 173–191. [Google Scholar] [CrossRef] [Green Version]
- Li, Q.; Ren, S. A real-time visual inspection system for discrete surface defects of rail heads. IEEE Trans. Instrum. Meas. 2012, 61, 2189–2199. [Google Scholar] [CrossRef]
- Min, Y.Z.; Yue, B.; Ma, H.F. Rail surface defects detection based on gray scale gradient characteristics of image. Chin. J. Instrum. 2018, 9, 220–229. [Google Scholar]
- Wang, F.; Xu, T.; Tang, T.; Zhou, M.; Wang, H. Bilevel feature extraction-based text mining for fault diagnosis of railway systems. IEEE Trans. Intell. Transp. Syst. 2017, 18, 49–58. [Google Scholar] [CrossRef]
- Banik, P.P.; Saha, R.; Kim, K.D. An Automatic Nucleus Segmentation and CNN model based classification method of white blood cell. Expert Syst. Appl. 2020, 149, 113211. [Google Scholar] [CrossRef]
- Li, Q.; Ren, S. A visual detection system for rail surface defects. IEEE Trans. Syst. Man Cybern. Part C 2012, 42, 1531–1542. [Google Scholar] [CrossRef]
- Meng, Z.; Shi, G.; Wang, F. Vibration response and fault characteristics analysis of gear based on time-varying mesh stiffness. Mech. Mach. Teory. 2020, 148, 103786. [Google Scholar] [CrossRef]
- Liu, J.; Li, B.; Xiong, Y.; He, B.; Li, L. Integrating the symmetry image and improved sparse representation for railway fastener classification and defect recognition. Math. Probl. Eng. 2015, 2015, 462528. [Google Scholar] [CrossRef]
- Cui, H.; Li, J.; Hu, Q.; Mao, Q. Real-time inspection system for ballast railway fasteners based on point cloud deep learning. IEEE Access 2020, 8, 61604–61614. [Google Scholar] [CrossRef]
- Sun, X.; Gu, J.; Huang, R.; Zou, R.; Palomares, B.G. Surface defects recognition of wheel hub based on improved Faster R-CNN. Electronics 2019, 8, 481. [Google Scholar] [CrossRef] [Green Version]
- Lu, J.; Liang, B.; Lei, Q.J.; Li, X.H.; Liu, J.H.; Liu, J.; Xu, J.; Wang, W.J. SCueU-Net: Efficient damage detection method for railway rail. IEEE Access 2020, 8, 125109–125120. [Google Scholar] [CrossRef]
- Yuan, H.; Chen, H.; Liu, S.; Lin, J.; Luo, X. A deep convolutional neural network for detection of rail surface defect. In Proceedings of the 2019 IEEE Vehicle Power and Propulsion Conference, Hanoi, Vietnam, 14–17 October 2019; pp. 1–4. [Google Scholar]
- Faghih-Roohi, S.; Hajizadeh, S.; Núñez, A.; Babuska, R.; Schutter, B.D. Deep convolutional neural networks for detection of rail surface defects. In Proceedings of the 2016 International Joint Conference on Neural Networks, Vancouver, BC, Canada, 24–29 July 2016; pp. 2584–2589. [Google Scholar]
- Yanan, S.; Hui, Z.; Li, L.; Hang, Z. Rail Surface Defect Detection Method Based on YOLOv3 deep learning networks. In Proceedings of the 2018 Chinese Automation Congress, Xi’an, China, 30 November–2 December 2018; pp. 1563–1568. [Google Scholar]
- Bochkovskiy, A.; Wang, C.Y.; Liao, H.Y.M. YOLOv4: Optimal speed and accuracy of object detection. arXiv 2020, arXiv:2004.10934. [Google Scholar]
- Redmon, J.; Farhadi, A. YOLOv3: An Incremental Improvement. arXiv 2018, arXiv:1804.02767. [Google Scholar]
- Ren, S.; He, K.; Girshick, R.; Sun, J. Faster R-CNN: Towards real-time object detection with region proposal networks. arXiv 2016, arXiv:1506.01497. [Google Scholar] [CrossRef] [PubMed] [Green Version]
- Girshick, R.; Donahue, J.; Darrell, T.; Malik, J. Rich feature hierarchies for accurate object detection and semantic segmentation. In Proceedings of the IEEE Conference on Computer Vision and Pattern Recognition, Columbus, OH, USA, 23–28 June 2014; pp. 580–587. [Google Scholar]
- Uijlings, J.R.R.; Sande, K.E.A.; Gevers, T.; Smeulders, A.W.M. Selective search for object recognition. Int. J. Comput. Vis. 2013, 104, 154–171. [Google Scholar] [CrossRef] [Green Version]
- Zitnick, C.L.; Dollár, P. Edge boxes: Locating object proposals from edges. In Proceedings of the European Conference on Computer Vision, Zurich, Switzerland, 6–12 September 2014; p. 8693. [Google Scholar]
- Chollet, F. Xception: Deep learning with depthwise separable convolutions. In Proceedings of the 2017 IEEE Conference on Computer Vision and Pattern Recognition, Honolulu, HI, USA, 21–26 July 2017; pp. 1800–1807. [Google Scholar]












| Camera Model | TVI-LCM-01 |
|---|---|
| Voltage input range | 2-K linear array image acquisition module |
| power | 20–30 V DC |
| Protection class | 120 W |
| Working temperature | −20 °C to + 70 °C |
| storage temperature | −40 °C to + 85 °C |
| Project | Environment |
|---|---|
| Development language | Python 3.9 |
| Development framework | PyTorch1.2 |
| CPU | Intel(R) i7-9700 CPU @ 3.00 GHz |
| GPU | NVIDIA GeForce RTX 2080 Ti |
| Running memory | 16 GB |
| Hard disk size | 1 TB |
| Method | mAP | FPS (Hz) | Volume (MB) | ||
|---|---|---|---|---|---|
| Faster R-CNN | 89.36% | 79.07% | 87.32% | 12.26 | 521.8 |
| Mask R-CNN | 90.62% | 81.36% | 89.18% | 5.60 | 245.4 |
| YOLOv3 | 87.23% | 77.27% | 86.74% | 28.40 | 234.2 |
| YOLOv4 | 92.48% | 81.40% | 90.98% | 34.28 | 244.1 |
| YOLOv5 | 93.06% | 82.08% | 92.16% | 37.32 | 185.6 |
| The proposed method | 94.24% | 82.56% | 93.21% | 44.64 | 53.6 |
| Method | mAP | FPS (Hz) | Volume (MB) | ||
|---|---|---|---|---|---|
| Faster R-CNN | 82.61% | 75.22% | 85.08% | 12.31 | 521.8 |
| Mask R-CNN | 88.26% | 77.93% | 86.92% | 5.53 | 245.4 |
| YOLOv3 | 80.02% | 72.73% | 83.10% | 27.07 | 234.2 |
| YOLOv4 | 90.48% | 79.36% | 87.23% | 35.92 | 244.1 |
| YOLOv5 | 91.62% | 80.14% | 90.08% | 38.54 | 13.6 |
| The proposed method | 92.44% | 80.27% | 88.42% | 42.78 | 53.6 |
| Method | mAP | FPS (Hz) | Volume (MB) | ||
|---|---|---|---|---|---|
| Faster R-CNN | 79.35% | 71.52% | 80.65% | 11.80 | 521.8 |
| Mask R-CNN | 85.48% | 72.30% | 81.23% | 5.47 | 245.4 |
| YOLOv3 | 75.36% | 68.18% | 74.40% | 28.33 | 234.2 |
| YOLOv4 | 88.89% | 72.73% | 83.02% | 32.35 | 244.1 |
| YOLOv5 | 91.62% | 80.14% | 90.08% | 36.00 | 13.6 |
| The proposed method | 89.92% | 79.63% | 84.28% | 43.42 | 53.6 |
Publisher’s Note: MDPI stays neutral with regard to jurisdictional claims in published maps and institutional affiliations. |
© 2021 by the authors. Licensee MDPI, Basel, Switzerland. This article is an open access article distributed under the terms and conditions of the Creative Commons Attribution (CC BY) license (https://creativecommons.org/licenses/by/4.0/).
Share and Cite
Bai, T.; Gao, J.; Yang, J.; Yao, D. A Study on Railway Surface Defects Detection Based on Machine Vision. Entropy 2021, 23, 1437. https://doi.org/10.3390/e23111437
Bai T, Gao J, Yang J, Yao D. A Study on Railway Surface Defects Detection Based on Machine Vision. Entropy. 2021; 23(11):1437. https://doi.org/10.3390/e23111437
Chicago/Turabian StyleBai, Tangbo, Jialin Gao, Jianwei Yang, and Dechen Yao. 2021. "A Study on Railway Surface Defects Detection Based on Machine Vision" Entropy 23, no. 11: 1437. https://doi.org/10.3390/e23111437
APA StyleBai, T., Gao, J., Yang, J., & Yao, D. (2021). A Study on Railway Surface Defects Detection Based on Machine Vision. Entropy, 23(11), 1437. https://doi.org/10.3390/e23111437

