Sign in to use this feature.

Years

Between: -

Subjects

remove_circle_outline
remove_circle_outline
remove_circle_outline
remove_circle_outline
remove_circle_outline
remove_circle_outline

Journals

Article Types

Countries / Regions

Search Results (9)

Search Parameters:
Keywords = thermal capillary waves

Order results
Result details
Results per page
Select all
Export citation of selected articles as:
10 pages, 2849 KB  
Article
A Liquid Mirror Resonator
by Elad Haber, Mark Douvidzon, Shai Maayani and Tal Carmon
Micromachines 2023, 14(3), 624; https://doi.org/10.3390/mi14030624 - 8 Mar 2023
Cited by 1 | Viewed by 2186
Abstract
We present the first experimental demonstration of a Fabry‒Perot resonator that utilizes total internal reflection from a liquid–gas interface. Our hybrid resonator hosts both optical and capillary waves that mutually interact. Except for the almost perfect reflection by the oil–air interface at incident [...] Read more.
We present the first experimental demonstration of a Fabry‒Perot resonator that utilizes total internal reflection from a liquid–gas interface. Our hybrid resonator hosts both optical and capillary waves that mutually interact. Except for the almost perfect reflection by the oil–air interface at incident angles smaller than the critical angle, reflections from the liquid-phase boundary permit optically examining thermal fluctuations and capillary waves at the oil surface. Characterizing our optocapillary Fabry‒Perot reveals optical modes with transverse cross-sectional areas of various shapes and longitudinal modes that are separated by the free spectral range. The optical finesse of our hybrid optocapillary resonator is Fo = 60, the optical quality factor is Qo = 20 million, and the capillary quality factor is Qc = 6. By adjusting the wavelength of our laser near the optical resonance wavelength, we measure the liquid’s Brownian fluctuations. As expected, the low-viscosity liquid exhibits a distinct frequency of capillary oscillation, indicating operation in the underdamped regime. Conversely, going to the overdamped regime reveals no such distinct capillary frequency. Our optocapillary resonator might impact fundamental studies and applications in surface science by enabling optical interrogation, excitation, and cooling of capillary waves residing in a plane. Moreover, our optocapillary Fabry‒Perot might permit photographing thermal capillary oscillation, which the current state-of-the-art techniques do not support. Full article
(This article belongs to the Special Issue Fluid Manipulation: From Fundamentals to Applications)
Show Figures

Figure 1

16 pages, 5699 KB  
Article
The Simultaneous Analysis of Droplets’ Impacts and Heat Transfer during Water Spray Cooling Using a Transparent Heater
by Vladimir Serdyukov, Nikolay Miskiv and Anton Surtaev
Water 2021, 13(19), 2730; https://doi.org/10.3390/w13192730 - 2 Oct 2021
Cited by 11 | Viewed by 4619
Abstract
This paper demonstrates the advantages and prospects of transparent design of the heating surface for the simultaneous study of the hydrodynamic and thermal characteristics of spray cooling. It was shown that the high-speed recording from the reverse side of such heater allows to [...] Read more.
This paper demonstrates the advantages and prospects of transparent design of the heating surface for the simultaneous study of the hydrodynamic and thermal characteristics of spray cooling. It was shown that the high-speed recording from the reverse side of such heater allows to identify individual droplets before their impact on the forming liquid film, which makes it possible to measure their sizes with high spatial resolution. In addition, such format enables one to estimate the number of droplets falling onto the impact surface and to study the features of the interface evolution during the droplets’ impacts. In particular, the experiments showed various possible scenarios for this interaction, such as the formation of small-scale capillary waves during impacts of small droplets, as well as the appearance of “craters” and splashing crowns in the case of large ones. Moreover, the unsteady temperature field during spray cooling in regimes without boiling was investigated using high-speed infrared thermography. Based on the obtained data, the intensity of heat transfer during spray cooling for various liquid flow rates and heat fluxes was analyzed. It was shown that, for the studied regimes, the heat transfer coefficient weakly depends on the heat flux density and is primarily determined by the flow rate. In addition, the comparison of the processes of spray cooling and nucleate boiling was made, and an analogy was shown in the mechanisms that determine their intensity of heat transfer. Full article
(This article belongs to the Special Issue Gas-Liquid Two-Phase Flow in the Pipe or Channel)
Show Figures

Figure 1

27 pages, 9264 KB  
Article
Hydrodynamics of Two-Phase Gas-Very Viscous Liquid Flow in Heat Exchange Conditions
by Krystian Czernek and Stanisław Witczak
Energies 2020, 13(21), 5709; https://doi.org/10.3390/en13215709 - 31 Oct 2020
Cited by 2 | Viewed by 2095
Abstract
This paper presents the results of analyses of the impact of heat transfer conditions on the hydrodynamics of downward co-current annular flow in vertical tubes of very viscous liquid and gas. The research was conducted within the range of gas velocities of 0–30.0 [...] Read more.
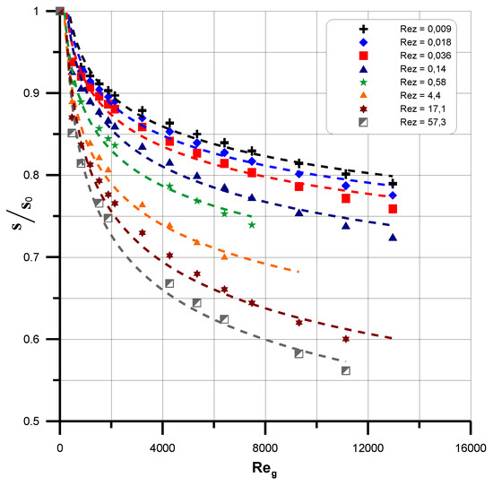
This paper presents the results of analyses of the impact of heat transfer conditions on the hydrodynamics of downward co-current annular flow in vertical tubes of very viscous liquid and gas. The research was conducted within the range of gas velocities of 0–30.0 m/s and liquid velocities of 0.001–0.254 m/s, while the viscosity was in the unprecedented range of 0.046–3.5 Pas. The research demonstrates that the volume and nature of the liquid waves with various amplitudes and frequencies arising on the surface of the film are relative to the flow rate and viscosity of the gas phase. At the same time, we found that, under the condition of liquid cooling, an increase in viscosity resulted in the formation of a smooth interface whereas, under the conditions where the liquid is heated at the end of the channel section, a greater number of capillary waves were formed. This research resulted in the development of new dependencies which take into account the influence of selected thermal and flow parameters (including mass fraction) on the values of volumes specific to very viscous liquid film flows. These dependencies improve the accuracy of calculation by 8–10% and are fully applicable to the description of the performance of an apparatus with a hydraulically generated liquid film. Full article
(This article belongs to the Section D1: Advanced Energy Materials)
Show Figures

Graphical abstract

15 pages, 3337 KB  
Article
Mixed Oscillation Flow of Binary Fluid with Minus One Capillary Ratio in the Czochralski Crystal Growth Model
by Chunmei Wu, Jinhui Chen and Yourong Li
Crystals 2020, 10(3), 213; https://doi.org/10.3390/cryst10030213 - 19 Mar 2020
Cited by 4 | Viewed by 2938
Abstract
This work presented a series of three-dimensional unsteady numerical simulations on the characteristics of the mixed oscillation flows of binary mixture in a Czochralski crystal growth model. The silicon-germanium melt is investigated and the capillary ratio is minus one. The simulation results showed [...] Read more.
This work presented a series of three-dimensional unsteady numerical simulations on the characteristics of the mixed oscillation flows of binary mixture in a Czochralski crystal growth model. The silicon-germanium melt is investigated and the capillary ratio is minus one. The simulation results showed that, for the special capillary ratio, the thermal and solutocapillary forces are imposed in opposite directions and counteract each other. With the effect of buoyancy, the balance between the capillary forces is disturbed. Mixed with the forced convection driven by rotation, the capillary-buoyancy convection is complex. The basic mixed flow streamlines are presented as various rolling cells. The directions of the rolls are dependent on the combinations of surface and body forces. With the increase of temperature gradient, the basic flow stability is broken, and the oscillations occur. The crucible rotation has an effective influence on the stability enhancement. However, affected by the crystal rotation, the critical condition experiences an increase to a turning point, and then undergoes a sharp reduction to zero. Once the instability is incubated, the surface oscillations are analyzed. For the three-dimensional steady flow, only spatial oscillations are observed circumferentially, and the surface patterns of spokes, rosebud, and pulsating ring are obtained. For the unsteady oscillation flow, the spiral hydrosoultal waves, rotating waves, and superimposition of spirals and spokes are observed, and the oscillation behaviors are also discussed. Full article
(This article belongs to the Section Crystal Engineering)
Show Figures

Figure 1

9 pages, 2741 KB  
Article
Coherent Optical Transduction of Suspended Microcapillary Resonators for Multi-Parameter Sensing Applications
by Alberto Martín-Pérez, Daniel Ramos, Javier Tamayo and Montserrat Calleja
Sensors 2019, 19(23), 5069; https://doi.org/10.3390/s19235069 - 20 Nov 2019
Cited by 11 | Viewed by 2944
Abstract
Characterization of micro and nanoparticle mass has become increasingly relevant in a wide range of fields, from materials science to drug development. The real-time analysis of complex mixtures in liquids demands very high mass sensitivity and high throughput. One of the most promising [...] Read more.
Characterization of micro and nanoparticle mass has become increasingly relevant in a wide range of fields, from materials science to drug development. The real-time analysis of complex mixtures in liquids demands very high mass sensitivity and high throughput. One of the most promising approaches for real-time measurements in liquid, with an excellent mass sensitivity, is the use of suspended microchannel resonators, where a carrier liquid containing the analytes flows through a nanomechanical resonator while tracking its resonance frequency shift. To this end, an extremely sensitive mechanical displacement technique is necessary. Here, we have developed an optomechanical transduction technique to enhance the mechanical displacement sensitivity of optically transparent hollow nanomechanical resonators. The capillaries have been fabricated by using a thermal stretching technique, which allows to accurately control the final dimensions of the device. We have experimentally demonstrated the light coupling into the fused silica capillary walls and how the evanescent light coming out from the silica interferes with the surrounding electromagnetic field distribution, a standing wave sustained by the incident laser and the reflected power from the substrate, modulating the reflectivity. The enhancement of the displacement sensitivity due to this interferometric modulation (two orders of magnitude better than compared with previous accomplishments) has been theoretically predicted and experimentally demonstrated. Full article
(This article belongs to the Special Issue Optomechanical Sensors)
Show Figures

Figure 1

14 pages, 2796 KB  
Article
Femtosecond Laser-Induced Thermal Transport in Silicon with Liquid Cooling Bath
by Zhe Kan, Qinghua Zhu, Haizhou Ren and Mengyan Shen
Materials 2019, 12(13), 2043; https://doi.org/10.3390/ma12132043 - 26 Jun 2019
Cited by 16 | Viewed by 4621
Abstract
Nanostructured regular patterns on silicon surface are made by using femtosecond laser irradiations. This is a novel method that can modify the surface morphology of any large material in an easy, fast, and low-cost way. We irradiate a solid surface with a 400-nm [...] Read more.
Nanostructured regular patterns on silicon surface are made by using femtosecond laser irradiations. This is a novel method that can modify the surface morphology of any large material in an easy, fast, and low-cost way. We irradiate a solid surface with a 400-nm double frequency beam from an 800-nm femtosecond laser, while the solid surface is submerged in a liquid or exposed in air. From the study of multiple-pulses and single-pulse irradiations on silicon, we find the morphologies of nanospikes and capillary waves to follow the same distribution and periodicity. Thermal transport near the solid surface plays an important role in the formation of patterns; a simulation was done to fully understand the mechanism of the pattern formation in single pulse irradiation. The theoretical models include a femtosecond laser pulse function, a two-temperature model (2-T model), and an estimation of interface thermal coupling. The evolution of lattice temperature over time will be calculated first without liquid cooling and then with liquid cooling, which has not been well considered in previous theoretical papers. The lifetime of the capillary wave is found to be longer than the solidification time of the molten silicon only when water cooling is introduced. This allows the capillary wave to be frozen and leaves interesting concentric rings on the silicon surface. The regular nanospikes generated on the silicon surface result from the overlapping capillary waves. Full article
Show Figures

Figure 1

15 pages, 3278 KB  
Article
Numerical Simulation of Thermal-Solutal Capillary-Buoyancy Flow of Ge1–xSix Single Crystals Driven by Surface-Tension and Rotation in a Czochralski Configuration
by Jia-Jia Yu, Lu Zhang, Ting Shen, Li Zhang and You-Rong Li
Crystals 2019, 9(4), 217; https://doi.org/10.3390/cryst9040217 - 22 Apr 2019
Cited by 3 | Viewed by 3411
Abstract
A series of three-dimensional numerical simulations were performed to understand the thermal-solutal capillary-buoyancy flow of Ge1-xSix melts during Czochralski crystal growth with a rotating crystal or crucible. The crystal and crucible rotation Reynolds numbers in this work are 0∼3.5 × [...] Read more.
A series of three-dimensional numerical simulations were performed to understand the thermal-solutal capillary-buoyancy flow of Ge1-xSix melts during Czochralski crystal growth with a rotating crystal or crucible. The crystal and crucible rotation Reynolds numbers in this work are 0∼3.5 × 103 (0∼4.4 rpm) and 0∼−2.4 × 103 (0∼−1.5 rpm), respectively. Simulation results show that if the thermal capillary Reynolds number is relatively low, the flow will be steady and axisymmetric, even though the crystal or crucible rotates at a constant rate. The critical thermal capillary Reynolds number for the initiation of the three-dimensional oscillatory flow is larger than that of pure fluids. As the crystal or crucible rotation rate increases, the critical thermal capillary Reynolds number first increases and then decreases. The dominant flow pattern after the flow destabilization is azimuthal traveling waves. Furthermore, a reversed evolution from the oscillatory spoke pattern to traveling waves appears in the melt. Once the crystal or crucible rotation rate is relatively large, the traveling waves respectively evolve to rotating waves at the crystal rotation and a spindle-like pattern at the crucible rotation. In addition, the maximum amplitude of solute concentration oscillation on the free surface initially decreases, but finally rises with the crystal or crucible rotation rate increasing. Full article
(This article belongs to the Section Crystal Engineering)
Show Figures

Figure 1

17 pages, 5138 KB  
Article
Flow Instabilities of Coupled Rotation and Thermal-Solutal Capillary Convection of Binary Mixture in Czochralski Configuration
by Chunmei Wu, Bo Yuan and Yourong Li
Crystals 2019, 9(2), 72; https://doi.org/10.3390/cryst9020072 - 30 Jan 2019
Cited by 5 | Viewed by 2850
Abstract
In order to understand the flow instabilities of coupled rotation and thermal-solutal capillary convection of binary mixture in a Czochralski configuration subjected to simultaneous radial thermal and solutal gradients, a series of three-dimensional direct numerical simulation have been conducted. The capillary ratio of [...] Read more.
In order to understand the flow instabilities of coupled rotation and thermal-solutal capillary convection of binary mixture in a Czochralski configuration subjected to simultaneous radial thermal and solutal gradients, a series of three-dimensional direct numerical simulation have been conducted. The capillary ratio of the silicon-germanium mixture is −0.2. The rotation Reynolds numbers of crystal and crucible, Res and Rec range from 0 to 3506 and 0 to 1403, respectively. Results show that the basic flow is axisymmetric and steady. It has rich flow structures in the meridian plane, depending on the competitions among the driving forces. With the increase of thermocapillary and rotation Reynolds numbers, the basic flow will transit to three dimensional oscillatory flow. For different combination of rotation rate and thermocapillary Reynolds number, the oscillatory flow can be displayed as spoke patterns which is steady in time but oscillate in space, spoke patterns propagate in azimuthal direction, rotational waves or coexistence of spokes and rotational waves. The crucible rotation has an inhibitory effect on the flow instability, inducing the monotonically increase of critical value for flow transitions, however, for crystal rotation, the critical thermocapillary Reynolds number increases at first and then decreases. When the rotation rate is large, two flow transitions are captured. Full article
(This article belongs to the Section Crystal Engineering)
Show Figures

Figure 1

20 pages, 2522 KB  
Article
Interfacial Properties of Active-Passive Polymer Mixtures
by Jan Smrek and Kurt Kremer
Entropy 2018, 20(7), 520; https://doi.org/10.3390/e20070520 - 10 Jul 2018
Cited by 23 | Viewed by 4533
Abstract
Active matter consists of particles that dissipate energy, from their own sources, in the form of mechanical work on their surroundings. Recent interest in active-passive polymer mixtures has been driven by their relevance in phase separation of (e.g., transcriptionally) active and inactive (transcriptionally [...] Read more.
Active matter consists of particles that dissipate energy, from their own sources, in the form of mechanical work on their surroundings. Recent interest in active-passive polymer mixtures has been driven by their relevance in phase separation of (e.g., transcriptionally) active and inactive (transcriptionally silent) DNA strands in nuclei of living cells. In this paper, we study the interfacial properties of the phase separated steady states of the active-passive polymer mixtures and compare them with equilibrium phase separation. We model the active constituents by assigning them stronger-than-thermal fluctuations. We demonstrate that the entropy production is an accurate indicator of the phase transition. We then construct phase diagrams and analyze kinetic properties of the particles as a function of the distance from the interface. Studying the interface fluctuations, we find that they follow the capillary waves spectrum. This allows us to establish a mechanistic definition of the interfacial stiffness and its dependence on the relative level of activity with respect to the passive constituents. We show how the interfacial width depends on the activity ratio and comment on the finite size effects. Our results highlight similarities and differences of the non-equilibrium steady states with an equilibrium phase separated polymer mixture with a lower critical solution temperature. We present several directions in which the non-equilibrium system can be studied further and point out interesting observations that indicate general principles behind the non-equilibrium phase separation. Full article
(This article belongs to the Special Issue Nonequilibrium Thermodynamics of Interfaces)
Show Figures

Figure 1

Back to TopTop