Sign in to use this feature.

Years

Between: -

Subjects

remove_circle_outline
remove_circle_outline
remove_circle_outline
remove_circle_outline
remove_circle_outline
remove_circle_outline

Journals

Article Types

Countries / Regions

Search Results (7)

Search Parameters:
Keywords = evolutionary programming (EP)

Order results
Result details
Results per page
Select all
Export citation of selected articles as:
19 pages, 6030 KB  
Article
Modeling and Experimental Verification of In-House Built Portable Ultrafiltration (PUF) System to Maintain Water Quality
by Azman Ariffin, Ahmad Khairi Abdul Wahab and Mohd Azlan Hussain
Processes 2024, 12(12), 2926; https://doi.org/10.3390/pr12122926 - 20 Dec 2024
Cited by 1 | Viewed by 1808
Abstract
At present, over 2.6 billion people live without access to a continuous water supply, and nearly 900 million people do not obtain drinking water from reliable sources. To solve these problems, one of this study’s goals is to come up with a water-supply [...] Read more.
At present, over 2.6 billion people live without access to a continuous water supply, and nearly 900 million people do not obtain drinking water from reliable sources. To solve these problems, one of this study’s goals is to come up with a water-supply system that uses a simple, inexpensive, portable ultrafiltration (PUF) unit. To determine the effectiveness of the portable system, water-quality analysis has been carried out to determine if the system produces filtered water from various sources of water, reaching drinking-water standards. A simple model of the system using Darcy’s Law was also obtained to predict permeate flux and transmembrane pressure (TMP). Initially, simulation was performed using nominal values taken from the literature for four (4) parameters, i.e., membrane hydraulic resistance, initial rapid fouling constant, mass transfer coefficient, and foulant bulk concentration. By minimizing the error between the model with these nominal values and experimental values, an improved model with updated parameters was obtained using the Evolutionary Programming (EP) approach. With the updated model, the average error between the model and the experiment was reduced from 32% to 9%. This was further validated with new data taken from the experiment. This improved model with the updated parameter was then used to predict the TMP and compared with the experimental value. Contrasting the optimized model with the existing model indicates that the optimized model predicts membrane performance better, leading to a competent and reliable model for the purification of water using a PUF system built in-house. Full article
(This article belongs to the Special Issue Industrial Applications of Modeling Tools)
Show Figures

Figure 1

35 pages, 6547 KB  
Article
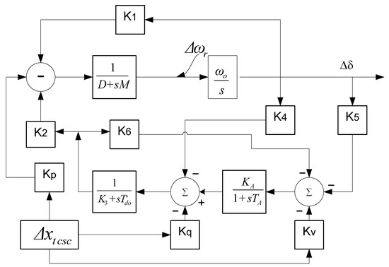
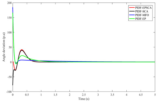
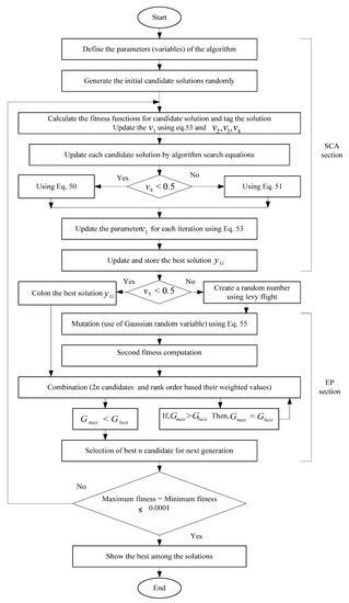
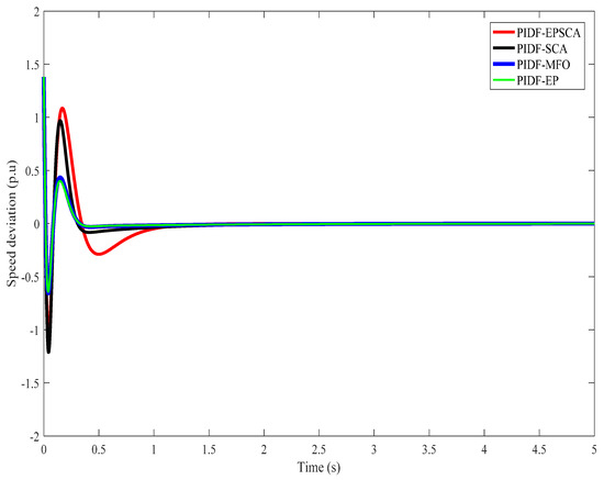
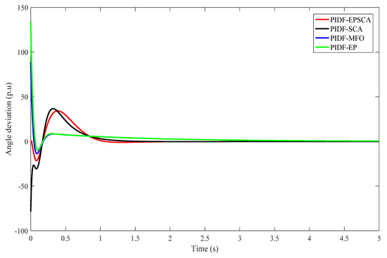
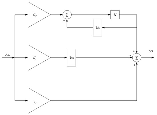
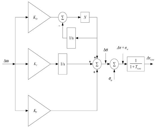
Optimal Design and Tuning of Novel Proportional Integral Derivative with Filter Thyristor-Controlled Series Compensator Stabiliser Using a New Hybrid Technique
by Abdul Waheed Khawaja, Nor Azwan Mohamed Kamari, Muhammad Ammirrul Atiqi Mohd Zainuri, Mohd Asyraf Zulkifley, Mohd Hairi Mohd Zaman and Ismail Musirin
Appl. Sci. 2022, 12(21), 11153; https://doi.org/10.3390/app122111153 - 3 Nov 2022
Cited by 3 | Viewed by 1740
Abstract
This paper proposes a novel robust thyristor-controlled series compensator (TCSC) controller based on proportional integral derivative with filter (PIDF) and uses a new hybrid optimisation evolutionary programming sine cosine algorithm (EPSCA) to improve the power system’s angle stability. The problem of the PIDF-TCSC [...] Read more.
This paper proposes a novel robust thyristor-controlled series compensator (TCSC) controller based on proportional integral derivative with filter (PIDF) and uses a new hybrid optimisation evolutionary programming sine cosine algorithm (EPSCA) to improve the power system’s angle stability. The problem of the PIDF-TCSC design is transformed into an optimisation problem based on performance indices, such as damping factor, damping ratio, and eigenvalues, where the multi-objective function is employed to obtain the optimal stabiliser parameters. To examine the robustness of PIDF-TCSC, it was tested on a single-machine infinite-bus power system under different operating conditions. The performance of the system with the PIDF-TCSC controller was compared with the simulation results, and the results obtained with the proposed EPSCA were compared with those obtained with SCA, moth flame optimisation, and EP-based PIDF-TCSC methods. Simulation results showed the effectiveness of EPSCA for the PIDF-TCSC design and the superior robust performance for the enhancement of power system stability compared with other techniques in different cases. Full article
Show Figures

Figure 1

13 pages, 2973 KB  
Article
Unit Commitment with Ancillary Services in a Day-Ahead Power Market
by Whei-Min Lin, Chung-Yuen Yang, Ming-Tang Tsai and Yun-Hai Wang
Appl. Sci. 2021, 11(12), 5454; https://doi.org/10.3390/app11125454 - 11 Jun 2021
Cited by 7 | Viewed by 2453
Abstract
This paper integrates Discrete Particle Swarm Optimization (DPSO) and Sequential Quadratic Programming (SQP) to propose a DPSO-SQP method for solving unit commitment problems for ancillary services. Through analysis of ancillary services, including Automatic Generation Control (AGC), Real Spinning Reserve (RSR), and Supplemental Reserve [...] Read more.
This paper integrates Discrete Particle Swarm Optimization (DPSO) and Sequential Quadratic Programming (SQP) to propose a DPSO-SQP method for solving unit commitment problems for ancillary services. Through analysis of ancillary services, including Automatic Generation Control (AGC), Real Spinning Reserve (RSR), and Supplemental Reserve (SR), the cost model of unit commitment was developed. With the requirements of energy balance, ancillary services, and operating constraints considered, DPSO-PSO was used to calculate the energy supply of each source, including the associated AGC, RSR, and SR, and the operating cost of a day-ahead power market was calculated. A study case using the real data from thermal units of Taipower Company (TPC) and Independent Power Producers (IPPs) demonstrated effective results for the “summer” and “non-summer” seasons, as classified by TPC for the two charging rates. According to the test cases in this research, costs without ancillary services in non-summer and summer seasons are higher than those with ancillary services. The simulation results are also compared with the Genetic Algorithm (GA), Evolutionary Programming (EP), Particle Swarm Optimization (PSO), and Simulated Annealing (SA). DPSO-PSO shows effectiveness in solving unit commitment problems with enhanced sorting efficiency, and a higher probability of reaching the global optimum. Full article
(This article belongs to the Section Energy Science and Technology)
Show Figures

Figure 1

16 pages, 2737 KB  
Article
New Fusion Algorithm-Reinforced Pilot Control for an Agricultural Tricopter UAV
by Huu Khoa Tran, Juing-Shian Chiou and Viet-Hung Dang
Mathematics 2020, 8(9), 1499; https://doi.org/10.3390/math8091499 - 4 Sep 2020
Cited by 8 | Viewed by 3392
Abstract
Currently, fuzzy proportional integral derivative (PID) controller schemes, which include simplified fuzzy reasoning decision methodologies and PID parameters, are broadly and efficaciously practiced in various fields from industrial applications, military service, to rescue operations, civilian information and also horticultural observation and agricultural surveillance. [...] Read more.
Currently, fuzzy proportional integral derivative (PID) controller schemes, which include simplified fuzzy reasoning decision methodologies and PID parameters, are broadly and efficaciously practiced in various fields from industrial applications, military service, to rescue operations, civilian information and also horticultural observation and agricultural surveillance. A fusion particle swarm optimization (PSO)–evolutionary programming (EP) algorithm, which is an improved version of the stochastic optimization strategy PSO, was presented for designing and optimizing controller gains in this study. The mathematical calculations of this study include the reproduction of EP with PSO. By minimizing the integral of the absolute error (IAE) criterion that is used for estimating the system response as a fitness function, the obtained integrated design of the fusion PSO–EP algorithm generated and updated the new elite parameters for proposed controller schemes. This progression was used for the complicated non-linear systems of the attitude-control pilot models of a tricopter unmanned aerial vehicle (UAV) to demonstrate an improvement on the performance in terms of rapid response, precision, reliability, and stability. Full article
Show Figures

Figure 1

17 pages, 2474 KB  
Article
An Improved Underwater Electric Field-Based Target Localization Combining Subspace Scanning Algorithm And Meta-EP PSO Algorithm
by Wenjing Shang, Wei Xue, Yingsong Li, Xiangshang Wu and Yidong Xu
J. Mar. Sci. Eng. 2020, 8(4), 232; https://doi.org/10.3390/jmse8040232 - 26 Mar 2020
Cited by 18 | Viewed by 3260
Abstract
In this paper, we propose an improved three-dimensional underwater electric field-based target localization method. This method combines the subspace scanning algorithm and the meta evolutionary programming (meta-EP) particle swarm optimization (PSO) algorithm. The subspace scanning algorithm is applied as the evaluation function of [...] Read more.
In this paper, we propose an improved three-dimensional underwater electric field-based target localization method. This method combines the subspace scanning algorithm and the meta evolutionary programming (meta-EP) particle swarm optimization (PSO) algorithm. The subspace scanning algorithm is applied as the evaluation function of the electric field-based underwater target locating problem. The meta-EP PSO method is used to select M elite particles by the q-tournament selection method, which could effectively reduce the computational complexity of the three-dimensional underwater target localization. Moreover, the proposed meta-EP PSO optimization algorithm can avoid subspace scanning trapping into local minima. We also analyze the positioning performance of the uniform circular and cross-shaped electrodes arrays by using the subspace scanning algorithm combined with meta–EP PSO. According to the simulation, the calculation amount of the proposed algorithm is greatly reduced. Moreover, the positioning accuracy is effectively improved without changing the positioning accuracy and search speed. Full article
(This article belongs to the Special Issue Localization, Mapping and SLAM in Marine and Underwater Environments)
Show Figures

Figure 1

15 pages, 500 KB  
Article
PSO-Based Oscillatory Stability Assessment by Using the Torque Coefficients for SMIB
by Nor Azwan Mohamed Kamari, Ismail Musirin, Ahmad Nazri Dagang and Mohd Hairi Mohd Zaman
Energies 2020, 13(5), 1231; https://doi.org/10.3390/en13051231 - 6 Mar 2020
Cited by 10 | Viewed by 2440
Abstract
This study discusses the evaluation of oscillatory stability based on the synchronizing K s and damping K d torque coefficients for a single-machine system connected to an infinite bus (SMIB). Particle swarm optimization (PSO) technique is used to determine K s and [...] Read more.
This study discusses the evaluation of oscillatory stability based on the synchronizing K s and damping K d torque coefficients for a single-machine system connected to an infinite bus (SMIB). Particle swarm optimization (PSO) technique is used to determine K s and K d values and subsequently identify the oscillatory stability conditions in the SMIB. The ability of PSO is compared with those of evolutionary programming (EP) techniques and artificial immune system (AIS). The least square (LS) method is selected as the benchmark for K s and K d values determined by PSO, EP, and AIS. Simulation results show that PSO successfully estimated K s and K d values closest to LS compared with EP and AIS. PSO also uses lower computational time compared with those of the two other techniques. The proposed technique is suitable for solving oscillatory stability problems based on the determination of eigenvalues and minimum damping ratio. Full article
(This article belongs to the Section F: Electrical Engineering)
Show Figures

Figure 1

8 pages, 1479 KB  
Article
PSO-Based Algorithm Applied to Quadcopter Micro Air Vehicle Controller Design
by Huu-Khoa Tran and Juing-Shian Chiou
Micromachines 2016, 7(9), 168; https://doi.org/10.3390/mi7090168 - 15 Sep 2016
Cited by 18 | Viewed by 6540
Abstract
Due to the rapid development of science and technology in recent times, many effective controllers are designed and applied successfully to complicated systems. The significant task of controller design is to determine optimized control gains in a short period of time. With this [...] Read more.
Due to the rapid development of science and technology in recent times, many effective controllers are designed and applied successfully to complicated systems. The significant task of controller design is to determine optimized control gains in a short period of time. With this purpose in mind, a combination of the particle swarm optimization (PSO)-based algorithm and the evolutionary programming (EP) algorithm is introduced in this article. The benefit of this integration algorithm is the creation of new best-parameters for control design schemes. The proposed controller designs are then demonstrated to have the best performance for nonlinear micro air vehicle models. Full article
Show Figures

Graphical abstract

Back to TopTop