A Power Supply System with ZVS and Current-Doubler Features for Hybrid Renewable Energy Conversion
Abstract
:1. Introduction



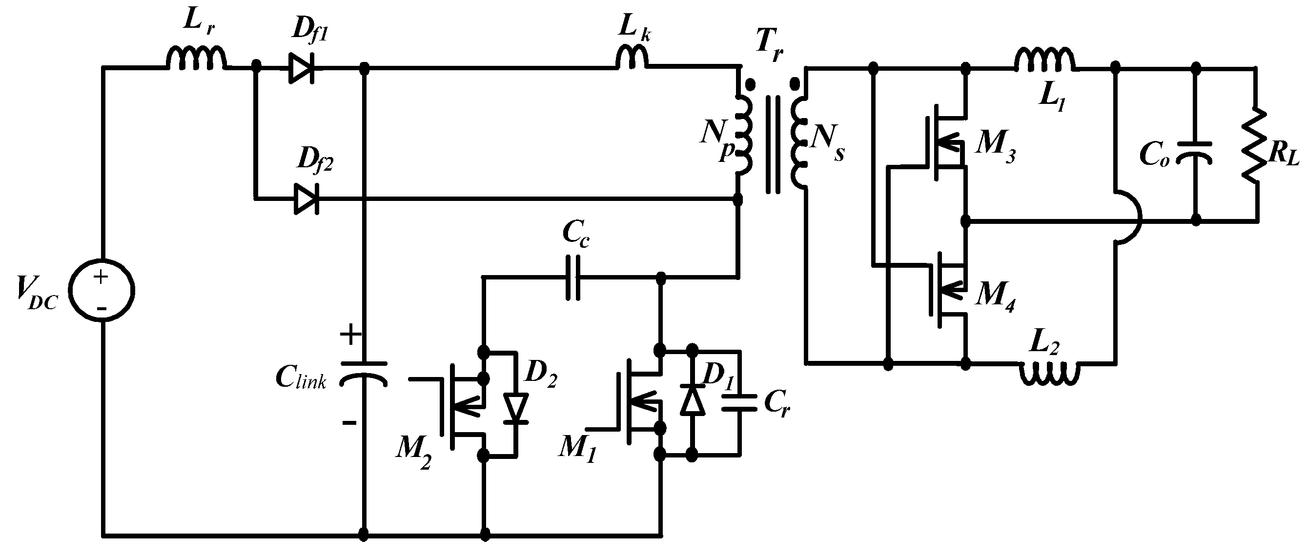
2. Structural Description of the Proposed Power Supply System
2.1. Selection of ZVS Circuit

2.2. Operational Principle


- (1)
- To analyze the ZVS feature of active switches (M1 and M2), the body diodes (D1 and D2) of the active switches (M1 and M2) and the leakage inductance (Lk) of the transformer (Tr) will be considered at the steady-state operation of the circuit.
- (2)
- Output capacitor Co and clamp capacitor Cc are large enough so that the voltages across them are constant over a switching period.
- (3)
- All of the switching devices and components are ideal.

Stage 1 (Figure 7a, t0 < t < t1)
Stage 2 (Figure 7b, t1 < t < t2)
Stage 3 (Figure 7c, t2 < t < t3)
Stage 4 (Figure 7d, t3 < t < t4)
Stage 5 (Figure 7e, t4 < t < t5)
Stage 6 (Figure 7f, t5 < t < t6)
Stage 7 (Figure 7g, t6 < t < t7)
Stage 8 (Figure 7h, t7 < t < t8)
Stage 9 (Figure 7i, t8 < t < t9)
3. MPPT Algorithm of PV Arrays and Wind Turbine





4. Control Scheme of the Proposed Power Supply

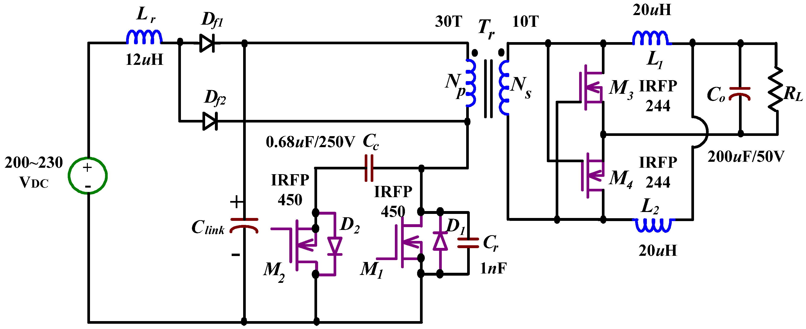
5. Design Consideration
- (1)
- PV arrays: peak power PPV = 300 W, voltage VPV = 200–220 VDC,
- (2)
- Wind turbine: peak power Pwind = 400 W, voltage Vwind = 200–230 VDC,
- (3)
- Output voltage of converter: Vo = 24 VDC,
- (4)
- Output power of converter: Po,max = 240 W, and
- (5)
- Switching frequency: fs = 50 kHz (M1–M4).
5.1. Design Considerations of Key Components
5.1.1. Design of isolation transformer (Tr)
5.1.2. Selection of Output Inductors (L1 and L2)
5.1.3. Selection of Synchronous Switches (M3 and M4)
5.1.4. Selection of Main and Auxiliary Switch (M1 and M2)
5.1.5. Selection of Output Filter Capacitor (Co)
5.1.6. Selection of Resonant Inductor and Clamping Capacitor (Lr and Cc)

5.2. Experimental Results









6. Conclusions
Conflicts of Interest
References
- Hepbasli, A. A comparative investigation of various greenhouse heating options using exergy analysis method. Appl. Energy 2011, 88, 4411–4423. [Google Scholar] [CrossRef]
- Bull, S.R. Renewable energy today and tomorrow. IEEE Proc. 2001, 89, 1216–1226. [Google Scholar] [CrossRef]
- Blusseau, P.; Patel, M.H. Gyroscopic effects on a large vertical axis wind turbine mounted on a floating structure. Renew. Energy 2012, 46, 31–42. [Google Scholar] [CrossRef]
- Sedaghat, A.; Mirhosseini, M. Aerodynamic design of a 300 kW horizontal axis wind turbine for province of Semnan. Energy Convers. Manag. 2012, 63, 87–94. [Google Scholar] [CrossRef]
- Hafez, O.; Bhattacharya, K. Optimal planning and design of a renewable energy based supply system for microgrids. Renew. Energy 2012, 45, 7–15. [Google Scholar] [CrossRef]
- Kuo, Y.-C.; Liang, T.-J.; Chen, J.-F. Novel maximum-power-point-tracking controller for photovoltaic energy conversion system. IEEE Trans. Ind. Electron. 2001, 48, 594–601. [Google Scholar] [CrossRef]
- Wakao, S.; Ando, R.; Minami, H.; Shinomiya, F.; Suzuki, A.; Yahagi, M.; Hirota, S.; Ohhashi, Y.; Ishii, A. Performance Analysis of the PV/Wind/Wave Hybrid Power Generation System. In Proceedings of the 3rd IEEE World Conference on Photovoltaic Energy Conversion, Osaka, Japan, 18 May 2003; Volume 3, pp. 2337–2340.
- Chiu, H.-J.; Huang, H.-M.; Lin, L.-W.; Tseng, M.-H. A Multiple-Input DC/DC Converter for Renewable Energy Systems. In Proceedings of the IEEE International Conference on Industrial Technology, Hong Kong, China, 14–17 December 2005; pp. 1304–1308.
- Matsuo, H.; Lin, W.Z.; Kurokawa, F.; Shigemizu, T.; Watanabe, N. Characteristics of the multiple-input DC–DC converter. IEEE Trans. Ind. Electron. 2004, 51, 625–631. [Google Scholar] [CrossRef]
- Cho, J.-G.; Baek, J.-W.; Jeong, C.-Y.; Yoo, D.-W.; Joe, K.-Y. Novel zero-voltage and zero-current-switching full bridge PWM converter using transformer auxiliary winding. IEEE Trans. Power Electron. 2000, 15, 250–257. [Google Scholar] [CrossRef]
- Chen, Y.-M.; Liu, Y.-C.; Hung, S.-C.; Cheng, C.-S. Multi-input inverter for grid-connected hybrid PV/wind power system. IEEE Trans. Power Electron. 2007, 22, 1070–1077. [Google Scholar] [CrossRef]
- Chen, Y.-M.; Liu, Y.-C.; Lin, S.-H. Double-input PWM DC/DC converter for high/low voltage sources. IEEE Trans. Ind. Electron. 2006, 53, 1538–1545. [Google Scholar] [CrossRef]
- Tseng, S.-Y.; Tsai, C.-T. Photovoltaic power system with an interleaving boost converter for battery charger applications. Int. J. Photoenergy 2012, 2012. [Google Scholar] [CrossRef]
- Tsai, C.-T.; Chen, S.-H. PV power-generation system with a phase-shift PWM technique for high step-up voltage applications. Int. J. Photoenergy 2012, 2012. [Google Scholar] [CrossRef]
- Shen, C.-L.; Tsai, C.-T. Double-linear approximation algorithm to achieve maximum-power-point tracking for PV arrays. Energies 2012, 5, 1982–1997. [Google Scholar] [CrossRef]
- Patel, H.; Agarwal, V. MPPT scheme for a PV-fed single-phase single-stage grid-connected inverter operating in CCM with only one current sensor. IEEE Trans. Energy Convers. 2009, 24, 256–263. [Google Scholar] [CrossRef]
- Tsai, C.-T. Energy storage system with voltage equalization strategy for wind energy conversion. Energies 2012, 5, 2331–2350. [Google Scholar] [CrossRef]
- Liu, K.-H.; Lee, F.C. Zero-voltage switching technique in DC/DC converter. IEEE Trans. Power Electron. 1990, 5, 293–304. [Google Scholar] [CrossRef]
- Tsai, C.-T.; Shen, C.-L. High step-down interleaved buck converter with active-clamp circuits for wind turbines. Energies 2012, 5, 5150–5170. [Google Scholar] [CrossRef]
© 2013 by the authors; licensee MDPI, Basel, Switzerland. This article is an open access article distributed under the terms and conditions of the Creative Commons Attribution license (http://creativecommons.org/licenses/by/3.0/).
Share and Cite
Tsai, C.-T.; Shen, C.-L.; Su, J.-C. A Power Supply System with ZVS and Current-Doubler Features for Hybrid Renewable Energy Conversion. Energies 2013, 6, 4859-4878. https://doi.org/10.3390/en6094859
Tsai C-T, Shen C-L, Su J-C. A Power Supply System with ZVS and Current-Doubler Features for Hybrid Renewable Energy Conversion. Energies. 2013; 6(9):4859-4878. https://doi.org/10.3390/en6094859
Chicago/Turabian StyleTsai, Cheng-Tao, Chih-Lung Shen, and Jye-Chau Su. 2013. "A Power Supply System with ZVS and Current-Doubler Features for Hybrid Renewable Energy Conversion" Energies 6, no. 9: 4859-4878. https://doi.org/10.3390/en6094859
APA StyleTsai, C.-T., Shen, C.-L., & Su, J.-C. (2013). A Power Supply System with ZVS and Current-Doubler Features for Hybrid Renewable Energy Conversion. Energies, 6(9), 4859-4878. https://doi.org/10.3390/en6094859

