Sign in to use this feature.

Years

Between: -

Subjects

remove_circle_outline
remove_circle_outline
remove_circle_outline
remove_circle_outline
remove_circle_outline

Journals

Article Types

Countries / Regions

Search Results (4)

Search Parameters:
Keywords = DC-link voltage control timescale

Order results
Result details
Results per page
Select all
Export citation of selected articles as:
20 pages, 6870 KB  
Article
Stability Limit Analysis of DFIG Connected to Weak Grid in DC-Link Voltage Control Timescale
by Kezheng Jiang, Lie Li, Zhenyu He and Dan Liu
Electronics 2025, 14(15), 3022; https://doi.org/10.3390/electronics14153022 - 29 Jul 2025
Cited by 2 | Viewed by 655
Abstract
In some areas, such as Gansu in China and Texas in the USA, lots of wind power bases are located far away from load centers. Transmitting large amounts of wind power to load centers through long transmission lines will lead to wind turbines [...] Read more.
In some areas, such as Gansu in China and Texas in the USA, lots of wind power bases are located far away from load centers. Transmitting large amounts of wind power to load centers through long transmission lines will lead to wind turbines being integrated into a weak grid, which decreases the stability limits of wind turbines. To solve this problem, this study investigates the stability limits of a Doubly Fed Induction Generator (DFIG) connected to a weak grid in a DC-link voltage control timescale. To start with, a model of the DFIG in a DC-link voltage control timescale is presented for stability limit analysis, which facilitates profound physical understanding. Through steady-state stability analysis based on sensitivity evaluation, it is found that the critical factor restricting the stability limit of the DFIG connected to a weak grid is ∂Pe/∂ (−ird), changing from positive to negative. As ∂Pe/∂ (−ird) reaches zero, the system reaches its stability limit. Furthermore, by considering control loop dynamics and grid strength, the stability limit of the DFIG is investigated based on eigenvalue analysis with multiple physical scenarios. The results of root locus analysis show that, when the DFIG is connected to an extremely weak grid, reducing the bandwidth of the PLL or increasing the bandwidth of the AVC with equal damping can increase the stability limit. The aforesaid theoretical analysis is verified through both time domain simulation and physical experiments. Full article
Show Figures

Figure 1

20 pages, 5490 KB  
Article
Transient Stability Analysis of Direct Drive Wind Turbine in DC-Link Voltage Control Timescale during Grid Fault
by Qi Hu, Yiyong Xiong, Chenruiyang Liu, Guangyu Wang and Yanhong Ma
Processes 2022, 10(4), 774; https://doi.org/10.3390/pr10040774 - 15 Apr 2022
Cited by 6 | Viewed by 2590
Abstract
Transient stability during grid fault is experienced differently in modern power systems, especially in wind-turbine-dominated power systems. In this paper, transient behavior and stability issues of a direct drive wind turbine during fault recovery in DC-link voltage control timescale are studied. First, the [...] Read more.
Transient stability during grid fault is experienced differently in modern power systems, especially in wind-turbine-dominated power systems. In this paper, transient behavior and stability issues of a direct drive wind turbine during fault recovery in DC-link voltage control timescale are studied. First, the motion equation model that depicts the phase and amplitude dynamics of internal voltage driven by unbalanced active and reactive power is developed to physically depict transient characteristics of the direct drive wind turbine itself. Considering transient switch control induced by active power climbing, the two-stage model is employed. Based on the motion equation model, transient behavior during fault recovery in a single machine infinite bus system is studied, and the analysis is also divided into two stages: during and after active power climbing. During active power climbing, a novel approximate analytical expression is proposed to clearly reveal the frequency dynamics of the direct drive wind turbine, which is identified as approximate monotonicity at excitation of active power climbing. After active power climbing, large-signal oscillation behavior is concerned. A novel analysis idea combining time-frequency analysis based on Hilbert transform and high order modes is employed to investigate and reveal the nonlinear oscillation, which is characterized by time-varying oscillation frequency and amplitude attenuation ratio. It is found that the nonlinear oscillation and even stability are related closely to the final point during active power climbing. With a large active power climbing rate, the nonlinear oscillation may lose stability. Simulated results based on MATLAB® are also presented to verify the theoretical analysis. Full article
(This article belongs to the Special Issue Modeling, Analysis and Control Processes of New Energy Power Systems)
Show Figures

Figure 1

18 pages, 5734 KB  
Article
Modeling and Stability Analysis of Weak-Grid Tied Multi-DFIGs in DC-Link Voltage Control Timescale
by Dong Wang, Houquan Chen, Yunhui Huang, Xiangtian Deng and Guorong Zhu
Energies 2020, 13(14), 3689; https://doi.org/10.3390/en13143689 - 17 Jul 2020
Cited by 5 | Viewed by 2397
Abstract
The DC-link voltage control (DVC) timescale (i.e., the frequency dynamics covering converter outer controls) instabilities in wind generation have gained increased attention recently. This paper presents DVC timescale modeling and stability analysis for multi doubly-fed induction generators (DFIGs) connected to weak AC grids. [...] Read more.
The DC-link voltage control (DVC) timescale (i.e., the frequency dynamics covering converter outer controls) instabilities in wind generation have gained increased attention recently. This paper presents DVC timescale modeling and stability analysis for multi doubly-fed induction generators (DFIGs) connected to weak AC grids. A reduced-order, small-signal model of a grid-tied multi-DFIG system, designed for DVC dynamics analysis, is firstly proposed. The model allows for the dynamic interactions among the DC-link voltage control, active power control (APC), terminal voltage control (TVC) and phase-locked loop (PLL). Eigenvalue and participation factor analyses are conducted to explore the potential instabilities and correlated critical factors for such a multi-machine system. The sensitivity studies find that instability can occur at high levels of power generations or low short-circuit ratio (SCR) conditions. In addition, the dominant mode is identified to be highly related to the PLL, and its modal damping is decreased when the bandwidths of PLLs in different generators are close. Detailed model-based time domain simulations verified the analysis above. Full article
(This article belongs to the Section A1: Smart Grids and Microgrids)
Show Figures

Figure 1

17 pages, 9189 KB  
Article
Analysis of Inertia Characteristics of Direct-Drive Permanent-Magnet Synchronous Generator in Micro-Grid
by Donghui Zhang, Yongbin Wu, Liansong Xiong and Chengyong Zhao
Energies 2019, 12(16), 3141; https://doi.org/10.3390/en12163141 - 15 Aug 2019
Cited by 10 | Viewed by 3551
Abstract
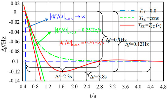
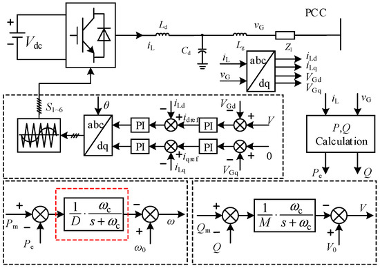
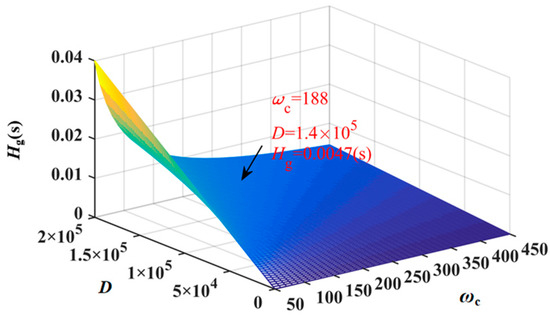
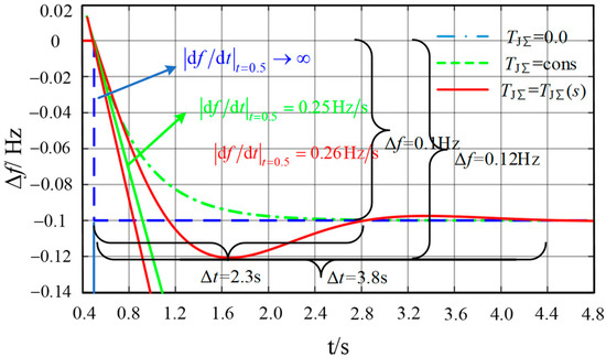
Micro-grid has received extensive attention as an effective way to absorb new energy. Compared to large power systems, the micro-grid system consisting of power electronics is relatively weak due to the lack of support for synchronous machines. In this paper, the direct-drive wind [...] Read more.
Micro-grid has received extensive attention as an effective way to absorb new energy. Compared to large power systems, the micro-grid system consisting of power electronics is relatively weak due to the lack of support for synchronous machines. In this paper, the direct-drive wind turbine (WT) is connected to the low-inertia micro-grid as the research background. Based on the virtual inertia control of the WT, the inertia source and the physical mechanism of the WT connected to the micro-grid system are studied. The inertia characteristics of the rotor of the WT on the electromechanical time-scale, the DC side capacitor on the DC voltage time-scale, and the simulated grid under the droop control are analyzed. The research results show that under the control of the system, the inertia of the system is derived from the WT, DC capacitor, and the micro-grid simulated by droop control converter. The equivalent inertia of each link is determined by the control parameters, steady-state operating point, and structural parameters. The resulting inertia characteristics will have frequency domain characteristics under control. Finally, the correctness of the system inertia analysis conclusion is verified by simulation and experiment. Full article
(This article belongs to the Section A: Sustainable Energy)
Show Figures

Figure 1

Back to TopTop