Previous Article in Journal
A Comprehensive Design Flow of D-Band Analog Receiver Blocks for 5G Backhauling in SiGe BiCMOS Technology
 
 
Font Type:
Arial Georgia Verdana
Font Size:
Aa Aa Aa
Line Spacing:
Column Width:
Background:
Article

A Systematic Modeling Methodology for RF Capacitors and Inductors

Department of Semiconductor Engineering, Seoul National University of Science and Technology, 232, Gongneung-ro, Nowon-gu, Seoul 01811, Republic of Korea
*
Author to whom correspondence should be addressed.
These authors contributed equally to this work.
Microelectronics 2026, 2(1), 5; https://doi.org/10.3390/microelectronics2010005
Submission received: 15 December 2025 / Revised: 18 February 2026 / Accepted: 2 March 2026 / Published: 5 March 2026

Abstract

Accurate modeling of RF capacitors and inductors is critical for predicting circuit behavior and ensuring operational robustness in high-frequency electronic systems. However, SPICE models are often unavailable from manufacturers, and there is still a lack of reliable methodologies for accurate modeling of such passive components over a wide frequency range. This paper presents a systematic and practical equivalent-circuit modeling methodology for capacitors and inductors based on measured impedance data. The proposed approach partitions the entire frequency range into multiple sub-bands and models each using a combination of a core series RLC network and frequency-dependent parallel RC, RL, and RLC sub-networks. This piecewise construction enables the dominant resistive, inductive, and capacitive behaviors to be independently identified and accurately captured in their respective frequency regions, resulting in an accurate broadband equivalent circuit. The resulting models exhibit excellent agreement with target data, demonstrating the reliability of the method. This work provides a practical and systematic procedure for developing accurate broadband models of RF passive components, with validation demonstrated for capacitors up to 6 GHz and inductors up to 20 GHz.

1. Introduction

Passive components, primarily capacitors and inductors, are a key part of the signal integrity and power stability of modern electronic systems. The demand for accurate modeling of passive components is becoming increasingly important at broadband frequencies as wireless communication standards expand toward higher frequencies and smaller scales [1,2]. In 5G/6G applications, accurate models are heavily relied upon in system-level simulations. Model inaccuracies lead to significant deviations from target data, necessitating costly hardware redesigns and extending product development cycles.
In an ideal state, a capacitor exhibits purely capacitive impedance, whereas an inductor demonstrates strictly inductive behavior. At high frequencies, however, both components deviate from ideal characteristics due to the emergence of parasitic effects. Capacitors are affected by equivalent series resistance (ESR) and equivalent series inductance (ESL), while inductors exhibit increased series resistance and parasitic capacitance between windings [3]. In addition, manufacturers often do not provide accurate SPICE models for wideband applications.
For extracting the equivalent circuit model (ECM) from measured data, various methodologies have been proposed to capture these non-ideal behaviors. The simple analytical approaches in papers [4,5] directly compute the component values using optimized multiplication factors for each frequency section, but these factors are selected without a clear theoretical basis. On the other hand, numerical techniques based on matrix-driven curve fitting [6] or systematic network synthesis [7] offer improved accuracy but can be computationally intensive and complex to implement.
However, existing methods [4,5,6,7] have limitations in modeling the ECM for broadband applications and in accurately fitting the knee frequencies without extensive manual tuning. Although numerous studies have addressed capacitor and inductor modeling for power integrity, EMC, and low-frequency applications [4,5,6,7], most of these works focus on limited frequency ranges or rely heavily on numerical curve-fitting techniques without providing a physically guided and systematic extraction procedure. In practical RF design, engineers frequently depend on manufacturer-provided impedance data and manually tuned equivalent circuits due to the lack of standardized broadband modeling methodologies. This limitation becomes particularly significant when attempting to accurately capture knee frequencies and parasitic resonances beyond the primary self-resonant frequency (SRF).
To address these limitations, this paper proposes a unified, systematic, and physically interpretable modeling framework for RF capacitors and inductors based on measured impedance data. The proposed methodology partitions the frequency range into multiple sub-bands and constructs a piecewise equivalent circuit using a core RLC network together with frequency-dependent parallel RC, RL, and RLC sub-networks, each directly associated with dominant physical loss mechanisms such as dielectric loss, skin effect, and parasitic resonances. This proposed approach establishes a transparent link between measured impedance characteristics and circuit topology, enabling accurate broadband modeling without extensive numerical optimization. As a result, the proposed framework provides a practical and scalable solution for consistent modeling of capacitors up to 6 GHz and inductors up to 20 GHz, well suited for system-level simulation and RF/mm-wave circuit design.
The remainder of this paper is organized as follows. Section 2 describes the proposed modeling framework and its application to RF capacitors and inductors, including the corresponding equivalent circuit topologies and systematic parameter extraction procedures. Section 3 concludes the paper.

2. Passive Component Modeling

2.1. Capacitor Equivalent Circuit and Impedance Characteristics

Figure 1a–c show the resistance (R), inductance (L), and capacitance (C) characteristics extracted from the impedance target data provided by Murata [8]. These decomposed R/L/C impedance characteristics represent the non-ideal frequency-dependent behavior of the RF capacitor and serve as the modeling targets for the proposed equivalent circuit model.
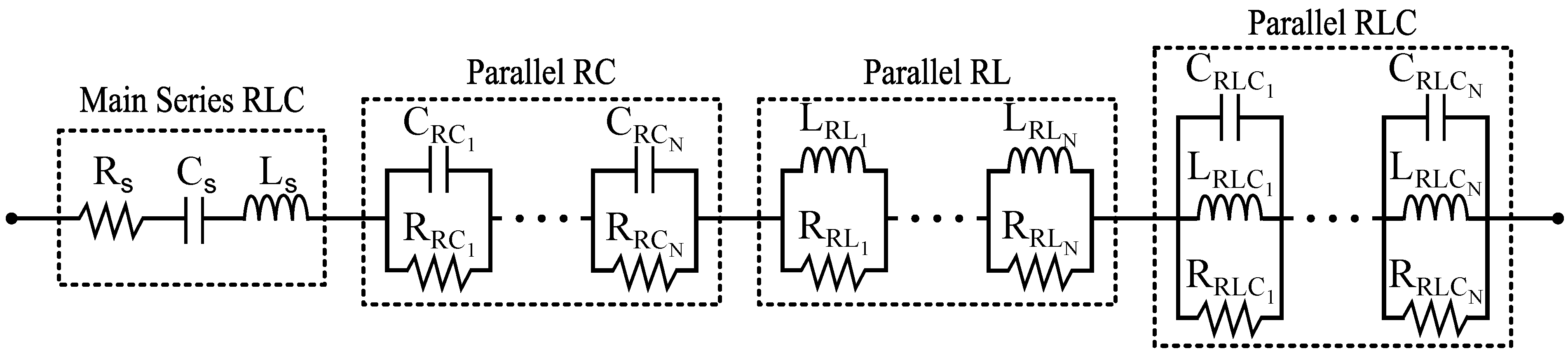
Figure 2 illustrates the proposed broadband equivalent ECM topology. The proposed topology adopts a frequency-segmented, piecewise circuit structure composed of a core series RLC network together with frequency-dependent parallel RC, RL, and RLC sub-networks, enabling effective representation of the dominant non-ideal behaviors observed in the target impedance characteristics.
The impedance of the proposed model ( Z t o t a l ) is expressed as the sum of four distinct sub-networks connected in series:
Z t o t a l ( s ) = Z m a i n ( s ) + Z R C ( s ) + Z R L ( s ) + Z R L C ( s ) ,
where Z m a i n ( s ) , Z R C ( s ) , Z R L ( s ) , and Z R L C ( s ) represent the impedances of the main series RLC network, the parallel RC network, the parallel RL network, and the parallel RLC network, respectively. From Equation (1), the total impedance of the capacitor is defined as
Z t o t a l ( s ) = R s + s L s + 1 s C s + i = 1 N R R C i 1 + s R R C i C R C i + j = 1 M s L R L j R R L j R R L j + s L R L j + k = 1 K Z R L C k ( s ) .

2.1.1. Network Analysis

To achieve high accuracy across the entire frequency spectrum, the total impedance is synthesized by cascading four distinct functional sub-networks connected in series, as illustrated in Figure 2. These sub-networks are:
  • Main series RLC ( Z m a i n )
    In this section, the model consists of the baseline ESR ( R s ), main inductance ( L s ), and main capacitance ( C s ) which are connected to each other in series. This network determines the primary self-resonant frequency (SRF), where below the SRF, the component behaves capacitively, while above it, the inductive behavior of the terminals and electrodes dominates.
  • Parallel RC network ( Z R C )
    The parallel RC networks represent the pre-SRF region (low frequency) where the resistance is typically high and decreases as frequency increases. This behavior is primarily due to the dielectric losses within the capacitor’s insulating material [9]. In Figure 1a, a simple constant resistor cannot capture the decreasing trend observed in the target resistance characteristics. Therefore, multiple RC parallel branches are employed to flexibly approximate the frequency-dependent slope of the target resistance in this region. The parallel RC topology functions as a low-pass filter for the resistive component, effectively capturing the frequency-dependent attenuation associated with dielectric loss. At low frequencies, the capacitor acts as an open circuit, forcing current to flow through the resistor (maximizing resistance). In contrast, at high frequencies, the capacitor has low impedance, effectively suppressing the resistance and causing the total real impedance to drop, accurately reflecting the behavior of dielectric losses.
  • Parallel RL network ( Z R L )
    The current distribution within the conductor becomes non-uniform due to the skin effect at the frequency in the post-SRF region. The current is concentrated on the conductor’s surface, effectively reducing the cross-sectional area available for conduction [9]. Therefore, the ESR rises significantly as the frequency increases due to this phenomenon. A simple constant resistor cannot model this behavior. To address this limitation, parallel RL networks are utilized in series. By employing multiple RL branches, the proposed model accurately reproduces the gradual increase in ESR observed over the post-SRF frequency range. At low frequencies, the inductor has low impedance, but as the frequency increases, it blocks current and forces it to flow through the resistor. This behavior indicates that the inductor acts as a high-pass filter for the ESR.
  • Parallel RLC network ( Z R L C )
    The spikes or knee in the impedance behavior often indicate a secondary parasitic resonance. Parallel RLC networks exhibit this behavior as band-stop or notch filters (resonant tanks) that shape the impedance profile at specific frequencies. Unlike conventional smooth curve-fitting approaches, the proposed RLC sub-networks explicitly reproduce the sharp impedance knee observed in the measured data by introducing localized resonant tanks. By appropriately tuning these networks, the model can accurately capture complex high-frequency resonance phenomena that are otherwise difficult to represent using simpler equivalent circuit models.

2.1.2. Systematic Extraction Procedure

The parameters for the sub-networks described above are extracted using a systematic, segmentation-based procedure. Although these parameters are identified in specific frequency segments to better isolate physical behaviors, the final model operates as a single, unified circuit. In this configuration, all sub-networks are active simultaneously across the entire frequency range, ensuring a continuous impedance response without any gaps between the identification sub-bands. The overall extraction workflow is summarized in Figure 3. This flowchart illustrates the sequential decision-making process, ensuring that each parasitic element is isolated and extracted from the specific frequency region where it is most dominant.
Stage 1: Fundamental component extraction. The process begins by identifying the core RLC components that define the baseline response:
  • Main resistor ( R s ): The Self-Resonant Frequency (SRF) is identified as the frequency at which the target resistance reaches its global minimum. The magnitude at this coordinate is extracted as the baseline series resistance R s .
  • Main capacitance ( C s ): Since capacitance dominates at the lower end of the measured spectrum, C s is calculated using the impedance magnitude ( | Z l o w e s t | ) at the minimum frequency point ( f l o w e s t ):
    C s = 1 2 π × f l o w e s t × | Z l o w e s t | .
  • Main inductance ( L s ): In the post-SRF region, the impedance becomes primarily inductive. L s is determined by observing the stable inductance plateau or is calculated from the reactance at the highest frequency point ( f h i g h e s t ):
    L s = | Z h i g h e s t | 2 π × f h i g h e s t .
Stage 2: Sub-section analysis. To characterize frequency-dependent variations, the spectrum is divided into sub-sections where parallel networks model dominant physical phenomena:
  • Pre-SRF region
    The low-frequency band is segmented to model frequency-dependent dielectric losses. In this region, the resistance behavior is typically high and decreases as frequency increases primarily due to the dielectric losses within the capacitor’s insulating material [9]. To model this, a parallel RC network is used for each segment i. Functionally, this topology acts as a low-pass filter for the resistive element. At low frequencies, the capacitor acts as an open circuit, forcing current to flow entirely through the resistor. However, as frequency increases, the capacitor offers a low-impedance path, effectively suppressing the resistance. This action accurately reproduces the downward slope caused by dielectric losses. The capacitance C for that specific section is derived from the local target resistance R t a r g e t at frequency f:
    C R C i = 1 2 π × f × R t a r g e t ( f ) .
  • Post-SRF region
    In the high-frequency band (above SRF), the resistance typically rises due to the skin effect. The skin effect causes current crowding at the conductor surface, thereby reducing the effective cross-sectional area and increasing the ESR in the post-SRF region. A constant resistor cannot model this behavior. To address this, parallel RL networks are utilized in series and create a high-pass filter effect for the ESR. At lower frequencies, the inductor acts as a short circuit, bypassing the resistor. However, as frequency increases, the inductor’s impedance rises, blocking current and causing the effective resistance to increase. This behavior accurately reflecting the skin effect, with L R L j calculated to align with that rising slope:
    L R L j = R t a r g e t ( f ) 2 π × f .
Stage 3: Model knee analysis. Finally, if the measurement data reveals sharp impedance spikes or knee (secondary resonances), parallel RLC networks are inserted. Functionally, this network acts as a band-stop filter, creating a high-impedance “notch” at the oscillation frequency ( f r e s ). The ( f r e s ) is identified from the measurement, and the components ( L r e s , C r e s ) are constrained by the resonance condition:
f r e s = 1 2 π × L r e s × C r e s .
The progressive evolution of the model accuracy is illustrated in Figure 4. As shown in the figure, stage 1 captures the fundamental resonance (SRF), stage 2 corrects the slope deviations in the capacitive and inductive regions, and stage 3 creates the specific notch filter to match the high-frequency knee.
Stage 4: Optimization. The analytical equations from the first three stages provide a strong baseline model. However, the slight differences emerge near resonance peaks and transition frequencies due to interactions between cascaded sub-networks, as shown in Figure 4. To address these minor deviations, a final optimization step is applied solely for parameter fine tuning, while preserving the overall circuit topology and the physically extracted parameter relationships established in the previous stages. The component values obtained from stages 1–3 are used as initial seed parameters for a gradient-based optimization algorithm. Importantly, the optimization process is intentionally constrained to small parameter adjustments and does not alter the dominant R, L, and C behaviors already captured by the analytical extraction. The optimizer minimizes the logarithmic error between the model impedance ( Z m o d e l ) and the target impedance ( Z t a r g e t ) over the full frequency range:
E r r o r = f log 10 ( | Z m o d e l ( f ) | ) log 10 ( | Z t a r g e t ( f ) | ) 2 .
This final refinement step improves the overall model accuracy without reducing the proposed methodology to a purely numerical curve-fitting approach.
The model order for the capacitor was determined by examining the distinct frequency-dependent features visible in the impedance curve. Each of the eleven cells was added systematically only when a specific slope transition or resonance could not be captured by existing branches. This ensures the model represents the minimum complexity required for accurate broadband fitting.

2.1.3. Capacitor Model Validation

The extraction procedure described in Section 2.1.2 was applied to a test capacitor. The final ECM schematic is shown in Figure 5, and the extracted parameters are listed in Table 1.
Figure 6 compares the model impedance characteristics of the proposed model with target data across the resistance (R), inductance (L), and capacitance (C) domains to verify the accuracy of the parameters in Table 1. As shown in Figure 6a (resistance graph), the proposed model exhibits excellent agreement with the target data over the entire wideband frequency range. The proposed results accurately capture the U-shaped resistive behavior. The resistive behavior is precisely matched by the parallel R C sub-networks, confirming the validity of the dielectric loss modeling in the pre-SRF region, and also the parallel R L sub-networks, caused by the skin effect in the post-SRF region.
Furthermore, the inductance and capacitance plots show that the primary SRF is precisely aligned in Figure 6b,c. In addition, the parallel RLC tanks allow the model to follow the sharp knee resonances. The close match between the proposed model and target confirms that the proposed systematic extraction method yields a highly accurate model.

2.2. Inductor Equivalent Circuit and Impedance Characteristics

Figure 7a–c present the frequency-dependent resistance (R), inductance (L), and capacitance (C) characteristics extracted from the target impedance data [8]. These decomposed characteristics highlight the non-ideal frequency-dependent behaviors of the RF inductor, such as skin effect and parasitic resonances, and define the specific modeling objectives for the proposed equivalent circuit.
Figure 8 illustrates the proposed broadband ECM topology for the RF inductor. In contrast to the capacitor model, the inductor topology employs a parallel-segmented structure. Diverging from the capacitor’s series-impedance approach, the inductor model utilizes a parallel-admittance formulation to accurately characterize broadband performance.
The total admittance of the proposed model ( Y t o t a l ) is expressed as the sum of three distinct functional sub-networks connected in parallel:
Y t o t a l ( s ) = Y m a i n R C ( s ) + Y R L ( s ) + Y R L C ( s ) ,
where Y m a i n R C ( s ) , Y R L ( s ) , and Y R L C ( s ) represent the admittance of the main parallel RC network, the series RL network, and the series RLC network. Expanding this equation based on the schematic in Figure 8 yields:
Y t o t a l ( s ) = 1 R p + s C p + i = 1 N 1 R R L i + s L R L i + j = 1 M 1 R R L C j + s L R L C j + 1 s C R L C j .

2.2.1. Network Analysis

To ensure broadband precision across the full frequency spectrum, the total admittance is constructed by stacking three specific functional sub-networks in parallel, as depicted in Figure 8. These sub-networks are:
  • Main parallel RC ( Y m a i n R C )
    In this section, the model comprises the baseline resistance ( R p ) and the main capacitance ( C p ), connected in parallel. This network defines the fundamental SRF. Unlike the capacitor’s SRF, which corresponds to an impedance minimum, the inductor’s SRF is characterized by an impedance maximum or an admittance minimum. Below this frequency, the component behaves inductively; above it, capacitive coupling between the windings dominates [10].
  • Series RL network ( Y R L )
    This network consists of multiple series-RL networks connected in parallel. This network captures the frequency-dependent resistance caused by the skin effect [8]. By combining multiple RL branches, the model accurately reproduces the rising ESR slope in the passband to model the component’s inductive behavior.
  • Series RLC network ( Y R L C )
    This network consists of series-RLC networks connected in parallel. Unlike the RL network, this network is specifically designed to capture secondary resonances or knee that appear in the high-frequency region. Functionally, this network acts as a trap filter that introduces a resonance at a specific harmonic frequency. By tuning the L and C values of this network, the model can reproduce complex ripples in the impedance profile that appear beyond the primary SRF. Unlike generic numerical curve-fitting approaches, the proposed RLC sub-network is constructed to reproduce physically meaningful features of the impedance response, such as the observed resonant frequency and the low-pass and high-pass knee characteristics. The RLC sub-networks explicitly model secondary parasitic resonances, providing a physically interpretable framework that surpasses the accuracy of unconstrained numerical curve-fitting. Although the RLC parameters are not directly calculated from the geometrical dimensions of the structure, these characteristic features of the impedance curve are the direct consequence of layout-dependent and technology-dependent parasitic effects. By modeling these key features, the RLC representation provides a physically interpretable and explicit representation of the parasitic behavior rather than an arbitrary numerical approximation of the curve.

2.2.2. Systematic Extraction Procedure

The parameters for the inductor sub-networks are extracted using the same systematic procedure. Similar to the capacitor, the final inductor model is a fully integrated network where all components function together across the entire 20 GHz spectrum. This ensures the model remains accurate and continuous up to 20 GHz, without any discrepancies in the transition areas between frequency regions. The overall extraction workflow is summarized in Figure 9.
Stage 1: Fundamental component extraction. The process begins by identifying the fundamental boundaries of the component’s operation defined by the SRF.
  • Main resistor ( R p ): The SRF is identified as the frequency point where the target resistance reaches its global maximum. This resistance point is the baseline parallel resistance to determine main resistor ( R p )
  • Main capacitance ( C p ): The parasitic inter-winding capacitance ( C p ) is calculated using Z h i g h e s t , which represents the target impedance magnitude observed at the highest frequency point ( f h i g h e s t ):
    C p = 1 2 π × f h i g h e s t × | Z h i g h e s t |
    This capacitance is placed in the main parallel R C network.
Stage 2: Sub-section analysis. Once the resonance point is fixed, the inductive region is modeled to capture the skin effect. The frequency range is divided into multiple sub-sections based on the slope of the target resistance (R) graph, where each section is modeled by a series RL network connected in parallel. Crucially, the inductance parameter for each network is extracted exactly at the frequency point where the resistance slope changes. This ensures that the model’s time constant ( τ = L / R ) physically aligns with the skin effect behavior, allowing the network to accurately reproduce the frequency-dependent rise in ESR [9].
Stage 3: Model knee analysis. Finally, the knee or secondary ripples are inspected to model the secondary resonance. The series RLC network represents this behavior, acting as a band-stop filter that introduces a specific harmonic frequency. Ideally, the resonance condition implies that the inductive and capacitive reactances are coupled at the resonant frequency ( f r e s ). Therefore, the extraction locks the L r e s and C r e s values to the specific frequency of the resistance spike. This guarantees that the model satisfies the resonance condition ( L C = 1 / ω 2 ) precisely at the observed harmonic. The step-by-step progress of the model is visualized in Figure 10. As shown in the graphs, stage 1 defines the fundamental resonance (SRF), and stage 2 matches the rising slope in the resistance graph. Finally, stage 3 captures the secondary resonance, which appears as a sharp peak in the high-frequency region.
Stage 4: Optimization. The analytical extraction methodology provides a robust initial model, with slight differences near the resonance peak and transition frequencies, as evidenced in Figure 10. These deviations arise primarily from the complex impedance interactions between the parallel sub-networks. To mitigate these errors and refine the model fidelity, a final optimization procedure is employed. The component values derived in the preceding stages serve as the initial seed parameters for a gradient-based optimization algorithm. The algorithm is configured to minimize the logarithmic error function, ensuring balanced accuracy across both the inductive passband and the resonant peaks:
E r r o r = f log 10 ( | Z m o d e l ( f ) | ) log 10 ( | Z t a r g e t ( f ) | ) 2 .
This objective function prevents the optimizer from being biased toward high-impedance magnitude regions, thereby guaranteeing a precise fit across the entire 20 GHz frequency spectrum. For the inductor, five cells were sufficient to represent the observed frequency characteristics. The number of cells corresponds directly to the observable independent features in the target data. Adding further cells beyond this point yielded no significant improvement in fitting accuracy.

2.2.3. Inductor Model Validation

The systematic extraction procedure described in Section 2.2.2 was applied to fit the target data across frequency as shown in Figure 11. The final circuit parameters are summarized in Table 2.
To verify the accuracy of the proposed model, the model impedance characteristics were compared against the manufacturer’s measurement data. The proposed model and the target data are compared to present the validation results in Figure 12. Figure 12a presents the non-linear resistance behavior in ESR due to the skin effect and proximity effect. As observed in Figure 12a, the proposed model utilizing multiple parallel-connected series RL networks accurately tracks this rising slope throughout the passband.
Furthermore, Figure 12b,c show the inductance and capacitance graphs, which accurately align with the target SRF, characterized by the impedance maximum (or admittance minimum). In addition, the RLC network demonstrates the model’s ability to track the secondary resonance at the upper frequency edge, ensuring the model remains valid even beyond the primary resonance. Overall, the excellent agreement between the model and target confirms that the proposed multi-network parallel topology is highly effective for modeling wideband RF inductors.

3. Conclusions

This paper presented a physically guided and systematic piecewise equivalent-circuit modeling methodology for capacitors up to 6 GHz and inductors up to 20 GHz. The proposed approach enables the construction of accurate SPICE models directly from measured impedance characteristics by exploiting the frequency-dependent R, L, and C behaviors of passive components. For capacitors, a series RLC core combined with parallel RC, RL, and RLC sub-networks was employed to capture dielectric losses, skin effects, and parasitic resonances across frequency. For inductors, an admittance-based formulation using parallel RL and RLC networks was adopted to model skin-effect-induced losses and secondary resonances.
This study establishes that robust broadband modeling of passive components is achievable through a physically-guided methodology, eliminating the need for unconstrained numerical approximations while maintaining computational efficiency. The final models exhibit excellent agreement with manufacturer-provided measurement data, accurately reproducing the primary self-resonant frequency as well as secondary resonance features. In conclusion, the proposed methodology provides a transparent, scalable, and practically applicable framework for RF circuit and system-level simulation. While validated using specific high-frequency components, the underlying physical principles of the piecewise construction ensure that the modeling procedure is broadly applicable to any RF capacitor or inductor exhibiting frequency-dependent non-ideal behavior. As a result, the proposed framework provides a robust solution for RF circuit design using readily accessible data.

Author Contributions

Conceptualization, D.-W.P.; methodology, R.A., Y.L. and D.-W.P.; software, R.A. and Y.L.; validation, R.A., Y.L. and D.-W.P.; formal analysis, R.A., Y.L. and D.-W.P.; investigation, R.A. and Y.L.; resources, R.A. and Y.L.; data curation, R.A. and Y.L.; writing—original draft preparation, R.A. and Y.L.; writing—review and editing, R.A., Y.L. and D.-W.P.; visualization, R.A. and Y.L.; supervision, R.A., Y.L. and D.-W.P.; project administration, R.A., Y.L. and D.-W.P.; funding acquisition, D.-W.P. All authors have read and agreed to the published version of the manuscript.

Funding

This research was supported by an internal university research fund. This research was supported by Seoul National University of Science and Technology.

Informed Consent Statement

Informed consent was obtained from all subjects involved in the study.

Data Availability Statement

The original contributions presented in this study are included in the article material. Further inquiries can be directed to the corresponding authors.

Conflicts of Interest

The authors declare no conflicts of interest.

References

  1. Global Passive Electronic Components Market Size, Share by 2033. Available online: https://straitsresearch.com/report/passive-electronic-components-market (accessed on 29 October 2025).
  2. Hietanen, M.; Aikio, J.P.; Rahkonen, T.; Leinonen, M.E.; Pärssinen, A. Technology-Dependent Capacity Analysis for 6G RF Front Ends with D-Band Implementation Using 22-nm CMOS SOI. IEEE Trans. Microw. Theory Tech. 2025, 73, 4983–4998. [Google Scholar] [CrossRef]
  3. Neugebauer, T.C.; Perreault, D.J. Parasitic capacitance cancellation in filter inductors. IEEE Trans. Power Electron. 2006, 21, 282–288. [Google Scholar] [CrossRef]
  4. Lu, J.; Ou, L. Modeling ceramic and tantalum capacitors by automatic SPICE parameter extractions. In Proceedings of the Twentieth Annual IEEE Applied Power Electronics Conference and Exposition, Austin, TX, USA, 6–10 March 2005. [Google Scholar]
  5. Lu, T.; Wu, K.; Yang, Z.; Jin, J.-M. Modeling capacitor derating in power integrity simulation. In Proceedings of the 2017 IEEE International Symposium on Electromagnetic Compatibility & Signal/Power Integrity (EMCSI), Washington, DC, USA, 7–11 August 2017. [Google Scholar]
  6. Kuo, C.C.; Kuo, M.Y.; Kuo, M.S. Modeling of capacitors and nonlinear inductors using piecewise curve fitting technique. In Proceedings of the 1994 IEEE Workshop on Computers in Power Electronics, Trois-Rivieres, QC, Canada, 7–10 August 1994. [Google Scholar]
  7. Valdivia, V.; López del Moral, D.L.; Sanz, M.; Barrado, A.; Lázaro, A.; Tonicello, F. Simple and systematic modeling procedure of capacitors based on frequency response. In Proceedings of the 2011 Twenty-Sixth Annual IEEE Applied Power Electronics Conference and Exposition (APEC), Fort Worth, TX, USA, 6–11 March 2011. [Google Scholar]
  8. SimSurfing. Available online: https://ds.murata.com/simsurfing/index.html (accessed on 13 November 2025).
  9. Pozar, D.M. Microwave Engineering, 4th ed.; Wiley: Hoboken, NJ, USA, 2011. [Google Scholar]
  10. Imburgia, A.; Kaziz, S.; Romano, P.; Flandre, D.; Artale, G.; Rizzo, G.; Viola, F.; Ala, G.; Tounsi, F. Printed-Board Inductive Loop Topologies Performance for Partial Discharges Detection. IEEE Trans. Ind. Appl. 2024, 60, 5655–5662. [Google Scholar] [CrossRef]
Figure 1. Measured impedance characteristics of the RF capacitor provided by Murata [8], decomposed into (a) resistance (R), (b) inductance (L), and (c) capacitance (C) as functions of frequency.
Figure 1. Measured impedance characteristics of the RF capacitor provided by Murata [8], decomposed into (a) resistance (R), (b) inductance (L), and (c) capacitance (C) as functions of frequency.
Microelectronics 02 00005 g001
Figure 2. Proposed broadband ECM topology for the RF capacitor, employing a frequency-segmented, piecewise structure.
Figure 2. Proposed broadband ECM topology for the RF capacitor, employing a frequency-segmented, piecewise structure.
Microelectronics 02 00005 g002
Figure 3. Flowchart of capacitor modeling procedures.
Figure 3. Flowchart of capacitor modeling procedures.
Microelectronics 02 00005 g003
Figure 4. The step-by-step stage evolution, decomposed into (a) resistance (R), (b) inductance (L), and (c) capacitance (C) as functions of frequency.
Figure 4. The step-by-step stage evolution, decomposed into (a) resistance (R), (b) inductance (L), and (c) capacitance (C) as functions of frequency.
Microelectronics 02 00005 g004
Figure 5. The final schematic (topology).
Figure 5. The final schematic (topology).
Microelectronics 02 00005 g005
Figure 6. The final validation (model vs. target after tuning), decomposed into (a) resistance (R), (b) inductance (L), and (c) capacitance (C) as functions of frequency.
Figure 6. The final validation (model vs. target after tuning), decomposed into (a) resistance (R), (b) inductance (L), and (c) capacitance (C) as functions of frequency.
Microelectronics 02 00005 g006
Figure 7. Measured impedance characteristics of the RF inductor provided by Murata [8], decomposed into (a) resistance (R), (b) inductance (L), and (c) capacitance (C) as functions of frequency.
Figure 7. Measured impedance characteristics of the RF inductor provided by Murata [8], decomposed into (a) resistance (R), (b) inductance (L), and (c) capacitance (C) as functions of frequency.
Microelectronics 02 00005 g007
Figure 8. Proposed broadband ECM topology for the RF inductor, employing a frequency-segmented, piecewise structure.
Figure 8. Proposed broadband ECM topology for the RF inductor, employing a frequency-segmented, piecewise structure.
Microelectronics 02 00005 g008
Figure 9. Flowchart of inductor modeling procedures.
Figure 9. Flowchart of inductor modeling procedures.
Microelectronics 02 00005 g009
Figure 10. The step-by-step stage evolution, decomposed into (a) resistance (R), (b) inductance (L), and (c) capacitance (C) as functions of frequency.
Figure 10. The step-by-step stage evolution, decomposed into (a) resistance (R), (b) inductance (L), and (c) capacitance (C) as functions of frequency.
Microelectronics 02 00005 g010
Figure 11. The final schematic (topology).
Figure 11. The final schematic (topology).
Microelectronics 02 00005 g011
Figure 12. The final validation (model vs. target after tuning), decomposed into (a) resistance (R), (b) inductance (L), and (c) capacitance (C) as functions of frequency.
Figure 12. The final validation (model vs. target after tuning), decomposed into (a) resistance (R), (b) inductance (L), and (c) capacitance (C) as functions of frequency.
Microelectronics 02 00005 g012
Table 1. The final component values.
Table 1. The final component values.
Resistors ( Ω )Inductors (H)Capacitors (F)
R s 1.1 m L s 148 p C s 161 μ
R R C 1 109 m L R L 1 21.6 p C R C 1 9.4 m
R R C 2 15 m L R L 2 68.7 p C R C 2 6.47 m
R R L 1 14.8 m L R L 3 421 p C R L C 1 215 μ
R R L 2 9.33 m L R L 4 68.6 p C R L C 2 405 μ
R R L 3 2.9 m L R L C 1 133 p C R L C 3 37.8 p
R R L 4 2.43 m L R L C 2 171 p C R L C 4 3.43 p
R R L C 1 1.36 m L R L C 3 80.5 p
R R L C 2 1.76 m L R L C 4 156 p
R R L C 3 4.05
R R L C 4 29.5
Table 2. The final component values.
Table 2. The final component values.
Resistors ( Ω )Inductors (H)Capacitors (F)
R p 28.3 k L R L 1 15 n C p 46.6 f
R R L 1 470 m L R L 2 469 n C R L C 1 3.03 f
R R L 2 2.16 k L R L 3 64.6 n
R R L 3 10.5 L R L C 1 16.8 n
R R L C 1 17.7
Disclaimer/Publisher’s Note: The statements, opinions and data contained in all publications are solely those of the individual author(s) and contributor(s) and not of MDPI and/or the editor(s). MDPI and/or the editor(s) disclaim responsibility for any injury to people or property resulting from any ideas, methods, instructions or products referred to in the content.

Share and Cite

MDPI and ACS Style

Aprilliyani, R.; Lee, Y.; Park, D.-W. A Systematic Modeling Methodology for RF Capacitors and Inductors. Microelectronics 2026, 2, 5. https://doi.org/10.3390/microelectronics2010005

AMA Style

Aprilliyani R, Lee Y, Park D-W. A Systematic Modeling Methodology for RF Capacitors and Inductors. Microelectronics. 2026; 2(1):5. https://doi.org/10.3390/microelectronics2010005

Chicago/Turabian Style

Aprilliyani, Ria, Yeonggeon Lee, and Dae-Woong Park. 2026. "A Systematic Modeling Methodology for RF Capacitors and Inductors" Microelectronics 2, no. 1: 5. https://doi.org/10.3390/microelectronics2010005

APA Style

Aprilliyani, R., Lee, Y., & Park, D.-W. (2026). A Systematic Modeling Methodology for RF Capacitors and Inductors. Microelectronics, 2(1), 5. https://doi.org/10.3390/microelectronics2010005

Article Metrics

Back to TopTop