Energy-Based Approach: Analysis of a Laterally Loaded Pile in Multi-Layered Non-Linear Elastic Soil Strata
Abstract
:1. Introduction
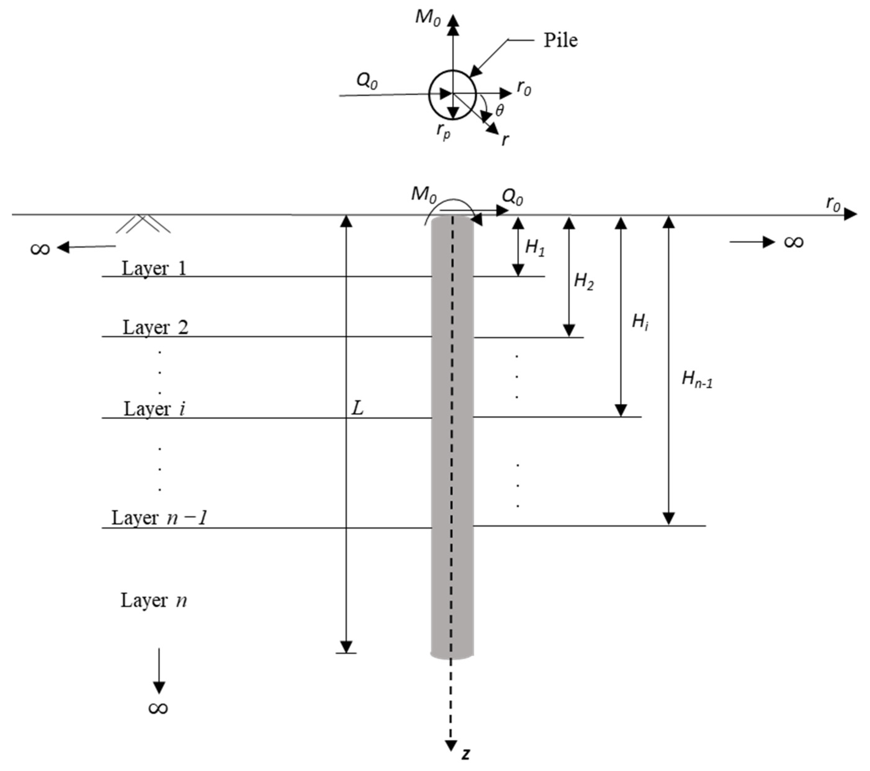
2. Problem Definition
2.1. Soil Non-Linearity
2.2. Basic Assumptions
2.3. Governing Differential Equation
2.4. Output Parameters
- (i)
- Pile Displacement
- (ii)
- Soil Displacement
3. Iterative Solution Methodology
4. Results
4.1. Effect of Explicit Incorporation of Soil Characteristics and Layering
4.2. Accuracy of the Model Considering Soil Non-Linearity
- (a)
- Energy-based Method versus FEA
- (b) Energy-based method versus the published numerical analysis and FEA
“A Numerical Study into Lateral Cyclic Nonlinear Soil-Pile Response”: Allotey and ElNaggar [92].
- (c) Energy-based method versus the field test data
“Soil Modulus for Laterally Loaded Piles”: McClelland and Focht [19].
5. Discussion and Conclusions
6. Future Work
- The proposed analytical models of the present study are subjected to static loads and can be extended to the effect of dynamic loading.
- In the present study, the load-displacement responses of single piles were considered. However, the deformation responses of group piles are larger than the displacement of isolated single piles. Hence, the present work needs to be extended to understand the group action of the piles when subjected to several external loads.
Author Contributions
Funding
Institutional Review Board Statement
Informed Consent Statement
Data Availability Statement
Conflicts of Interest
References
- Moussa, A.; Christou, P. The evolution of analysis methods for laterally loaded piles through time. In International Congress and Exhibition “Sustainable Civil Infrastructures: Innovative Infrastructure Geotechnology”; Springer: Cham, Switzerland, 2017; pp. 65–94. [Google Scholar]
- Blum, H. Wirtschaftliche dalbenformen und deren berechnung. Bautechnik 1932, 10, 50–55. [Google Scholar]
- Hansen, J.B.; Christensen, N.H. The Ultimate Resistance of Rigid Piles against Transversal Forces; Geoteknisk Institute: Copenhagen, Denmarrk, 1961. [Google Scholar]
- Broms, B.B. Lateral resistance of piles in cohesionless soils. J. Soil Mech. Found. Div. 1964, 90, 123–158. [Google Scholar] [CrossRef]
- Broms, B.B. Lateral Resistance of Piles in Cohesive Soils. J. Soil Mech. Found. Div. 1964, 90, 27–63. [Google Scholar] [CrossRef]
- Broms, B.B. Design of Laterally Loaded Piles. J. Soil Mech. Found. Div. 1965, 91, 79–99. [Google Scholar] [CrossRef]
- Winkler, E. Die Lehre von der Elastizit at und Festigkeit; Domimicus: Prague, Czech Republic, 1867. [Google Scholar]
- Biot, M. Bending of an infinite beam on an elastic foundation. Z. Angew. Maih. Mech. 1937, 4, 165–184. [Google Scholar] [CrossRef]
- Hetenyi, M. Beams on Elastic Foundation; The University of Michigan Press: Ann Arbor, MI, USA, 1946. [Google Scholar]
- Barber, E. Discussion to Paper by SM Gleser; ASTM, STP: West Conshohocken, PA, USA, 1953; Volume 154, pp. 96–99. [Google Scholar]
- Terzaghi, K. Evalution of conefficients of subgrade reaction. Geotechnique 1955, 5, 297–326. [Google Scholar] [CrossRef]
- Reese, L.C.; Matlock, H. Nondimensional solutions for laterally loaded piles with soil modulus assumed proportional to depth. In Proceedings of the VIII Texas Conference on Soil Mechanics and Foundation Engineering, University of Texas, Austin, TX, USA, 14–15 September 1956. [Google Scholar]
- Matlock, H.; Reese, L.C. Generalized Solutions for Laterally Loaded Piles. J. Soil Mech. Found. Div. 1960, 86, 63–92. [Google Scholar] [CrossRef]
- Poulos, G.; Davis, H. Pile Foundation Analysis and Design; John Wiley & Sons, Inc.: New York, NY, USA, 1980. [Google Scholar]
- Prakash, S.; Sharma, H.D. Pile Foundations in Engineering Practice; Wiley: Hoboken, NJ, USA, 1990. [Google Scholar]
- Vesic, A. Beams on elastic subgrade and the Winkler’s hypothesis. In Proceedings of the 5th International Conference on Soil Mechanics and Foundation Engineering, Paris, France, 17–22 July 1961; Volume 1, pp. 845–850. [Google Scholar]
- Bowles, J.E. Foundation Analysis and Design, 5th ed.; McGraw-Hill: New York, NY, USA, 1996. [Google Scholar]
- Carter, D.P. A Non-Linear Soil Model for Predicting Lateral Pile Response. Ph.D. Dissertation, University of Auckland, Auckland, New Zealand, 1984. [Google Scholar]
- McClelland, B.; Focht, J.A. Soil Modulus for Laterally Loaded Piles. Trans. Am. Soc. Civ. Eng. 1958, 123, 1049–1063. [Google Scholar] [CrossRef]
- Matlock, H. Correlations for design of laterally loaded piles in soft clay. In Offshore Technology in Civil Engineering’s Hall of Fame Papers from the Early Years; ASCE: Reston, VA, USA, 1970; pp. 77–94. [Google Scholar]
- Reese, L.C.; Cox, W.R.; Koop, F.D. Analysis of laterally loaded piles in sand. In Offshore Technology in Civil Engineering Hall of Fame Papers from the Early Years; ASCE: Reston, VA, USA, 1974; pp. 95–105. [Google Scholar]
- Reese, L.C.; Cox, W.R.; Koop, F.D. Field testing and analysis of laterally loaded piles in stiff clay. In Proceedings of the VII Annual Offshore Technology Conference, Houston, TX, USA, 5–8 May 1975; pp. 672–690. [Google Scholar]
- Lee, P.Y.; Gilbert, L.W. Behavior of laterally loaded pile in very soft clay. In Proceedings of the Offshore Technology Conference, Houston, TX, USA, 2 May 1979. [Google Scholar]
- Stevens, J.; Audibert, J. Re-examination of py curve formulations. In Proceedings of the Offshore Technology Conference, Houston, TX, USA, 2 May 1979. [Google Scholar]
- Georgiadis, M. Development of p-y curves for layered soils. In Geotechnical Practice in Offshore Engineering; ASCE: Reston, VA, USA, 1983; pp. 536–545. [Google Scholar]
- Reese, L.C. Handbook on Design of Piles and Drilled Shafts under Lateral Load; FHWA Report FHWA-IP-84/11; US DOT: Washington, DC, USA, 1984; 360p. [Google Scholar]
- Reese, L.C.; Wang, S. T LPILE PLUS Computer Program Documentation; Ensoft Inc.: Austin, TX, USA, 1989. [Google Scholar]
- Reese, L.C. Analysis of Laterally Loaded Piles in Weak Rock. J. Geotech. Geoenviron. Eng. 1997, 123, 1010–1017. [Google Scholar] [CrossRef]
- Chong, W.; Haque, A.; Ranjith, P.; Shahinuzzaman, A. Effect of joints on p–y behaviour of laterally loaded piles socketed into mudstone. Int. J. Rock Mech. Min. Sci. 2011, 48, 372–379. [Google Scholar] [CrossRef]
- Zhang, L.; McVay, M.C.; Lai, P.W. Centrifuge modelling of laterally loaded single battered piles in sands. Can. Geotech. J. 1999, 36, 1074–1084. [Google Scholar] [CrossRef]
- Mokwa, R.L.; Duncan, J.M.; Helmers, M.J. Development of py curves for partly saturated silts and clays. In New Technological and Design Developments in Deep Foundations; Geotechnical Special Publication; Geo-Denver: Denver, CO, USA, 2000; pp. 224–239. [Google Scholar]
- Rollins, K.M.; Gerber, T.M.; Lane, J.D.; Ashford, S.A. Lateral Resistance of a Full-Scale Pile Group in Liquefied Sand. J. Geotech. Geoenviron. Eng. 2005, 131, 115–125. [Google Scholar] [CrossRef]
- Chang, B.J.; Hutchinson, T.C. Experimental Evaluation of p-y Curves Considering Development of Liquefaction. J. Geotech. Geoenviron. Eng. 2013, 139, 577–586. [Google Scholar] [CrossRef]
- Yang, Z.; Li, Q.; Horazdovsky, J.; Hulsey, J.; Marx, E. Analysis of laterally loaded piles in frozen soils. In State of the Art and Practice in Geotechnical Engineering (GeoCongress2012); Geotechnical Special Publication no. 225; ASCE: Reston, VA, USA, 2012; pp. 215–224. [Google Scholar]
- Suleiman, M.T.; Ni, L.; Helm, J.D.; Raich, A. Soil-Pile Interaction for a Small Diameter Pile Embedded in Granular Soil Subjected to Passive Loading. J. Geotech. Geoenviron. Eng. 2014, 140, 04014002. [Google Scholar] [CrossRef]
- Thieken, K.; Achmus, M.; Lemke, K. A new static p-y approach for piles with arbitrary dimensions in sand. Geotechnik 2015, 38, 267–288. [Google Scholar] [CrossRef]
- Zhu, B.; Sun, Y.X.; Chen, R.P.; Guo, W.D.; Yang, Y.Y. Experimental and Analytical Models of Laterally Loaded Rigid Monopiles with Hardening p–y Curves. J. Waterw. Port Coast. Ocean Eng. 2015, 141, 04015007. [Google Scholar] [CrossRef]
- Lin, C.; Han, J.; Bennett, C.; Parsons, R.L. Analysis of laterally loaded piles in soft clay considering scour-hole dimensions. Ocean Eng. 2016, 111, 461–470. [Google Scholar] [CrossRef]
- Norris, G. Theoretically based BEF laterally loaded pile analysis. In Proceedings of the 3rd International Conference on Numerical Methods in Offshore Piling, Nantes, France, 21–22 May 1986; pp. 361–386. [Google Scholar]
- Desai, C.; Appel, G. 3-D analysis of laterally loaded structures. In Proceedings of the 2nd International Conference on Numerical Methods in Geomechanics, Blacksburg, VA, USA, 20 June 1976; pp. 405–418. [Google Scholar]
- Faruque, M.; Desai, C. 3-D material and geometric nonlinear analysis of piles. In Proceedings of the Second International Conference on Numerical Methods in Offshore Pilling, Austin, TX, USA, 29–30 April 1982; pp. 553–575. [Google Scholar]
- Brown, D.; Kumar, M. PY curves for laterally loaded piles derived from three-dimensional finite element model. Numerical models in geomechanics. In Proceedings of the 3rd International Symposium Held in Niagara Falls (Numog III), Niagara, ON, Canada, 8–11 May 1989; Elsevier Applied Science Publishers Limited: Amsterdam, The Netherlands, 1989. [Google Scholar]
- Brown, D.A.; Shie, C.-F. Three dimensional finite element model of laterally loaded piles. Comput. Geotech. 1990, 10, 59–79. [Google Scholar] [CrossRef]
- Brown, D.A.; Shie, C.-F. Some numerical experiments with a three dimensional finite element model of a laterally loaded pile. Comput. Geotech. 1991, 12, 149–162. [Google Scholar] [CrossRef]
- Trochanis, A.M.; Bielak, J.; Christiano, P. Three-dimensional nonlinear study of piles. J. Geotech. Eng. 1991, 117, 429–447. [Google Scholar] [CrossRef]
- Yang, Z.; Jeremi, B. Numerical analysis of pile behaviour under lateral loads in layered elastic–plastic soils. Int. J. Numer. Anal. Methods Geomech. 2002, 26, 1385–1406. [Google Scholar] [CrossRef]
- Yang, Z.; Jeremi, B. Study of soil layering effects on lateral loading behavior of piles. J. Geotech. Geoenviron. Eng. 2005, 131, 762–770. [Google Scholar] [CrossRef] [Green Version]
- Ahmadi, M.M.; Ahmari, S. Finite-element modelling of laterally loaded piles in clay. Proc. Inst. Civ. Eng.-Geotech. Eng. 2009, 162, 151–163. [Google Scholar] [CrossRef]
- Peng, J.-R.; Rouainia, M.; Clarke, B. Finite element analysis of laterally loaded fin piles. Comput. Struct. 2010, 88, 1239–1247. [Google Scholar] [CrossRef]
- Mardfekri, M.; Gardoni, P.; Roesset, J.M. Modeling Laterally Loaded Single Piles Accounting for Nonlinear Soil-Pile Interactions. J. Eng. 2013, 2013, 243179. [Google Scholar] [CrossRef] [Green Version]
- Tuladhar, R.; Mutsuyoshi, H.; Mäki, T. Numerical modelling and full-scale testing of concrete piles under lateral loading. Aust. J. Struct. Eng. 2013, 14, 229–242. [Google Scholar] [CrossRef]
- Kampitsis, A.E.; Giannakos, S.; Gerolymos, N.; Sapountzakis, E.J. Soil–pile interaction considering structural yielding: Numerical modeling and experimental validation. Eng. Struct. 2015, 99, 319–333. [Google Scholar] [CrossRef]
- Khodair, Y.; Abdel-Mohti, A. Numerical Analysis of Pile–Soil Interaction under Axial and Lateral Loads. Int. J. Concr. Struct. Mater. 2014, 8, 239–249. [Google Scholar] [CrossRef] [Green Version]
- Douglas, D.J.; Davis, E.H. The Movement of Buried Footings due to Moment and Horizontal Load and the Movement of Anchor Plates. Geotechnique 1964, 14, 115–132. [Google Scholar] [CrossRef]
- Spillers, W.R.; Stoll, R.D. Lateral response of piles. J. Soil Mech. Found. Div. 1964, 90, 1–10. [Google Scholar] [CrossRef]
- Poulos, H.G. Behavior of laterally loaded piles: I-single piles. J. Soil Mech. Found. Div. 1971, 97, 711–731. [Google Scholar] [CrossRef]
- Poulos, H.G. Behavior of laterally loaded piles: II-pile groups. J. Soil Mech. Found. Div. 1971, 97, 733–751. [Google Scholar] [CrossRef]
- Poulos, H.G. Analysis of piles in soil undergoing lateral movement. J. Soil Mech. Found. Div. 1973, 99, 391–406. [Google Scholar] [CrossRef]
- Banerjee, P.K.; Davis, T.G. The behaviour of axially and laterally loaded single piles embedded in non-homogeneous soils. Geotechnique 1978, 28, 309–326. [Google Scholar] [CrossRef]
- Davies, T.; Budhu, M. Non-linear analysis of laterally loaded piles in heavily overconsolidated clays. Geotechnique 1986, 36, 527–538. [Google Scholar] [CrossRef]
- Budhu, M.; Davies, T.G. Nonlinear analysis of laterality loaded piles in cohesionless soils. Can. Geotech. J. 1987, 24, 289–296. [Google Scholar] [CrossRef]
- Budhu, M.; Davies, T.G. Analysis of Laterally Loaded Piles in Soft Clays. J. Geotech. Eng. 1988, 114, 21–39. [Google Scholar] [CrossRef]
- Randolph, M.F. The response of flexible piles to lateral loading. Geotechnique 1981, 31, 247–259. [Google Scholar] [CrossRef]
- Sun, K. Laterally Loaded Piles in Elastic Media. J. Geotech. Eng. 1994, 120, 1324–1344. [Google Scholar] [CrossRef]
- Vallabhan, C.V.G.; Das, Y.C. Parametric Study of Beams on Elastic Foundations. J. Eng. Mech. 1988, 114, 2072–2082. [Google Scholar] [CrossRef]
- Zhang, L.; Ernst, H.; Einstein, H.H. Nonlinear Analysis of Laterally LoadedRock-Socketed Shafts. J. Geotech. Geoenviron. Eng. 2000, 126, 955–968. [Google Scholar] [CrossRef]
- Guo, W.D.; Lee, F.H. Load transfer approach for laterally loaded piles. Int. J. Numer. Anal. Methods Geomech. 2001, 25, 1101–1129. [Google Scholar] [CrossRef]
- Basu, D.; Salgado, R. Elastic analysis of laterally loaded pile in multi-layered soil. Geomech. Geoeng. Int. J. 2007, 2, 183–196. [Google Scholar] [CrossRef]
- Shen, W.; Teh, C. Analysis of laterally loaded pile groups using a variational approach. Geotechnique 2002, 52, 201–208. [Google Scholar] [CrossRef]
- Yang, K.; Liang, R. A 3D FEM model for laterally loaded drilled shafts in rock. In Proceedings of the GeoCongress 2006: Geotechnical Engineering in the Information Technology Age, Atlanta, GA, USA, 26 February–1 March 2006; pp. 1–6. [Google Scholar]
- Hashem-ali, S. Analytical Methods for Predicting Load-Displacement Behavior of Piles. Ph.D. Thesis, Durham University, Durham, UK, 2014. [Google Scholar]
- Reissner, E. A Note on Deflections of Plates on a Viscoelastic Foundation. J. Appl. Mech. 1958, 25, 144–145. [Google Scholar] [CrossRef]
- Horvath, J.S. Modulus of Subgrade Reaction: New Perspective. J. Geotech. Eng. 1983, 109, 1591–1596. [Google Scholar] [CrossRef]
- Horvath, J.S. Simplified elastic continuum applied to the laterally loaded pile problem—part 1: Theory. In Laterally Loaded Deep Foundations: Analysis and Performance, STP 835; Mosley, E.T., Thompson, C.D., Eds.; American Society for Testing and Materials: Philadelphia, PA, USA, 1984; pp. 112–121. [Google Scholar]
- Colasanti, R.J.; Horvath, J.S. Practical Subgrade Model for Improved Soil-Structure Interaction Analysis: Software Implementation. Pract. Period. Struct. Des. Constr. 2010, 15, 278–286. [Google Scholar] [CrossRef]
- Horvath, J.S.; Colasanti, R.J. Practical Subgrade Model for Improved Soil-Structure Interaction Analysis: Model Development. Int. J. Geomech. 2011, 11, 59–64. [Google Scholar] [CrossRef]
- Kerr, A.D. Elastic and Viscoelastic Foundation Models. J. Appl. Mech. 1964, 31, 491–498. [Google Scholar] [CrossRef]
- Kerr, A.D. A study of a new foundation model. Acta Mech. 1965, 1, 135–147. [Google Scholar] [CrossRef] [Green Version]
- Yuan, B.; Li, Z.; Zhao, Z.; Ni, H.; Su, Z.; Li, Z. Experimental study of displacement field of layered soils surrounding laterally loaded pile based on transparent soil. J. Soils Sediments 2021, 21, 3072–3083. [Google Scholar] [CrossRef]
- Yuan, B.; Li, Z.; Chen, W.; Zhao, J.; Lv, J.; Song, J.; Cao, X. Influence of Groundwater Depth on Pile–Soil Mechanical Properties and Fractal Characteristics under Cyclic Loading. Fractal Fract. 2022, 6, 198. [Google Scholar] [CrossRef]
- Arvan, P.A.; Arockiasamy, M. Energy-Based Approach: Analysis of a Vertically Loaded Pile in Multi-Layered Non-Linear Soil Strata. Geotechnics 2022, 2, 549–569. [Google Scholar] [CrossRef]
- Gupta, B.K.; Basu, D. Applicability of Timoshenko, Euler–Bernoulli and rigid beam theories in analysis of laterally loaded monopiles and piles. Géotechnique 2018, 68, 772–785. [Google Scholar] [CrossRef]
- Basu, D.; Salgado, R.; Prezzi, M. Analysis of laterally loaded piles in multilayered soil deposits. In FHWA/IN/JTRP-2008/23. Joint Transportation Research Program, Indiana; Department of Transportation and Purdue University: West Lafayette, IN, USA, 2008. [Google Scholar] [CrossRef]
- Atkinson, J.H. Non-linear soil stiffness in routine design. Géotechnique 2000, 50, 487–508. [Google Scholar] [CrossRef]
- Dasari, G.R. Modelling the Variation of Soil Stiffness during Sequential Construction. Ph.D. Thesis, University of Cambridge, Cambridge, UK, 1996. [Google Scholar]
- Osman, A.S.; White, D.J.; Britto, A.M.; Bolton, M.D. Simple prediction of the undrained displacement of a circular surface foundation on non-linear soil. Géotechnique 2007, 57, 729–737. [Google Scholar] [CrossRef] [Green Version]
- Gunn, M.J. The prediction of surface settlement profiles due to tunnelling. In Predictive Soil Mechanics, Proceedings of the Wroth Memorial Symposium held at St Catherine’s College, Oxford, UK, 27–29 July 1992; Thomas Telford Publishing: London, UK, 1992; pp. 304–316. [Google Scholar]
- Bolton, M.D.; Whittle, R.W. A non-linear elastic/perfectly plastic analysis for plane strain undrained expansion tests. Géotechnique 1999, 49, 133–141. [Google Scholar] [CrossRef] [Green Version]
- Vlasov, V.Z.; Leont’ev, N.N. Beams, Plates and Shells on Elastic Foundations; Israel Program for Scientific Translations: Jerusalem, Israel, 1966. [Google Scholar]
- Basu, D.; Salgado, R.; Prezzi, M. A continuum-based model for analysis of laterally loaded piles in layered soils. Géotechnique 2009, 59, 127–140. [Google Scholar] [CrossRef] [Green Version]
- Basu, D.; Salgado, R.; Prezzi, M. A new framework for analysis of laterally loaded piles. J. Geo-Eng. Sci. 2013, 1, 53–67. [Google Scholar] [CrossRef]
- Allotey, N.; El Naggar, H. A numerical study into lateral cyclic nonlinear soil- pile response. Can. Geotech. J. 2008, 45, 1268–1281. [Google Scholar] [CrossRef]






















| S. No. | Pile Properties | Heights of Soil Layers, Hi (m) | Shear Moduli, G0 (MPa) | Poisson’s Ratio (v) |
|---|---|---|---|---|
| Short Pile | ||||
| Case 1 | L = 10 m rp = 0.5 m Ep = 25 × 106 kN/m2 F0 = 1000 kN | Homogeneous soil layer | G02/G01 = 1 G01 = 25 | 0.25 |
| Case 2 | Two-layer soil system, H1 = 2 m | G02/G01 = 2 G01 = 25; G02 = 50 | ||
| Case 3 | Two-layer soil system, H1 = 2 m | G02/G01 = 4 G01 = 25; G02 = 100 | ||
| Case 4 | Two-layer soil system, H1 = 2 m | G02/G01 = 0.5 G01 = 50; G02 = 25 | ||
| Long Pile | ||||
| Case 1 | L = 20 m rp = 0.25 m Ep = 25 × 106 kN/m2 F0 = 1000 kN | Homogeneous soil layer | G01 = G02 = G03 = G04 G01 = 10 | 0.25 |
| Case 2 | Four-layer soil system, H1 = 1 m; H2 = 3 m; H3 = 5 m | G01 = 0.5G02 = 0.25G03 = 0.125G04 G01 = 10; G02 = 20; G03 = 40; G04 = 80 | ||
| Case 3 | Four-layer soil system, H1 = 1 m; H2 = 3 m; H3 = 5 m | G01 = 0.25G02 = 0.25G03 = 0.125G04 G01 = 10; G02 = 40; G03 = 40; G04 = 80 | ||
| Problems | 3D FEA (Seconds) | Energy-Based Method (Seconds) |
|---|---|---|
| 12 (a) | 4343 | 169 |
| 12 (b) | 4389 | 178 |
Publisher’s Note: MDPI stays neutral with regard to jurisdictional claims in published maps and institutional affiliations. |
© 2022 by the authors. Licensee MDPI, Basel, Switzerland. This article is an open access article distributed under the terms and conditions of the Creative Commons Attribution (CC BY) license (https://creativecommons.org/licenses/by/4.0/).
Share and Cite
Arvan, P.A.; Arockiasamy, M. Energy-Based Approach: Analysis of a Laterally Loaded Pile in Multi-Layered Non-Linear Elastic Soil Strata. Geotechnics 2022, 2, 570-598. https://doi.org/10.3390/geotechnics2030028
Arvan PA, Arockiasamy M. Energy-Based Approach: Analysis of a Laterally Loaded Pile in Multi-Layered Non-Linear Elastic Soil Strata. Geotechnics. 2022; 2(3):570-598. https://doi.org/10.3390/geotechnics2030028
Chicago/Turabian StyleArvan, Prakash Ankitha, and Madasamy Arockiasamy. 2022. "Energy-Based Approach: Analysis of a Laterally Loaded Pile in Multi-Layered Non-Linear Elastic Soil Strata" Geotechnics 2, no. 3: 570-598. https://doi.org/10.3390/geotechnics2030028
APA StyleArvan, P. A., & Arockiasamy, M. (2022). Energy-Based Approach: Analysis of a Laterally Loaded Pile in Multi-Layered Non-Linear Elastic Soil Strata. Geotechnics, 2(3), 570-598. https://doi.org/10.3390/geotechnics2030028

