Energy-Based Approach: Analysis of a Vertically Loaded Pile in Multi-Layered Non-Linear Soil Strata
Abstract
:1. Introduction
1.1. Linear Elastic Soil Model
1.2. Constitutive Model for Non-Linear Soil Behavior
1.3. Research Significance
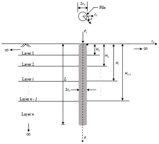
2. Problem Definition
2.1. Basic Assumptions
2.2. Governing Differential Equation
2.3. Output Parameters
- (i.)
- Pile Displacement
- (ii.)
- Soil Displacement
2.4. Soil Non-Linearity
3. Iterative Solution Methodology
4. Results
4.1. Effect of Explicit Incorporation of Soil Characteristics and Layering
4.2. Accuracy of the Model Considering the Soil Non-Linearity
- (a).
- Energy-based Method versus the field test data
- (b).
- Energy-based Method versus FEA
5. Discussions
6. Conclusions
- An analytical model has been developed based on the energy-based approach to predict the load-displacement responses of the piles embedded in multi-layered soil strata subjected to static loading conditions.
- The analytical technique included the pile conventionally modeled as a Euler-Bernoulli beam and the soil as a 3D continuum considering the effect of non-linearity through constitutive relationships (describes the variation of secant modulus with strain).
- The differential equations are solved analytically and numerically using the variational principle of mechanics. A parametric study investigated the effect of explicit incorporation of soil properties and layering in order to understand the importance of predicting appropriate pile displacement responses in linear elastic soil system. Results indicate that the normalized pile head stiffness decreases with the value of slenderness ratio L/D for end-bearing piles and increases for friction piles. The difference in the observed normalized pile stiffness becomes smaller as the soil becomes weaker (i.e., as Ep/G becomes larger) and when the soil becomes extremely weak, there is no difference observed in the normalized pile head stiffness for all the cases. It is clear from the results that the analyses which consider the soil as a single layer will not be able to produce an accurate estimation of the pile stiffnesses. Therefore, it is highly important to account for the effect of soil layering and the non-linear response.
- The present energy-based method considering the non-linear response of the soil gives a good approximation of the field data when compared to the linear elastic solution and the FEA.
- The developed mathematical framework is also more computationally efficient than the 3D FEA.
7. Limitations and Recommendations for Future Work
- The main goal of this study is to extend the same approach to laterally loaded piles and to the combined action of lateral and axial loading on the pile.
- The non-linear analysis framework should be extended to include different constitutive soil models such as the elastic-plastic model especially for piles in sandy soil deposits.
- The proposed analytical models of the present study are subjected to static loads and can be extended to the effect of dynamic loading.
- The present analysis can be utilized to obtain the response of piles for other structures where the effect of pile-soil separation and slippage may have a significant effect on the non-linear pile response. Hence, the current nonlinear analysis framework can be extended to include the effect of pile-soil separation and slippage.
- In the present study, the load-displacement responses of single piles have been considered. However, the deformation responses of group piles is larger than the displacement of isolated single piles. Hence, the present work needs to be extended to understand the group action of the piles when subjected to several external loads.
Author Contributions
Funding
Institutional Review Board Statement
Informed Consent Statement
Conflicts of Interest
References
- Poulos, H.G. Behavior of laterally loaded piles: I-Single Piles. J. Soil Mech. Found. Div. 1971, 97, 711–731. [Google Scholar] [CrossRef]
- Poulos, H.G. Behavior of laterally loaded piles: II pile groups. J. Soil Mech. Found. Div. 1971, 97, 733–751. [Google Scholar] [CrossRef]
- Banerjee, P.K.; Davies, T.G. The behaviour of axially and laterally loaded single piles embedded in non-homogeneous soils. Géotechnique 1978, 28, 309–326. [Google Scholar] [CrossRef]
- Basack, S.; Dey, S. Pile subjected to lateral cycle loading in sand. In Proceedings of the Indian Geotechnical Conference, Kochi, India, 15–17 December 2011; p. N343. [Google Scholar]
- Georgiadis, K.; Sloan, S.W.; Lyamin, A.V. Undrained limiting lateral soil pressure on a row of piles. J. Comput. Geotech. 2013, 54, 175–184. [Google Scholar] [CrossRef]
- Verruijt, A.; Kooijman, P.A. Laterally Loaded Piles in a Layered Elastic Medium. Géotechnique 1989, 39, 39–46. [Google Scholar] [CrossRef]
- Basu, D.; Salgado, R.; Prezzi, M. Analysis of Laterally Loaded Piles in Multilayered Soil Deposits; Publication FHWA/IN/JTRP-2008/23. Joint Transportation Research Program, Indiana; Department of Transportation, Purdue University: West Lafayette, IN, USA, 2008. [Google Scholar] [CrossRef]
- Randolph, M.F. The response of flexible piles to lateral loading. Géotechnique 1981, 31, 247–259. [Google Scholar] [CrossRef]
- Brown, D.A.; Shie, C.; Kumar, M. P–y curves for laterally loaded piles derived from three- dimensional finite element model. In Proceedings of the 3rd International Symposium on Numerical Models in Geomechanics (NUMOG III), Niagara Falls, ON, USA, 8–11 May 1989; pp. 683–690. [Google Scholar]
- Trochanis, A.M.; Bielak, J.; Christiano, P. Three-dimensional nonlinear study of piles. J. Geotech. Eng. 1991, 117, 429–447. [Google Scholar] [CrossRef]
- Carter, J.P.; Kulhawy, F.H. Analysis of laterally loaded shafts in rock. J. Geotech. Eng. 1992, 118, 839–855. [Google Scholar] [CrossRef]
- Bransby, M.F.; Springman, S.M. 3D finite element modelling of pile groups adjacent to surcharge loads. J. Comput. Geotech. 1996, 19, 301–324. [Google Scholar] [CrossRef]
- Bransby, M.F. Selection of p–y curves for the design of single laterally loaded piles. Int. J. Numer. Anal. Methods Geomech. 1999, 23, 1909–1926. [Google Scholar] [CrossRef]
- Ng, C.W.W.; Zhang, L.M. Three-dimensional analysis of performance of laterally loaded sleeved piles in sloping ground. J. Geotech. Geoenviron. Eng. 2001, 127, 499–509. [Google Scholar] [CrossRef]
- Buachart, C.; Hansapinyo, C.; Kanok-Nukulchai, W. Analysis of axial loaded pile in multilayered soil using nodal exact finite element model. GEOMATE J. 2018, 14, 1–7. [Google Scholar] [CrossRef]
- Klar, A.; Frydman, S. Three-dimensional analysis of lateral pile response using two-dimensional explicit numerical scheme. J. Geotech. Geoenviron. Eng. 2002, 128, 775–784. [Google Scholar] [CrossRef]
- Basu, D.; Prezzi, M.; Salgado, R.; Chakraborty, T. Settlement analysis of piles with rectangular cross sections in multi-layered soils. Comput. Geotech. J. 2008, 35, 563–575. [Google Scholar] [CrossRef]
- Haldar, S.; Sivakumar Babu, G.L. Response of vertically loaded pile in clay: A probabilistic study. J. Geotech. Geol. Eng. 2012, 30, 187–196. [Google Scholar] [CrossRef]
- Basack, S.; Dey, S. Influence of relative pile-soil stiffness and load eccentricity on single pile response in sand under lateral cyclic loading. Geotech. Geol. Eng. Int. J. 2012, 30, 737–751. [Google Scholar] [CrossRef]
- Li, X.; Zhou, H.; Liu, H.; Chen, Z. Three-dimensional analytical continuum model for axially loaded noncircular piles in multilayered elastic soil. Int. J. Numer. Anal. Methods Geomech. 2021, 45, 2654–2681. [Google Scholar] [CrossRef]
- Luamba, E.S.; de Paiva, J.B. Static analysis of axially loaded piles in multilayered soils using a BEM/FEM formulation. Eng. Anal. Bound. Elem. 2022, 135, 63–72. [Google Scholar] [CrossRef]
- Chen, H.; Li, L.; Li, J.; Sun, D.A. A rigorous elastoplastic load-transfer model for axially loaded pile installed in saturated modified Cam-clay soils. Acta Geotech. 2022, 17, 635–651. [Google Scholar] [CrossRef]
- Vlasov, V.Z. Beams, Plates and Shells on Elastic Foundations; Israel Program for Scientific Translations: Jerusalem, Israel, 1996. [Google Scholar]
- Vallabhan, C.V.G.; Das, Y.C. Modified Vlasov model for beams on elastic foundations. J. Geotech. Eng. 1991, 117, 956–966. [Google Scholar] [CrossRef]
- Basu, D.; Salgado, R. Elastic analysis of laterally loaded pile in multi-layered soil. J. Geomech. Geoeng. 2007, 2, 183–196. [Google Scholar] [CrossRef]
- Basu, D.; Salgado, R.; Prezzi, M. A continuum- based model for analysis of laterally loaded piles in layered soils. Géotechnique 2009, 59, 127–140. [Google Scholar] [CrossRef] [Green Version]
- Seo, H.; Prezzi, M. Analytical solutions for a vertically loaded pile in multilayered soil. Geomech. Geoeng. Int. J. 2007, 2, 51–60. [Google Scholar] [CrossRef]
- Seo, H.; Basu, D.; Prezzi, M.; Salgado, R. Load-settlement response of rectangular and Circular piles in multilayered soil. J. Geotech. Geoenviron. Eng. 2009, 135, 420–430. [Google Scholar] [CrossRef]
- Asik, M.Z.; Vallaban, C.V.G. A simplified model for the analysis of machine foundations on non-saturated elastic and linear soil layer. J. Comput. Struct. 2001, 79, 2717–2726. [Google Scholar] [CrossRef]
- Hashem-Ali, S. Fidel Analytical Methods for Predicting Load-Displacement Behavior of Piles. Durham. Ph.D. Thesis, Durham University, Durham, UK, 2014. Available online: http://etheses.dur.ac.uk/10918/ (accessed on 28 June 2022).
- Koutsoftas, D.C.; Ladd, C.C. Design strengths for an offshore clay. J. Soil Mech. Found. Div. 1985, 111, 337–355. [Google Scholar] [CrossRef]
- Kulhawy, F.H.; Mayne, P.W. Manual on Estimating Soil Properties for Foundation Design; Report 421 No. EL-6800; Electric Power Research Institute: Palo Alto, CA, USA, 1990. [Google Scholar]
- Atkinson, J.H. Non-linear soil stiffness in routine design. Géotechnique 2000, 50, 478–508. [Google Scholar] [CrossRef]
- Jardine, R.J.; Symes, M.J.; Burland, J.B. The measurement of soil stiffness in the triaxial apparatus. Géotechnique 1984, 34, 323–340. [Google Scholar] [CrossRef]
- Burland, J.B. 30th Rankine lecture- on the compressibility and shear-strength of natural clays. Géotechnique 1990, 40, 329–378. [Google Scholar] [CrossRef]
- Atkinson, J.H.; Sallfors, G. Experimental determination of stress-strain-time characteristics in laboratory and in situ tests. In Proceedings of the 10th European Conference on Soil Mechanics and Foundation Engineering, Florence, Italy, 26–30 May 1991; Volume 3, pp. 915–956. [Google Scholar]
- Houlsby, G.T.; Wroth, C.P. The variation of shear modulus of a clay with pressure and over consolidation ratio. J. Soils Found. 1991, 31, 138–143. [Google Scholar] [CrossRef] [Green Version]
- Osman, A.S.; Bolton, M.D. A new approach to the estimation of undrained settlement of shallow foundations on soft clay. Eng. Pract. Perform. Soft Depos. IS-OSAKA 2004, 93–98. [Google Scholar]
- Osman, A.S.; White, D.J.; Britto, A.M.; Bolton, M.D. Simple prediction of the undrained displacement of a circular surface foundation on non-linear soil. Géotechnique 2007, 57, 729–737. [Google Scholar] [CrossRef] [Green Version]
- Hardin, B.O.; Drnevich, V.P. Shear modulus and damping in soils: Design equations and curves. J. Soil Mech. Found. Div. 1972, 98, 667–692. [Google Scholar] [CrossRef]
- Hardin, B.O. The nature of the stress-strain behaviour of soils. Earthq. Eng. Soil Dyn. 1978, 1, 3–9. [Google Scholar]
- Vucetic, M. Cyclic threshold shear strains in soils. J. Geotech. Geoenviron. Eng. 1994, 120, 2208–2228. [Google Scholar] [CrossRef]
- Yamashita, S.; Hori, T.; Suzuki, T. Effects of fabric anisotropy and stress condition on small strain stiffness of sands. Deform. Charact. Geomater. 2003, 1, 187–194. [Google Scholar]
- Bolton, M.D.; Whittle, R.W. A non-linear elastic perfectly plastic analysis for plane strain undrained expansion. Géotechnique 1999, 49, 133–141. [Google Scholar] [CrossRef] [Green Version]
- Bolton, M.D.; Sun, H.W.; Britto, A.M. Finite element analyses of bridge abutments of firm clay. Comput. Geotech. J. 1993, 15, 221–245. [Google Scholar] [CrossRef]
- Gunn, M.J. The prediction of surface settlement profiles due to tunnelling. In Predictive Soil Mechanics, Proceedings of the Wroth Memorial Symposium, Oxford, UK, 27–29 July 1992; Thomas Telford Publishing: London, UK, 1992; pp. 304–316. [Google Scholar]
- Salgado, R.; Prezzi, M.; Seo, H. Advanced modeling tools for the analysis of axially loaded piles. In Proceedings of the International Workshop on Recent Advances in Deep Foundations (IWDPF07), Yokosuka, Japan, 1–2 February 2007. [Google Scholar]
- Vallabhan, C.V.G.; Mustafa, G. A new model for the analysis of settlement of drilled piers. Int. J. Numer. Anal. Methods Geomech. 1996, 20, 143–152. [Google Scholar] [CrossRef]
- Lee, K.-M.; Xiao, Z.R. A new analytical model for settlement analysis of a single pile in multi-layered soil. J. Soils Found. 1999, 39, 131–143. [Google Scholar] [CrossRef] [Green Version]
- Dasari, G.R. Modelling the Variation of Soil Stiffness during Sequential Construction. Ph.D. Thesis, University of Cambridge, Cambridge, UK, 1996. [Google Scholar]
- Russo, G. Full-scale load test on instrumented micropiles. Proc. Inst. Civ. Eng. Geotech. Eng. 2004, 157, 127–135. [Google Scholar] [CrossRef]
- Farhangi, V.; Karakouzian, M.; Geertsema, M. Effect of Micropiles on Clean Sand Liquefaction Risk Based on CPT and SPT. Appl. Sci. 2020, 10, 3111. [Google Scholar] [CrossRef]
- Farrell, E.; Lehane, B.; Loopy, M. An instrumented driven pile in Dublin boulder clay. J. Geotech. Eng. Div. 1998, 131, 233–241. [Google Scholar] [CrossRef]
- Skipper, J.; Follet, B.; Menkiti, C.O.; Long, M.; Clarke-Hughes, J. The engineering geology and characterisation of Dublin Boulder Clay. Q. J. Eng. Geol. Hydrogeol. 2005, 38, 171–187. [Google Scholar] [CrossRef]
- Long, M.; Menkiti, C.O. Geotechnical properties of Dublin boulder clay. Géotechnique 2007, 57, 595–611. [Google Scholar] [CrossRef] [Green Version]
- Farrell, E.R.; Bunni, N.G.; Mulligan, J. The bearing capacity of Dublin black boulder clay. Trans. Inst. Eng. Irel. 1988, 112, 77–104. [Google Scholar]
- Gavin, K.; Cadogan, D.; Towmey, L. Axial resistance of CFA piles in Dublin Boulder Clay. Proc. Inst. Civ. Eng. Geotech. Eng. 2008, 161, 171–180. [Google Scholar] [CrossRef]
- Farrell, E.R.; Coxon, P.; Doff, D.H.; Priedhomme, L. The genesis of brown boulder clay of Dublin. Q. J. Eng. Geol. 1995, 28, 143–152. [Google Scholar] [CrossRef]
- Afsharhasani, R.; Karakouzian, M.; Farhangi, V. Effect of Competent Caliche Layers on Measuring the Capacity of Axially Loaded Drilled Shafts Using the Osterberg Test. Appl. Sci. 2020, 10, 6169. [Google Scholar] [CrossRef]


















| S. No. | Soil and Pile Parameters | Heights of Soil Layers, Hi (m) | Shear Moduli, G0 (MPa) | |
|---|---|---|---|---|
| Case 1 | (a) | L; D = 2r0; Ep; Pt Ep/G02 = 1000 L/D = 25 | Two-layer soil system, H1 = 0 to L | G01/G02 = 0.2; G01/G02 = 0.5; G01/G02 = 1; G01/G02 = 2; G01/G02 = 5 |
| (b) | L; D = 2r0; Ep; Pt L/D = 25 | Two-layer soil system, H1 = H2 = 0.5 L | G01/G02 = 0.2; G01/G02 = 0.5; G01/G02 = 1; G01/G02 = 2; G01/G02 = 5 | |
| Case 2 | (a) | L; D = 2r0; Ep; Pt Ep/G = 1000 L/D = 25 | Three-layer soil system, H1 = H2 = H3 = L/3 | G01 = G; G02 = 2G01; G03 = 4G01 |
| (b) | L; D = 2r0; Ep; Pt Ep/G = 1000 L/D = 25 | Three-layer soil system, H1 = H2 = H3 = L/3 | G01 = 2G02; G02 = G; G03 = 4G02 | |
| (c) | L; D = 2r0; Ep; Pt Ep/G = 1000 L/D = 25 | Three-layer soil system, H1 = H2 = H3 = L/3 | G01 = 4 G03; G02 = 2 G03; G03 = G | |
| Soil Characteristics | Soil Thickness (m) | Young’s Modulus, E (MPa) | Shear Modulus, G0 (MPa) | Poisson’s Ratio |
|---|---|---|---|---|
| Layer 1 | 12 | 50 | 35 | 0.3 |
| Layer 2 | 9 | 117 | 18 | 0.3 |
Publisher’s Note: MDPI stays neutral with regard to jurisdictional claims in published maps and institutional affiliations. |
© 2022 by the authors. Licensee MDPI, Basel, Switzerland. This article is an open access article distributed under the terms and conditions of the Creative Commons Attribution (CC BY) license (https://creativecommons.org/licenses/by/4.0/).
Share and Cite
Arvan, P.A.; Arockiasamy, M. Energy-Based Approach: Analysis of a Vertically Loaded Pile in Multi-Layered Non-Linear Soil Strata. Geotechnics 2022, 2, 549-569. https://doi.org/10.3390/geotechnics2030027
Arvan PA, Arockiasamy M. Energy-Based Approach: Analysis of a Vertically Loaded Pile in Multi-Layered Non-Linear Soil Strata. Geotechnics. 2022; 2(3):549-569. https://doi.org/10.3390/geotechnics2030027
Chicago/Turabian StyleArvan, Prakash Ankitha, and Madasamy Arockiasamy. 2022. "Energy-Based Approach: Analysis of a Vertically Loaded Pile in Multi-Layered Non-Linear Soil Strata" Geotechnics 2, no. 3: 549-569. https://doi.org/10.3390/geotechnics2030027
APA StyleArvan, P. A., & Arockiasamy, M. (2022). Energy-Based Approach: Analysis of a Vertically Loaded Pile in Multi-Layered Non-Linear Soil Strata. Geotechnics, 2(3), 549-569. https://doi.org/10.3390/geotechnics2030027

