Influence of Hydrogen on the Performance and Emissions Characteristics of a Spark Ignition Ammonia Direct Injection Engine
Abstract
:1. Introduction
2. Materials and Methods
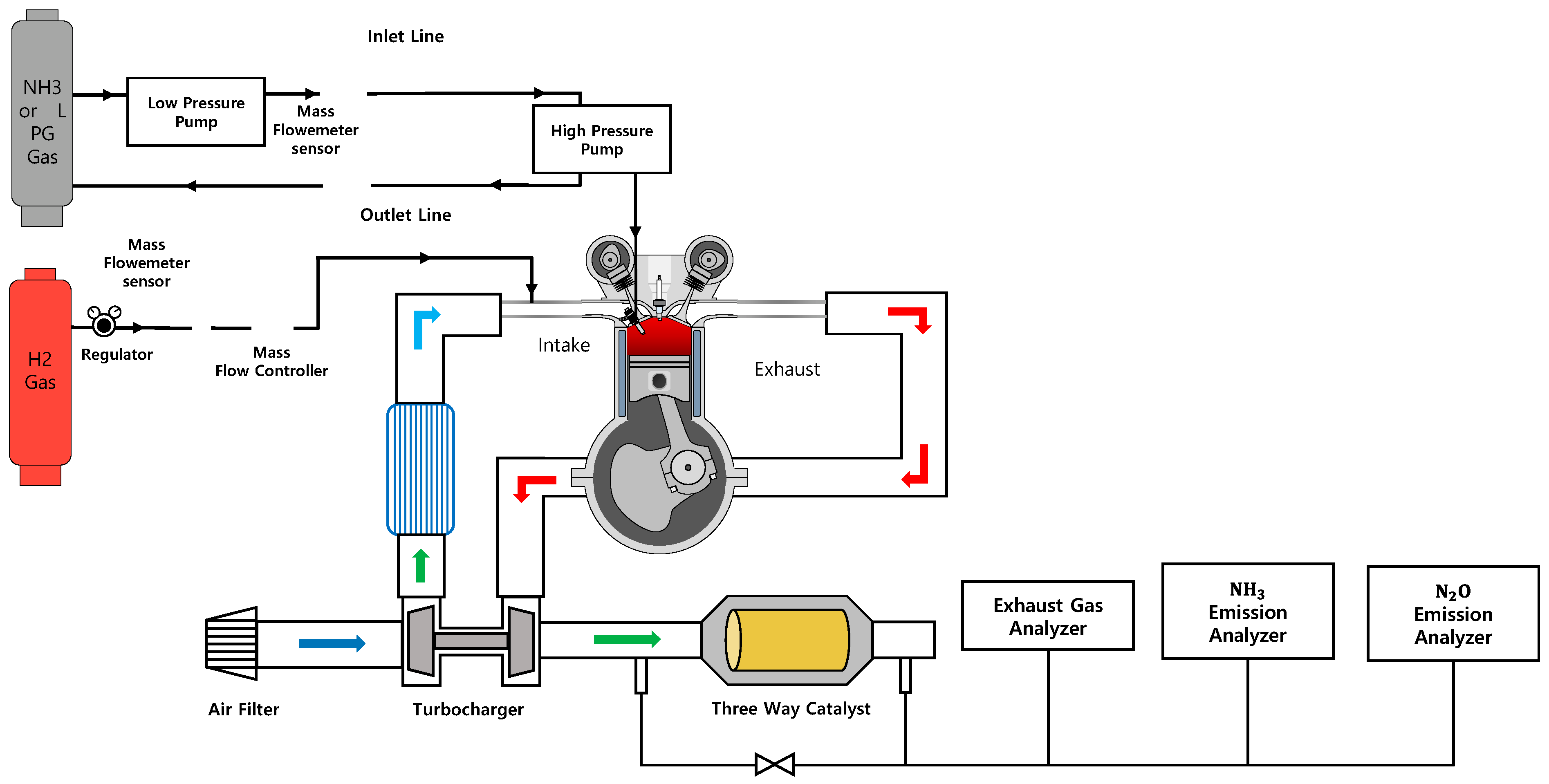
2.1. Experimental Apparatus
2.2. Experimental Procedure
3. Results and Discussion
3.1. Load Extension with Hydrogen Addition
3.2. Speed Extension with Hydrogen Addition
4. Conclusions
- Stable combustion is impossible under low-load or low-speed operating conditions (where the density of the mixture relative to the displacement of the combustion chamber is low), as well under engine speed conditions higher than 1500 rpm, because of the cooling of the mixture by latent heat and the slow combustion rate of ammonia, respectively.
- At 1500 rpm, with the addition of 10% hydrogen, a maximum torque of 263.5 Nm, 20.26% more than that achievable with only ammonia fuel, was attained. Moreover, by reducing the fuel and air flow rates, combustion stability was established at a torque of 140 Nm.
- Under constant torque, the intake manifold pressure was similar, irrespective of hydrogen addition, or was slightly higher owing to low efficiency; however, the intake air flow rate decreased when hydrogen was added.
- When only ammonia was used as the fuel, the difference in ignition timing was not large, resulting in a very minor increase of NOx to 2000 ppm as the load increased. With the addition of hydrogen, the NOx emission increased as the torque increased, up to a load of 200 Nm, and then decreased again under higher torque conditions.
- Up to 2000 rpm, stable operation of the ammonia engine was possible with only 10% hydrogen addition; however, combustion was stabilized at higher engine speeds only when the hydrogen ratio increased. At 3000 rpm, the flow rate of the supplied hydrogen was 1 kg/h, and a high hydrogen energy rate of 17% or more was required.
Author Contributions
Funding
Data Availability Statement
Conflicts of Interest
Nomenclature
| BTDC | Before top dead center |
| CAD | Crank angle degree |
| COVIMEP | Coefficient of variation for indicated mean effective pressure |
| LPG | Liquid petroleum gas |
| MBT | Minimum advance for the best torque |
| MFB10 | 10% of mass fraction burned |
| MFB90 | 90% of mass fraction burned |
| MIE | Minimum ignition energy |
References
- Kobayashi, H.; Hayakawa, A.; Somarathne, K.D.K.A.; Okafor, E.C. Science and technology of ammonia combustion. Proc. Combust. Inst. 2019, 37, 109–133. [Google Scholar] [CrossRef]
- Chung, Y.H.; Lee, W.-J.; Kang, J.; Yoon, S.H. Fire Safety Evaluation of High-Pressure Ammonia Storage Systems. Energies 2022, 15, 520. [Google Scholar] [CrossRef]
- Lhuillier, C.; Brequigny, P.; Contino, F.; Mounaïm-Rousselle, C. Experimental investigation on ammonia combustion behavior in a spark-ignition engine by means of laminar and turbulent expanding flames. Proc. Combust. Inst. 2021, 38, 5859–5868. [Google Scholar] [CrossRef]
- Heywood, J.B. Internal Combustion Engine Fundamentals; McGraw-Hill: New York, NY, USA, 1988. [Google Scholar]
- Lesmana, H.; Zhang, Z.; Li, X.; Zhu, M.; Xu, W.; Zhang, D. NH3 as a Transport Fuel in Internal Combustion Engines: A Technical Review. J. Energy Resour. Technol. 2019, 141, 070703. [Google Scholar] [CrossRef]
- Zakva, M. Device for Operating Internal Combustion Engines with Mixtures of Ammonia, Hydrogen, and Nitrogen Prepared from Ammonia. U.S. Patent 2,140,254, 13 December 1938. [Google Scholar]
- Koch, E. Ammonia–a fuel for motor buses. J. Inst. Pet. 1945, 31, 213. [Google Scholar]
- Grimes, P.G. Energy Depot Fuel Production and Utilization. SAE Trans. 1965, 74, 281–299, 316–326. [Google Scholar] [CrossRef]
- Rosenthal, A.B. Energy depot—A concept for reducing the military supply burden. SAE Trans. 1966, 74, 274–326. [Google Scholar]
- Gray, J.T.; Dimitroff, E.; Meckel, N.T.; Quillian, R.D. Ammonia Fuel—Engine Compatibility and Combustion. SAE Trans. 1966, 75, 785–807. [Google Scholar] [CrossRef]
- Starkman, E.S.; James, G.E.; Newhall, H.K. Ammonia as a Diesel Engine Fuel: Theory and Application. SAE Trans. 1967, 76, 3193–3212. [Google Scholar] [CrossRef]
- Garabedian, C.G.; Pearsall, T.J. Combustion of Anhydrous Ammonia in Diesel Engines. SAE Trans. 1967, 76, 3213–3221. [Google Scholar] [CrossRef]
- Reiter, A.J.; Kong, S.-C. Combustion and emissions characteristics of compression-ignition engine using dual ammonia-diesel fuel. Fuel 2011, 90, 87–97. [Google Scholar] [CrossRef]
- Gross, C.W.; Kong, S.-C. Performance characteristics of a compression-ignition engine using direct-injection ammonia–DME mixtures. Fuel 2013, 103, 1069–1079. [Google Scholar] [CrossRef]
- Grannell, S.M.; Assanis, D.N.; Bohac, S.V.; Gillespie, D.E. The Fuel Mix Limits and Efficiency of a Stoichiometric, Ammonia, and Gasoline Dual Fueled Spark Ignition Engine. J. Eng. Gas Turbines Power 2008, 130, 042802. [Google Scholar] [CrossRef]
- Jang, J.; Woo, Y.; Yoon, H.C.; Kim, J.-N.; Lee, Y.; Kim, J. Combustion characteristics of ammonia-gasoline dual-fuel system in a one liter engine. J. Korean Inst. Gas 2015, 19, 1–7. [Google Scholar] [CrossRef]
- Frigo, S.; Gentili, R. Analysis of the behaviour of a 4-stroke Si engine fuelled with ammonia and hydrogen. Int. J. Hydrog. Energy 2013, 38, 1607–1615. [Google Scholar] [CrossRef]
- Kurien, C.; Mittal, M. Review on the production and utilization of green ammonia as an alternate fuel in dual-fuel compression ignition engines. Energy Convers. Manag. 2022, 251, 114990. [Google Scholar] [CrossRef]
- Willmann, M.; Berger, I.; Bärow, E. Woodward L’Orange’s New Injector Generation—An Ideal Platform for the Combustion of E-Fuels in Large Engines BT—Heavy-Duty-, On- und Off-Highway-Motoren 2020; Liebl, J., Ed.; Springer Fachmedien Wiesbaden: Wiesbaden, Germany, 2021; pp. 223–240. [Google Scholar]
- Wang, B.; Wang, H.; Duan, B.; Yang, C.; Hu, D.; Wang, Y. Effect of ammonia/hydrogen mixture ratio on engine combustion and emission performance at different inlet temperatures. Energy 2023, 272, 127110. [Google Scholar] [CrossRef]
- Dimitriou, P.; Javaid, R. A review of ammonia as a compression ignition engine fuel. Int. J. Hydrog. Energy 2020, 45, 7098–7118. [Google Scholar] [CrossRef]
- D’Antuono, G.; Lanni, D.; Galloni, E.; Fontana, G. Comparison of the Performance and Operation Limits of an S.I. Engine Fueled with Neat Ammonia and Hydrogen-Ammonia Blends. In Proceedings of the 16th International Conference on Engines & Vehicles, Capri, Italy, 10–14 September 2023; SAE International: Warrendale, PA, USA, 2023. [Google Scholar] [CrossRef]
- Oh, S.; Park, C.; Oh, J.; Kim, S.; Kim, Y.; Choi, Y.; Kim, C. Combustion, emissions, and performance of natural gas–ammonia dual-fuel spark-ignited engine at full-load condition. Energy 2022, 258, 124837. [Google Scholar] [CrossRef]
- Won, H. Study on the Possibility of Using Pure NH3 Fuel on a Spark Ignition Engine with a High Compression Ratio. Trans. KSAE 2022, 30, 865–871. [Google Scholar] [CrossRef]
- Ichimura, R.; Hadi, K.; Hashimoto, N.; Hayakawa, A.; Kobayashi, H.; Fujita, O. Extinction limits of an ammonia/air flame propagating in a turbulent field. Fuel 2019, 246, 178–186. [Google Scholar] [CrossRef]











| Item | Specification |
|---|---|
| Displacement volume [cc] | 2497 |
| Number of cylinders [-] | 4 |
| Compression ratio [-] | 10.5 |
| Bore × Stroke [mm] | 88.5 × 101.5 |
| Max. Torque [Nm] | 26.0 @ 3800 rpm (w/LPG) |
| Max. Power [kW] | 101 @ 3800 rpm(w/LPG) |
Disclaimer/Publisher’s Note: The statements, opinions and data contained in all publications are solely those of the individual author(s) and contributor(s) and not of MDPI and/or the editor(s). MDPI and/or the editor(s) disclaim responsibility for any injury to people or property resulting from any ideas, methods, instructions or products referred to in the content. |
© 2023 by the authors. Licensee MDPI, Basel, Switzerland. This article is an open access article distributed under the terms and conditions of the Creative Commons Attribution (CC BY) license (https://creativecommons.org/licenses/by/4.0/).
Share and Cite
Park, C.; Jang, Y.; Kim, S.; Kim, Y.; Choi, Y. Influence of Hydrogen on the Performance and Emissions Characteristics of a Spark Ignition Ammonia Direct Injection Engine. Gases 2023, 3, 144-157. https://doi.org/10.3390/gases3040010
Park C, Jang Y, Kim S, Kim Y, Choi Y. Influence of Hydrogen on the Performance and Emissions Characteristics of a Spark Ignition Ammonia Direct Injection Engine. Gases. 2023; 3(4):144-157. https://doi.org/10.3390/gases3040010
Chicago/Turabian StylePark, Cheolwoong, Yonghun Jang, Seonyeob Kim, Yongrae Kim, and Young Choi. 2023. "Influence of Hydrogen on the Performance and Emissions Characteristics of a Spark Ignition Ammonia Direct Injection Engine" Gases 3, no. 4: 144-157. https://doi.org/10.3390/gases3040010
APA StylePark, C., Jang, Y., Kim, S., Kim, Y., & Choi, Y. (2023). Influence of Hydrogen on the Performance and Emissions Characteristics of a Spark Ignition Ammonia Direct Injection Engine. Gases, 3(4), 144-157. https://doi.org/10.3390/gases3040010

