Communication-Less Power Sharing Strategy for Microgrids Using Oscillations Generated by Inertia-Enabled Power Sources
Abstract
1. Introduction
- Avoiding communication links when controlling an MG due to their known disadvantages;
- Identifying the DGSs that are connected to an MG using only local measurements that contain the electromechanical oscillations generated by each DGS after a disturbance;
- Computing the load power of an MG using an (off-line-trained) ANN fed by only local measurements;
- Finally adjusting the slope coefficients of the droop controller in each DGS and enhancing the power sharing ratio of an MG.
- The oscillation frequency of each synchronverter-based DGS in an MG can be fixed to a desired value. This allows a different oscillation frequency to be selected for each DGS to prevent them from being near one another, effectively having a distinctive and identifiable frequency fingerprint for each DGS, even if they are similarly rated. The recognition of patterns in electrical waveforms after a change in the operating conditions of an MG has been reported, for example, by Díaz N. L. et al. [37], but these patterns are based on the charge/discharge characteristics of ESSs that degrade over time and can introduce uncertainty, as well as by Serban E. et al. [40], but these are based on intentional variation in the system frequency, where other phenomena that cause frequency deviations can introduce uncertainty into the information obtained, and by Baldwin, M.W. et al. [42] for detecting the natural oscillation frequency of generators and determining whether these are connected to an electric network, but the oscillation frequency is fixed, which results in similarly rated generators with a similar natural oscillation frequency. On the other hand, in this work, the oscillatory patterns depend on the controller parameters of a synchronverter algorithm that can be set to specific values, which makes it easier to discriminate among DGSs.
- The droop controller coefficients are adjusted. This changes the slope of the droop controller of each DGS to enhance the voltage and frequency regulation and the power sharing ratio among DGSs. Adjusting coefficients has also been reported, for example, by Khayat Y. et al. [39], who propose adjusting the controller, but the focus is only on frequency regulation, whereas in this work, the voltage, frequency, and power sharing ratio are enhanced.
- The DGSs connected to an MG can be detected. This allows the controller to be adapted to meet the requirements. Other authors have proposed adaptive controllers; for example, Belgana S. et al. [41] use an adaptive neural network droop control strategy and particle swarm optimization to generate optimal voltage references that compensate for line effects and load variations; however, the results do not consider whether a DGS is connected or disconnected from the MG, which has a great impact on voltage, frequency, and power sharing.
2. Synchronverter Controller Based on the Droop Scheme
2.1. Droop Controller
2.2. Synchronverter Controller
3. Electromechanical Oscillations as Information Carrying Signals
4. Generation and Load Assessment Using Local Measurements
4.1. Detection of the DGS Through Electromechanical Oscillations
4.2. Load Estimator
4.3. Slope Coefficient Calculator
5. Simulation Results
5.1. Full Renewable Energy Power Injection
5.2. Increasing the Imported Energy of an MG to Aid in Load Supply
6. Discussion
6.1. Quality of the Voltage Magnitude and Frequency and Its Relation to Stability of the Droop Controller
6.2. Operation Under Short Circuits
6.3. DGSs Reaching Their Power Limit
6.4. Constantly Changing Load Power
6.5. Occurrence of Subsynchronous Oscillations
6.6. Non-Fourier-Based Algorithm for Detecting Oscillations
7. Conclusions
Author Contributions
Funding
Institutional Review Board Statement
Informed Consent Statement
Data Availability Statement
Acknowledgments
Conflicts of Interest
Abbreviations
| ANN | Artificial Neural Network |
| CCU | Central Control Unit |
| DGS | Distributed Generation Source |
| EPS | Electric Power System |
| ESS | Energy Storage System |
| FCPB | Frequency Control Proportional Band |
| ICU | Individual Control Unit |
| MG | Microgrid |
| RE | Renewable Energy |
| SG | Synchronous Generator |
| VCPB | Voltage Control Proportional Band |
References
- Arévalo, P.; Ochoa-Correa, D.; Villa-Ávila, E.; Iñiguez-Morán, V.; Astudillo-Salinas, P. Systematic Review of Hierarchical and Multi-Agent Optimization Strategies for P2P Energy Management and Electric Machines in Microgrids. Appl. Sci. 2025, 15, 4817. [Google Scholar] [CrossRef]
- Nair, R.P.; Ponnusamy, K. Modeling and Simulation of Autonomous DC Microgrid with Variable Droop Controller. Appl. Sci. 2025, 15, 5080. [Google Scholar] [CrossRef]
- Shrivastava, S.; Subudhi, B.; Sahu, J. Distributed Finite-Time Control of Islanded Microgrid for Ancillary Services Provision. Electronics 2023, 12, 636. [Google Scholar] [CrossRef]
- Xu, F.; Tong, S.; Li, C.; Du, X. Research on the Control of Multi-Agent Microgrid with Dual Neural Network Based on Priority Experience Storage Policy. Electronics 2023, 12, 565. [Google Scholar] [CrossRef]
- Han, H.; Hou, X.; Yang, J.; Wu, J.; Su, M.; Guerrero, J.M. Review of Power Sharing Control Strategies for Islanding Operation of AC Microgrids. IEEE Trans. Smart Grid 2016, 7, 200–215. [Google Scholar] [CrossRef]
- Karimi, M.; Wall, P.; Mokhlis, H.; Terzija, V. A New Centralized Adaptive Underfrequency Load Shedding Controller for Microgrids Based on a Distribution State Estimator. IEEE Trans. Power Del. 2017, 32, 370–380. [Google Scholar] [CrossRef]
- Díaz, N.L.; Luna, A.C.; Vasquez, J.C.; Guerrero, J.M. Centralized Control Architecture for Coordination of Distributed Renewable Generation and Energy Storage in Islanded AC Microgrids. IEEE Trans. Power Electron. 2017, 32, 5202–5213. [Google Scholar] [CrossRef]
- Meng, L.; Savaghebi, M.; Andrade, F.; Prasanna, I.V.; Srinivasan, D.; Panda, S.K. Design, Analysis and Implementation of a Four-Tier Centralized Control Architecture for Intelligent Operation of Grid-Connected Microgrids. In Proceedings of the 2016 IEEE International Conference on Power Electronics, Drives and Energy Systems (PEDES), Trivandrum, India, 14–17 December 2016; pp. 1–6. [Google Scholar]
- Wu, T.; Bao, G.; Chen, Y.; Shang, J. A Review for Control Strategies in Microgrid. In Proceedings of the 37th Chinese Control Conference (CCC), Wuhan, China, 25–27 July 2018; pp. 30–35. [Google Scholar]
- He, Y.; Wang, W.; Wu, X. Multi-Agent Based Fully Distributed Economic Dispatch in Microgrid Using Exact Diffusion Strategy. IEEE Access 2020, 8, 7020–7031. [Google Scholar] [CrossRef]
- Hou, X.; Sun, Y.; Lu, J.; Zhang, X.; Koh, L.H.; Su, M.; Guerrero, J.M. Distributed Hierarchical Control of AC Microgrid Operating in Grid-connected, Islanded and their Transition Modes. IEEE Access 2018, 6, 77388–77401. [Google Scholar] [CrossRef]
- Li, L.; Sun, Y.; Liu, Z.; Yuan, X.; Su, M.; Hou, X.; Zheng, M. A Series-Parallel PV-storage Independent Microgrid and its Decentralized Control. Int. Trans. Electr. Energy Syst. 2019, 29, 2715. [Google Scholar] [CrossRef]
- Chunxia, D.; Yeping, J.; Yue, D.; Tao, L. Two-level Decentralized Optimization Power Dispatch Control Strategies for an Islanded Microgrid without Communication Network. Int. Trans. Electr. Energy Syst. 2017, 27, 2244. [Google Scholar]
- Brandao, D.I.; Caldognetto, P.; Marafão, F.P.; Simões, M.G.; Pomilio, J.A.; Tenti, P. Centralized Control of Distributed Single-phase Inverters Arbitrarily Connected to Three-phase Four-wire Microgrids. IEEE Trans. Smart Grid 2017, 8, 437–446. [Google Scholar] [CrossRef]
- Mathew, P.; Madichetty, S.; Mishra, S. A Multilevel Distributed Hybrid Control Scheme for Islanded DC Microgrids. IEEE Syst. J. 2019, 13, 4200–4207. [Google Scholar] [CrossRef]
- Bani-Ahmed, A.; Rashidi, M.; Nasiri, A.; Hosseini, H. Reliability Analysis of a Decentralized Microgrid Control Architecture. IEEE Trans. Smart Grid 2019, 10, 3910–3918. [Google Scholar] [CrossRef]
- Serban, I.; Céspedes, S.; Marinescu, C.; Azurdia-Meza, C.A.; Gómez, J.S.; Hueichapan, D.S. Communication Requirements in Microgrids: A Practical Survey. IEEE Access 2020, 8, 47694–47712. [Google Scholar] [CrossRef]
- Sabzevari, K.; Karimi, S.; Khosravi, F.; Abdi, H. Modified Droop Control for Improving Adaptive Virtual Impedance Strategy for Parallel Distributed Generation Units in Islanded Microgrids. Int. Trans. Electr. Energy Syst. 2019, 29, 2689. [Google Scholar] [CrossRef]
- Liu, S.; Wang, X.; Liu, P.X. Impact of Communication Delays on Secondary Frequency Control in an Islanded Microgrid. IEEE Trans. Ind. Electron. 2015, 62, 2021–2031. [Google Scholar] [CrossRef]
- Castilla, M.; Camacho, A.; Martí, P.; Velasco, M.; Ghahderijani, M.M. Impact of Clock Drifts on Communication-free Secondary Control Schemes for Inverter-based Islanded Microgrids. IEEE Trans. Ind. Electron. 2018, 65, 4739–4749. [Google Scholar] [CrossRef]
- Habibi, S.I.; Sheikhi, M.A.; Khalili, T.; Abadi, S.A.G.K.; Bidram, A.; Guerrero, J.M. Multiagent-Based Nonlinear Generalized Minimum Variance Control for Islanded AC Microgrids. IEEE Trans. Power Syst. 2024, 39, 316–328. [Google Scholar] [CrossRef]
- Sahoo, A.K.; Mahmud, K.; Crittenden, M.; Ravishankar, J.; Padmanaban, S.; Blaabjerg, F. Communication-Less Primary and Secondary Control in Inverter-Interfaced AC Microgrid: An Overview. IEEE J. Emerg. Sel. Top. Power Electron. 2021, 9, 5164–5182. [Google Scholar] [CrossRef]
- Xia, Y.; Xu, Y.; Mondal, S.; Gupta, A.K. A Transfer Learning-Based Method for Cyber-Attack Tolerance in Distributed Control of Microgrids. IEEE Trans. Smart Grid 2024, 15, 1258–1270. [Google Scholar] [CrossRef]
- Dou, Z.; Ding, L.; Yan, S. Dynamic Integral-Event-Triggered Control of Photovoltaic Microgrids with Multimodal Deception Attacks. Symmetry 2025, 17, 838. [Google Scholar] [CrossRef]
- Wright, R.M. Understanding Modern Generator Control. IEEE Trans. Energy Convers. 1989, 4, 453–458. [Google Scholar] [CrossRef]
- Tuladhar, A.; Jin, H.; Unger, T.; Mauch, K. Parallel Operation of Single Phase Inverter Modules with no Control Interconnections. In Proceedings of the Applied Power Electronics Conference (APEC), Atlanta, GA, USA, 27 February 1997; pp. 94–100. [Google Scholar]
- Zhong, Q.; Zeng, Y. Universal Droop Control of Inverters with Different Types of Output Impedance. IEEE Access 2016, 4, 702–712. [Google Scholar] [CrossRef]
- Zhong, Q.; Hornik, T. Control of Power Inverters in Renewable Energy and Smart Grid Integration, 1st ed.; John Wiley & Sons: Chichester, UK, 2013; pp. 277–296. [Google Scholar]
- Zhong, Q.; Weiss, G. Synchronverters: Inverters that mimic synchronous generators. IEEE Trans. Ind. Electron. 2011, 58, 1259–1267. [Google Scholar] [CrossRef]
- Kerdphol, T.; Rahman, F.S.; Watanabe, M.; Mitani, Y. Robust Virtual Inertia Control of a Low Inertia Microgrid Considering Frequency Measurement Effects. IEEE Access 2019, 7, 57550–57560. [Google Scholar] [CrossRef]
- Zhang, Y.; Mou, J.; Zhang, F.; Huang, N. Modeling and Stability Analysis Based on Internal Voltage Dynamics in Synchronverter. Electronics 2023, 12, 700. [Google Scholar] [CrossRef]
- Rahman, K.; Hashimoto, J.; Orihara, D.; Ustun, T.S.; Otani, K.; Kikusato, H.; Kodama, Y. Reviewing Control Paradigms and Emerging Trends of Grid-Forming Inverters—A Comparative Study. Energies 2024, 17, 2400. [Google Scholar] [CrossRef]
- Anttila, S.; Döhler, J.S.; Oliveira, J.G.; Boström, C. Grid Forming Inverters: A Review of the State of the Art of Key Elements for Microgrid Operation. Energies 2022, 15, 5517. [Google Scholar] [CrossRef]
- Sang, W.; Guo, W.; Dai, S.; Tian, C.; Yu, S.; Teng, Y. Virtual Synchronous Generator, a Comprehensive Overview. Energies 2022, 15, 6148. [Google Scholar] [CrossRef]
- Suvorov, A.; Askarov, A.; Ruban, N.; Rudnik, V.; Radko, P.; Achitaev, A.; Suslov, K. An Adaptive Inertia and Damping Control Strategy Based on Enhanced Virtual Synchronous Generator Model. Mathematics 2023, 11, 3938. [Google Scholar] [CrossRef]
- Yang, H.; Deng, F.; Zhang, L.; Xiao, Z.; Yao, Z.; Tang, Y. Power System Inertia Enhancement Based on LVDC Microgrids. IEEE Trans. Ind. Electron. 2025, 72, 7639–7644. [Google Scholar] [CrossRef]
- Díaz, N.L.; Vasquez, J.C.; Guerrero, J.M. A Communication-less Distributed Control Architecture for Islanded Microgrids with Renewable Generation and Storage. IEEE Trans. Power Electron. 2018, 33, 1922–1939. [Google Scholar] [CrossRef]
- Rey, J.M.; Martí, P.; Velasco, M.; Miret, J.; Castilla, M. Secondary Switched Control with no Communications for Islanded Microgrids. IEEE Trans. Ind. Electron. 2017, 64, 8534–8545. [Google Scholar] [CrossRef]
- Khayat, Y.; Naderi, M.; Shafiee, Q.; Batmani, Y.; Fathi, M.; Guerrero, J.M.; Bevrani, H. Decentralized Optimal Frequency Control in Autonomous Microgrids. IEEE Trans. Power Syst. 2019, 34, 2345–2353. [Google Scholar] [CrossRef]
- Serban, E.; Serban, H. A Control Strategy for a Distributed Power Generation Microgrid Application with Voltage- and Current-controlled Source Converter. IEEE Trans. Power Electron. 2010, 25, 2981–2992. [Google Scholar] [CrossRef]
- Belgana, S.; Fortin-Blanchette, H. A Novel Neural Network-Based Droop Control Strategy for Single-Phase Power Converters. Energies 2024, 17, 5825. [Google Scholar] [CrossRef]
- Baldwin, M.W.; Liu, Y.; Nuroglu, F.M. Generator Outage Identification by use of Electromechanical State-space Model Analysis. IEEE Trans. Power Syst. 2014, 29, 1831–1838. [Google Scholar] [CrossRef]
- Sun, C.; Ali, S.Q.; Joos, G.; Bouffard, F. Virtual Synchronous Machine Control for Low-inertia Power System Considering Energy Storage Limitation. In Proceedings of the 2019 IEEE Energy Conversion Congress and Exposition (ECCE), Baltimore, MD, USA, 29 September–3 October 2019; pp. 6021–6028. [Google Scholar]
- Van Emmerik, E.L.; França, B.W.; Aredes, M. A Synchronverter to Damp Electromechanical Oscillations in the Brazilian Transmission Grid. In Proceedings of the 2015 IEEE 24th International Symposium on Industrial Electronics (ISIE), Buzios, Brazil, 3–5 June 2015; pp. 221–226. [Google Scholar]
- Rogers, G. Demystifying Power System Oscillations. IEEE Comput. Appl. Power 1996, 9, 30–35. [Google Scholar] [CrossRef]
- Rogers, G. Power System Oscillations, 1st ed.; Springer: New York, NY, USA, 1999; pp. 9–28. [Google Scholar]
- Chen, X.; Du, W.; Wang, H. Power system Low Frequency Oscillation Center Drift as Affected by Wind Displacing Synchronous Generators. In Proceedings of the IEEE 2nd International Future Energy Electronics Conference (IFEEC), Taipei, China, 1–4 November 2015; pp. 1–6. [Google Scholar]
- White, H.E. Modern College Physics, 3rd ed.; D. Van Nostrand Company Inc.: Princeton, NJ, USA, 1956; pp. 325–334. [Google Scholar]
- Mahmood, H.; Acharya, S.; Tuffner, F.; Mana, P.; Bharati, A.K. Dynamic Model of Back-to-Back Converter for System-Level Phasor Simulation. In Proceedings of the IEEE Power and Energy Society General Meeting (PESGM), Seattle, WA, USA, 21–25 July 2024; pp. 1–5. [Google Scholar]
- Kolli, N.; Parashar, S.; Kokkonda, R.K.; Bhattacharya, S.; Veliadis, V. Design of Asynchronous Microgrid Power Conditioning System with Gen-3 10 kV SiC MOSFETs for MV Grid Interconnection. In Proceedings of the IEEE Applied Power Electronics Conference and Exposition (APEC), Long Beach, CA, USA, 25–29 February 2024; pp. 514–521. [Google Scholar]
- Watson, J.D.; Lestas, I. Control of AC-AC Interlinking Converters for Multi-Grids. IEEE Trans. Smart Grid 2024, 15, 3390–3401. [Google Scholar] [CrossRef]
- Udoha, E.; Das, S.; Abusara, M. Power Flow Management of Interconnected AC Microgrids Using Back-to-Back Converters. Electronics 2023, 12, 3765. [Google Scholar] [CrossRef]
- Barocio, E.; Zuniga, P.; Vazquez, S.; Betancourt, R. Simplified Recursive Newton-type Algorithm for Instantaneous Modal Parameter Estimation of Sub-synchronous Oscillations. Electr. Power Comp. Syst. 2012, 40, 864–880. [Google Scholar] [CrossRef]
- Hesaroor, K.; Das, D. Annual Energy Loss Reduction of Distribution Network through Reconfiguration and Renewable Energy Sources. Int. Trans. Electr. Energy Syst. 2019, 29, 12099. [Google Scholar] [CrossRef]
- Rosso, R.; Engelken, S.; Liserre, M. Robust Stability Analysis of Synchronverters Operating in Parallel. IEEE Trans. Power Electron. 2019, 34, 11309–11319. [Google Scholar] [CrossRef]
- Brahma, A.R.; Kumaravel, S.; Thomas, V.; Ashok, S. Impact of System Parameters on the Performance of Synchronverter. In Proceedings of the IEEE Region 10 Symposium (TENSYMP), Kolkata, India, 7–9 June 2019; pp. 120–125. [Google Scholar]
- Vetoshkin, L.; Müller, Z. A Comparative Study of Synchronverter Stability. In Proceedings of the 21st International Scientific Conference on Electric Power Engineering (EPE), Prague, Czech Republic, 19–21 October 2020; pp. 1–6. [Google Scholar]
- Fan, L.; Miao, Z.; Shah, S.; Cheng, Y.; Rose, J.; Huang, S.; Pal, B.; Xie, X.; Modi, N.; Wang, S.; et al. Real-World 20-Hz IBR Subsynchronous Oscillations: Signatures and Mechanism Analysis. IEEE Trans. Energy Convers. 2022, 37, 2863–2873. [Google Scholar] [CrossRef]
- Askarov, A.; Bay, Y.; Ufa, R.; Radko, P.; Ilyushin, P.; Suvorov, A. Signatures and Mechanism Analysis of Converter-Grid Subsynchronous Oscillations. Mathematics 2024, 12, 3884. [Google Scholar] [CrossRef]










| Value | Description | Appears in | |
|---|---|---|---|
| Microgrid data | Line impedance of all sources | Figure 4 | |
| Controller data | DGS voltage reference | Figure 3 | |
| Load node voltage reference | Figure 3 | ||
| Microgrid frequency of reference | Figure 3 | ||
| Moment of inertia of | Figure 3 | ||
| Moment of inertia of | Figure 3 | ||
| Moment of inertia of | Figure 3 | ||
| Moment of inertia of back-to-back | Figure 3 | ||
| Integral constant of all | Figure 3 | ||
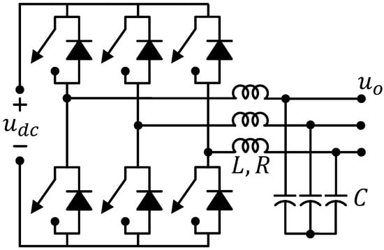
| Inverter data | Switching frequency | Figure 2 | |
| Inductor filter resistance | Figure 2 | ||
| Filter inductance | Figure 2 | ||
| Filter capacitance | Figure 2 |
Disclaimer/Publisher’s Note: The statements, opinions and data contained in all publications are solely those of the individual author(s) and contributor(s) and not of MDPI and/or the editor(s). MDPI and/or the editor(s) disclaim responsibility for any injury to people or property resulting from any ideas, methods, instructions or products referred to in the content. |
© 2025 by the authors. Licensee MDPI, Basel, Switzerland. This article is an open access article distributed under the terms and conditions of the Creative Commons Attribution (CC BY) license (https://creativecommons.org/licenses/by/4.0/).
Share and Cite
Gutierrez, M.; Zuniga, P.; del Puerto-Flores, D.; Uribe, F.; Barocio, E. Communication-Less Power Sharing Strategy for Microgrids Using Oscillations Generated by Inertia-Enabled Power Sources. Electricity 2025, 6, 59. https://doi.org/10.3390/electricity6040059
Gutierrez M, Zuniga P, del Puerto-Flores D, Uribe F, Barocio E. Communication-Less Power Sharing Strategy for Microgrids Using Oscillations Generated by Inertia-Enabled Power Sources. Electricity. 2025; 6(4):59. https://doi.org/10.3390/electricity6040059
Chicago/Turabian StyleGutierrez, Marco, Pavel Zuniga, Dunstano del Puerto-Flores, Felipe Uribe, and Emilio Barocio. 2025. "Communication-Less Power Sharing Strategy for Microgrids Using Oscillations Generated by Inertia-Enabled Power Sources" Electricity 6, no. 4: 59. https://doi.org/10.3390/electricity6040059
APA StyleGutierrez, M., Zuniga, P., del Puerto-Flores, D., Uribe, F., & Barocio, E. (2025). Communication-Less Power Sharing Strategy for Microgrids Using Oscillations Generated by Inertia-Enabled Power Sources. Electricity, 6(4), 59. https://doi.org/10.3390/electricity6040059

