Next Article in Journal
Improving Predictive Maintenance Performance Using Machine Learning and Vibration Analysis Algorithms
Previous Article in Journal
Approaches to Creating Colorful 3D-Printed Parts and Reliefs
 
 
Font Type:
Arial Georgia Verdana
Font Size:
Aa Aa Aa
Line Spacing:
Column Width:
Background:
Proceeding Paper

Effect of Temperature and Chromium Content on Tensile and Fracture Mechanics Properties of Cr-Mo Steel Welded Joints †

1
Department of Mechanical Engineering, Faculty of Technical Sciences, University of Pristina, Kneza Miloša 7, 38220 Kosovska Mitrovica, Serbia
2
Academy of Applied Studies, Dositeja Obradovića nn, 38218 Leposavić, Serbia
3
Military-Technical Institute, Ratka Resanovića 1, 11000 Belgrade, Serbia
4
Faculty of Mechanical Engineering, University of Belgrade, Kraljice Marije 16, 11000 Belgrade, Serbia
*
Author to whom correspondence should be addressed.
Presented at the IX International Congress “Engineering, Environment and Materials in Process Industry”—EEM2025, Bijeljina, Bosnia and Herzegovina, 2–4 April 2025.
Eng. Proc. 2025, 99(1), 21; https://doi.org/10.3390/engproc2025099021
Published: 2 July 2025

Abstract

Temperature and Cr content on the tensile and fracture mechanics properties of welded joints made of two Cr-Mo steels (A387 Gr. B and SA387 Gr. 91) are presented and analyzed. Tensile strength, yield stress and elongation, as well as the stress–strain curves are obtained by standard tensile tests using specimens extracted from welded joints. Fracture toughness testing was carried out to determine the critical stress intensity factor, KIc, and the critical crack length, ac, for all three zones of the welded joint, parent metal (PM), heat-affected zone (HAZ) and weld metal (WM). Based on these results, the tensile and fracture mechanics properties of welded joints made of A387 Gr. B and SA387 Gr. 91 steels are compared and analyzed.

1. Introduction

Two different Cr-Mo steels, A-387 Gr. B and SA-387 Gr. 91, are commonly used for components which operate at high temperatures and in corrosive environments. Due to their excellent mechanical properties, including welded joints, use of these steels enables significant material savings compared to conventional steels, especially in the case of SA-387 Gr. 91 [1]. However, the influence of the heterogeneity of the structure and the mechanical properties of their welded joints is still an issue, and has been addressed by many researchers [2,3,4,5,6], including recent contributions by the authors [7,8,9]. With respect to steel SA-387 Gr. 91 and its welded joints, most of the focus has been on strength and creep properties in relation to the steel’s microstructure, especially in HAZ [2,3,4,5,6], including detailed study of the simulated heat-affected zone with an emphasis on microstructure and mechanical properties, as well as the effect of cracks. With respect to the previous research of the authors, the effect of temperature and time on tensile properties and fracture toughness was analyzed in [7,8] for welded joints made of A387 Gr. B, while the effects of material heterogeneity and temperature on impact toughness and fracture resistance of SA-387 Gr. 91 welded joints were analyzed in [9,10].
In this paper, the effects of temperature and Cr content on the tensile and fracture mechanics properties of PM, WM and HAZ were evaluated by testing at room and elevated temperature (540 °C for A-387 Gr. B and 575 °C for SA-387 Gr. 91).

2. Parent Material and Welded Joints

The two Cr-Mo steels used in this research were different in chemical composition, as shown in Table 1 and Table 2.
Welding of steel A-387 Gr. B was undertaken according to the following welding procedure:
-
Root weld—manual metal-arc welding (MMAW) with coated electrode LINCOLN Sl 19G from Lincoln electric, Ohio, USA;
-
Filler weld—submerged arc welding (SAW), with LINCOLN LNS 150 wire and LINCOLN P230 powder.
The U groove was used for a butt-welded joint, 15 mm thick, in accordance with the corresponding standard SRPS EN ISO 9692-2:2023 [11].
Welding of steel SA-387 Gr. 91 was undertaken according to the following welding procedure:
-
Root weld—gas tungsten arc welding (GTAW) with BOEHLER C 9 MV-IG wire from Voestalpine Bohler welding, Pötschach, Austria, diameter 2.4 mm;
-
Filler weld—MMAW, with BOEHLER FOX C9 MV electrode, diameter 2.5 and 3.2 mm.
All other welding details are given in [7] for A387 Gr. B and in [9] for SA387 Gr. 91.

3. Tensile Properties

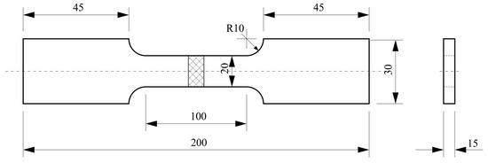
Tensile testing of butt-welded joints is defined by the standard SRPS EN ISO 4136:2013, “Destructive testing of welded joints of metallic materials—Transverse tension testing” [12]. Tests were performed on specimens in Figure 1, using an electromechanical tensile testing machine in load control with a loading speed of 5 mm/min.
Results for the steel A-387 Gr. B welded joint, tested by transverse tension at 20 °C and 540 °C, are shown in Table 3, whereas typical stress–strain curves are shown in Figure 2 and Figure 3, respectively.
Results for the steel SA-387 Gr. 91 welded joint, tested by transverse tension at 20 °C and 575 °C, are shown in Table 4, whereas typical stress–strain curves are shown in Figure 4 and Figure 5, respectively.

4. Fracture Mechanics Properties

Fracture toughness, KIc, was determined via the critical J-integral, JIc, using the procedure defined by standards ASTM E1820 [13] and BS 7448 Part 1 and 2 [14,15]. Three-point bending specimens (SEB) were used for testing at 20 °C, while modified CT specimens were used for testing at high temperatures; a single specimen technique was used in all cases, as shown in Figure 6a. To determine JIc values, the regression line was constructed on J-Δa curves as shown in Figure 6b. Knowing JIc values, the fracture toughness, KIc, was calculated using:
K I c = J I c E 1 ν 2
Modulus of elasticity at room temperature was 210 GPa, 160 GPa at 540 °C and 175 GPa for 575 °C. The critical crack length, ac, was calculated using the following formula:
K I c = σ π a c
where the yield stress, Rp0.2, was used as the relevant value for the stress σ.
The values of the critical stress intensity factor, KIc, and the critical crack length, ac, are given in Table 5, Table 6 and Table 7 for PM, WM and HAZ, respectively, tested at 20 C and 540 °C (A-387 Gr. B).
The effect of temperature on the critical crack length, ac, is shown in Figure 7, Figure 8 and Figure 9 for PM, WM and HAZ, respectively.
The values of the critical stress intensity factor, KIc, and the critical crack length, ac, are given in Table 8, Table 9 and Table 10 for PM, WM and HAZ, respectively, tested at 20 °C and 575 °C (SA-387 Gr. 91).
The characteristic diagrams F-δ and J-Δa for the specimen taken from the WM are shown in Figure 10 for the WM-4-1 specimen tested at a temperature of 575 °C.
The effect of the test temperature on the value of the critical crack length, ac, is shown graphically in Figure 11, Figure 12 and Figure 13 for PM, WM and HAZ, respectively.

5. Discussion

5.1. Steel A-387 Gr. B

Yield stress values obtained by transverse tensioning of the butt-welded specimens range from 290 MPa at 20 °C, and decrease to 211 MPa at a temperature of 540 °C, while the tensile strength values also decrease from 451 MPa obtained at 20 °C to 288 MPa obtained by testing at 540 °C. Elongation increases with increasing test temperature, and ranges from 19.8% at 20 °C to approximately 26.3% at 540 °C.
The PM fracture toughness values range from 118 MPa∙m1/2 at 20 °C to 88 MPa∙m1/2 at 540 °C [7]. The obtained values of the critical crack length, ac, in PM are almost the same when compared at room and elevated temperature.
The WM fracture toughness values range from 130 MPa∙m1/2 at 20 °C to 94 MPa∙m1/2 at 540 °C [7]. The obtained values of the critical crack length, ac, in relation to the yield stress level start from 20.2 mm at room temperature and fall to 17.5 mm, at a temperature of 540 °C.
The HAZ fracture toughness values range from 109 MPa∙m1/2 at 20 °C, to 78 MPa∙m1/2 at 540 °C [7]. The obtained values of the critical crack length, ac, at HAZ change slightly from room to elevated temperature.

5.2. Steel SA-387 Gr. 91

Values of the yield stress, obtained by transverse tensioning of the butt-welded specimens, range from 597 MPa at 20 °C, and decrease to 326 MPa at a temperature of 575 °C, while the tensile strength values also decrease from 728 MPa at 20 °C to 339 MPa at 575 °C. Elongation decreases with increasing test temperature, and ranges from 24.2% at 20 °C to approximately 16.4% at 575 °C.
The PM fracture toughness values range from 175 MPa∙m1/2 at 20 °C to 124 MPa∙m1/2 at 575 °C [9]. The critical crack length, ac, increases with increasing temperature. The obtained values of the critical crack length, ac, for PM range from 27 mm at 20 °C to 46 mm at 575 °C.
The WM fracture toughness ranges from 126 MPa∙m1/2 at 20 °C to 91 MPa∙m1/2 at 575 °C [9]. The critical crack length, ac, as with PM, increases with increasing temperature. The obtained values of the critical crack length, ac, for WM range from 14 mm at 20 °C to 25 mm at 575 °C.
The HAZ fracture toughness values range from 146 MPa∙m1/2 at 20 °C to 112 MPa∙m1/2 at 575 °C [9]. The critical crack length, ac, as with PM and WM, increases with increasing temperature. The obtained values of the critical crack length, ac, at HAZ range from 19 mm at 20 °C to 38 mm at 575 °C.

5.3. General

Analyzing the results of the butt-welded specimen tensile testing, it can be seen that with an increase in the test temperature, there is a decrease in the value of yield stress and tensile strength (for both welded joints), an increase in elongation in the welded joint of steel A-387 Gr. B and elongation reduction in the welded joint of steel SA-387 Gr. 91. All the specimens failed in the PM (at both welded joints), which gave us the tensile characteristics of the PM.
The shape of the obtained tensile curves at room temperature corresponds to a ductile material with an approximate share of homogeneous and inhomogeneous elongation in the ratio 1/2:1/2, where homogeneous elongation refers to elongation up to the maximum force, and inhomogeneous elongation is the elongation from the maximum force to failure. When testing the tubes of the welded joint at elevated temperature, we observed that the ratio of homogeneous and inhomogeneous elongation was less favorable (more pronounced in the welded joint of steel SA-387 Gr. 91) from the perspective of exploitation properties.

6. Conclusions

Based on the obtained test results of the specimens taken from PM, WM and HAZ, it can be seen that, with the increase in test temperature, there is a decrease in the value of the critical JIc integral, i.e., the fracture toughness KIc. Likewise, the value of the critical crack length, ac, also decreases or changes slightly in the welded joint of steel A-387 Gr. B and increases in the welded joint of steel SA-387 Gr. 91. The weakest resistance to crack growth under static force, i.e., the lowest value of KIc, is for the specimens with a notch in HAZ, and the best resistance to crack development is for the specimens with a notch in WM at the welded joint of steel A-387 Gr. B. At the welded joint of steel SA-387 Gr. 91, the weakest resistance to crack development under static force, i.e., the lowest value of KIc, is for the specimens with a notch in WM, and the best resistance to crack development is for the specimens with a notch in PM. The highest values of the critical crack length, ac, were obtained for the specimens with a notch in PM, and the lowest for the specimens with a notch in WM.
The effect of chromium content is beneficial for the tensile properties, except for the elongation at an increased temperature, as well as for the fracture toughness. The latter is significant in the case of the PM and HAZ, whereas almost the same values can be observed for the WM. This indicates potential problems with the use of SA-387 Gr. 91, although the obtained values of KIc are relatively high.

Author Contributions

Conceptualization, N.K. and I.Č.; methodology, I.Č., Z.B. and M.J.; validation, A.S. and I.Č.; formal analysis, N.K.; investigation, N.K. and Z.B.; resources, Ž.Š.; data curation, N.K.; writing—original draft preparation, N.K.; writing—review and editing, A.S.; supervision, I.Č.; project administration, Ž.Š. All authors have read and agreed to the published version of the manuscript.

Funding

This research received no external funding.

Institutional Review Board Statement

Not applicable.

Informed Consent Statement

Not applicable.

Data Availability Statement

Data will be available on request.

Acknowledgments

Parts of this research were supported by the Ministry of Sciences and Technology of the Republic of Serbia through Mathematical Institute SANU Belgrade Grant OI 174001 Dynamics of hybrid systems with complex structures. Mechanics of materials and Faculty of Technical Sciences University of Pristina residing in Kosovska Mitrovica.

Conflicts of Interest

The funders had no role in the design of the study; in the collection, analyses, or interpretation of data; in the writing of the manuscript; or in the decision to publish the results.

References

  1. Milovic, L. Is Substituting P91 for P22 Justified? Fracture at all Scales. In Mechanical Engineering; Pluvinage, G., Milovic, L., Eds.; Springer: New York, NY, USA, 2017; pp. 89–103. [Google Scholar]
  2. Milović, L.; Vuherer, T.; Zrilić, M.; Sedmak, A.; Putić, S. Study of the Simulated Heat Affected Zone of Creep Resistant 9–12% Advanced Chromium Steel. Mater. Manuf. Process. 2008, 23, 597–602. [Google Scholar] [CrossRef]
  3. Łomozik, M.; Zielińska-Lipiec, A. Microscopic analysis of the influence of multiple thermal cycles on simulated HAZ toughness in P91 steel. Arch. Met. Mater. 2008, 53, 1025–1034. [Google Scholar]
  4. Milović, L.; Vuherer, T.; Blačić, I.; Vrhovac, M.; Stanković, M. Microstructures and mechanical properties of creep resistant steel for application at elevated temperatures. Mater. Des. 2013, 46, 660–667. [Google Scholar] [CrossRef]
  5. Milovic, L. Significance of cracks in the heat-affected-zone of steels for elevated temperature application. Struct. Integr. Life 2008, 8, 55–64. [Google Scholar]
  6. Moitra, A.; Parameswaran, P.; Sreenivasan, P.; Mannan, S. A toughness study of the weld heat-affected zone of a 9Cr–1Mo steel. Mater. Charact. 2002, 48, 55–61. [Google Scholar] [CrossRef]
  7. Čamagić, I.; Sedmak, S.; Sedmak, S.; Burzić, Z.; Todić, A. Impact of Temperature and Exploitation Time on Plane Strain Fracture Toughness, KIc, in a Welded Joint. Struct. Integr. Life 2017, 17, 239–244. [Google Scholar]
  8. Čamagić, I.; Sedmak, S.; Sedmak, A.; Burzić, Z.; Marsenić, M. Effect of temperature and exploitation time on tensile properties and plain strain fracture toughness, KIc, in a welded joint. Procedia Struct. Integr. 2018, 9, 279–286. [Google Scholar] [CrossRef]
  9. Jovanović, M.; Čamagić, I.; Sedmak, S.; Sedmak, A.; Burzić, Z. The Effect of Material Heterogeneity and Temperature on Impact Toughness and Fracture Resistance of SA-387 Gr. 91 Welded Joints. Materials 2022, 15, 1854. [Google Scholar] [CrossRef] [PubMed]
  10. Jovanović, M.; Čamagić, I.; Sedmak, A.; Burzić, Z.; Sedmak, S.; Živković, P. Analysis of SA 387 Gr. 91 welded joints crack resistance under static and impact load. Procedia Struct. Integr. 2021, 31, 38–44. [Google Scholar] [CrossRef]
  11. SRPS EN ISO 9692-2:2023; Welding and Allied Processes-Joint Preparation-Part 2: Submerged Arc Welding of Steels (ISO 9692-2:2008). ISO: Geneva, Switzerland, 2023.
  12. SRPS EN ISO 4136:2013; Destructive testing of welded joints of metallic materials-Transverse tension testing (ISO 4136:2012). ISO: Geneva, Switzerland, 2013.
  13. ASTM E 1820-99a; Standard Test Method for Measurement of Fracture Toughness, Annual Book of ASTM Standards. ASTM: West Conshohocken, PA, USA, 1999; Volume 03.01.
  14. BS 7448-Part 1; Fracture Mechanics Toughness Tests-Method for Determination of KIc Critical CTOD and Critical J Values of Metallic Materials. BSI: London, UK, 1991.
  15. BS 7448-Part 2; Fracture Mechanics Toughness Tests-Methods for Determination of KIc, Critical CTOD and Critical J Values of Welds in Metallic Materials. BSI: London, UK, 1997.
Figure 1. Specimen for tensile testing of welded joints.
Figure 1. Specimen for tensile testing of welded joints.
Engproc 99 00021 g001
Figure 2. Stress–strain curve—specimen WJ-1-1 at 20 °C.
Figure 2. Stress–strain curve—specimen WJ-1-1 at 20 °C.
Engproc 99 00021 g002
Figure 3. Stress–strain curve—specimen WJ-2-1 at 575 °C.
Figure 3. Stress–strain curve—specimen WJ-2-1 at 575 °C.
Engproc 99 00021 g003
Figure 4. Stress–strain curve—specimen WJ-3-1 at 20 °C.
Figure 4. Stress–strain curve—specimen WJ-3-1 at 20 °C.
Engproc 99 00021 g004
Figure 5. Stress–strain curve—specimen WJ-4-1 at 575 °C.
Figure 5. Stress–strain curve—specimen WJ-4-1 at 575 °C.
Engproc 99 00021 g005
Figure 6. Diagrams of F-δ (a) and J-Δa (b)—specimen PM-1-1, [7].
Figure 6. Diagrams of F-δ (a) and J-Δa (b)—specimen PM-1-1, [7].
Engproc 99 00021 g006
Figure 7. Dependence of the ac value on the test temperature—PM.
Figure 7. Dependence of the ac value on the test temperature—PM.
Engproc 99 00021 g007
Figure 8. Dependence of the ac value on the test temperature—WM.
Figure 8. Dependence of the ac value on the test temperature—WM.
Engproc 99 00021 g008
Figure 9. Dependence of the ac value on the test temperature—HAZ.
Figure 9. Dependence of the ac value on the test temperature—HAZ.
Engproc 99 00021 g009
Figure 10. Diagrams of F-δ (a) and J-Δa (b)—specimen WM-4-1.
Figure 10. Diagrams of F-δ (a) and J-Δa (b)—specimen WM-4-1.
Engproc 99 00021 g010
Figure 11. Dependence of the ac value on the test temperature—PM.
Figure 11. Dependence of the ac value on the test temperature—PM.
Engproc 99 00021 g011
Figure 12. Dependence of the ac value on the test temperature—WM.
Figure 12. Dependence of the ac value on the test temperature—WM.
Engproc 99 00021 g012
Figure 13. Dependence of the ac value on the test temperature—HAZ.
Figure 13. Dependence of the ac value on the test temperature—HAZ.
Engproc 99 00021 g013
Table 1. Chemical composition: A-387 Gr. B steel, weight %, [7].
Table 1. Chemical composition: A-387 Gr. B steel, weight %, [7].
ElementCSiMnPSCrMoCu
Weight %0.130.230.460.0090.0060.850.510.035
Table 2. Chemical composition: SA-387 Gr. 91 steel, weight %, [9].
Table 2. Chemical composition: SA-387 Gr. 91 steel, weight %, [9].
ElementCSiMnPSCrMoNiVNbCu
Weight %0.1290.2770.4430.0010.0018.250.8740.010.1980.0560.068
Table 3. Results of tensile tests of the welded joint with A-387 Gr. B.
Table 3. Results of tensile tests of the welded joint with A-387 Gr. B.
Specimen
Designation
Testing
Temperature, °C
Yield Stress,
Rp0.2, MPa
Tensile Strength,
Rm, MPa
Elongation 1,
A, %
Fracture Location
WJ-1-1 29545119.2PM
WJ-1-22028544820.4PM
WJ-1-3 29145419.7PM
WJ-2-1 21729326.3PM
WJ-2-254020528525.6PM
WJ-2-3 21128726.9PM
1 measured at L0 = 100 mm, as comparative value (not as a material property).
Table 4. Results of tensile tests of the welded joint with SA-387 Gr. 91.
Table 4. Results of tensile tests of the welded joint with SA-387 Gr. 91.
Specimen DesignationTesting
Temperature, °C
Yield Stress,
Rp0.2, MPa
Tensile Strength,
Rm, MPa
Elongation 1,
A, %
Fracture Location
WJ-3-1 59272425.3PM
WJ-3-22060172522.6PM
WJ-3-3 59773424.6PM
WJ-4-1 31933318.2PM
WJ-4-257533134516.1PM
WJ-4-3 32833814.9PM
1 measured at L0 = 100 mm, as comparative value (not as a material property).
Table 5. Values of KIc and ac specimens with a notch in PM A-387 Gr. B.
Table 5. Values of KIc and ac specimens with a notch in PM A-387 Gr. B.
Specimen MarkTemperature, °CJIc,
kJ/m2
KIc,
MPa∙m1/2
ac,
mm
PM-1-12060.1117.838.5
PM-1-263.9121.440.8
PM-1-358.6116.337.5
PM-2-154043.287.240.0
PM-2-244.788.741.4
PM-2-345.389.241.9
Table 6. Values of KIc and ac specimens with a notch in WM A-387 Gr. B.
Table 6. Values of KIc and ac specimens with a notch in WM A-387 Gr. B.
Specimen MarkTemperature, °CJIc,
kJ/m2
KIc,
MPa∙m1/2
ac,
mm
WM-1-12072.8129.620.2
WM-1-274.3130.920.7
WM-1-371.1128.119.8
WM-2-154050.293.917.4
WM-2-252.696.218.2
WM-2-348.492.216.8
Table 7. Values of KIc and ac specimens with a notch in HAZ A-387 Gr. B.
Table 7. Values of KIc and ac specimens with a notch in HAZ A-387 Gr. B.
Specimen MarkTemperature, °CJIc,
kJ/m2
KIc,
MPa∙m1/2
ac,
mm
HAZ-1-12053.6111.234.3
HAZ-1-251.7109.233.0
HAZ-1-349.8107.231.8
HAZ-2-154033.676.931.1
HAZ-2-234.277.531.6
HAZ-2-336.179.733.4
Table 8. Values of KIc and ac specimens with a notch in PM SA-387 Gr. 91.
Table 8. Values of KIc and ac specimens with a notch in PM SA-387 Gr. 91.
Specimen MarkTemperature, °CJIc,
kJ/m2
KIc,
MPa∙m1/2
ac,
mm
PM-3-1 131.1173.927.0
PM-3-220144.2182.429.7
PM-3-3 124.0169.225.6
PM-4-1 78.5122.945.3
PM-4-257580.9124.746.6
PM-4-3 81.9125.547.2
Table 9. Values of KIc and ac specimens with a notch in WM SA-387 Gr. 91.
Table 9. Values of KIc and ac specimens with a notch in WM SA-387 Gr. 91.
Specimen MarkTemperature, °CJIc,
kJ/m2
KIc,
MPa∙m1/2
ac,
mm
WM-3-1 71.6128.514.8
WM-3-22064.8122.313.4
WM-3-3 69.2126.414.3
WM-4-1 51.299.229.5
WM-4-257540.187.823.1
WM-4-3 38.686.222.3
Table 10. Values of KIc and ac specimens with a notch in HAZ SA-387 Gr. 91.
Table 10. Values of KIc and ac specimens with a notch in HAZ SA-387 Gr. 91.
Specimen MarkTemperature, °CJIc,
kJ/m2
KIc,
MPa∙m1/2
ac,
mm
HAZ-3-1 97.6150.120.1
HAZ-3-22088.9143.218.3
HAZ-3-3 92.1145.819.0
HAZ-4-1 65.3112.137.7
HAZ-4-257561.6108.835.5
HAZ-4-3 68.5114.839.5
Disclaimer/Publisher’s Note: The statements, opinions and data contained in all publications are solely those of the individual author(s) and contributor(s) and not of MDPI and/or the editor(s). MDPI and/or the editor(s) disclaim responsibility for any injury to people or property resulting from any ideas, methods, instructions or products referred to in the content.

Share and Cite

MDPI and ACS Style

Kostić, N.; Jovanović, M.; Čamagić, I.; Šarkoćević, Ž.; Burzić, Z.; Sedmak, A. Effect of Temperature and Chromium Content on Tensile and Fracture Mechanics Properties of Cr-Mo Steel Welded Joints. Eng. Proc. 2025, 99, 21. https://doi.org/10.3390/engproc2025099021

AMA Style

Kostić N, Jovanović M, Čamagić I, Šarkoćević Ž, Burzić Z, Sedmak A. Effect of Temperature and Chromium Content on Tensile and Fracture Mechanics Properties of Cr-Mo Steel Welded Joints. Engineering Proceedings. 2025; 99(1):21. https://doi.org/10.3390/engproc2025099021

Chicago/Turabian Style

Kostić, Nikola, Milivoje Jovanović, Ivica Čamagić, Živče Šarkoćević, Zijah Burzić, and Aleksandar Sedmak. 2025. "Effect of Temperature and Chromium Content on Tensile and Fracture Mechanics Properties of Cr-Mo Steel Welded Joints" Engineering Proceedings 99, no. 1: 21. https://doi.org/10.3390/engproc2025099021

APA Style

Kostić, N., Jovanović, M., Čamagić, I., Šarkoćević, Ž., Burzić, Z., & Sedmak, A. (2025). Effect of Temperature and Chromium Content on Tensile and Fracture Mechanics Properties of Cr-Mo Steel Welded Joints. Engineering Proceedings, 99(1), 21. https://doi.org/10.3390/engproc2025099021

Article Metrics

Back to TopTop