Optimizing Fault Detection Algorithms in Synchronous Generator Using Wavelet Transform and Fuzzy Logic for Enhanced Fault Analysis †
Abstract
1. Introduction
- (1)
- The development of a novel, robust fault detection and protection framework for condition monitoring in synchronous generators. This framework integrates multiple diagnostic techniques and utilizes the short-circuit response via wavelet packet decomposition and fuzzy logic.
- (2)
- The system’s effectiveness is validated through extensive simulations and experimental setups, demonstrating its practical applicability in real-world synchronous generator hydropower plant systems.
2. Materials and Methods
2.1. Mathematical Model Simulation of the Synchronous Generator
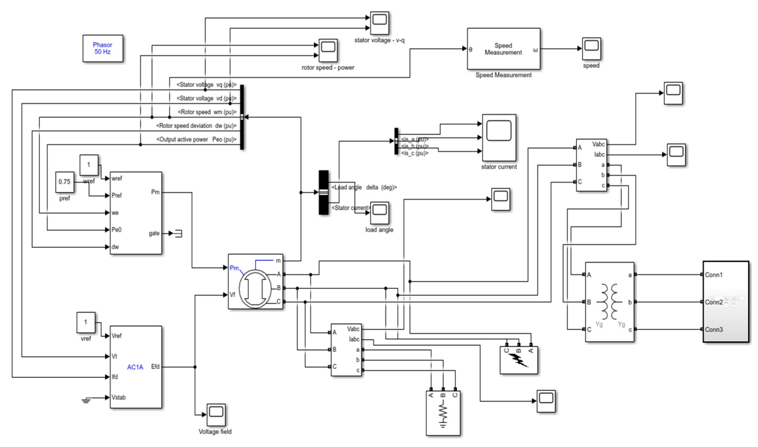
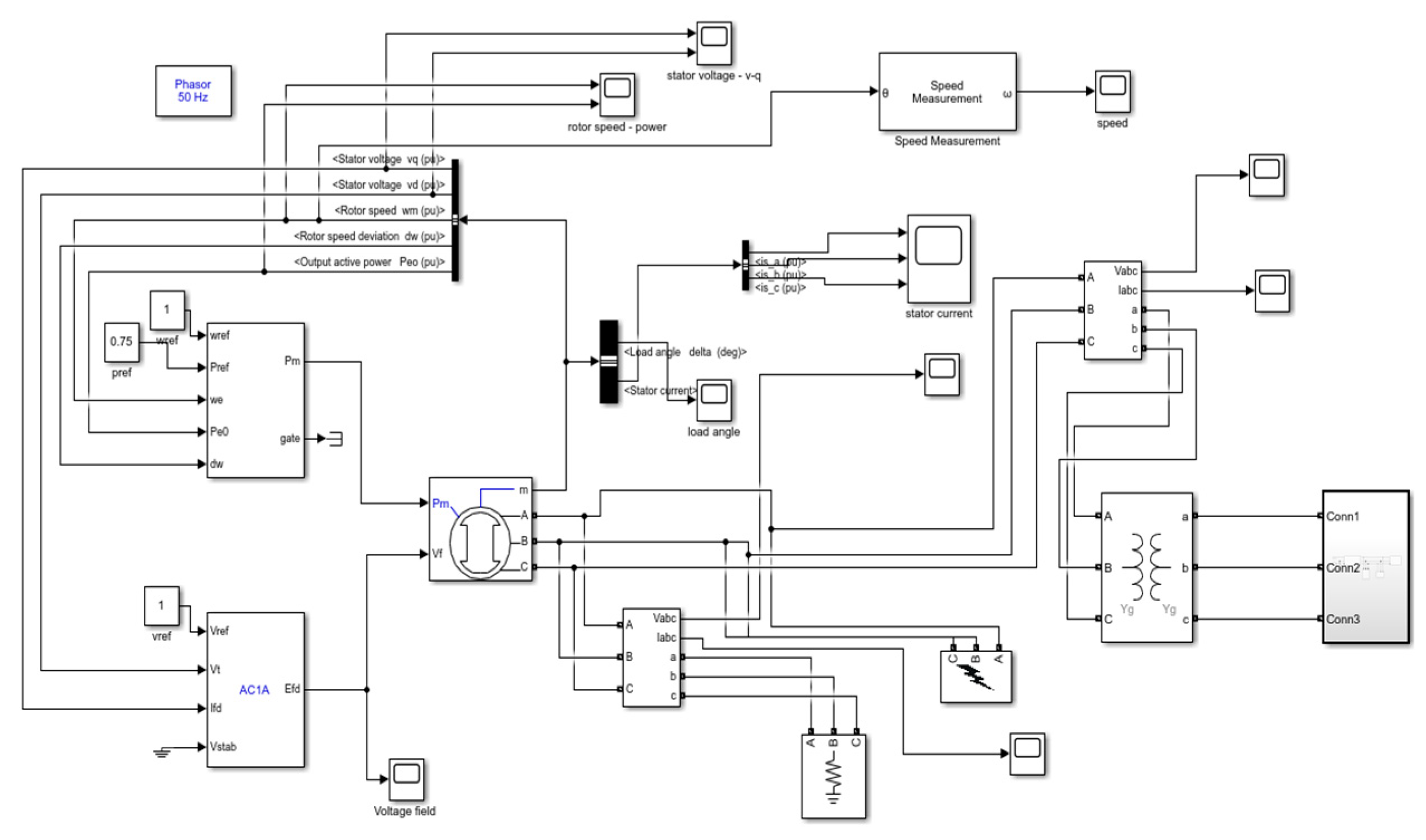
2.2. MATLAB Model Simulations
2.3. The Wavelet Transform
3. Methods
- Input data parameter: The procedure begins with the input of the voltage and current signals, encompassing both normal and fault conditions.
- Simulation via the Simulink model: The input data is processed using a Simulink model in MATLAB, simulating the voltage and signal behavior to emulate the real-time operating conditions of the synchronous generator.
- Computation of voltage and signal faults: The simulation results are used to compute any deviations or anomalies in the voltage and signal data, highlighting potential fault signatures.
- Wavelet detection algorithm: The wavelet transform is employed to detect high-frequency transient signals and localized variations in the computed data.
- Fuzzy decision algorithm: The output from the wavelet detection algorithm is fed into a fuzzy decision-making system.
- Threshold evaluation: The fuzzy decision algorithm compares the fault current (Ifault) against a predefined threshold (Th). If |Ifault| ≥ Th, the system determines that a fault is present. Otherwise, the process loops back for a further analysis.
- Fault handling: If a fault is detected, the system initiates the appropriate responses: Force trip fault signals: The system disconnects or isolates the affected components to prevent further damage.
4. Results and Discussions
4.1. The Simulation Results
4.2. Simulation Wavelet Detection
4.3. Fuzzy Decision
4.4. Discussion
5. Conclusions
Author Contributions
Funding
Institutional Review Board Statement
Informed Consent Statement
Data Availability Statement
Conflicts of Interest
References
- Desai, J.P.; Makwana, V.H. A novel out of step relaying algorithm based on wavelet transform and a deep learning machine model. Prot. Control Mod. Power Syst. 2021, 6, 40. [Google Scholar] [CrossRef]
- Zheng, X.; Zhang, J.; Zhang, D.; Wu, S. Neural Network Fault Diagnosis for Open Circuit Fault of Synchronous Generator Rectifier Element. In Proceedings of the 2024 IEEE International Conference on Mechatronics and Automation (ICMA), Tianjin, China, 4–7 August 2024; pp. 1086–1091. [Google Scholar] [CrossRef]
- Ehya, H.; Nysveen, A.; Skreien, T.N. Performance Evaluation of Signal Processing Tools Used for Fault Detection of Hydrogenerators Operating in Noisy Environments. IEEE Trans. Ind. Appl. 2021, 57, 3654–3665. [Google Scholar] [CrossRef]
- Guo, Q.; Hong, Z.; Hu, B.; Luo, H.; Tu, L.; Shao, L. Research on Mathematical Model and Electromagnetic Transient Simulation of Synchronous Generator. In Proceedings of the 2024 3rd International Conference on Energy and Electrical Power Systems (ICEEPS), Guangzhou, China, 14–16 July 2024; pp. 946–949. [Google Scholar] [CrossRef]
- Mitra, A.; Mohapatra, A.; Chakrabarti, S.; Sarkar, S. Online Measurement Based Joint Parameter Estimation of Synchronous Generator and Exciter. IEEE Trans. Energy Convers. 2021, 36, 820–830. [Google Scholar] [CrossRef]
- Ehya, H.; Nysveen, A. Comprehensive Broken Damper Bar Fault Detection of Synchronous Generators. IEEE Trans. Ind. Electron. 2022, 69, 4215–4224. [Google Scholar] [CrossRef]
- Jaafari, K.A.; Negahdari, A.; Toliyat, H.A. Synchronous Generators Stator Ground Fault Detection Using Wavelet Theory. In Proceedings of the IECON 2018—44th Annual Conference of the IEEE Industrial Electronics Society, Washington, DC, USA, 21–23 October 2018; Volume 44, pp. 707–713. [Google Scholar] [CrossRef]
- Costa, F.B.; Silva, K.M.C.; Filomena, A.D.; Coury, D.V.; Bretas, N.G. Comparison between Two Versions of the Discrete Wavelet Transform for Real-Time Transient Detection on Synchronous Machine Terminals. In Proceedings of the 2012 10th IEEE/IAS International Conference on Industry Applications, Fortaleza, Brazil, 5–7 November 2012; pp. 1–5. [Google Scholar]
- Dewangan, B.; Yadav, A. Fuzzy Based Detection of Complete or Partial Loss of Excitation in Synchronous Generator. In Proceedings of the 2021 4th International Conference on Recent Developments in Control, Automation & Power Engineering (RDCAPE), Noida, India, 7–8 October 2021; pp. 142–147. [Google Scholar] [CrossRef]
- Lal, M.D.; Varadarajan, R. Intelligent Fault Detection, Compensation, and Power Management in Microgrids: A Synchrophasor-Enhanced Approach Using Fuzzy Logic Controllers and RTDS. IEEE Access 2024, 12, 115465–115496. [Google Scholar] [CrossRef]
- Ehya, H.; Faiz, J. Signal Processing. In Electromagnetic Analysis and Condition Monitoring of Synchronous Generators; IEEE: Piscataway, NJ, USA, 2023; pp. 297–336. [Google Scholar] [CrossRef]
- Azuara-Grande, L.S.; Gonzalez-Longatt, F.; Tricarico, G.; Wagle, R.; Arnaltes, S.; Granizo, R. Real-Time Implementation of Two Grid-Forming Power Converter Controls to Emulate Synchronous Generators. In Proceedings of the 2022 IEEE Biennial Congress of Argentina (ARGENCON), San Juan, Argentina, 7–9 September 2022; pp. 1–6. [Google Scholar] [CrossRef]







| Detailed Information | Parameter Value |
|---|---|
| Power | 126 MVA |
| Voltage | 16 kV |
| Rated speed | 333.3 rpm |
| Excitation supply | 180 V, 1260 A |
Disclaimer/Publisher’s Note: The statements, opinions and data contained in all publications are solely those of the individual author(s) and contributor(s) and not of MDPI and/or the editor(s). MDPI and/or the editor(s) disclaim responsibility for any injury to people or property resulting from any ideas, methods, instructions or products referred to in the content. |
© 2025 by the authors. Licensee MDPI, Basel, Switzerland. This article is an open access article distributed under the terms and conditions of the Creative Commons Attribution (CC BY) license (https://creativecommons.org/licenses/by/4.0/).
Share and Cite
Kotpay, S.; Panunchai, S.; Prainetr, N.; Prainetr, S. Optimizing Fault Detection Algorithms in Synchronous Generator Using Wavelet Transform and Fuzzy Logic for Enhanced Fault Analysis. Eng. Proc. 2025, 86, 3. https://doi.org/10.3390/engproc2025086003
Kotpay S, Panunchai S, Prainetr N, Prainetr S. Optimizing Fault Detection Algorithms in Synchronous Generator Using Wavelet Transform and Fuzzy Logic for Enhanced Fault Analysis. Engineering Proceedings. 2025; 86(1):3. https://doi.org/10.3390/engproc2025086003
Chicago/Turabian StyleKotpay, Supus, Suracha Panunchai, Natchanun Prainetr, and Supachai Prainetr. 2025. "Optimizing Fault Detection Algorithms in Synchronous Generator Using Wavelet Transform and Fuzzy Logic for Enhanced Fault Analysis" Engineering Proceedings 86, no. 1: 3. https://doi.org/10.3390/engproc2025086003
APA StyleKotpay, S., Panunchai, S., Prainetr, N., & Prainetr, S. (2025). Optimizing Fault Detection Algorithms in Synchronous Generator Using Wavelet Transform and Fuzzy Logic for Enhanced Fault Analysis. Engineering Proceedings, 86(1), 3. https://doi.org/10.3390/engproc2025086003
