Next Article in Journal
A Long Short-Term Memory-Based Deep Learning Digital Twin of a Li-Ion Cell for Battery SOC Estimation
Previous Article in Journal
Diffusion Analysis of Flue Gases Through Carbon Nanotube- and Graphene-Reinforced PEBAX Nanocomposite Membranes: A Molecular Dynamic Study
 
 
Font Type:
Arial Georgia Verdana
Font Size:
Aa Aa Aa
Line Spacing:
Column Width:
Background:
Proceeding Paper

Insulated Hybrid Grid Based on PV System, Battery and Fuel Cell Car—A Case Study †

by
Lucian A. C. Ciochinda
and
Daniel Fodorean
*
Electrical Machines and Drives Department, Technical University of Cluj-Napoca, 400114 Cluj-Napoca, Romania
*
Author to whom correspondence should be addressed.
Presented at the Sustainable Mobility and Transportation Symposium 2024, Győr, Hungary, 14–16 October 2024.
Eng. Proc. 2024, 79(1), 12; https://doi.org/10.3390/engproc2024079012
Published: 1 November 2024
(This article belongs to the Proceedings of The Sustainable Mobility and Transportation Symposium 2024)

Abstract

For insulated areas, careful exploitation of the available energy is a must. We are considering a scenario of an off-grid small resort, for which the electrical energy is available only from a photovoltaic (PV) system with a local battery (BAT) storage unit, while a supplementary energy source system could be considered: an electrical propulsion vehicle, i.e., a fuel cell (FC) car. This hybrid system is to be connected to the local three-phase microgrid used to ensure electric energy for in-house needs. This paper investigates through simulations the operability of this small microgrid, while its performances are evaluated to comply with the IEC 61000-2-2 standard in terms of voltage amplitude and current total harmonic distortion (THD).

1. Introduction

For insulated areas where no electrical grid connection is available (for example, for a resort facility), the construction of a local microgrid is a must. Based on the available renewable resources, local microgrids can be put in place [1,2,3,4]. For the specific case where the main electrical energy needs are ensured via a photovoltaic (PV) system of 22 kW with its battery (BAT) storage capacity of 11 kWh, a possible extension of the energy availability can be obtained when considering an electric vehicle (EV) connected to the local microgrid via a bidirectional charging station [5]. More specifically, if the EV connected to the local grid is a fuel cell (FC) automobile, then through the consumption of hydrogen one can benefit from the necessary electricity during night periods or when even the BAT storage unit has a very low state-of-charge (SoC).
For isolated areas, like in our case, different renewable resources have been considered in the scientific literature, based on wind, solar, or hydropower, [3,4,6,7]. The same for the storage units [8,9,10]. In our case study, we have considered the common PV option, for which several techniques for maximizing the provided power are available (based on the PO-MPPT approach, using genetic algorithms, etc. [11,12]). Next, with respect to the storage unit to be attached to the PV system, a classic battery was considered, while for the EV, which can be connected to the grid, we have considered a fuel cell automobile since it offers the best autonomy among the electrified cars—which means that its energy can last longer in operation for our microgrid.
The goal of this study is to investigate the feasibility of such a microgrid. For this, we want to interconnect the “PV–BAT–FC car” hybrid system on a local grid of 22 kW, capable of ensuring the operability of a small resort at 230 V/50 Hz. A PO-MPPT [11,12] technique is employed for the maximization of the delivered power, while the following studied operation cases are considered: PV connected to grid, battery storage charging, battery connected to grid, and FC car connected to grid. The IEC 61000-2-2 standard will be evaluated in terms of voltage amplitude (±10 V is acceptable) and the THD of the current’s waveform (maximum 5%). For this, an appropriate 3-phase inverter connected to an LCL filter is used, while appropriate controllability is ensured via PI and PLL logic. The study and the validation of the research are made by means of simulated results.

2. The Designed Hybrid Smart DC Microgrid

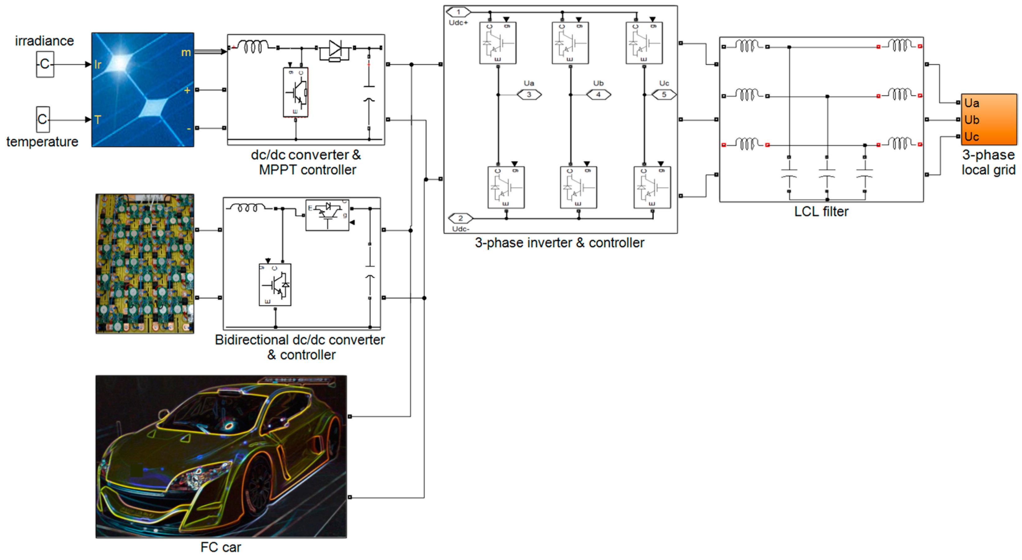
The overall configuration of the studied system is given in Figure 1. Here, one can identify the PV system, which sends the appropriate voltage level by using a DC/DC boost converter (its controllability is ensured via the PO-MPPT technique). Next, we have the possibility to store the energy produced via the PV into a battery unit (BAT), which is included into the microgrid via a bidirectional DC/DC converter. To the same DC bus of the PV–BAT system’s output, we have the fuel cell of an electric automobile. From this DC bus, we transfer the energy to the AC microgrid via a 3-phase inverter, which is controlled by using PI and PLL logic (for the axis currents and phase shift). Next, the inverter’s output is filtered (with an LCL filter) and connected to our local grid of maximum 22 kW and 230 V/50 Hz. The overall logic for controlling the output AC power is depicted in Figure 2. Here, the PWM signals for the 3-phase inverter are generated based on PI current controllers and PLL for the phase shift calculation. The parameters used in the simulation are indicated in Table 1.
Next, the simulation results of the analyzed system will be discussed to evaluate the feasibility of the local microgrid and the validation of the system for the given case study.

3. The Simulated Results of the Hybrid Microgrid

3.1. PV Connected to the Local Grid

First, we will evaluate the production of energy coming from the PV, while the IEC 61000-2-2 standard conditions will be verified (see Figure 3).
In Figure 3, one can see the output voltage of the PV, which is next boosted to 600 V (Figure 3a), at the input of the inverter, which is now capable of ensuring the 230 V/phase voltage (Figure 3b), while the 22 kW power is offered to the grid. Thus, the AC electric power needs are ensured for our isolated resort facility. The quality of the produced energy is also proven, since the desired voltage amplitude was reached (230 V/phase), while the current THD is below 5% (4.56% to be more accurate).

3.2. PV Charging the Battery as a Local Storage Unit

The charging of the storage unit, the battery, is also investigated. We have accepted a higher current than the rated one (i.e., 60 A—which means that the charged power is also more than the rated one of 11 kW) for the sake of presentation (or for a better state-of-charge evaluation). The electrical characteristics of the PV’s output (Figure 4a) as well as the charging characteristics of the BAT (Figure 4b) are shown—here we have considered a 10% initial state-of-charge for the BAT. Thus, we have proven the operation of this scenario. Next, the battery–grid operability will be investigated.

3.3. Battery Connected to the Local Grid

For this scenario, the bidirectional DC converter is used to boost the voltage at the inverter’s expected input, 600 V, relying on a voltage PI regulator with the following parameters: Kp = 10−5, Ki = 0.05. In Figure 5a, one can see the grid electrical characteristics, with the expected output power, voltage amplitude, and RMS current. On the other hand, in Figure 5b one can see the THD of the phase current, which is, again, below the expected 5%—2.61 to be precise. Thus, this scenario is also validated.
Therefore, we can next investigate the operation of the FC car connected to the local microgrid.

3.4. FC Car Connected to the Local Grid

For the last scenario, when our FC car is connected to the DC bus of the microgrid, the simulated results are shown in Figure 6. First, the characteristics of the FC, with a very good efficiency level of 65% at about 45% of load (the FC is of 50 kW), are shown in Figure 6a; next, the rated operating point of 22 kW-230 V/phase-50 Hz is depicted in Figure 6b, proving the fulfillment of the voltage criterion from the IEC 61000-2-2 standard; finally, in Figure 6c, one can see the THD of the generated grid current, which is at a very low level: 1.19%. Thus, based on the depicted simulated results, we can conclude that the good operation of the FC car to grid is also validated.
Thus, the operation of all scenarios has been validated, and since the conditions of the IEC 61000-2-2 standard have been fulfilled, we can conclude that the study was numerically validated.

4. Conclusions

In the case of a small resort facility, separated from the wired AC grid, the authors have proposed the elaboration of a microgrid designed to work with a hybrid source system based on photovoltaics (PV), a battery (BAT), and a fuel cell (FC) car—the electric energy of the FC automobile being recovered with a bidirectional local charging station, while hydrogen is consumed by the FC car. The three subsystems are connected to the same DC bus, while several pieces of power electronic equipment were used: a DC/DC converter for the PV, a bidirectional converter for the BAT, a three-phase inverter, and an LCL filter for the electric energy transfer between the components and the AC microgrid. The simulation parameters of the components as well as of the controllers used to manage the energy transfer were given in the manuscript. Beside the demonstration of the operability of the proposed system, the authors were interested in evaluating the quality of the produced energy based on the IEC 61000-2-2 standard conditions: ±10 V for the phase voltage and current’s THD below 5% THD. In all studied scenarios, the voltage amplitude was attained, while for the PV–grid, BAT–grid, and FC car–grid cases, the current’s THD was 4.56%, 2.61%, and 1.19%, respectively, proving the desired results.

Author Contributions

Conceptualization, L.A.C.C. and D.F.; methodology, L.A.C.C. and D.F.; software analysis, L.A.C.C. and D.F.; validation, L.A.C.C. and D.F.; investigation, L.A.C.C.; writing—original draft preparation, L.A.C.C. and D.F.; writing—review and editing, L.A.C.C. and D.F.; supervision, D.F. All authors have read and agreed to the published version of the manuscript.

Funding

This research received no external funding.

Institutional Review Board Statement

Not applicable.

Informed Consent Statement

Not applicable.

Data Availability Statement

Data for this study are not publicly available.

Conflicts of Interest

The authors declare no conflicts of interest.

References

  1. Jagadeesh Kumar, M.; Sampradeepraj, T.; Sivajothi, E.; Singh, G. An efficient hybrid technique for energy management system with renewable energy system and energy storage system in smart grid. Energy 2024, 306, 132454. [Google Scholar] [CrossRef]
  2. Verma, V.; Sorathiya, V.; Sonowal, G.; Sudhakara Reddy, M. Hybrid optimization for integration of renewable energy systems into smart grids. Meas. Sens. 2024, 33, 101170. [Google Scholar] [CrossRef]
  3. Fodorean, D.; Szabo, L.; Miraoui, A. Generator Solutions For Stand Alone Pico-Electric Power Plants. In Proceedings of the 2009 IEEE International Electric Machines and Drives Conference, Miami, FL, USA, 3–6 May 2009; pp. 434–438. [Google Scholar]
  4. Hanni, J.R.; Bukya, M.; Kumar, P.; Gowtham, N. Analysis and Modeling of 581 kWp Grid-Integrated Solar Photovoltaic Power Plant of Academic Institution Using PVsyst. Eng. Proc. 2023, 59, 142. [Google Scholar] [CrossRef]
  5. Fodorean, D.; Carlea, F.; Raboaca, S.; Filote, C. New Mobile charging station for urban and resort areas. In Proceedings of the 2019 Electric Vehicles International Conference (EV), Bucharest, Romania, 3–4 October 2019; pp. 1–6. [Google Scholar] [CrossRef]
  6. Prakasam, M.M.A.; Karuppaiyen, M.; Siddan, G. A Photovoltaic (PV)-Wind Hybrid Energy System Using an Improved Deep Neural Network (IDNN)-Based Voltage Source Controller for a Microgrid Environment. Eng. Proc. 2023, 59, 30. [Google Scholar] [CrossRef]
  7. Lizana, R.; Rivera, S.; Figueroa, F.; Flores-Bahamonde, F.; Rodriguez, J.; Goetz, S.M. Hybrid Energy Storage System Based on a Multioutput Multilevel Converter. IEEE J. Emerg. Sel. Top. Pow. Electron. 2023, 11, 3864–3873. [Google Scholar] [CrossRef]
  8. Fu, Z.; Wang, H.; Tao, F.; Ji, B.; Dong, Y.; Song, S. Energy Management Strategy for Fuel Cell/Battery/Ultracapacitor Hybrid Electric Vehicles Using Deep Reinforcement Learning With Action Trimming. IEEE Trans. Veh. Technol. 2022, 71, 7171–7185. [Google Scholar] [CrossRef]
  9. Ceschia, A.; Azib, T.; Bethoux, O.; Alves, F. Optimal Design of Fuel Cell Hybrid Power Source Under Energy Constraints. In Proceedings of the 2018 IEEE International Conference on Electrical Systems for Aircraft, Railway, Ship Propulsion and Road Vehicles & International Transportation Electrification Conference (ESARS-ITEC), Nottingham, UK, 7–9 November 2018; pp. 1–6. [Google Scholar] [CrossRef]
  10. Lemoine, B.; Caliandro, P.; Wannemacher, T.; Baumann, N.; Vezzini, A. Energy Storage System Hybridization Algorithm for Mobility Applications Based on Future Battery and Fuel Cell Technologies. In Proceedings of the 2023 IEEE International Conference on Electrical Systems for Aircraft, Railway, Ship Propulsion and Road Vehicles & International Transportation Electrification Conference (ESARS-ITEC), Venice, Italy, 29–31 March 2023; pp. 1–6. [Google Scholar] [CrossRef]
  11. Ramanathan, U.; Rajendran, S. Weighted Particle Swarm Optimization Algorithms and Power Management Strategies for Grid Hybrid Energy Systems. Eng. Proc. 2023, 59, 123. [Google Scholar] [CrossRef]
  12. Harrison, A.; Alombah, N.H.; Kamel, S.; Kotb, H.; Ghoneim, S.S.M.; El Myasse, I. A Novel MPPT-Based Solar Irradiance Estimator: Integration of a Hybrid Incremental Conductance Integral Backstepping Algorithm for PV Systems with Experimental Validation. Eng. Proc. 2023, 56, 262. [Google Scholar] [CrossRef]
Figure 1. Overall structure of the local 22 kW/230 V/50 Hz microgrid, containing: a PV system, a battery storage unit, a fuel cell car, and the necessary electronic power converters and filter.
Figure 1. Overall structure of the local 22 kW/230 V/50 Hz microgrid, containing: a PV system, a battery storage unit, a fuel cell car, and the necessary electronic power converters and filter.
Engproc 79 00012 g001
Figure 2. The logic for producing the PWM signals for AC power generation (22 kW/230 V/50 Hz).
Figure 2. The logic for producing the PWM signals for AC power generation (22 kW/230 V/50 Hz).
Engproc 79 00012 g002
Figure 3. PV connected to local microgrid via electronic converters: (a) PV and boost converter characteristics; (b) grid characteristics; (c) THD for phase current.
Figure 3. PV connected to local microgrid via electronic converters: (a) PV and boost converter characteristics; (b) grid characteristics; (c) THD for phase current.
Engproc 79 00012 g003
Figure 4. BAT charging via PV: (a) PV characteristics; (b) BAT characteristics.
Figure 4. BAT charging via PV: (a) PV characteristics; (b) BAT characteristics.
Engproc 79 00012 g004
Figure 5. BAT connected to local grid via bidirectional converter and 3-phase inverter: (a) grid characteristics; (b) THD for phase current.
Figure 5. BAT connected to local grid via bidirectional converter and 3-phase inverter: (a) grid characteristics; (b) THD for phase current.
Engproc 79 00012 g005
Figure 6. FC car connected to local grid via 3-phase inverter: (a) FC car characteristics; (b) grid characteristics; (c) THD for phase current.
Figure 6. FC car connected to local grid via 3-phase inverter: (a) FC car characteristics; (b) grid characteristics; (c) THD for phase current.
Engproc 79 00012 g006
Table 1. Simulation parameters for the PV–FC–BAT system connected to the local microgrid.
Table 1. Simulation parameters for the PV–FC–BAT system connected to the local microgrid.
ComponentParameterValue and Unit
PVModule SPR-445J-WHT-DMatrix of 5 series and 10 parallel modules
Output Power22 kW
Output voltage380 VDC
BATRated Voltage 240 V
Rated Capacity48 Ah
FCPower50 kW
Output voltage625 V
DC/DC converterBoost Inductance3.8 mH
Boost Capacitance49.154 μF
LCL filterInductance1.1 mH
Capacitance100 μF
3-phase inverter and controllerSwitching frequency12 kHz
Direct axis current coefficientsKp = 5/Ki = 5000;
filter inductance 2.2 mH
Quadrature axis current coefficientsKp = 10/Ki = 20; filter inductance 2.2 mH
PLLKp = 10/Ki = 50,000
Disclaimer/Publisher’s Note: The statements, opinions and data contained in all publications are solely those of the individual author(s) and contributor(s) and not of MDPI and/or the editor(s). MDPI and/or the editor(s) disclaim responsibility for any injury to people or property resulting from any ideas, methods, instructions or products referred to in the content.

Share and Cite

MDPI and ACS Style

Ciochinda, L.A.C.; Fodorean, D. Insulated Hybrid Grid Based on PV System, Battery and Fuel Cell Car—A Case Study. Eng. Proc. 2024, 79, 12. https://doi.org/10.3390/engproc2024079012

AMA Style

Ciochinda LAC, Fodorean D. Insulated Hybrid Grid Based on PV System, Battery and Fuel Cell Car—A Case Study. Engineering Proceedings. 2024; 79(1):12. https://doi.org/10.3390/engproc2024079012

Chicago/Turabian Style

Ciochinda, Lucian A. C., and Daniel Fodorean. 2024. "Insulated Hybrid Grid Based on PV System, Battery and Fuel Cell Car—A Case Study" Engineering Proceedings 79, no. 1: 12. https://doi.org/10.3390/engproc2024079012

APA Style

Ciochinda, L. A. C., & Fodorean, D. (2024). Insulated Hybrid Grid Based on PV System, Battery and Fuel Cell Car—A Case Study. Engineering Proceedings, 79(1), 12. https://doi.org/10.3390/engproc2024079012

Article Metrics

Back to TopTop