Investigation of Plane-Strain Fracture Toughness and Failure Analysis of AISI-4140 Alloy Steel †
Abstract
:1. Introduction
2. Materials and Methodology
2.1. Material
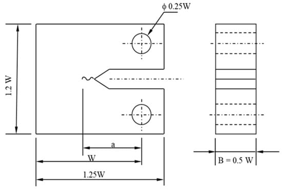
2.2. Specimen Preparation for Fracture Toughness Test
2.3. Fracture Toughness Test
2.4. Scanning Electron Microscopy (SEM) Imaging and EDS Analysis
3. Results
3.1. Evaluation of Fracture Toughness
3.2. Scanning Electron Microscopy (SEM)-Based Fractography
3.3. Energy Dispersive X-ray Spectroscopy (EDS)
4. Discussion
Fracture Toughness and Failure Analysis
5. Conclusions
Author Contributions
Funding
Institutional Review Board Statement
Informed Consent Statement
Data Availability Statement
Acknowledgments
Conflicts of Interest
References
- Hohenwarter, A.; Pippan, R. Fracture and fracture toughness of nanopolycrystalline metals produced by severe plastic deformation. Philos. Trans. R. Soc. A 2015, 373, 20140366. [Google Scholar] [CrossRef] [PubMed]
- Sadananda, K.; Vasudevan, A.K. Fatigue crack growth behavior of titanium alloys. Int. J. Fatigue 2005, 27, 1255–1266. [Google Scholar] [CrossRef]
- Launey, M.E.; Ritchie, R.O. On the fracture toughness of advanced materials. Adv. Mater. 2009, 21, 2103–2110. [Google Scholar] [CrossRef]
- Takesue, S.; Hayama, M.; Komotori, J. Effect of atmospheric-controlled induction-heating fine particle peening on microstructure and fatigue properties of low-alloy steel. Fatigue Fract. Eng. Mater. Struct. 2022, 45, 2908–2919. [Google Scholar] [CrossRef]
- Tecer, M.M. Effects of various heat treatment procedures on the toughness of AISI 4140 low alloy steel. Int. J. Mater. Eng. Technol. 2020, 3, 131–149. [Google Scholar]
- Feng, J.; Wettlaufer, M. Plane-strain fracture toughness of AISI 4140 steel austempered below MS. Mater. Sci. Eng. A 2019, 743, 494–499. [Google Scholar] [CrossRef]
- Nagarajan, V.R.; Putatunda, S.K.; Boileau, J. Fatigue Crack Growth Behavior of Austempered AISI 4140 Steel with Dissolved Hydrogen. Metals 2017, 7, 466. [Google Scholar] [CrossRef]
- Park, H.J.; Kim, B.S.; Ahn, C.S.; Cho, K.T.; Moon, K.I.; Kim, S.S. Fracture Behavior of Ion-Nitrided AISI 4140 Steel in accordance with Variable Applied Current Density. Adv. Mater. Sci. Eng. 2022, 2022, 6244566. [Google Scholar] [CrossRef]
- Ozturk, M.; Husem, F.; Karademir, I.; Maleki, E.; Amanov, A.; Unal, O. Fatigue crack growth rate of AISI 4140 low alloy steel treated via shot peening and plasma nitriding. Vacuum 2023, 207, 111552. [Google Scholar] [CrossRef]
- ASTM Standard E 399-90 (Reapproved 1997); Standard Test Method for Plane-Strain Fracture Toughness of Metallic Materials. American Society for Testing of Materials: West Conshohocken, PA, USA, 1997.
- Dowling, N.E. Mechanical Behaviour of Materials, 2nd ed.; Prentice Hall: Saddle River, NJ, USA, 1999. [Google Scholar]
- Huang, Y.; Wang, X. On the fracture toughness testing for single-edge notched bend specimen of orthotropic materials. Compos. Struct. 2022, 281, 114970. [Google Scholar] [CrossRef]
- Geethanjali, K.S.; Ramesha, C.M.; Chandan, B.R. Comparative studies on machinability of MCLA steels EN19 and EN24 using Taguchi optimization techniques. Mater. Today Proc. 2018, 5, 25705–25712. [Google Scholar] [CrossRef]
- Saajsteel. Available online: https://www.saajsteel.com/alloy-steel-round-bar-manufacturers-and-suppliers-in-chennai/en19-alloy-steel-bar-manufacturers-suppliers-in-chennai/ (accessed on 7 July 2023).
- Kumar, P. Elements of Fracture Mechanics; McGraw-Hill Education LLC: New York, NY, USA, 2009. [Google Scholar]
- Upadhyaya, Y.S.; Sridhara, B.K. Fatigue life prediction: A continuum damage mechanics and fracture mechanics approach. Mater. Des. 2012, 35, 220–224. [Google Scholar] [CrossRef]
- Madyira, D.M.; Akinlabi, E.T. Effects of wire electrical discharge machining on fracture toughness of grade 5 titanium alloy. Proc. World Congr. Eng. 2014, 2, 1393–1398. [Google Scholar]
- Wahab, A.A.; Mokhtar, E.G.; Mazen, A. Effect of heat treatment on the fracture toughness of AISI 4140 Steel. Minia J. Eng. Technol. 2014, 33, 1–6. [Google Scholar]
- Horwood, A.; Chockalingam, N. Clinical Biomechanics in Human Locomotion: Origins and Principles; Elsevier: Amsterdam, The Netherlands, 2023; Chapter 2. [Google Scholar]
- Moore, P.L.; Booth, G. Brittle fracture and the behavior of cracks in structures. In The Welding Engineer’s Guide to Fracture and Fatigue; Moore, P., Booth, G., Eds.; Woodhead Publishing: Thorston, UK, 2014; Volume 1, pp. 45–63. [Google Scholar]









| Constituents | C | Si | Mn | S | P | Cr | Mo | Fe |
|---|---|---|---|---|---|---|---|---|
| % by weight | 0.42 | 0.28 | 0.67 | 0.027 | 0.031 | 1.03 | 0.22 | Balance |
| No. | Thickness (B) | Width (W) | Crack Length (a) | No. of Specimens |
|---|---|---|---|---|
| 1 | 12.5 | 25 | 11 | 2 |
| 2 | 20 | 40 | 18 | 1 |
| 3 | 25 | 50 | 23 | 2 |
| Thickness (B) mm | ) | Pmax/PQ |
|---|---|---|
| 20 | 44.5 | 1.01 |
| 25 | 45.1 | 1 |
Disclaimer/Publisher’s Note: The statements, opinions and data contained in all publications are solely those of the individual author(s) and contributor(s) and not of MDPI and/or the editor(s). MDPI and/or the editor(s) disclaim responsibility for any injury to people or property resulting from any ideas, methods, instructions or products referred to in the content. |
© 2023 by the authors. Licensee MDPI, Basel, Switzerland. This article is an open access article distributed under the terms and conditions of the Creative Commons Attribution (CC BY) license (https://creativecommons.org/licenses/by/4.0/).
Share and Cite
Upadhyaya, Y.S.; Kottawar, R.B.; Patil, N.S.; Managuli, V. Investigation of Plane-Strain Fracture Toughness and Failure Analysis of AISI-4140 Alloy Steel. Eng. Proc. 2023, 59, 119. https://doi.org/10.3390/engproc2023059119
Upadhyaya YS, Kottawar RB, Patil NS, Managuli V. Investigation of Plane-Strain Fracture Toughness and Failure Analysis of AISI-4140 Alloy Steel. Engineering Proceedings. 2023; 59(1):119. https://doi.org/10.3390/engproc2023059119
Chicago/Turabian StyleUpadhyaya, Y. S., Rutuja Balaji Kottawar, Narahari Suresh Patil, and Vishwanath Managuli. 2023. "Investigation of Plane-Strain Fracture Toughness and Failure Analysis of AISI-4140 Alloy Steel" Engineering Proceedings 59, no. 1: 119. https://doi.org/10.3390/engproc2023059119
APA StyleUpadhyaya, Y. S., Kottawar, R. B., Patil, N. S., & Managuli, V. (2023). Investigation of Plane-Strain Fracture Toughness and Failure Analysis of AISI-4140 Alloy Steel. Engineering Proceedings, 59(1), 119. https://doi.org/10.3390/engproc2023059119

