A Highly Efficient Cross-Connected H-Bridge-Style Multilevel Inverter with Lower Power Components †
Abstract
:1. Introduction
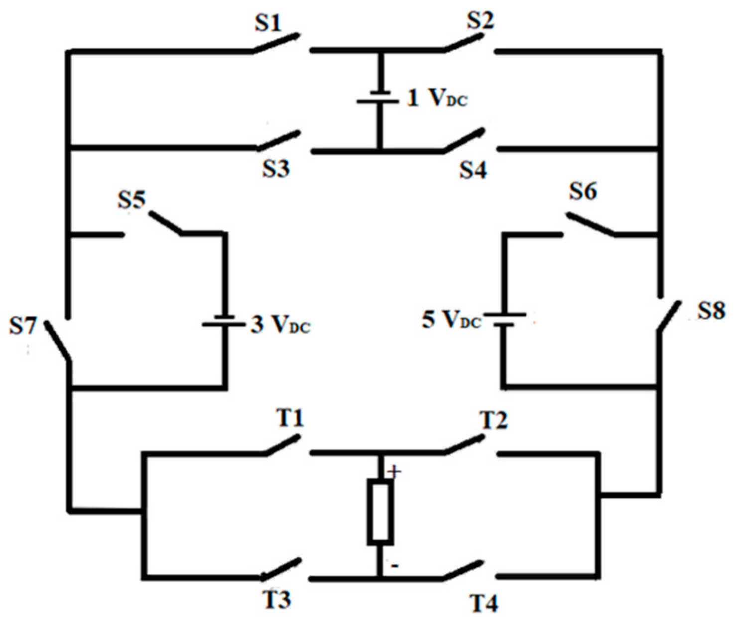
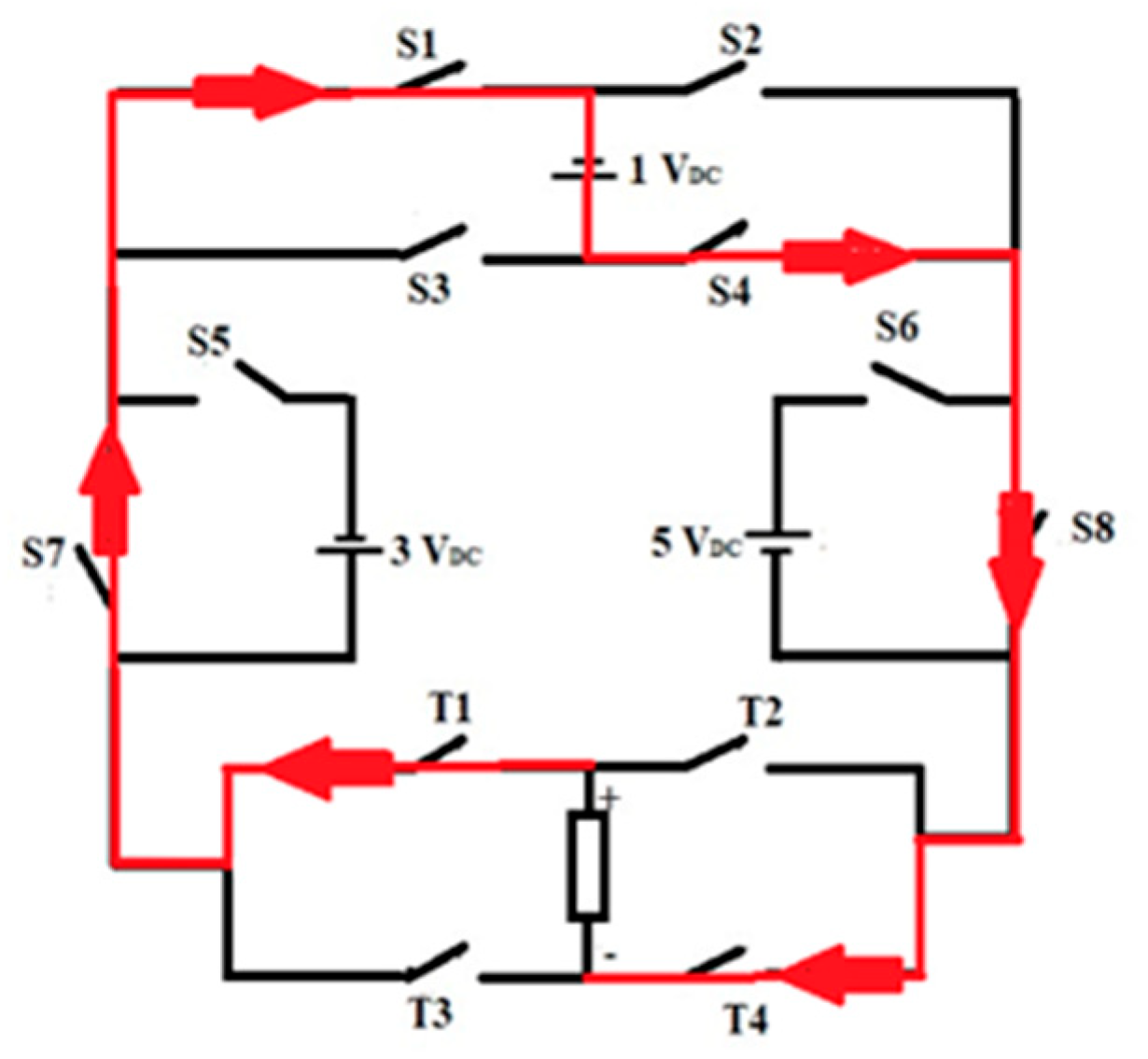
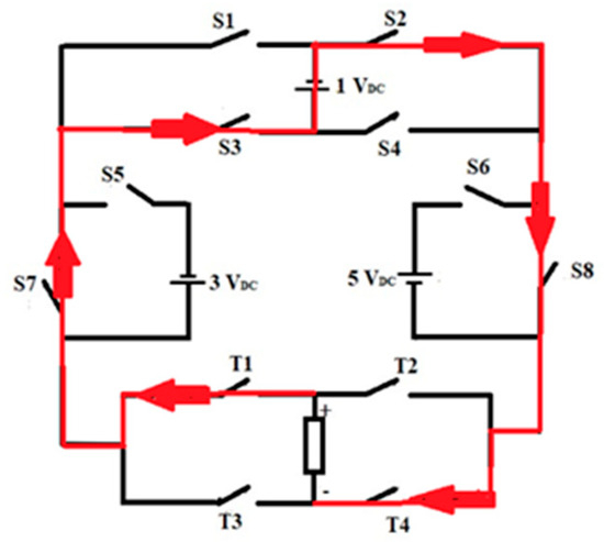
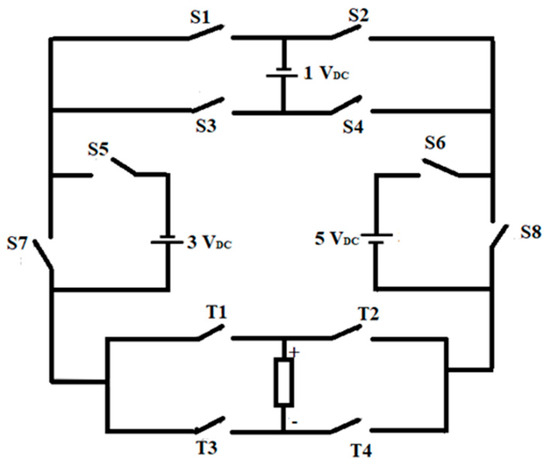
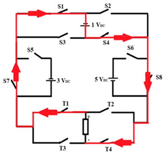
2. Proposed 19-Level Inverter
3. Comparative Analysis
4. Simulation and Experimentation
5. Conclusions
Author Contributions
Funding
Institutional Review Board Statement
Informed Consent Statement
Data Availability Statement
Conflicts of Interest
References
- Vijayaraja, L.; Dhanasekar, R.; Ganesh Kumar, S. An Inspection on Multilevel Inverters Based on Sustainable Applications. In Power Converters, Drives and Controls for Sustainable Operations; Ganesh Kumar, S., Abarca, M.R., Patnaik, S.K., Eds.; Wiley: Hoboken, NJ, USA, 2023. [Google Scholar]
- Raman, G.; Imthiyas, A.; Raja, M.D.; Vijayaraja, L.; Kumar, S.G. Design of 31-level Asymmetric Inverter with Optimal Number of Switches. In Proceedings of the 2019 IEEE International Conference on Intelligent Techniques in Control, Optimization and Signal Processing (INCOS), Tamilnadu, India, 11–13 April 2019; pp. 1–3. [Google Scholar]
- Thakre, K.; Mohanty, K.B.; Kommukuri, V.S.; Chatterjee, A.; Nigam, P.; Gupta, S.K. Modified cascaded multilevel inverter for renewable energy systems with less number of unidirectional switches. Energy Rep. 2022, 8, 5296–5304. [Google Scholar] [CrossRef]
- Samadaei, E.; Kaviani, M.; Iranian, M.; Pouresmaeil, E. The P-Type Module with Virtual DC Links to Increase Levels in Multilevel Inverters. Electronics 2019, 8, 1460. [Google Scholar] [CrossRef]
- Azimi, E.; Tavasoli, A.; Hafezi, H.; Nateghi, A. A Dumbbell Type (D-Type) multilevel inverter based on switched capacitor concept. Int. J. Electron. 2022, 109, 152–168. [Google Scholar] [CrossRef]
- Vivek, P.; Muthuselvan, N.B. Investigation on Photovoltaic System based Asymmetrical Multilevel Inverter for Harmonic Mitigation. In Proceedings of the International Conference on Electrical Energy Systems (ICEES), Chennai, India, 11–13 February 2021; pp. 334–339. [Google Scholar]
- Mahesh, P.; Venkatesh, C.; Rajagopal, V. NLC and SFO Control Technique Based Multilevel Inverter fed 3-φ Induction Motor Drive. In Proceedings of the International Conference on Sustainable Energy and Future Electric Transportation (SEFET), Hyderabad, India, 21–23 January 2021; pp. 1–7. [Google Scholar]
- Gu, X.; Xu, W.; Zhang, G.; Chen, W.; Jin, X. Three-Level Inverter-PMSM Model Predictive Current Control Based on the Extended Control Set. Electronics 2023, 12, 557. [Google Scholar] [CrossRef]
- Ayub, M.A.; Aziz, S.; Liu, Y.; Peng, J.; Yin, J. Design and Control of Novel Single-Phase Multilevel Voltage Inverter Using MPC Controller. Sustainability 2023, 15, 860. [Google Scholar] [CrossRef]
- Devalraju, P.; Dhanamjayulu, C. A Novel 19-level Asymmetrical Multilevel Inverter for Dynamic Voltage Restorer Applications. In Proceedings of the Power and Advanced Computing Technologies (i-PACT), Kuala Lumpur, Malaysia, 27–29 November 2021; pp. 1–7. [Google Scholar]
- Thiyagarajan, V.A. New Symmetric and Asymmetric Multilevel Inverter Circuit with Reduced Number of Components. Mater. Proc. 2022, 10, 5. [Google Scholar]








| VDC | S1 | S2 | S3 | S4 | S5 | S6 | S7 | S8 | S9 | S10 | S11 | S12 |
|---|---|---|---|---|---|---|---|---|---|---|---|---|
| 0 V | 0 | 0 | 1 | 1 | 0 | 0 | 1 | 1 | 1 | 1 | 0 | 0 |
| 1 V | 1 | 0 | 0 | 1 | 0 | 0 | 1 | 1 | 1 | 1 | 0 | 0 |
| 9 V | 1 | 0 | 0 | 1 | 1 | 1 | 0 | 0 | 1 | 1 | 0 | 0 |
| 0 V | 0 | 0 | 1 | 1 | 0 | 0 | 1 | 1 | 1 | 1 | 0 | 0 |
| −1 V | 1 | 0 | 0 | 1 | 0 | 0 | 1 | 1 | 0 | 0 | 1 | 1 |
| −9 V | 1 | 0 | 0 | 1 | 1 | 1 | 0 | 0 | 0 | 0 | 1 | 1 |
| Ref No. | NL | NSW | NDS | XTHD | N(D+C) |
|---|---|---|---|---|---|
| 3 | 11 | 8 | 5 | 4.56 | 2D |
| 5 | 17 | 13 | 2 | 3.12 | 18D + 2C |
| 6 | 11 | 12 | 5 | 3.35 | 12D |
| 7 | 7 | 9 | 1 | 12.17 | 2C |
| 11 | 13 | 11 | 1 | 4.9 | 3D + 3C |
| Proposed | 19 | 12 | 3 | 4.36 | - |
| Load | Vo | Io | Po | %eff | THD |
|---|---|---|---|---|---|
| R | 180 | 2 | 360 | 95.16 | 4.30 |
| RL | 180 | 2 | 360 | 94.34 | 4.26 |
Disclaimer/Publisher’s Note: The statements, opinions and data contained in all publications are solely those of the individual author(s) and contributor(s) and not of MDPI and/or the editor(s). MDPI and/or the editor(s) disclaim responsibility for any injury to people or property resulting from any ideas, methods, instructions or products referred to in the content. |
© 2023 by the authors. Licensee MDPI, Basel, Switzerland. This article is an open access article distributed under the terms and conditions of the Creative Commons Attribution (CC BY) license (https://creativecommons.org/licenses/by/4.0/).
Share and Cite
Loganathan, V.; Ravikumar, D.; Saikumar, K.S.; Kesavan, R. A Highly Efficient Cross-Connected H-Bridge-Style Multilevel Inverter with Lower Power Components. Eng. Proc. 2023, 56, 38. https://doi.org/10.3390/ASEC2023-15296
Loganathan V, Ravikumar D, Saikumar KS, Kesavan R. A Highly Efficient Cross-Connected H-Bridge-Style Multilevel Inverter with Lower Power Components. Engineering Proceedings. 2023; 56(1):38. https://doi.org/10.3390/ASEC2023-15296
Chicago/Turabian StyleLoganathan, Vijayaraja, Dhanasekar Ravikumar, Kesav Sanadhan Saikumar, and Rupa Kesavan. 2023. "A Highly Efficient Cross-Connected H-Bridge-Style Multilevel Inverter with Lower Power Components" Engineering Proceedings 56, no. 1: 38. https://doi.org/10.3390/ASEC2023-15296
APA StyleLoganathan, V., Ravikumar, D., Saikumar, K. S., & Kesavan, R. (2023). A Highly Efficient Cross-Connected H-Bridge-Style Multilevel Inverter with Lower Power Components. Engineering Proceedings, 56(1), 38. https://doi.org/10.3390/ASEC2023-15296

