Design and Construction of a High-Current Capacitor Bank for Flash Graphene Synthesis †
Abstract
:1. Introduction
2. Design Requirements
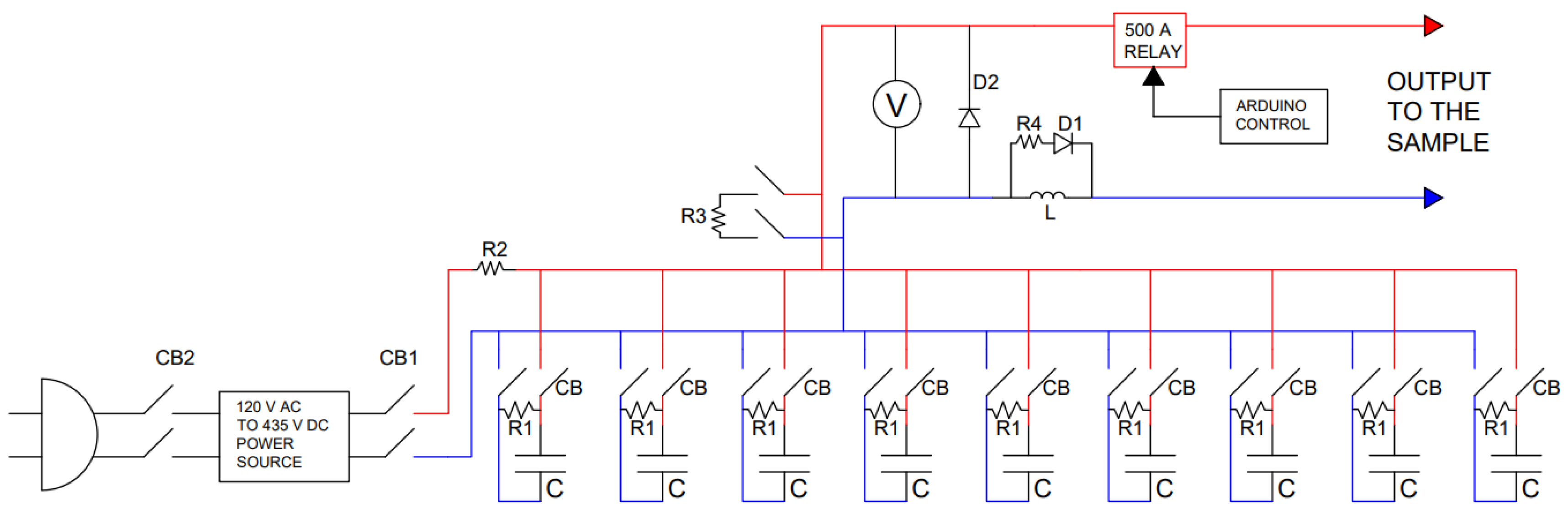
3. Construction and Operational Application
- Connect the equipment to a 120 V AC voltage source using the power cable on one side of the board.
- Utilize the external circuit breaker labeled CB2 to power on the equipment. At this point, the LCD screen on the door will illuminate, displaying a default discharge time of 20 ms.
- Specify the discharge time on the screen using the keypad. To achieve this, press the “A” command, input the time in milliseconds, and press the “#” key. The desired time will then appear on the screen.
- Activate the external multimeter and turn the dial to the position indicated as for measuring continuous voltage.
- Using the external circuit breaker CB1, charge the capacitor bank to the desired voltage, as indicated on the voltmeter. Employ the same switch to halt the charging process.
- Allow the voltage to regulate gradually without intervention.
- For a larger voltage excess, use the external circuit breaker CB3, which results in faster voltage reduction, as indicated on the voltmeter. Re-engage the same switch to halt the discharge at the desired voltage.
- Attach cables with alligator clips to the electrodes where the flash is intended.
- Push the green button on the door to activate the equipment.
- After pressing the button, the current will heat the material producing a flash, then inspect the voltmeter to monitor the voltage in the capacitor bank. Activate circuit breaker CB3 to discharge if necessary.
- Disconnect the alligator clips and secure them to the cable hooks.
- Always wear protective eyewear and gloves of an insulating material and maintain a safe distance from the flash when using the apparatus.
- Abstain from charging the equipment when the voltmeter registers a voltage exceeding 5 V.
- Fully discharge the voltage in the capacitor bank before conducting a new flash.
4. Energy Consumption
5. Conclusions
Author Contributions
Funding
Institutional Review Board Statement
Informed Consent Statement
Data Availability Statement
Acknowledgments
Conflicts of Interest
References
- Novoselov, K.S.; Geim, A.K.; Morozov, S.V.; Jiang, D.; Zhang, Y.; Dubonos, S.V.; Grigorieva, I.V.; Firsov, A.A. Electric field effect in atomically thin carbon films. Science 2004, 306, 666–669. [Google Scholar] [CrossRef] [PubMed]
- Edward, K.; Mamun, K.; Narayan, S.; Assaf, M.; Rohindra, D.; Rathnayake, U. State-of-the-Art Graphene Synthesis Methods and Environmental Concerns. Appl. Environ. Soil Sci. 2023, 2023, 8475504. [Google Scholar] [CrossRef]
- Luong, D.X.; Bets, K.V.; Algozeeb, W.A.; Stanford, M.G.; Kittrell, C.; Chen, W.; Salvatierra, R.V.; Ren, M.; McHugh, E.A.; Advincula, P.A.; et al. Gram-scale bottom-up flash graphene synthesis. Nature 2020, 577, 647–651. [Google Scholar] [CrossRef] [PubMed]
- Wyss, K.M.; De Kleine, R.D.; Couvreur, R.L.; Kiziltas, A.; Mielewski, D.F.; Tour, J.M. Upcycling End-of-Life Vehicle Waste Plastic into Flash Graphene. Commun. Eng. 2022, 1, 3. [Google Scholar] [CrossRef]
- Barbhuiya, N.H.; Kumar, A.; Singh, A.; Chandel, M.K.; Arnusch, C.J.; Tour, J.M.; Singh, S.P. The Future of Flash Graphene for the Sustainable Management of Solid Waste. ACS Nano 2021, 15, 15461–15470. [Google Scholar] [CrossRef] [PubMed]
- Advincula, P.A.; Luong, D.X.; Chen, W.; Raghuraman, S.; Shahsavari, R.; Tour, J.M. Flash graphene from rubber waste. Carbon 2021, 178, 649–656. [Google Scholar] [CrossRef]
- Wyss, K.M.; Beckham, J.L.; Chen, W.; Luong, D.X.; Hundi, P.; Raghuraman, S.; Shahsavari, R.; Tour, J.M. Converting plastic waste pyrolysis ash into flash graphene. Carbon 2021, 174, 430–438. [Google Scholar] [CrossRef]
- Algozeeb, W.A.; Savas, P.E.; Luong, D.X.; Chen, W.; Kittrell, C.; Bhat, M.; Shahsavari, R.; Tour, J.M. Flash Graphene from Plastic Waste. ACS Nano 2020, 14, 15595–15604. [Google Scholar] [CrossRef]
- Advincula, P.A.; Meng, W.; Eddy, L.J.; Beckham, J.L.; Siqueira, I.R.; Luong, D.X.; Chen, W.; Pasquali, M.; Nagarajaiah, S.; Tour, J.M. Ultra-High Loading of Coal-Derived Flash Graphene Additives in Epoxy Composites. Macromol. Mater. Eng. 2022, 308, 2200640. [Google Scholar] [CrossRef]
- Wyss, K.M.; Luong, D.X.; Tour, J.M. Large-scale syntheses of 2D materials: Flash joule heating and other methods. Adv. Mater. 2022, 34, 2106970. [Google Scholar] [CrossRef] [PubMed]
- Eddy, L.; Luong, D.X.; Beckham, J.; Wyss, K.; Cooksey, T.; Scotland, P.; Choi, C.H.; Chen, W.; Advincula, P.; Zhang, Z.; et al. Laboratory Kilogram-Scale Graphene Production from Coal. Chemrxiv 2023. [Google Scholar] [CrossRef]
- Beckham, J.L.; Wyss, K.M.; Xie, Y.; McHugh, E.A.; Li, J.T.; Advincula, P.A.; Chen, W.; Lin, J.; Tour, J.M. Machine Learning Guided Synthesis of Flash Graphene. Adv. Mater. 2022, 34, 2106506. [Google Scholar] [CrossRef] [PubMed]
- ICEA P-32-382; Short Circuit Characteristics of Insulated Cable. Insulated Cable Engineers Association (ICEA): Alpharetta, GA, USA, 2018. Available online: https://standards.globalspec.com/std/13066955/ICEA%20P-32-382 (accessed on 18 August 2023).





| Initial Resistance Ω | 0.25 | 0.5 | 1 | 2 | 3 | 4 | 5 | 6 | 7 | 8 | 10 | 12 | 14 | 16 |
|---|---|---|---|---|---|---|---|---|---|---|---|---|---|---|
| Energy consumption J | 3254 | 4132 | 4536 | 4647 | 4665 | 4670 | 4671 | 4671 | 4669 | 4667 | 4661 | 4654 | 4645 | 4635 |
Disclaimer/Publisher’s Note: The statements, opinions and data contained in all publications are solely those of the individual author(s) and contributor(s) and not of MDPI and/or the editor(s). MDPI and/or the editor(s) disclaim responsibility for any injury to people or property resulting from any ideas, methods, instructions or products referred to in the content. |
© 2023 by the authors. Licensee MDPI, Basel, Switzerland. This article is an open access article distributed under the terms and conditions of the Creative Commons Attribution (CC BY) license (https://creativecommons.org/licenses/by/4.0/).
Share and Cite
Ramírez, J.; Yépez, E.; Pantoja-Suárez, F.; Acurio, E.; Pérez, F.; Basile, L. Design and Construction of a High-Current Capacitor Bank for Flash Graphene Synthesis. Eng. Proc. 2023, 47, 18. https://doi.org/10.3390/engproc2023047018
Ramírez J, Yépez E, Pantoja-Suárez F, Acurio E, Pérez F, Basile L. Design and Construction of a High-Current Capacitor Bank for Flash Graphene Synthesis. Engineering Proceedings. 2023; 47(1):18. https://doi.org/10.3390/engproc2023047018
Chicago/Turabian StyleRamírez, Juan, Esteban Yépez, Fernando Pantoja-Suárez, Eliana Acurio, Fabian Pérez, and Leonardo Basile. 2023. "Design and Construction of a High-Current Capacitor Bank for Flash Graphene Synthesis" Engineering Proceedings 47, no. 1: 18. https://doi.org/10.3390/engproc2023047018
APA StyleRamírez, J., Yépez, E., Pantoja-Suárez, F., Acurio, E., Pérez, F., & Basile, L. (2023). Design and Construction of a High-Current Capacitor Bank for Flash Graphene Synthesis. Engineering Proceedings, 47(1), 18. https://doi.org/10.3390/engproc2023047018

