Abstract
This paper introduces the design and fabrication of a versatile capacitor bank developed specifically for its integration within the innovative flash joule heating (FJH) technique, aimed at synthesizing graphene. The capacitor bank offers two adaptable configurations, providing options for capacitance at 180,000 µF and 68,000 µF, combined with a maximum charging capability of 400 V. This equipment facilitates the swift conversion of carbon-containing materials into graphene by harnessing transient current discharges. The proposed capacitor bank facilitates the execution of comprehensive research pertaining to graphene production from diverse carbon sources, opening an opportunity for advancing exploration within this rapidly evolving field of study in Ecuador.
1. Introduction
Since the discovery of graphene in 2004 [1], research into its production methods has advanced consistently. Graphene is a material with immense potential across various technological domains, encompassing energy, electronics, manufacturing, and beyond. The global market demand for graphene is estimated to reach USD 170 million by 2022 [2]; consequently, it is imperative to develop high-scale graphene production methods. However, a challenge lies in the fact that methods developed in recent years yield low quantities of graphene, lacking an industrially viable production-to-cost ratio [2]. As a result, global graphene production remains severely constrained.
Recently, a research group introduced a method termed Flash Joule Heating (FJH) for synthesizing graphene. This method involves applying a short-duration high-current pulse to a carbon-rich material, elevating its temperature to nearly 3000 K. This process results in the conversion of the material into high-quality turbostratic graphene [3]. Notably, this approach holds promise for processing diverse carbonaceous sources, potentially recycling materials typically destined for waste, such as plastics, rubber, vehicular tires, vegetal residues, and more. Moreover, its strong advantage lies in its potential for industrial scalability at reasonable costs. It is important to acknowledge that graphene produced through contemporary methods can range in cost from USD 60,000 to USD 200,000 per ton [4].
Internationally, research initiatives have showcased the effectiveness of the FJH method in converting diverse carbonaceous materials into graphene [2]. In this context, Ecuador possesses the capacity to employ the FJH method for the conversion of distinct waste categories into industrial-grade graphene. This could consequently contribute to circular economy initiatives spanning various industrial domains, while harnessing the substantial future potential of graphene in the realm of sustainable solid waste management [5,6,7,8,9].
Existing works [3,10,11,12] use capacitor banks of thousands of microfarads and hundreds of volts to discharge energy onto carbonaceous materials through elevated currents. Although the operational principle of capacitor banks is theoretically straightforward, designing equipment for users from diverse scientific and technical backgrounds demands meticulous attention due to the potential for generating electric discharges that could be fatal to the user.
This material-driven opportunity fostered the inception of a multidisciplinary research project at the Escuela Politécnica Nacional in Ecuador. The project’s objective revolves around synthesizing graphene using the FJH technique. This article presents one of the initial steps of the project: the construction of the requisite capacitor bank, a foundational component for advancing research into graphene production.
2. Design Requirements
Based on a literature review, it has been ascertained that the construction of two distinct types of capacitor banks is indeed feasible. One type involves a low capacitance configuration designed for 0.5 g material samples, while the other type entails higher capacitance capabilities suitable for samples of up to 1 g. The search for suitable materials necessitated adaptations to align with the constraints of the Ecuadorian market. Consequently, several components had to be imported, leading to cost considerations emerging as a noteworthy constraint in the construction process. Consequently, the smaller capacitor bank is envisaged to comprise ten units of 6800 µF, 400 V capacitors (model B43310-J9688-A2), whereas the larger capacitor bank would be composed of nine units of 20,000 µF, 400 V capacitors each (model B43310-A9209-M). It is pertinent to note that these capacitors belong to the electrolytic aluminum category. Consequently, the smaller capacitor bank would yield a cumulative capacitance of 68,000 µF, while its larger counterpart would offer a capacitance of 180,000 µF.
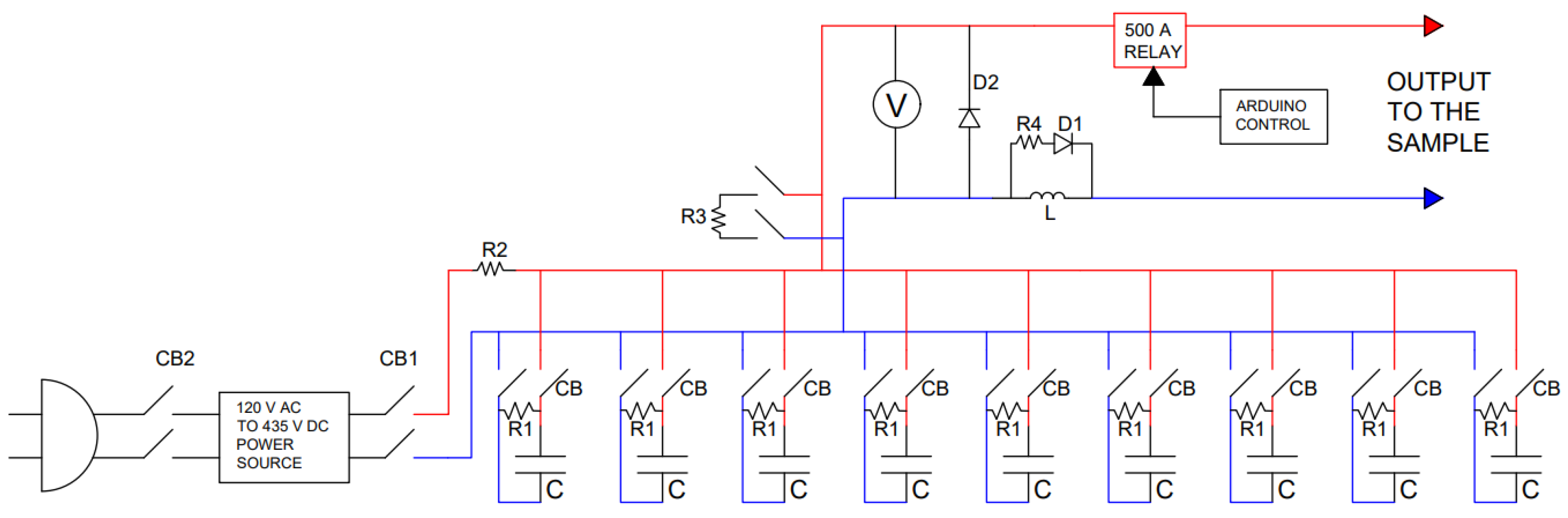
For capacitor charging, a source for LED luminaires has been used. This source can provide a maximum direct voltage output of 435 V. The source is powered by alternating current mains spanning the voltage range of 100 to 240 V, with a maximum current rating of 700 mA. The selection of this source is particularly apt for capacitor charging, as it obviates the need for high currents during the charging phase. Furthermore, the source features a potentiometer input that facilitates voltage regulation during the charging process. The specific model attributed to this source is HLG-320H-C700B.
The power source supplies the requisite 400 V for capacitor charging through the utilization of resistor R2, which could be comprised of two 120 Ω, 5W resistors. It is worth considering the potential to reduce the resistance value of these components, given that their influence is primarily on the charging time; a reduction in resistor value would result in expedited charging times. A 500 V DC, 6 A circuit breaker CB1 is used to establish the connection between the power source and the capacitor bank. Moreover, the power source is outfitted with a 220 V AC, 10 A circuit breaker to facilitate on/off control. Once the capacitors are charged, CB1 is turned off, leaving the bank charged and ready for discharge.
In parallel with the capacitors, a bleeder resistor R1 with a resistance of 220 kΩ is interlinked to enable a gradual discharge over time. This serves to ensure that the bank is discharged in cases where it remains charged. Another 500 V DC, 6 A circuit breaker CB3 is deployed to connect all capacitors to a set of power resistors, collectively labeled as R3. The combined resistance of these resistors amounts to approximately 220 Ω, with a power dissipation of approximately 10 W. The inclusion of these resistors allows for swift discharge of the capacitors in instances where a reduction in output voltage or complete discharge of the bank is needed.
The voltage across the capacitor bank is measured utilizing a voltmeter. Once the desired voltage level is attained across the capacitors, the discharge of the bank can be initiated. To effectuate this, flexible output cables are affixed to a test probe that incorporates two copper electrodes. This arrangement encases a quartz tube filled with the carbon material slated for conversion into graphene. The material is compacted using a clamp, and its resistance is measured utilizing an ohmmeter.
Serving as the control unit is an Arduino board, where the discharge duration is input in milliseconds through a keyboard interface. Subsequently, a MOSFET module is triggered by a push button, thereby activating relay SW1 through a 24 V DC signal. The relay, which boasts the capability to withstand up to 500 A, corresponds to model LEV200A5ANA. Upon startup of the discharge process, the material experiences rapid heating, culminating in the discharge of the capacitor bank.
A simulation was conducted using EMTP-ATP for the capacitive bank as show in Figure 1, encompassing both charging and discharging phases to ascertain the prototype’s threshold values. The test material, referred to as a coal batch and composed of tire-derived carbon black resulting from recycling, was modeled with an exponentially decaying resistance R(t) in Ω throughout the graphene conversion process; this is described by Equation (1), where Ro represents the initial value of the material resistance in Ω, and t represents the time in seconds.
Figure 1.
Simulation model for ATP.
The discharge time involving the relay was set at 500 ms. The initial resistance of the material was measured via an ohmmeter, revealing that its values can be tuned within the range of 1 to 10 Ω by adjusting the pressure on the tube clamp. Consequently, the scenario in which the highest current discharges from the capacitor bank corresponds to an initial resistance of 1 Ω. From the simulation results illustrated in Figure 2, it is discernible that the peak current for the 180,000 µF capacitive bank reached 503 A (Figure 2a), while for the 68,000 µF bank, it attained 340 A (Figure 2b).
Figure 2.
Simulation of the output current from capacitor banks with and without inductor: (a) 180,000 µF capacitive bank; (b) 68,000 µF capacitive bank.
Furthermore, as shown in Figure 2, the inclusion of an inductor resulted in a slightly reduced rise in current. This rapid current surge could potentially lead to capacitor damage or even explosions, with peak currents of 463 A (Figure 2a) and 400 A (Figure 2b) for the larger and smaller capacitor banks, respectively. On the other hand, the inductor has a beneficial effect; acting as an energy buffer, it prevents excessively rapid current surges. It also slightly affects the duration of the current pulse, which positively influences the response of the carbon material. This leads to better utilization of the energy stored in the capacitive bank. In this way, the discharge circuit encompassing the negative line incorporated an inductor L1 of 24 mH. Additionally, a 500 A diode D1 and a 2.5 Ω resistor R4 were integrated into this circuit. These components collectively contribute to mitigating the discharge rate and curtailing potential current oscillations that might potentially return to the capacitors.
As an additional safeguard, a second 500 A diode D2 was placed in reverse bias configuration with respect to the capacitive bank, to prevent voltage spikes generated by self-induction and potential reverse voltages from causing damage to the capacitors. Removing diode D2 revealed a negative oscillation in the currents (Figure 3), causing a momentary negative voltage across the capacitors, which could cause harm. Diode D2 plays a crucial role in preventing negative voltage spikes from reaching the capacitors, safeguarding them from damage. Also, the simulations confirm that the THHN AWG 10 cable is well-suited for conducting the current discharge to the coal sample. It can handle over 500 A for 1 s without issues, as specified in its technical specifications [13] and the capacitor bank will provide a maximum of 500 A. In summary, the simulation demonstrates that the capacitive bank behaves satisfactorily, confirming its viability for practical utilization and construction. The proposed diagram outlining the construction of the capacitor banks is depicted in Figure 4.
Figure 3.
Simulation of the output current from capacitor banks with and without diode D2: (a) 180,000 µF capacitive bank; (b) 68,000 µF capacitive bank.
Figure 4.
Schematic diagram of the capacitor bank.
3. Construction and Operational Application
In Figure 5, the capacitor bank implemented on a metallic electrical board is presented. This configuration aims to prevent any potential capacitor explosion from affecting the user. The equipment has a single-phase plug designed to connect to a standard 120 V/60 Hz power outlet. The electrical board is grounded to ensure user safety. The apparatus features a keypad, a push-button, and a voltmeter on its door panel. On the left-hand side, the circuit breaker CB2 is situated to supply alternating voltage and energize the bank. Additionally, circuit breaker CB1 is positioned for initiating capacitor charging, while circuit breaker CB3, located on the right-hand side, facilitates rapid discharge of the capacitors. Also situated on the right are the conductors for connection to the test capsule of the coal batch.
Figure 5.
Final prototype of the capacitor bank. (a) Internal arrangement of construction elements. (b) Front view of capacitor banks; left: 68,000 µF, right: 180,000 µF. (c) Inside view of capacitor banks; left: 68,000 µF, right: 180,000 µF. (d) Control module with ARDUINO. (e) Right side of the capacitor banks: output cables and fast discharge circuit breaker CB3. (f) Left side of the capacitor banks: power cord and power supply circuit breaker CB2 (right side), and capacitor charging circuit breaker CB1 (left side). (g) Front door of the bank. From left to right: discharge trigger button, time input keypad, LCD display, and voltmeter. (h) Clamp and quartz tube for placing the carbon material sample. (i) Start of the flash discharge. (j) Material at the end of the discharge.
To utilize the equipment correctly, the following procedure should be observed:
- Connect the equipment to a 120 V AC voltage source using the power cable on one side of the board.
- Utilize the external circuit breaker labeled CB2 to power on the equipment. At this point, the LCD screen on the door will illuminate, displaying a default discharge time of 20 ms.
- Specify the discharge time on the screen using the keypad. To achieve this, press the “A” command, input the time in milliseconds, and press the “#” key. The desired time will then appear on the screen.
- Activate the external multimeter and turn the dial to the position indicated as for measuring continuous voltage.
- Using the external circuit breaker CB1, charge the capacitor bank to the desired voltage, as indicated on the voltmeter. Employ the same switch to halt the charging process.
In the event of exceeding the targeted voltage, voltage reduction can be accomplished through two methods:
- Allow the voltage to regulate gradually without intervention.
- For a larger voltage excess, use the external circuit breaker CB3, which results in faster voltage reduction, as indicated on the voltmeter. Re-engage the same switch to halt the discharge at the desired voltage.
Regarding the energy connection to the test capsule:
- Attach cables with alligator clips to the electrodes where the flash is intended.
- Push the green button on the door to activate the equipment.
- After pressing the button, the current will heat the material producing a flash, then inspect the voltmeter to monitor the voltage in the capacitor bank. Activate circuit breaker CB3 to discharge if necessary.
- Disconnect the alligator clips and secure them to the cable hooks.
To ensure prolonged equipment lifespan and exercise enhanced caution, certain considerations are essential when operating the equipment:
- Always wear protective eyewear and gloves of an insulating material and maintain a safe distance from the flash when using the apparatus.
- Abstain from charging the equipment when the voltmeter registers a voltage exceeding 5 V.
- Fully discharge the voltage in the capacitor bank before conducting a new flash.
4. Energy Consumption
During the research project’s development, it has been noted that the required voltage for material conversion into graphene is around 230 V across the capacitors. Within the capacitor bank, the available energy in joules E can be ascertained using Equation (2), which involves the awareness of capacitance C in farads and the capacitor voltage V in volts.
For the large capacitor bank with a capacitance of 180,000 µF and a voltage of 230 V, an energy of 4761 J is made available. Subsequently, it was observed that the material undergoes various transformations depending on the initial electrical resistance value of the material, which can be adjusted by manipulating the clamping pressure of the test capsule. Therefore, through EMTP-ATP simulations utilizing the model illustrated in Figure 2, the energy consumption of the coal batch from the capacitors was tested and determined. The obtained outcomes are presented in Table 1. The findings suggest that optimal energy consumption occurs when the sample possesses an initial resistance value ranging from 4 to 7 Ω.
Table 1.
Energy consumption of the coal sample based on its initial electrical resistance value.
5. Conclusions
Through the charging and discharging of a capacitor, substantial current values can be generated, serving the purpose of converting carbon-containing materials into graphene using the FJH method. Despite the market limitations within Ecuador concerning the required materials, it remains feasible to construct a functional capacitor bank. The outcome of this endeavor has yielded a capacitor bank of 180,000 µF/400 V with a maximum capacity of approximately 500 A, and a capacitor bank of 68,000 µF/400 V with a maximum capacity of around 340 A. These banks are now ready for utilization in graphene production research.
The insights gathered from the construction of this prototype provide a clear perspective on the scalability of the equipment for the prospective development of an industrial-grade FJH system. Such a system could possess the capability to process significant material quantities.
Author Contributions
Conceptualization, J.R. and L.B.; methodology, J.R.; software, J.R., E.Y. and F.P.-S.; validation, E.Y., F.P. and E.A.; investigation, J.R.; writing—original draft preparation, J.R.; writing—review and editing, L.B.; supervision, F.P.-S.; construction, J.R. and E.Y.; project administration, L.B.; funding acquisition, L.B. All authors have read and agreed to the published version of the manuscript.
Funding
This research was funded by Escuela Politécnica Nacional, research project PIS-21-07.
Institutional Review Board Statement
Not applicable.
Informed Consent Statement
Not applicable.
Data Availability Statement
All data is included in the article.
Acknowledgments
The authors would like to express their gratitude for the collaboration of the technicians from the High Voltage Laboratory of the Escuela Politécnica Nacional, Darwin Pozo and Henry Vivas, for their assistance during the prototype construction phases and for the facilities provided to the research team.
Conflicts of Interest
The authors declare no conflict of interest.
References
- Novoselov, K.S.; Geim, A.K.; Morozov, S.V.; Jiang, D.; Zhang, Y.; Dubonos, S.V.; Grigorieva, I.V.; Firsov, A.A. Electric field effect in atomically thin carbon films. Science 2004, 306, 666–669. [Google Scholar] [CrossRef] [PubMed]
- Edward, K.; Mamun, K.; Narayan, S.; Assaf, M.; Rohindra, D.; Rathnayake, U. State-of-the-Art Graphene Synthesis Methods and Environmental Concerns. Appl. Environ. Soil Sci. 2023, 2023, 8475504. [Google Scholar] [CrossRef]
- Luong, D.X.; Bets, K.V.; Algozeeb, W.A.; Stanford, M.G.; Kittrell, C.; Chen, W.; Salvatierra, R.V.; Ren, M.; McHugh, E.A.; Advincula, P.A.; et al. Gram-scale bottom-up flash graphene synthesis. Nature 2020, 577, 647–651. [Google Scholar] [CrossRef] [PubMed]
- Wyss, K.M.; De Kleine, R.D.; Couvreur, R.L.; Kiziltas, A.; Mielewski, D.F.; Tour, J.M. Upcycling End-of-Life Vehicle Waste Plastic into Flash Graphene. Commun. Eng. 2022, 1, 3. [Google Scholar] [CrossRef]
- Barbhuiya, N.H.; Kumar, A.; Singh, A.; Chandel, M.K.; Arnusch, C.J.; Tour, J.M.; Singh, S.P. The Future of Flash Graphene for the Sustainable Management of Solid Waste. ACS Nano 2021, 15, 15461–15470. [Google Scholar] [CrossRef] [PubMed]
- Advincula, P.A.; Luong, D.X.; Chen, W.; Raghuraman, S.; Shahsavari, R.; Tour, J.M. Flash graphene from rubber waste. Carbon 2021, 178, 649–656. [Google Scholar] [CrossRef]
- Wyss, K.M.; Beckham, J.L.; Chen, W.; Luong, D.X.; Hundi, P.; Raghuraman, S.; Shahsavari, R.; Tour, J.M. Converting plastic waste pyrolysis ash into flash graphene. Carbon 2021, 174, 430–438. [Google Scholar] [CrossRef]
- Algozeeb, W.A.; Savas, P.E.; Luong, D.X.; Chen, W.; Kittrell, C.; Bhat, M.; Shahsavari, R.; Tour, J.M. Flash Graphene from Plastic Waste. ACS Nano 2020, 14, 15595–15604. [Google Scholar] [CrossRef]
- Advincula, P.A.; Meng, W.; Eddy, L.J.; Beckham, J.L.; Siqueira, I.R.; Luong, D.X.; Chen, W.; Pasquali, M.; Nagarajaiah, S.; Tour, J.M. Ultra-High Loading of Coal-Derived Flash Graphene Additives in Epoxy Composites. Macromol. Mater. Eng. 2022, 308, 2200640. [Google Scholar] [CrossRef]
- Wyss, K.M.; Luong, D.X.; Tour, J.M. Large-scale syntheses of 2D materials: Flash joule heating and other methods. Adv. Mater. 2022, 34, 2106970. [Google Scholar] [CrossRef] [PubMed]
- Eddy, L.; Luong, D.X.; Beckham, J.; Wyss, K.; Cooksey, T.; Scotland, P.; Choi, C.H.; Chen, W.; Advincula, P.; Zhang, Z.; et al. Laboratory Kilogram-Scale Graphene Production from Coal. Chemrxiv 2023. [Google Scholar] [CrossRef]
- Beckham, J.L.; Wyss, K.M.; Xie, Y.; McHugh, E.A.; Li, J.T.; Advincula, P.A.; Chen, W.; Lin, J.; Tour, J.M. Machine Learning Guided Synthesis of Flash Graphene. Adv. Mater. 2022, 34, 2106506. [Google Scholar] [CrossRef] [PubMed]
- ICEA P-32-382; Short Circuit Characteristics of Insulated Cable. Insulated Cable Engineers Association (ICEA): Alpharetta, GA, USA, 2018. Available online: https://standards.globalspec.com/std/13066955/ICEA%20P-32-382 (accessed on 18 August 2023).
Disclaimer/Publisher’s Note: The statements, opinions and data contained in all publications are solely those of the individual author(s) and contributor(s) and not of MDPI and/or the editor(s). MDPI and/or the editor(s) disclaim responsibility for any injury to people or property resulting from any ideas, methods, instructions or products referred to in the content. |
© 2023 by the authors. Licensee MDPI, Basel, Switzerland. This article is an open access article distributed under the terms and conditions of the Creative Commons Attribution (CC BY) license (https://creativecommons.org/licenses/by/4.0/).




