Abstract
One of the most common sustainable energy resources that contributes a significant portion of the energy produced from renewable resources is solar photovoltaic energy. The research presented in this paper examines the behaviour of a 150.7 kWp grid-connected PV energy generation system in either feeding electrical loads to a site (a public university, GCU Faisalabad) or feeding into the utility grid when the generation from the PV system is greater than the demand from the on-site load. PVSyst 7.4 software was used in the system simulation together with Meteonorm to produce and measure climatic information sets (solar irradiance, ambient temperature, and wind speed). The analysis of the simulated energy yields included determining the optimal energy generation photovoltaic array, the energy that is fed into the utility network, normalised energy generation per installed kWp, and performance ratio. The computed annual worldwide incident energy on the collector without optical adjustments was 1764.0 kWh/m2, and the annual effective global irradiance after optical losses was 1654.7 kWh/m2. With this irradiation, the solar (PV) array produced 218.12 MWh of DC energy annually, whereas 211.70 MWh of AC energy was injected into the national grid. The designed PV system collected 0.87 kilowatt-hour/kWp/day, with system losses of 0.120 kilowatt-hour /kWp/day and 3.85 kilowatt-hour /kWp/day of produced useful energy. The measured average yearly performance ratio (PR) was 79.64%. In the month of January, the highest PR value of 85.4% was achieved.
1. Introduction
Energy systems have transformed from conventional to renewable due to the depletion of fossil fuels and problems with carbon (CO2) emissions [1,2]. Additionally, there is a growing emphasis on the production of renewable energy as a result of the need for economic stability and energy security [3]. Solar energy is attractive and sustainable when compared to other renewable energy resources [4]. Solar photovoltaic energy is regarded as a safe, attractive, and clean way to generate electricity [5,6]. Due to its simple and easy installation, low maintenance requirements, reliability, and absence of fuel costs, solar PV systems have a promising future and are becoming more popular [7,8]. The electrical output of a PV system can be supplied to the utility grid in accordance with pre-established reliability and quality standards and without affecting the regular operation of the electric network. An inverter is used to connect the photovoltaic array to the system, which converts the DC output of the PV modules into an AC output matched to the frequency and voltage of the utility network [9,10].
A performance evaluation of a photovoltaic system is used to determine the PV energy generation potential. The performance of solar (PV) modules installed outside around the world has been the focus of various studies [11]. A technical and economic assessment of a limited group of residential systems in Palestine is presented in [12], showing results demonstrating that a 5 kW PV system payback its initial investment in less than five years. For a rooftop grid-connected photovoltaic system in Serbia [13], Norway [14] and eastern India [15], the same approach was taken into consideration. In [16], the PVSyst tool was used to analyse the three grid-connected PV system technologies—monocrystalline, polycrystalline, and amorphous. Research shows that monocrystalline technology performs better than polycrystalline technology, while amorphous technology performs the poorest. Under various Pakistani climates, annual energy behaviour indices for various PV technology types have been investigated [17,18].
The tech-economic and environmental features of photovoltaic systems were taken into account for a city in Indonesia [19], highlighting the benefits and limitations of these installations. The enormous potential for adequate solar power generation was demonstrated by a comparison between the simulated and measured performance of an on-grid photovoltaic system in South Africa [20]. In power quality investigations for a photovoltaic grid-connected system in Egypt, both sunny and overcast scenarios were taken into account [21], and it was found that low solar irradiation has a significant impact. However, there is a deficiency of publicly available information regarding the operation and energy output of small grid-tied PV systems in the south of South America [22]. An evaluation and performance analysis of a 28 kWp grid-connected PV system in the Saharan climate is presented in [23].
Advanced computer-based modelling studies are necessary to forecast the behaviour of a photovoltaic system, its operating characteristics under different climatic conditions, the different combinations of system components, and alternative installation methods [24,25]. In this study, PVSyst [26], a popular computational tool, is utilised to model the system. The primary contribution of this research work is the measurement of the annual electrical energy (MWh) yield and related performance ratio (PR) of a solar (PV) system installed in a public sector university in Punjab Province, Pakistan.
2. Materials and Methods
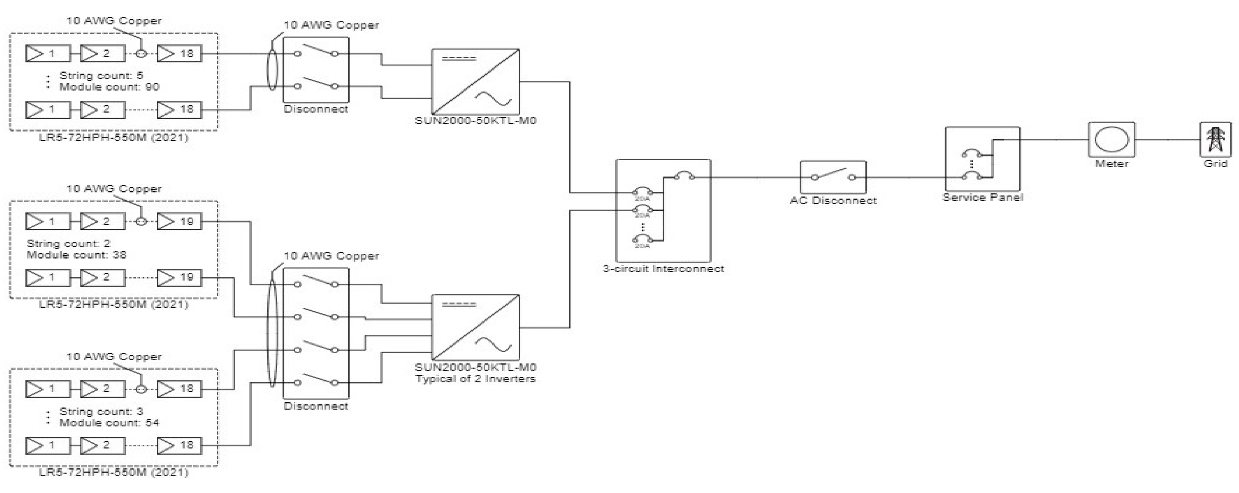
The PV arrays, inverter, and energy utility metre are the main components of a PV system. The solar module racking system was used to install the PV array described in this research on the roof with a “pitch” distance of 3 m at the GCU Faisalabad. There were 274 monocrystalline LONGi Solar (LR5-72 HPH 550M, Xi’an, Chian) PV modules in the system. With the technical specifications presented in Table 1, each photovoltaic module had a power rating of 550 Wp. The 274 PV modules were divided into 15 parallel strings. With the first inverter, all 5 stings had 18 series-connected PV modules, and with the second and third inverters, 2 strings had 19 series-connected PV modules and 3 strings had 18. All strings were oriented south with an azimuth angle of 180° and a tilt angle of 20°, as shown in Figure 1. Table 2 provides a technical overview of the PV system.
Table 1.
Characteristics of the PV module at STC.
Figure 1.
SLD of 150.7 kW grid-connected PV system.
Table 2.
A technical overview of the PV system.
For the purpose of converting DC voltages to AC voltages, an on-grid Huawei inverter (SUN2000-50KTL-M0) with a 200~1000 V MPPT operational voltage range was selected. The electrical grid metre and breaker panel were used to connect the inverter to the utility grid, which had a 1100 V maximum input voltage. The inverter needed to modify its operating point in order to operate at its highest efficiency level because the array current and voltage were dependent on the prevailing weather conditions. Table 3 presents the technical specifications of the inverter.
Table 3.
Technical specifications of inverter.
3. Results
3.1. Annual Calculated Parameters
The findings of the simulation were used to derive the three key annual data. The first parameter was the total amount of energy generated by the PV system, which was equivalent to 211.7 MWh/year. The second computed parameter was the specific production per installed kilowatt, which was equivalent to 1405 kWh/kWp/year, and the third computed parameter represents the average performance ratio (PR) of the system in a year, which was 79.64%.
3.2. Simulation Results from PVSyst
Table 4 shows the ambient temperature, the global horizontal and diffuse irradiance, and the effective global irradiance after accounting for soiling and shading losses. The annual global horizontal and diffuse irradiance was 1635.9 kWh/m2 and 895.1 kWh/m2, respectively. The computed annual worldwide incident energy on the collector without optical adjustments was 1764.0 kWh/m2, and the annual effective global irradiance after optical losses was 1654.7 kWh/m2. With this irradiation, the solar (PV) array produced 218.12 MWh of DC energy annually, whereas 211.70 MWh of AC energy was injected into the national grid. The annual global inverter loss was 3745.7 kWh and the inverter loss during operation was 3671.1 kWh.
Table 4.
Results for 150.7 kWp photovoltaic system.
3.3. Normalised Energy Production
The normalised production is the standard parameter for evaluating the performance of the photovoltaic system and is defined by the IEC norm. A comparison of the behaviour of photovoltaic designs built in similar climatic conditions can be made using these data. Figure 2 shows the results of the simulation analysis used to determine the system and collection losses as well as the useful produced energy per installed kilowatt/day. The designed PV system collected 0.87 kilowatt-hour/kWp/day, with system losses of 0.120 kilowatt-hour /kWp/day and 3.85 kilowatt-hour /kWp/day of produced useful energy.
Figure 2.
Normalised energy production.
3.4. Performance Ratio of PV System
The simulated analysis produced an average yearly PR value for the 150.70 kWp PV system of 79.64%. Figure 3 depicts a slight monthly change in the PR value on a monthly basis. In the month of January, the highest PR value of 85.4% was achieved. Additionally, it should be noted that all PR values were high during the winter. This appears to show that the simulated PV system behaves somewhat in accordance with ideal behaviour. This may be primarily due to the practical working situations, with northwest cold winds cooling the module’s surface, lowering the ambient temperature, and preventing the module surface from rising above a certain temperature. The temperature-corrected performance ratio is shown in Figure 3.
Figure 3.
Performance ratio and temperature-corrected performance ratio of PV system.
The output power distribution of the photovoltaic system and the array voltage distribution of the photovoltaic system with respect to frequency are shown in Figure 4. The array voltage is within the MPPT voltage range of the inverter. As you can see from the graph, most of the time, the voltage was between 620 volts and 670 volts.
Figure 4.
(a) Output power distribution of the photovoltaic system. (b) Array voltage distribution with respect to frequency.
4. Conclusions
The PVSyst programme was used to simulate a 150.70 kWp photovoltaic (PV) system connected to the utility grid installed in GCU Faisalabad. There were 274 monocrystalline LONGi Solar (LR5-72 HPH 550M, Xi’an, China) PV modules in the system, divided into 15 parallel strings. The computed annual worldwide incident energy on the collector without optical adjustments was 1764.0 kWh/m2, and the annual effective global irradiance after optical losses was 1654.7 kWh/m2. With this irradiation, the solar (PV) array produced 218.12 MWh of DC energy annually, whereas 211.70 MWh of AC energy was injected into the national grid. The designed PV system collected 0.87 kilowatt-hour/kWp/day, with system losses of 0.120 kilowatt-hour/kWp/day and 3.85 kilowatt-hour /kWp/day of produced useful energy. The measured average yearly performance ratio (PR) was 79.64%. In the month of January, the highest PR value of 85.4% was achieved. The annual global inverter loss was 3745.7 kWh, and the inverter loss during operation was 3671.1 kWh. In order to promote the use of photovoltaic energy in Pakistan, this paper presents the energy production potential of a small-scale grid-connected photovoltaic system in the Punjab region of Pakistan. The data will be used to enlighten decision-makers, communities, and governmental organisations about this potential.
Author Contributions
Conceptualisation, M.T. and A.R.B.; methodology, A.R.B., M.T. and M.F.; software, M.T., A.R.B., M.F. and M.A.Z.; investigation, A.R.B. and M.T.; resources, A.R.B., M.T. and P.Z.; writing—original draft preparation, M.T. and A.R.B.; writing—review and editing, M.T., A.R.B., M.A.Z., M.F. and P.Z. All authors have read and agreed to the published version of the manuscript.
Funding
This research received no external funding.
Institutional Review Board Statement
Not applicable.
Informed Consent Statement
Not applicable.
Data Availability Statement
Data is already contained within this article.
Conflicts of Interest
The authors declare no conflict of interest.
References
- Hannan, M.A.; Lipu, M.H.; Ker, P.J.; Begum, R.A.; Agelidis, V.G.; Blaabjerg, F. Power electronics contribution to renewable energy conversion addressing emission reduction: Applications, issues, and recommendations. Appl. Energy 2019, 251, 113404. [Google Scholar] [CrossRef]
- Tamoor, M.; Sagir, M.; Tahir, M.B.; Iqbal, S.; Nawaz, T. Design of 3 kW integrated power generation system from solar and biogas. Int. J. Hydrogen Energy 2020, 45, 12711–12720. [Google Scholar] [CrossRef]
- Habib, S.; Liu, H.; Tamoor, M.; Zaka, M.A.; Jia, Y.; Hussien, A.G.; Zawbaa, H.M.; Kamel, S. Technical modelling of solar photovoltaic water pumping system and evaluation of system performance and their socio-economic impact. Heliyon 2023, 9, e16105. [Google Scholar] [CrossRef] [PubMed]
- Raza, F.; Tamoor, M.; Miran, S.; Arif, W.; Kiren, T.; Amjad, W.; Hussain, M.I.; Lee, G.-H. The Socio-Economic Impact of Using Photovoltaic (PV) Energy for High-Efficiency Irrigation Systems: A Case Study. Energies 2022, 15, 1198. [Google Scholar] [CrossRef]
- Minh, P.; Le Quang, S.; Pham, M.-H. Technical Economic Analysis of Photovoltaic-Powered Electric Vehicle Charging Stations under Different Solar Irradiation Conditions in Vietnam. Sustainability 2021, 13, 3528. [Google Scholar] [CrossRef]
- Tamoor, M.; Tahir, M.A.B.; Zaka, M.A.; Iqtidar, E. Photovoltaic distributed generation integrated electrical distribution system for development of sustainable energy using reliability assessment indices and levelized cost of electricity. Environ. Prog. Sustain. Energy 2022, 41, e13815. [Google Scholar] [CrossRef]
- Tamoor, M.; Bhatti, A.R.; Farhan, M.; Miran, S. Design of On-Grid Photovoltaic System Considering Optimized Sizing of Photovoltaic Modules for Enhancing Output Energy. Eng. Proc. 2022, 19, 2. [Google Scholar] [CrossRef]
- Miran, S.; Tamoor, M.; Kiren, T.; Raza, F.; Hussain, M.I.; Kim, J.-T. Optimization of Standalone Photovoltaic Drip Irrigation System: A Simulation Study. Sustainability 2022, 14, 8515. [Google Scholar] [CrossRef]
- Tamoor, M.; Bhatti, A.R.; Farhan, M.; Miran, S.; Raza, F.; Zaka, M.A. Designing of a Hybrid Photovoltaic Structure for an Energy-Efficient Street Lightning System Using PVsyst Software. Eng. Proc. 2021, 12, 45. [Google Scholar] [CrossRef]
- Tamoor, M.; Habib, S.; Bhatti, A.R.; Butt, A.D.; Awan, A.B.; Ahmed, E.M. Designing and Energy Estimation of Photovoltaic Energy Generation System and Prediction of Plant Performance with the Variation of Tilt Angle and Interrow Spacing. Sustainability 2022, 14, 627. [Google Scholar] [CrossRef]
- Kumar, N.M.; Kumar, M.R.; Rejoice, P.R.; Mathew, M. Performance analysis of 100 kWp grid connected Si-poly photovoltaic system using PVsyst simulation tool. Energy Procedia 2017, 117, 180–189. [Google Scholar] [CrossRef]
- Omar, M.A.; Mahmoud, M.M. Grid connected PV-home systems in Palestine: A review on technical performance, effects and economic feasibility. Renew. Sustain. Energy Rev. 2018, 82, 2490–2497. [Google Scholar] [CrossRef]
- Milosavljević, D.D.; Pavlović, T.M.; Piršl, D.S. Performance analysis of A grid-connected solar PV plant in Niš, republic of Serbia. Renew. Sustain. Energy Rev. 2015, 44, 423–435. [Google Scholar] [CrossRef]
- Adaramola, M.S. Techno-economic analysis of a 2.1 kW rooftop photovoltaic-grid-tied system based on actual performance. Energy Convers. Manag. 2015, 101, 85–93. [Google Scholar] [CrossRef]
- Sharma, R.; Goel, S. Performance analysis of a 11.2 kWp roof top grid-connected PV system in Eastern India. Energy Rep. 2017, 3, 76–84. [Google Scholar] [CrossRef]
- Baghdadi, I.; El Yaakoubi, A.; Attari, K.; Leemrani, Z.; Asselman, A. Performance investigation of a PV system connected to the grid. Procedia Manuf. 2018, 22, 667–674. [Google Scholar] [CrossRef]
- Tamoor, M.; Tahir, M.A.B.; Zaka, M.A. Photovoltaic integrated distributed energy generation system for sustainable energy development considering reliability indices and levelized cost of energy. Int. J. Adv. Trends Comput. Sci. Eng. 2021, 10, 2540–2549. [Google Scholar]
- Tamoor, M.; Tahir, M.A.B.; Zaka, M.A. Energy Management System for Integration of Different Renewable Energy System into Microgrids. Int. J. Adv. Trends Comput. Sci. Eng. 2021, 10, 1234–1242. [Google Scholar]
- arigan, E.; Djuwari; Kartikasari, F.D. Techno-economic Simulation of a Grid-connected PV System Design as Specifically Applied to Residential in Surabaya, Indonesia. Energy Procedia 2015, 65, 90–99. [Google Scholar] [CrossRef]
- Okello, D.; van Dyk, E.E.; Vorster, F.J. Analysis of measured and simulated performance data of a 3.2kWp grid-connected PV system in Port Elizabeth, South Africa. Energy Convers. Manag. 2015, 100, 10–15. [Google Scholar] [CrossRef]
- Elkholy, A.; Fahmy, F.; El-Ela, A.A.; Nafeh, A.E.-S.A.; Spea, S. Experimental evaluation of 8kW grid-connected photovoltaic system in Egypt. J. Electr. Syst. Inf. Technol. 2016, 3, 217–229. [Google Scholar] [CrossRef]
- Watts, D.; Valdés, M.F.; Jara, D.; Watson, A. Potential residential PV development in Chile: The effect of Net Metering and Net Billing schemes for grid-connected PV systems. Renew. Sustain. Energy Rev. 2014, 41, 1037–1051. [Google Scholar] [CrossRef]
- Sahouane, N.; Dabou, R.; Ziane, A.; Neçaibia, A.; Bouraiou, A.; Rouabhia, A.; Mohamed, B. Energy and economic efficiency performance assessment of a 28 kWp photovoltaic grid-connected system under desertic weather conditions in Algerian Sahara. Renew. Energy 2019, 143, 1318–1330. [Google Scholar] [CrossRef]
- Habib, S.; Jia, Y.; Tamoor, M.; Zaka, M.A.; Shi, M.; Dong, Q. Modelling, Simulation and Experimental Analysis of a Photovoltaic and Biogas Hybrid Renewable Energy System for Electrification of Rural Community. Energy Technol. 2023. [Google Scholar] [CrossRef]
- Wijeratne, W.P.U.; Yang, R.J.; Too, E.; Wakefield, R. Design and development of distributed solar PV systems: Do the current tools work? Sustain. Cities Soc. 2018, 45, 553–578. [Google Scholar] [CrossRef]
- Tamoor, M.; Bhatti, A.R.; Butt, A.D.; Miran, S.; Kiren, T.; Farhan, M.; Raza, F.; ZakaUllah, P. Optimal Sizing of a Centralized Hybrid Photovoltaic System for Efficient Operation of Street Lights. J. Eng. Res. 2022. [Google Scholar] [CrossRef]
Disclaimer/Publisher’s Note: The statements, opinions and data contained in all publications are solely those of the individual author(s) and contributor(s) and not of MDPI and/or the editor(s). MDPI and/or the editor(s) disclaim responsibility for any injury to people or property resulting from any ideas, methods, instructions or products referred to in the content. |
© 2023 by the authors. Licensee MDPI, Basel, Switzerland. This article is an open access article distributed under the terms and conditions of the Creative Commons Attribution (CC BY) license (https://creativecommons.org/licenses/by/4.0/).



