Electromagnetic Compatibility Analysis in the Design of Reliable Energy Systems of a Telecommunication Equipment †
Abstract
1. Electromagnetic Compatibility (EMC)
- Through direct galvanic connection with wires;
- By irradiation with an electromagnetic (EM) field (including EM induction).
- Through concentrated parasitic currents (parallel to the main) and voltages (sequential) at any location in the line, e.g., in the feeder lines from the input antenna, when powering the active elements, in the control switches, etc.;
- By distributed irradiating EM fields, exciting parasitic currents and voltages in the line; if the sources of the fields are far away, this is plane wave irradiation; if the sources are close, the excitation has a spatial distribution and is accounted for in a complex manner;
- Through capacitive and inductive interaction between adjacent lines (cross coupling, crosstalk, sometimes motors) [6]. This is a common problem within complex devices with a high level of integration (VLSI); to account for it, mutual capacitances and inductances must be known; reliable estimates are made with EM simulations;
- Through common resistances between the lines (resistance coupling); most often, the mechanism manifests itself in non-ideal screens and non-ideal grounding surfaces; parasitic currents and voltages are excited in them, which pass through the common resistance into the disturbed line, which should be protected. For these reasons, shielding and grounding are very important in devices and systems.
2. EMI Protection Methods
2.1. Grounding and Bonding
2.2. Shielding
2.3. Interference Protection Elements
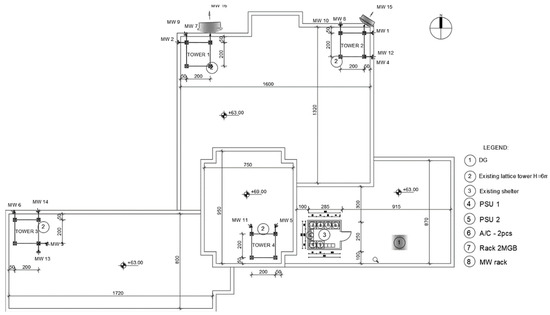
3. An Example of a Reliable Power System in Telecommunications
- Diesel Generator—The generator system consists of a diesel generator (Model TJ8PE-1; manufacturer TEKSAN, Istanbul, Turkey) and an intermediate power panel containing an Automatic Voltage Regulator (AVR). An example is shown in Figure 8. To control the parameters in the network, digital control of the diesel generator is offered and shown in Figure 9.


- 2.
- Uninterruptible power supply—The power supply devices (Model TESS 400E; manufacturer TEKSAN, Istanbul, Turkey) serving the equipment of the site are provided with several strings (threads) of rechargeable batteries that maintain the power supply of the site until the power is switched to the generator in case of an emergency. The charge in the battery strings is sufficient to provide power to all equipment for about 4 h, and in critical situations, when powering only the most important equipment for 10–16 h. Usually, there is an artificial delay in starting the generator until the batteries reach a certain voltage drop threshold; thus, during shorter power outages, less fuel is consumed, and environmental pollution is reduced. The batteries are charged by solar panels, and there is a system for monitoring their charge and discharge. An example is shown in Figure 10.

- 3.
- Three-phase power supply from the public electricity grid—The national electricity grid is used for the main power supply in normal operation. The control panel connecting the site to the “external” power supply is additionally equipped with a connection socket and a manual switch for adding a backup portable generator to the system in case of a failure in the main one. You can see an example in Figure 11.

- Two independent power sources—This approach uses two separate power supply units connected to the main panel. One unit is used exclusively for high-priority equipment, while the other powers everything. Active equipment is designed with the ability to receive power from two parallel sources. This ensures that, in the event of a power supply unit, wiring line, or consumer failure, the equipment will continue to operate. Additionally, it can be noted that power supply units are modular systems that allow “hot swap” (change under voltage) of some of the elements on them. Such elements are, for example, batteries and rectifier modules. An example is shown in Figure 12;

- Active control of consumers—The power supply units have two power buses (Manufacturer TEKSAN, Istanbul, Turkey) (high priority and low priority); when powered by batteries, the power supply unit controller monitors their voltage. After a preset voltage drop threshold, the controller turns off the power supply to the low-priority bus in order to reduce consumption.
4. Conclusions
Author Contributions
Funding
Institutional Review Board Statement
Informed Consent Statement
Data Availability Statement
Conflicts of Interest
References
- Crovetti, P.S. Electromagnetic Interference and Compatibility; MDPI: Basel, Switzerland, 2021. [Google Scholar] [CrossRef]
- Chinh, Q.D.; Nguyen, B.T. Basics Telecommunication System Covers Working Principles and Emerging Problems. J. Multiapp 2021, 1, 10–16. [Google Scholar] [CrossRef]
- Statista. Global Mobile Industry Contribution to GDP 2014–2030. Available online: https://www.statista.com/statistics/1100651/worldwide-mobile-industry-contribution-gdp/ (accessed on 17 February 2025).
- Al-Debei, M.M.; Avison, D. Business model requirements and challenges in the mobile telecommunication sector. J. Organ. Transform. Soc. Change 2011, 8, 215–235. [Google Scholar] [CrossRef] [PubMed]
- Brasini, T.; Domecq, M.; Iliev, T.B.; Stoyanov, I.; Mihaylov, G.; Beloev, I. On Free-Space Optical Communication as a Backhauls Applications for 5G. In Proceedings of the 2022 International Conference on Communications, Information, Electronic and Energy Systems (CIEES), Veliko Tarnovo, Bulgaria, 24–26 November 2022; pp. 1–4. [Google Scholar] [CrossRef]
- Houcine, M.; Mohamed, M.; El Mehdi Ardjoun, S.A.; Mahmoud, M.M.; Telba, A.A.; Denaï, M.; Khaled, U.; Ewais, A.M. Electromagnetic Compatibility Characterization of Start-Capacitor Single-Phase Induction Motor. IEEE Access 2024, 12, 2313–2326. [Google Scholar] [CrossRef]
- Ivanova, E.P.; Iliev, T.B.; Stoyanov, I.S.; Mihaylov, G.Y. Evolution of mobile networks and seamless transition to 5G. IOP Conf. Ser. Mater. Sci. Eng. 2021, 1032, 012008. [Google Scholar] [CrossRef]
- Jakubowski, K.; Paś, J.; Rosiński, A. The Issue of Operating Security Systems in Terms of the Impact of Electromagnetic Interference Generated Unintentionally. Energies 2021, 14, 8591. [Google Scholar] [CrossRef]
- Paving Your Smart Manufacturing Roadmap, TÜV SÜD. Available online: https://www.tuvsud.com/en-us/resource-centre/stories/smart-industry-readiness-index (accessed on 17 February 2025).
- Patel, D. Buzz Killer: A Realistic Look at the Challenges Facing DLT in Trade—Trade Finance Global. 2019. Available online: https://www.tradefinanceglobal.com/posts/challenges-dlt-in-trade (accessed on 17 February 2025).
- Marvin, A.C. An Introduction to Cost 261 Electromagnetic Compatibility in Complex and Distributed Systems. In Proceedings of the 14th International Zurich Symposium and Technical Exposition on Electromagnetic Compatibility, Zurich, Switzerland, 20–22 February 2001; pp. 1–2. [Google Scholar] [CrossRef]
- Masmali, F.; Miah, S.J.; Noman, N. Different Applications and Technologies of Internet of Things (IoT). arXiv 2021. [Google Scholar] [CrossRef]
- Aleksieva, V.; Valchanov, H.; Haka, A.; Dinev, D. Model of Controlled Environment based on Blockchain and IoT. In Proceedings of the 2023 4th International Conference on Communications, Information, Electronic and Energy Systems (CIEES), Plovdiv, Bulgaria, 23–25 November 2023; pp. 1–4. [Google Scholar] [CrossRef]
- EPAM Startups & SMBs. IoT in Telecom: Use Cases, Benefits, Examples. Available online: https://startups.epam.com/blog/iot-in-telecommunications (accessed on 27 February 2025).








Disclaimer/Publisher’s Note: The statements, opinions and data contained in all publications are solely those of the individual author(s) and contributor(s) and not of MDPI and/or the editor(s). MDPI and/or the editor(s) disclaim responsibility for any injury to people or property resulting from any ideas, methods, instructions or products referred to in the content. |
© 2025 by the authors. Licensee MDPI, Basel, Switzerland. This article is an open access article distributed under the terms and conditions of the Creative Commons Attribution (CC BY) license (https://creativecommons.org/licenses/by/4.0/).
Share and Cite
Stoykov, I.; Mihaylov, G.; Hristova, T.; Gabrovska-Evstatieva, K.; Hristov, P.; Fetfov, O.; Ganchev, B. Electromagnetic Compatibility Analysis in the Design of Reliable Energy Systems of a Telecommunication Equipment. Eng. Proc. 2025, 104, 29. https://doi.org/10.3390/engproc2025104029
Stoykov I, Mihaylov G, Hristova T, Gabrovska-Evstatieva K, Hristov P, Fetfov O, Ganchev B. Electromagnetic Compatibility Analysis in the Design of Reliable Energy Systems of a Telecommunication Equipment. Engineering Proceedings. 2025; 104(1):29. https://doi.org/10.3390/engproc2025104029
Chicago/Turabian StyleStoykov, Ivelin, Grigor Mihaylov, Teodora Hristova, Katerina Gabrovska-Evstatieva, Peyo Hristov, Ognyan Fetfov, and Boyko Ganchev. 2025. "Electromagnetic Compatibility Analysis in the Design of Reliable Energy Systems of a Telecommunication Equipment" Engineering Proceedings 104, no. 1: 29. https://doi.org/10.3390/engproc2025104029
APA StyleStoykov, I., Mihaylov, G., Hristova, T., Gabrovska-Evstatieva, K., Hristov, P., Fetfov, O., & Ganchev, B. (2025). Electromagnetic Compatibility Analysis in the Design of Reliable Energy Systems of a Telecommunication Equipment. Engineering Proceedings, 104(1), 29. https://doi.org/10.3390/engproc2025104029

