Hydrogen Diffusivity and Hydrogen Traps Behavior of a Tempered and Untempered Martensitic Steel
Abstract
1. Introduction
2. Materials and Methods
2.1. Material and Heat Treatment
2.2. Hydrogen Permeation
2.3. Microstructural Characterization
2.4. Microhardness
3. Results
4. Conclusions
Author Contributions
Funding
Data Availability Statement
Conflicts of Interest
Abbreviations
| MAHP | Microhardness after hydrogen permeation |
| MBHP | Microhardness before hydrogen permeation |
| HE | Hydrogen embrittlement |
References
- Venezuela, J.; Liu, Q.; Zhang, M.; Zhou, Q.; Atrens, A. A review of hydrogen embrittlement of martensitic advanced high-strength steels. Corros. Rev. 2016, 34, 153–186. [Google Scholar] [CrossRef]
- Lee, S.J.; Ronevich, J.A.; Krauss, G.; Matlock, D.K. Hydrogen Embrittlement of Hardened Low-carbon Sheet Steel. ISIJ Int. 2010, 50, 294–301. [Google Scholar] [CrossRef]
- Shi, X.B.; Yan, W.; Wang, W.; Zhao, L.Y.; Shan, Y.Y.; Yang, K. HIC and SSC Behavior of High-Strength Pipeline Steels. Acta Metall. Sin. Engl. Lett. 2015, 28, 799–808. [Google Scholar] [CrossRef]
- Adasooriya, N.D.; Tucho, W.M.; Holm, E.; Årthun, T.; Hansen, V.; Solheim, K.G.; Hemmingsen, T. Effect of hydrogen on mechanical properties and fracture of martensitic carbon steel under quenched and tempered conditions. Mater. Sci. Eng. A 2021, 803, 140495. [Google Scholar] [CrossRef]
- Venezuela, J.; Hill, T.; Zhou, Q.; Li, H.; Shi, Z.; Dong, F.; Knibbe, R.; Zhang, M.; Dargusch, M.S.; Atrens, A. Hydrogen-induced fast fracture in notched 1500 and 1700 MPa class automotive martensitic advanced high-strength steel. Corros. Sci. 2021, 188, 109550. [Google Scholar] [CrossRef]
- Truschner, M.; Pengg, J.; Loder, B.; Köberl, H.; Gruber, P.; Moshtaghi, M.; Mori, G. Hydrogen resistance and trapping behaviour of a cold-drawn ferritic-pearlitic steel wire. Int. J. Mater. Res. 2023, 114, 439–452. [Google Scholar] [CrossRef]
- Venezuela, J.; Zhou, Q.; Liu, Q.; Zhang, M.; Atrens, A. Hydrogen Trapping in Some Automotive Martensitic Advanced High-Strength Steels. Adv. Eng. Mater. 2018, 20, 1700468. [Google Scholar] [CrossRef]
- Zhang, S.; Wan, J.; Zhao, Q.; Liu, J.; Huang, F.; Huang, Y.; Li, X. Dual role of nanosized NbC precipitates in hydrogen embrittlement susceptibility of lath martensitic steel. Corros. Sci. 2020, 164, 108345. [Google Scholar] [CrossRef]
- Rudomilova, D.; Prošek, T.; Luckeneder, G. Techniques for investigation of hydrogen embrittlement of advanced high strength steels. Corros. Rev. 2018, 36, 413–434. [Google Scholar] [CrossRef]
- Venezuela, J.; Lim, F.Y.; Liu, L.; James, S.; Zhou, Q.; Knibbe, R.; Zhang, M.; Li, H.; Dong, F.; Dargusch, M.S.; et al. Hydrogen embrittlement of an automotive 1700 MPa martensitic advanced high-strength steel. Corros. Sci. 2020, 171, 108726. [Google Scholar] [CrossRef]
- Hu, Y.; Dong, C.; Luo, H.; Xiao, K.; Zhong, P.; Li, X. Study on the Hydrogen Embrittlement of Aermet100 Using Hydrogen Permeation and SSRT Techniques. Metall. Mater. Trans. A 2017, 48, 4046–4057. [Google Scholar] [CrossRef]
- Liu, Q.; Venezuela, J.; Zhang, M.; Zhou, Q.; Atrens, A. Hydrogen trapping in some advanced high strength steels. Corros. Sci. 2016, 111, 770–785. [Google Scholar] [CrossRef]
- López-Martínez, E.; Vergara-Hernández, H.J.; Flores, O.; Campillo, B. Hydrogen Diffusivity in the Welding Zone of Two High Strength Experimental Microalloyed Steels. ISIJ Int. 2015, 55, 2435–2442. [Google Scholar] [CrossRef]
- Lee, J.; Lee, T.; Mun, D.J.; Bae, C.M.; Lee, C.S. Comparative study on the effects of Cr, V, and Mo carbides for hydrogen-embrittlement resistance of tempered martensitic steel. Sci. Rep. 2019, 9, 5219. [Google Scholar] [CrossRef]
- Lee, J.; Lee, T.; Kwon, Y.J.; Mun, D.J.; Yoo, J.Y.; Lee, C.S. Role of Mo/V carbides in hydrogen embrittlement of tempered martensitic steel. Corros. Rev. 2015, 33, 433–441. [Google Scholar] [CrossRef]
- Lee, J.; Lee, T.; Kwon, Y.J.; Mun, D.J.; Yoo, J.Y.; Lee, C.S. Effects of vanadium carbides on hydrogen embrittlement of tempered martensitic steel. Met. Mater. Int. 2016, 22, 364–372. [Google Scholar] [CrossRef]
- Chen, Y.S.; Lu, H.; Liang, J.; Rosenthal, A.; Liu, H.; Sneddon, G.; McCarroll, I.; Zhao, Z.; Li, W.; Guo, A.; et al. Observation of hydrogen trapping at dislocations, grain boundaries, and precipitates. Science 2020, 367, 171–175. [Google Scholar] [CrossRef]
- Takahashi, J.; Kawakami, K.; Sakiyama, Y.; Ohmura, T. Atomic-scale observation of hydrogen trap sites in bainite–austenite dual-phase steel by APT. Mater. Charact. 2021, 178, 111282. [Google Scholar] [CrossRef]
- Zhu, X.; Li, W.; Hsu, T.Y.; Zhou, S.; Wang, L.; Jin, X. Improved resistance to hydrogen embrittlement in a high-strength steel by quenching–partitioning–tempering treatment. Scr. Mater. 2015, 97, 21–24. [Google Scholar] [CrossRef]
- Dadfarnia, M.; Sofronis, P.; Neeraj, T. Hydrogen interaction with multiple traps: Can it be used to mitigate embrittlement? Int. J. Hydrogen Energy 2011, 36, 10141–10148. [Google Scholar] [CrossRef]
- Bhadeshia, H.K.D.H. Prevention of hydrogen embrittlement in steels. ISIJ Int. 2016, 56, 24–36. [Google Scholar] [CrossRef]
- Nagao, A.; Martin, M.L.; Dadfarnia, M.; Sofronis, P.; Robertson, I.M. The effect of nanosized (Ti,Mo)C precipitates on hydrogen embrittlement of tempered lath martensitic steel. Acta Mater. 2014, 74, 244. [Google Scholar] [CrossRef]
- Sackl, S.; Leitner, H.; Clemens, H.; Primig, S. On the evolution of secondary hardening carbides during continuous versus isothermal heat treatment of high speed steel HS 6-5-2. Mater. Charact. 2016, 120, 323–330. [Google Scholar] [CrossRef]
- Liu, B.; Qin, T.; Xu, W.; Jia, C.; Wu, Q.; Chen, M.; Liu, Z. Effect of tempering conditions on secondary hardening of carbides and retained austenite in spray-formed M42 high-speed steel. Materials 2019, 12, 3714. [Google Scholar] [CrossRef] [PubMed]
- Bała, P.; Pacyna, J. The kinetics of phase transformations during tempering in high-speed steels. J. Achiev. Mater. Manuf. Eng. 2007, 23, 15–18. [Google Scholar]
- Claesson, E.; Magnusson, H.; Kohlbrecher, J.; Thuvander, M.; Hedström, P. Evolution of iron carbides during tempering of low-alloy tool steel studied with polarized small angle neutron scattering, electron microscopy and atom probe. Mater. Charact. 2022, 194, 112464. [Google Scholar] [CrossRef]
- Hunkel, M.; Dong, J.; Epp, J.; Kaiser, D.; Dietrich, S.; Schulze, V.; Rajaei, A.; Hallstedt, B.; Broeckmann, C. Comparative study of the tempering behavior of different martensitic steels by means of in-situ diffractometry and dilatometry. Materials 2020, 13, 5058. [Google Scholar] [CrossRef]
- Shi, R.; Chen, L.; Wang, Z.; Yang, X.S.; Qiao, L.; Pang, X. Quantitative investigation on deep hydrogen trapping in tempered martensitic steel. J. Alloys Compd. 2021, 854, 157218. [Google Scholar] [CrossRef]
- Van den Eeckhout, E.; Depover, T.; Verbeken, K. The Effect of Microstructural Characteristics on the Hydrogen Permeation Transient in Quenched and Tempered Martensitic Alloys. Metals 2018, 8, 779. [Google Scholar] [CrossRef]
- Devanathan, M.A.V.; Stachurski, Z. The adsorption and diffusion of electrolytic hydrogen in palladium. Proc. R. Soc. Lond. Ser. A 1962, 270, 90–102. [Google Scholar]
- Miranda, M.; Campillo, B.; Villalobos, J.C.; Colín, J.; Islas, A.T.; Molina, A.; Serna, S. Analysis of Electrochemical Hydrogen Permeation through AISI Stainless and Welding Zones for Hydrogen Service. Int. J. Electrochem. Sci. 2016, 11, 9340–9354. [Google Scholar] [CrossRef]
- Omura, T.; Oyama, T. Effects of the Addition of Alloying Elements on Hydrogen Diffusion and Hydrogen Embrittlement in Martensitic Steel. ISIJ Int. 2024, 64, 620–629. [Google Scholar] [CrossRef]
- Cupertino-Malheiros, L.; Oudriss, A.; Thébault, F.; Piette, M.; Feaugas, X. Hydrogen Diffusion and Trapping in Low-Alloy Tempered Martensitic Steels. Metall. Mater. Trans. A 2023, 54, 1159–1173. [Google Scholar] [CrossRef]
- Díaz-Villaseñor, P.G.; Vázquez-Gómez, O.; Garnica-González, P.; Vergara-Hernández, H.J.; Campillo-Illanes, B.; López-Martínez, E. Secondary hardening in an Cr-Mo-V steel: Effect of thermal cycle tempering. Mater. Sci. Technol. 2024, 40, 1082. [Google Scholar] [CrossRef]
- Luppo, M.I.; Ovejero-Garcia, J. The influence of microstructure on the trapping and diffusion of hydrogen in a low carbon steel. Corros. Sci. 1991, 32, 1125–1136. [Google Scholar] [CrossRef]
- Chan, S.L.I.; Lee, H.L.; Yang, J.R. Effect of retained austenite on the hydrogen content and effective diffusivity of martensitic structure. Metall. Trans. A 1991, 22, 2579–2586. [Google Scholar] [CrossRef]
- Vieira, I.; Klemm-Toole, J.; Buchner, E.; Williamson, D.L.; Findley, K.O.; De Moor, E. A Dilatometric Study of Tempering Complemented by Mössbauer Spectroscopy and other Characterization Techniques. Sci. Rep. 2017, 7, 17337. [Google Scholar] [CrossRef] [PubMed]
- Primig, S.; Leitner, H. Separation of overlapping retained austenite decomposition and cementite precipitation reactions during tempering of martensitic steel by means of thermal analysis. Thermochim. Acta 2011, 526, 111–117. [Google Scholar] [CrossRef]
- Sahoo, G.; Singh, K.K.; Kumar, V. Quenched and tempered high strength steel: A review. J. Met. Mater. Miner. 2020, 30, 19–29. [Google Scholar] [CrossRef]
- Morales, E.V.; Vega-Leiva, J.A.; Salinas, H.L.L.; Bott, I.S. Analysis of precipitation mechanisms in tempering of low-alloy steels using the kinetic theory of the overlapping transformations. Phase Transit. 2011, 84, 179–191. [Google Scholar] [CrossRef]
- Li, L.; Song, B.; Cheng, J.; Yang, Z.; Cai, Z. Effects of vanadium precipitates on hydrogen trapping efficiency and hydrogen induced cracking resistance in X80 pipeline steel. Int. J. Hydrogen Energy 2018, 43, 17353–17363. [Google Scholar] [CrossRef]
- Peral, L.B.; Amghouz, Z.; Colombo, C.; Fernández-Pariente, I. Evaluation of hydrogen trapping and diffusion in two cold worked CrMo(V) steel grades by means of the electrochemical hydrogen permeation technique. Theor. Appl. Fract. Mech. 2020, 110, 102771. [Google Scholar] [CrossRef]
- Peral, L.B.; Fernández-Pariente, I.; Colombo, C.; Rodríguez, C.; Belzunce, J. The Positive Role of Nanometric Molybdenum-Vanadium Carbides in Mitigating Hydrogen Embrittlement in Structural Steels. Materials 2021, 14, 7269. [Google Scholar] [CrossRef] [PubMed]
- Dong, C.F.; Liu, Z.Y.; Li, X.G.; Cheng, Y.F. Effects of hydrogen-charging on the susceptibility of X100 pipeline steel to hydrogen-induced cracking. Int. J. Hydrogen Energy 2009, 34, 9879–9884. [Google Scholar] [CrossRef]
- Villalobos, J.C.; Del-Pozo, A.; Mayen, J.; Serna, S.; Campillo, B. Hydrogen embrittlement suscetibility on X-120 microalloyed steel as function of tempering temperature. Int. J. Hydrogen Energy 2020, 45, 9137. [Google Scholar] [CrossRef]
- Zafra, A.; Peral, L.B.; Belzunce, J. Hydrogen diffusion and trapping in A 42CrMo4 quenched and tempered steel: Influence of tempering temperature. Int. J. Hydrogen Energy 2020, 45, 31225–31242. [Google Scholar] [CrossRef]
- Shimotomai, M. Heuristic Design of Advanced Martensitic Steels That Are Highly Resistant to Hydrogen Embrittlement by ε-Carbide. Metals 2021, 11, 370. [Google Scholar] [CrossRef]
- Turk, A.; San Martín, D.; Rivera-Díaz-del-Castillo, P.E.J.; Galindo-Nava, E.I. Correlation between vanadium carbide size and hydrogen trapping in ferritic steel. Scr. Mater. 2018, 152, 112–116. [Google Scholar] [CrossRef]
- Chen, W.; Zhao, W.; Gao, P.; Li, F.; Kuang, S.; Zou, Y.; Zhao, Z. Interaction between dislocations, precipitates and hydrogen atoms in a 2000 MPa grade hot-stamped steel. J. Mater. Res. Technol. 2022, 18, 4353–4366. [Google Scholar] [CrossRef]
- Hayato, N.; Tomohiko, H.; Saya, A.; Yuki, S.; Motomichi, K.; Hiroyuki, S.; Ayumi, S.; Ryo, Y.; Takahisa, S.; Eiji, A. Effects of Residual Stress on Hydrogen Embrittlement of a Stretch-Formed Tempered Martensitic Steel Sheet. ISIJ Int. 2021, 61, 1170–1178. [Google Scholar] [CrossRef]
- Javeria, U.; Kim, S.J. Investigation of hydrogen embrittlement in steel alloys: Mechanism, factors, advanced methods and materials, applications, challenges, and future directions: A review. J. Mater. Res. Technol. 2025, 38, 1276. [Google Scholar] [CrossRef]
- Oliveira, M.S.; Carrasco, J.A.P.; Vilar, E.O.; Duarte, R.C.O.; dos Santos, M.A.; Silva, A.A.; Carvalho, L.H. Heat Treatment Effect on Hydrogen Permeation and Trapping in the API 5CT P110 Steel. Mater. Res. 2023, 26, e20230332. [Google Scholar] [CrossRef]
- Cheng, X.Y.; Li, H.; Cheng, X.B. Carbides and possible hydrogen irreversible trapping sites in ultrahigh strength round steel. Micron 2017, 103, 22. [Google Scholar] [CrossRef] [PubMed]
- Faye, O.; Szpunar, J.A. Effect of Metal Carbides on Hydrogen Embrittlement: A Density Functional Theory Study. Hydrogen 2024, 5, 137. [Google Scholar] [CrossRef]
- Park, J.S.; Jung, S.P.; Kim, S.J. Mitigating hydrogen embrittlement of advanced high-strength steel by controlling carbides (cementite and alloy carbides) and microstructural modification. J. Mater. Res. Technol. 2024, 28, 4703. [Google Scholar] [CrossRef]
- Depover, T.; Verbeken, K. Evaluation of the effect of V4C3 precipitates on the hydrogen induced mechanical degradation in Fe-C-V alloys. Mater. Sci. Eng. A 2016, 675, 299. [Google Scholar] [CrossRef]
- Seo, H.J.; Heo, Y.-U.; Kim, J.N.; Lee, J.; Choi, S.; Lee, C.S. Effect of V/Mo ratio on the evolution of carbide precipitates and hydrogen embrittlement of tempered martensitic steel. Corros. Sci. 2020, 176, 108929. [Google Scholar] [CrossRef]







| %C | %Mn | %Si | %Mo | %Cr | %V | %Ni | %Fe |
|---|---|---|---|---|---|---|---|
| 0.378 | 0.719 | 0.236 | 0.191 | 0.940 | 0.292 | 0.071 | Balance |
| Tempering Time (h) | Tempering Temperature (°C) |
|---|---|
| 286 | |
| 0.25 | 530 |
| 580 | |
| 0.25 + Δt | 530 |
| 2 + Δt | 530 |
| 6 + Δt | 530 |
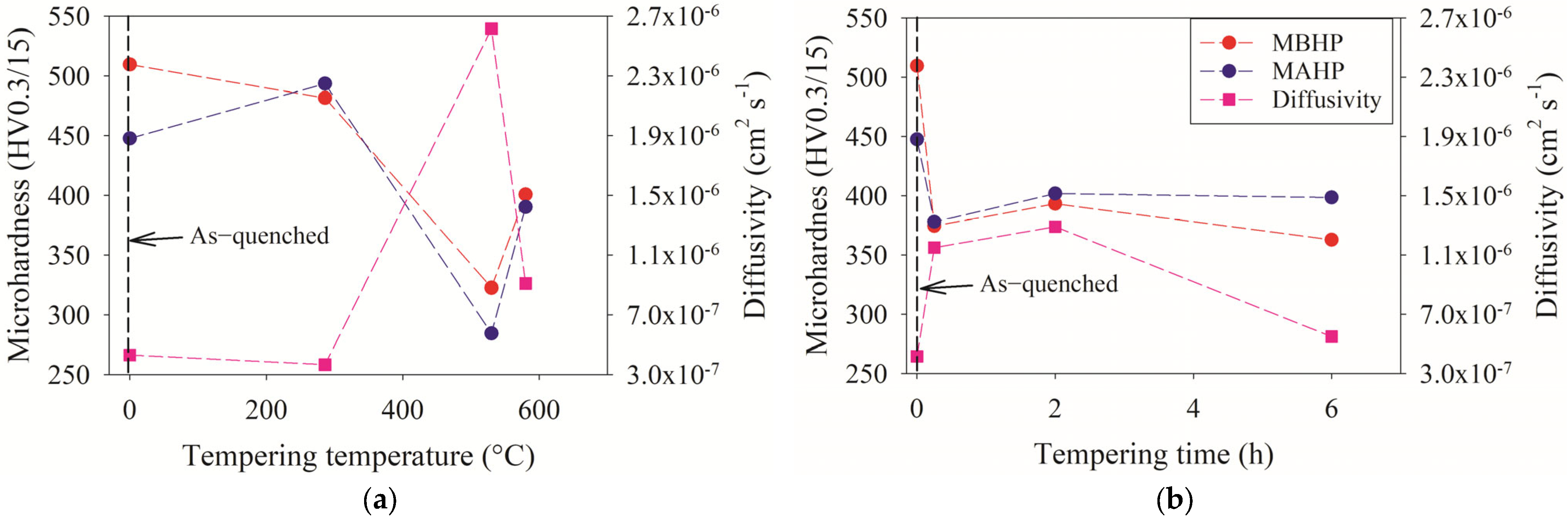
| Tempering Time (h) | Tempering Temperature (°C) | Mean MBHP (HV 0.3/15) | Mean MAHP (HV 0.3/15) |
|---|---|---|---|
| 0 | As-quenched | 509.6 ± 1.6 | 447.6 ± 5.5 |
| 0.25 | 286 | 481.5 ± 3.1 | 493.6 ± 2.2 |
| 530 | 322.5 ± 2.8 | 284.3 ± 3.0 | |
| 580 | 400.8 ± 4.1 | 390.3 ± 2.2 | |
| 0.25 + Δt | 530 | 374.4 ± 2.5 | 378.0 ± 4.5 |
| 2 + Δt | 530 | 393.3 ± 3.1 | 401.9 ± 2.7 |
| 6 + Δt | 530 | 362.8 ± 5.6 | 398.6 ± 3.4 |
| Tempering Time (h) | Tempering Temperature (°C) | Mean Diffusivity (cm2·s−1) | Mean Density of Hydrogen Traps (sites·cm−3) |
|---|---|---|---|
| 0 | As-quenched | 4.16 × 10−7 | 1.96 × 1020 |
| 0.25 | 286 | 4.13 × 10−7 | 2.21 × 1020 |
| 530 | 2.71 × 10−6 | 3.06 × 1019 | |
| 580 | 9.85 × 10−7 | 8.90 × 1019 | |
| 0.25 + Δt | 530 | 1.15 × 10−6 | 8.15 × 1019 |
| 2 + Δt | 530 | 1.29 × 10−6 | 7.38 × 1019 |
| 6 + Δt | 530 | 5.49 × 10−7 | 1.51 × 1020 |
Disclaimer/Publisher’s Note: The statements, opinions and data contained in all publications are solely those of the individual author(s) and contributor(s) and not of MDPI and/or the editor(s). MDPI and/or the editor(s) disclaim responsibility for any injury to people or property resulting from any ideas, methods, instructions or products referred to in the content. |
© 2025 by the authors. Licensee MDPI, Basel, Switzerland. This article is an open access article distributed under the terms and conditions of the Creative Commons Attribution (CC BY) license (https://creativecommons.org/licenses/by/4.0/).
Share and Cite
López-Martínez, E.; Salud-Ordon, S.E.; Vázquez-Gómez, O.; Dávila-Pérez, M.I.; Villalobos, J.C.; Barraza-Fierro, J.I. Hydrogen Diffusivity and Hydrogen Traps Behavior of a Tempered and Untempered Martensitic Steel. Hydrogen 2025, 6, 100. https://doi.org/10.3390/hydrogen6040100
López-Martínez E, Salud-Ordon SE, Vázquez-Gómez O, Dávila-Pérez MI, Villalobos JC, Barraza-Fierro JI. Hydrogen Diffusivity and Hydrogen Traps Behavior of a Tempered and Untempered Martensitic Steel. Hydrogen. 2025; 6(4):100. https://doi.org/10.3390/hydrogen6040100
Chicago/Turabian StyleLópez-Martínez, Edgar, Samuel Eduardo Salud-Ordon, Octavio Vázquez-Gómez, Miguel Iván Dávila-Pérez, Julio C. Villalobos, and Jesus Israel Barraza-Fierro. 2025. "Hydrogen Diffusivity and Hydrogen Traps Behavior of a Tempered and Untempered Martensitic Steel" Hydrogen 6, no. 4: 100. https://doi.org/10.3390/hydrogen6040100
APA StyleLópez-Martínez, E., Salud-Ordon, S. E., Vázquez-Gómez, O., Dávila-Pérez, M. I., Villalobos, J. C., & Barraza-Fierro, J. I. (2025). Hydrogen Diffusivity and Hydrogen Traps Behavior of a Tempered and Untempered Martensitic Steel. Hydrogen, 6(4), 100. https://doi.org/10.3390/hydrogen6040100

