Tree-Based Algorithms and Incremental Feature Optimization for Fault Detection and Diagnosis in Photovoltaic Systems
Abstract
1. Introduction
- •
- Innovative Framework: Introducing an innovative tree-based two-phase framework for fault detection and diagnosis, achieving an unprecedented 100% accuracy.
- •
- Novel Feature Importance Technique: Developing a novel technique of feature importance averaging employing tree-based algorithms and demonstrating high reliability and alignment with the final results.
- •
- Optimization of Data Dimensions: Proposing a distinctive technique for optimizing data dimensions and feature contributions through an incremental approach, contributing to enhanced efficiency.
- •
- Explainable Artificial Intelligence: Using two XAI techniques, ensuring high transparency and establishing the validity of findings in fault detection and diagnosis.
2. Photovoltaic Fault Types
- •
- Partial Shading: Partial shading occurs when specific portions of a PV module or array receive less sunlight due to objects blocking sunlight, such as trees and buildings. As a result, the power generation may become imbalanced, resulting in a lower overall system performance [9].
- •
- Hotspots: Hotspots are isolated areas of high temperature in PV modules. Cell abnormalities, non-uniform soiling, or shadowing can cause them. If not treated, hotspots can cause cell degradation, lower module efficiency, and can lead to permanent damage [10].
- •
- Cell Cracks: Mechanical stress, temperature variations, and external factors can all cause cracks in PV cells. Cell cracks lower the electrical output of the affected cells and can spread over time, affecting the module or array’s overall performance [10].
- •
- Degradation and Aging: PV modules are subject to gradual degradation and aging over time. Factors such as exposure to sunlight, temperature variations, and environmental conditions can decrease module efficiency and power output. Common degradation mechanisms include light-induced degradation (LID), potential-induced degradation (PID), and moisture ingress [11,12].
- •
- Open and Short Circuits: Open circuits arise when an electrical route is broken, blocking current flow. Short circuits, on the other hand, occur when two points are unintentionally connected, resulting in excessive current flow. Open and short circuits can cause power outages in the affected areas of the PV system [13].
- •
- Ground Faults: Ground faults occur when an unintentional electrical connection is made between the PV system and the ground. This can lead to safety risks, inefficiencies in the system, and potential damage to the PV equipment.
- •
- Line-to-Line Faults: Line-to-line faults in PV systems are electrical faults that occur when two conductors in the system are directly shorted. These faults often include a direct connection between two of the three phases of the PV system’s alternating current output, known as a three-phase fault.
- •
- Arc Faults: PV arc faults refer to electrical arcs in PV systems. An electrical arc is a high-energy discharge of electricity that flows through the air or across a gap between conductive materials. In PV systems, arc faults can arise from various causes, including insulation breakdown, loose connections, damaged wiring, or component failures.
3. Machine Learning Models in Photovoltaic Systems
3.1. Tree-Based Models
| Algorithm 1 Decision tree algorithm |
|
- •
- Decision Trees: Decision trees provide a tree-like model of decisions and their potential outcomes. They divide the data into several classes based on different attributes and features. Decision trees can handle both category and numerical data and are interpretable.
- •
- Random Forest: Random forest is an ensemble learning technique that makes predictions by combining numerous decision trees. It generates a set of decision trees and aggregates their outputs to obtain a final forecast. Random forests are well known for their robustness and capacity to handle large amounts of data.
- •
- Extra Trees: Like random forest, the Extra Trees classifier builds multiple decision trees but introduces additional randomness during node splitting, leading to a more diverse ensemble.
- •
- XGBoost (Extreme Gradient Boosting): XGBoost is a gradient boosting framework optimized to solve machine learning issues quickly and accurately. It employs a scalable and adaptable tree-boosting approach. XGBoost is a popular choice for data scientists and practitioners due to its sophisticated features, such as regularization, parallelization, and handling of missing inputs. It can handle classification and regression tasks and is widely used in competitions and real-world applications.
- •
- LightGBM (Light Gradient Boosting Machine): LightGBM is an efficient and scalable gradient boosting system. It employs a unique technique known as Gradient-based One-Side Sampling (GOSS) to accelerate training while consuming less memory and retaining good prediction accuracy. LightGBM is well known for its quick training speed and ability to handle big datasets. It can handle various tasks, such as binary classification, multi-class classification, and regression. LightGBM also includes sophisticated features, including categorical feature support, parallel learning, and customized loss algorithms.
- •
- CatBoost: It is a gradient boosting system that focuses on adequately managing categorical features. It employs cutting-edge approaches such as Ordered Boosting, which optimizes the learning process by considering the natural ordering of categories. CatBoost automatically handles category features by translating them into numerical representations, removing the need for manual feature engineering. It contains built-in capabilities, such as effective handling of missing values and the ability to train on GPU, and gives excellent accuracy on a wide range of tasks. CatBoost is user-friendly and integrates well with common programming languages.
3.2. Evaluation Metrics
3.3. Related Work on Fault Detection and Diagnosis in PV Systems
4. Proposed Framework
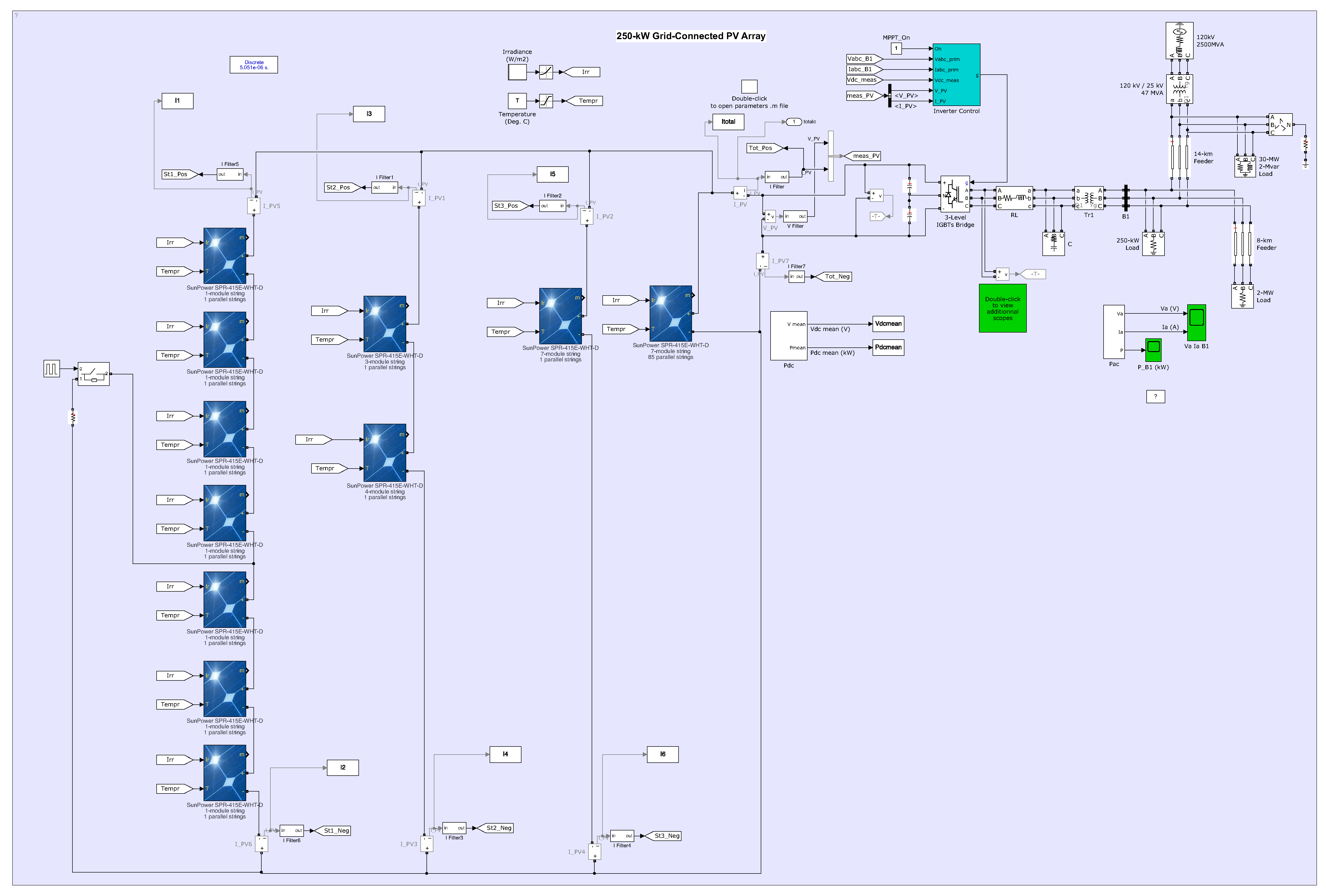
4.1. Simulink Model
4.2. Dataset Description
4.3. Data Preprocessing
- •
- How well are the dataset classes balanced? The initial analysis focused on assessing the balance within the dataset, primarily addressing the two key phases of the system. The first phase involves the fault detection system with two classes (No-Fault and Fault), while the second phase, dedicated to fault diagnosis, encompasses three classes (F1, F2, and F3). Maintaining balance among these classes is crucial for specific machine learning models to overcome biases towards the more prevalent class. In this study, the primary classifiers employed were tree-based. Initially, the dataset was not balanced, but a decision was made to consider balancing as a post-processing option if the results proved insufficiently accurate. This approach explored the possibility of improving the outcomes through balancing measures. It can be seen in Figure 5 that the classes within the first detection system exhibit an imbalance, with a higher prevalence of faulty samples. Conversely, the second phase is characterized by a balanced distribution among the three fault types, with a slight prevalence of 7% for F3. This balanced distribution in the second phase contributes to a more uniform consideration of the different types of faults during diagnosis.
- •
- What are the key features influencing the models? An averaging technique based on the average importance of the tree-based classifier was used to identify the most impactful features in the model’s decisions. Figure 6 presents the findings of this study using the average feature importance technique for both the first-phase fault detection system and the second-phase fault diagnosis system, as well as a combined analysis of both systems in a naive solution. Regardless of the system under consideration, the features range 4, range 3, range 2, Vdcmin1, I3VAR, IR, I1VAR, and T consistently emerge as the most influential. Notably, one of the range i features is slightly superior in each phase. These consistent observations across all phases suggest a potential hidden pattern within these series, potentially linked to faults. Consequently, based on the results obtained through this technique, the dataset was refined to include the top eight most influential features. These selected features are the starting point for feeding the dataset into the classifiers, aiming to optimize the model’s performance by focusing on the most significant contributors to decision-making.
- •
- Are there any outliers? Analyzing and handling outliers is a pivotal step in the complete preprocessing pipeline. Outliers, defined as values outside the range of a given series, can considerably influence a model. These values can potentially degrade the model’s performance if not handled correctly. Interestingly, in certain cases, outliers can provide valuable insights, aiding in identifying hidden anomalies associated with existing fault types. The outlier analysis, illustrated in Figure 7, indicates the potential presence of points aligning with this perspective. Nevertheless, on the whole, the series appears to be predominantly clean, suggesting that outliers, while possible, may not be pervasive throughout the dataset.
- •
- What are the possible existing correlations? Both the full and the fault datasets underwent a correlation analysis of the selected eight features. Mutual correlations exceeding 90% were systematically eliminated, indicating analogous behavior between the series. The results of this analysis are presented in Figure 8, where the series class is the target. Notably, no substantial mutual correlations were detected, with the upper threshold set at 72% in the full dataset and 71% in the fault dataset. Furthermore, the feature exhibiting the highest correlation with the target in both datasets is range 4, with percentages of 36% and 38% for the full dataset and the fault dataset, respectively.
5. Results and Discussion
- •
- Fault detection results;
- •
- Fault diagnosis results;
- •
- Comparison with previous works;
- •
- eXplainability through XAI.
5.1. Binary Classification Results
Fault Detection Optimization
5.2. Multi-Class Classification Results
Fault Diagnosis Optimization
5.3. Comparison with Previous Works
5.4. ML Explainability
6. Conclusions
Funding
Institutional Review Board Statement
Informed Consent Statement
Data Availability Statement
Conflicts of Interest
References
- Li, Z. Prospects of Photovoltaic Technology. Engineering 2023, 21, 28–31. [Google Scholar] [CrossRef]
- Sabbaghpur Arani, M.; Hejazi, M.A. The comprehensive study of electrical faults in PV arrays. J. Electr. Comput. Eng. 2016, 2016, 8712960. [Google Scholar] [CrossRef]
- AbdulMawjood, K.; Refaat, S.S.; Morsi, W.G. Detection and prediction of faults in photovoltaic arrays: A review. In Proceedings of the 2018 IEEE 12th International Conference on Compatibility, Power Electronics and Power Engineering (CPE-POWERENG 2018), Doha, Qatar, 10–12 April 2018; pp. 1–8. [Google Scholar]
- Allal, Z.; Noura, H.N.; Salman, O.; Chahine, K. Leveraging the power of machine learning and data balancing techniques to evaluate stability in smart grids. Eng. Appl. Artif. Intell. 2024, 133, 108304. [Google Scholar] [CrossRef]
- Yao, Z.; Lum, Y.; Johnston, A.; Mejia-Mendoza, L.M.; Zhou, X.; Wen, Y.; Aspuru-Guzik, A.; Sargent, E.H.; Seh, Z.W. Machine learning for a sustainable energy future. Nat. Rev. Mater. 2023, 8, 202–215. [Google Scholar] [CrossRef]
- Allal, Z.; Noura, H.N.; Vernier, F.; Salman, O.; Chahine, K. Wind turbine fault detection and identification using a two-tier machine learning framework. Intell. Syst. Appl. 2024, 22, 200372. [Google Scholar] [CrossRef]
- Chahine, K.; Baltazart, V.; Wang, Y. Parameter estimation of dispersive media using the matrix pencil method with interpolated mode vectors. IET Signal Process. 2011, 5, 397–406. [Google Scholar] [CrossRef]
- Chahine, K. Rotor fault diagnosis in induction motors by the matrix pencil method and support vector machine. Int. Trans. Electr. Energy Syst. 2018, 28, e2612. [Google Scholar] [CrossRef]
- Lu, F.; Guo, S.; Walsh, T.M.; Aberle, A.G. Improved PV module performance under partial shading conditions. Energy Procedia 2013, 33, 248–255. [Google Scholar] [CrossRef]
- Goudelis, G.; Lazaridis, P.I.; Dhimish, M. A review of models for photovoltaic crack and hotspot prediction. Energies 2022, 15, 4303. [Google Scholar] [CrossRef]
- Knausz, M.; Oreski, G.; Eder, G.C.; Voronko, Y.; Duscher, B.; Koch, T.; Pinter, G.; Berger, K.A. Degradation of photovoltaic backsheets: Comparison of the aging induced changes on module and component level. J. Appl. Polym. Sci. 2015, 132, 42093. [Google Scholar] [CrossRef]
- Luo, W.; Khoo, Y.S.; Hacke, P.; Naumann, V.; Lausch, D.; Harvey, S.P.; Singh, J.P.; Chai, J.; Wang, Y.; Aberle, A.G.; et al. Potential-induced degradation in photovoltaic modules: A critical review. Energy Environ. Sci. 2017, 10, 43–68. [Google Scholar] [CrossRef]
- Nadeem, A.; Sher, H.A.; Murtaza, A.F.; Ahmed, N. Online current-sensorless estimator for PV open circuit voltage and short circuit current. Sol. Energy 2021, 213, 198–210. [Google Scholar] [CrossRef]
- Alam, M.K.; Khan, F.; Johnson, J.; Flicker, J. A comprehensive review of catastrophic faults in PV arrays: Types, detection, and mitigation techniques. IEEE J. Photovolt. 2015, 5, 982–997. [Google Scholar] [CrossRef]
- Das, U.K.; Tey, K.S.; Seyedmahmoudian, M.; Mekhilef, S.; Idris, M.Y.I.; Van Deventer, W.; Horan, B.; Stojcevski, A. Forecasting of photovoltaic power generation and model optimization: A review. Renew. Sustain. Energy Rev. 2018, 81, 912–928. [Google Scholar] [CrossRef]
- Basnet, B.; Chun, H.; Bang, J. An intelligent fault detection model for fault detection in photovoltaic systems. J. Sens. 2020, 2020, 6960328. [Google Scholar] [CrossRef]
- Kolodziejczyk, W.; Zoltowska, I.; Cichosz, P. Real-time energy purchase optimization for a storage-integrated photovoltaic system by deep reinforcement learning. Control Eng. Pract. 2021, 106, 104598. [Google Scholar] [CrossRef]
- Martin, J.; Jaskie, K.; Tofis, Y.; Spanias, A. PV Array Soiling Detection using Machine Learning. In Proceedings of the 2021 12th International Conference on Information, Intelligence, Systems & Applications (IISA), Chania Crete, Greece, 12–14 July 2021; pp. 1–4. [Google Scholar]
- Aslam, M.; Lee, J.M.; Altaha, M.R.; Lee, S.J.; Hong, S. AE-LSTM based deep learning model for degradation rate influenced energy estimation of a PV system. Energies 2020, 13, 4373. [Google Scholar] [CrossRef]
- Rafati, A.; Joorabian, M.; Mashhour, E.; Shaker, H.R. Machine learning-based very short-term load forecasting in microgrid environment: Evaluating the impact of high penetration of PV systems. Electr. Eng. 2022, 104, 2667–2677. [Google Scholar] [CrossRef]
- Chen, X.; Qu, G.; Tang, Y.; Low, S.; Li, N. Reinforcement learning for decision-making and control in power systems: Tutorial, review, and vision. arXiv 2021, arXiv:2102.01168. [Google Scholar]
- Wang, J.; Gao, D.; Zhu, S.; Wang, S.; Liu, H. Fault diagnosis method of photovoltaic array based on support vector machine. Energy Sources Part A Recover. Util. Environ. Eff. 2019, 45, 5380–5395. [Google Scholar] [CrossRef]
- Ghoneim, S.S.; Rashed, A.E.; Elkalashy, N.I. Fault Detection Algorithms for Achieving Service Continuity in Photovoltaic Farms. Intell. Autom. Soft Comput. 2021, 30, 467–479. [Google Scholar] [CrossRef]
- Chen, Z.; Chen, Y.; Wu, L.; Cheng, S.; Lin, P. Deep residual network based fault detection and diagnosis of photovoltaic arrays using current-voltage curves and ambient conditions. Energy Convers. Manag. 2019, 198, 111793. [Google Scholar] [CrossRef]
- Hichri, A.; Hajji, M.; Mansouri, M.; Bouzrara, K.; Nounou, H.; Nounou, M. Deep Learning based Fault Diagnosis in a Grid-Connected Photovoltaic Systems. In Proceedings of the 2022 19th International Multi-Conference on Systems, Signals & Devices (SSD), Setif, Algeria, 6–10 May 2022; pp. 1150–1155. [Google Scholar]
- Tao, C.; Wang, X.; Gao, F.; Wang, M. Fault diagnosis of photovoltaic array based on deep belief network optimized by genetic algorithm. Chin. J. Electr. Eng. 2020, 6, 106–114. [Google Scholar] [CrossRef]
- Badr, M.M.; Hamad, M.S.; Abdel-Khalik, A.S.; Hamdy, R.A.; Ahmed, S.; Hamdan, E. Fault identification of photovoltaic array based on machine learning classifiers. IEEE Access 2021, 9, 159113–159132. [Google Scholar] [CrossRef]
- Garoudja, E.; Chouder, A.; Kara, K.; Silvestre, S. An enhanced machine learning based approach for failures detection and diagnosis of PV systems. Energy Convers. Manag. 2017, 151, 496–513. [Google Scholar] [CrossRef]
















| Fault Type | Description |
|---|---|
| Variation in Irradiance | Fluctuations in sunlight intensity throughout the day |
| Soiling | Accumulation of bird droppings and dirt on the surface of PV modules |
| Environmental Effects (Snow Covering and Hotspots) | Extreme temperature variations based on geographical location and weather conditions |
| Earth Fault (Upper Ground Fault) | Unintended grounding with zero fault impedance between the last two modules in a PV string |
| Earth Fault (Lower Ground Fault) | Unintended grounding with zero fault impedance between the second and third modules in a PV string, often associated with high back-feed current |
| Arc Faults (Series and Parallel) | Arcing caused by disruptions in current-carrying conductors due to solder disjunction, cell damage, connector corrosion, rodent interference, or abrasion |
| Bypass Diode Faults | Short circuits resulting from incorrect diode connections |
| Bridging Faults | Low-resistance connections between points of different potential within a string of modules or cabling |
| Maximum Power Point Tracking (MPPT) Faults | Malfunctions in MPPT charge controllers |
| Cabling Faults | Issues related to cable connections |
| Domain of Use | Reference | Description |
|---|---|---|
| Performance Prediction | [15] | ML models examine historical data, weather conditions, and other pertinent aspects to predict the electricity production of PV systems. They aid in energy forecasting, system planning, and grid integration. |
| Fault Detection and Diagnosis | [16] | By evaluating real-time data from sensors, monitoring devices, and historical records, ML algorithms detect and diagnose defects in PV systems. They detect irregularities, allowing for timely repair and reducing downtime. |
| Energy Optimization | [17] | ML techniques optimize energy production by considering weather conditions, load demand, and grid requirements. They dynamically adjust the system parameters to maximize energy capture and improve the system’s overall efficiency. |
| Soiling Detection and Cleaning Strategies | [18] | ML algorithms examine sensor data and weather patterns to identify the accumulation of dust, dirt, or other debris in PV modules. They recommend appropriate cleaning schedules and tactics to keep system performance high. |
| Lifetime Assessment and Degradation Modeling | [19] | ML forecasts the degradation of PV modules over time. ML models estimate the remaining usable life of modules by assessing previous performance data, environmental variables, and material qualities, assisting in asset management and maintenance planning. |
| Load Forecasting and Demand Response | [20] | ML algorithms forecast energy demand by analyzing historical load data and external factors (e.g., weather, time of day). This information helps grid operators and utilities manage energy supply and demand, allowing the optimal integration of PV systems into the grid. |
| Data Analytics and Decision Support | [21] | In PV systems, ML approaches enable data-driven decision-making. ML models may detect trends, correlations, and improvement possibilities by processing and analyzing massive amounts of data, making system monitoring, performance evaluation, and maintenance scheduling easier. |
| Metric | Description | Formula |
|---|---|---|
| False Positive | False positive rate measures the proportion of actual negatives incorrectly identified as positive | |
| False Negative | False negative rate measures the proportion of actual positives incorrectly identified as negative | |
| Accuracy | Measures the overall correctness of the model’s predictions | |
| Precision | Measures the proportion of true positives among all positive predictions | |
| Recall | Measures the proportion of true positives identified correctly among all actual positives | |
| F1 Score | Combines precision and recall into a single metric, thus balancing both measures |
| Dataset | Case | Number of Samples |
|---|---|---|
| Training Data | Normal | 100 |
| F1 | 153 | |
| F2 | 149 | |
| F3 | 198 | |
| Testing Data | Normal | 25 |
| F1 | 25 | |
| F2 | 25 | |
| F3 | 25 | |
| Total | - | 700 |
| Feature | Description |
|---|---|
| I1 | Average of the current at the top of string 1 |
| I2 | Average of the current at the bottom of string 1 |
| I1max | Maximum of the current at the top of string 1 |
| I1min | Minimum of the current at the top of string 1 |
| I1VAR | Variance of the current at the top of string 1 |
| I2max | Maximum of the current at the bottom of string 1 |
| I2min | Minimum of the current at the bottom of string 1 |
| I2VAR | Variance of the current at the bottom of string 1 |
| I3 | Average of the current at the top of string 2 |
| I4 | Average of the current at the bottom of string 2 |
| I3max | Maximum of the current at the top of string 2 |
| I3min | Minimum of the current at the top of string 2 |
| I3VAR | Variance of the current at the top of string 2 |
| I4max | Maximum of the current at the bottom of string 2 |
| I4min | Minimum of the current at the bottom of string 2 |
| I5 | Average of the current at the top of string 3 |
| I6 | Average of the current at the bottom of string 3 |
| Itotal1 | Average of the total current of the PV power plant |
| Itotalmax1 | Maximum of the total current |
| Itotalmin1 | Minimum of the total current |
| Vdcmean1 | Average of the total DC voltage |
| Vdcmax1 | Maximum of the total DC voltage |
| Vdcmin1 | Minimum of the total DC voltage |
| Pdcmean1 | Average of the total DC Power |
| IR | Solar irradiance ranging from 100 to 1000 |
| T | Temperature ranging from 10 to 35 °C |
| Range1 | I1max–I1min |
| Range2 | I2max–I2min |
| Range3 | I1−I2 |
| Range4 | I3−I4 |
| Class | Normal: 0, F1: 1, F2: 2, F3: 3 |
| Model | Accuracy-CV | Accuracy | Precision | Recall | F1 Score | Normalized Confusion Matrix |
|---|---|---|---|---|---|---|
| ExtraTrees | 0.998214 | 1.000000 | 1.000000 | 1.000000 | 1.000000 | |
| RandomForest | 1.000000 | 0.978571 | 0.946429 | 0.986957 | 0.965090 | |
| XGBoost | 1.000000 | 0.964286 | 0.916667 | 0.978261 | 0.943434 | |
| DecisionTree | 1.000000 | 0.964286 | 0.916667 | 0.978261 | 0.943434 | |
| LightGBM | 0.998214 | 0.950000 | 0.890625 | 0.969565 | 0.922901 | |
| CatBoost | 1.000000 | 0.828571 | 0.706767 | 0.566957 | 0.576613 |
| Model | Accuracy-CV | Accuracy | Precision | Recall | F1 Score | Normalized Confusion Matrix |
|---|---|---|---|---|---|---|
| ExtraTrees | 1.000000 | 1.000000 | 1.000000 | 1.000000 | 1.000000 | |
| XGBoost | 1.000000 | 1.000000 | 1.000000 | 1.000000 | 1.000000 | |
| LightGBM | 1.000000 | 1.000000 | 1.000000 | 1.000000 | 1.000000 | |
| CatBoost | 1.000000 | 1.000000 | 1.000000 | 1.000000 | 1.000000 | |
| RandomForest | 1.000000 | 0.947826 | 0.935484 | 0.969231 | 0.948157 | |
| DecisionTree | 1.000000 | 0.947826 | 0.935484 | 0.969231 | 0.948157 |
| Model | Accuracy-CV | Accuracy | Precision | Recall | F1 Score | Normalized Confusion Matrix |
|---|---|---|---|---|---|---|
| CatBoost | 1.000 | 0.964 | 0.953 | 0.950 | 0.950 | |
| RandomForest | 1.000 | 0.907 | 0.887 | 0.913 | 0.895 | |
| ExtraTrees | 1.000 | 0.864 | 0.845 | 0.884 | 0.857 | |
| DecisionTree | 1.000 | 0.800 | 0.805 | 0.849 | 0.809 | |
| XGBoost | 0.993 | 0.736 | 0.775 | 0.796 | 0.750 | |
| LightGBM | 1.000 | 0.707 | 0.608 | 0.639 | 0.607 |
| Classification | Samples | |
| Sample 1 | Sample 2 | |
| Binary | ![]() | ![]() |
| Explanations | In this particular instance, focusing on binary classification, the model exhibits a high level of confidence (99%) in categorizing the case as a normal (0) operation of a PV panel. This determination is strongly supported by two features, namely range 1 and range 3, while three other features exhibit a negative correlation with this classification. At least five features play a significant role in fine-tuning the model’s decisions toward achieving an optimal result. | This decision to consider the sample faulty was supported by two features, “range 1” and “range 3”, each by 33%. In total, a 66% contribution is made. While no significant contribution to the opposing decision is observed (0.02c), the model is 100% certain that it is a Faulty sample. |
| Classification | Samples | |
| Sample 1 | Sample 2 | |
| Multi-Class | ![]() | ![]() |
| Explanations | In this situation, just two features have a choice about the type of fault; range 4 believes (91% of the time) that it is the second fault type, whereas range 2 believes (11% of the time) that it is not; the model favors the certainty of the range 4 feature in this decision. | In this situation, just two features have a choice regarding the type of fault; range 4 believes it is the First Fault type by 91%, while range 2 believes it is not by 11%; the model chooses the certainty of the range 4 feature toward this decision. |
Disclaimer/Publisher’s Note: The statements, opinions and data contained in all publications are solely those of the individual author(s) and contributor(s) and not of MDPI and/or the editor(s). MDPI and/or the editor(s) disclaim responsibility for any injury to people or property resulting from any ideas, methods, instructions or products referred to in the content. |
© 2025 by the author. Licensee MDPI, Basel, Switzerland. This article is an open access article distributed under the terms and conditions of the Creative Commons Attribution (CC BY) license (https://creativecommons.org/licenses/by/4.0/).
Share and Cite
Chahine, K. Tree-Based Algorithms and Incremental Feature Optimization for Fault Detection and Diagnosis in Photovoltaic Systems. Eng 2025, 6, 20. https://doi.org/10.3390/eng6010020
Chahine K. Tree-Based Algorithms and Incremental Feature Optimization for Fault Detection and Diagnosis in Photovoltaic Systems. Eng. 2025; 6(1):20. https://doi.org/10.3390/eng6010020
Chicago/Turabian StyleChahine, Khaled. 2025. "Tree-Based Algorithms and Incremental Feature Optimization for Fault Detection and Diagnosis in Photovoltaic Systems" Eng 6, no. 1: 20. https://doi.org/10.3390/eng6010020
APA StyleChahine, K. (2025). Tree-Based Algorithms and Incremental Feature Optimization for Fault Detection and Diagnosis in Photovoltaic Systems. Eng, 6(1), 20. https://doi.org/10.3390/eng6010020





